автордың кітабын онлайн тегін оқу 3D-моделирование в AutoCAD, КОМПАС-3D, SolidWorks, Inventor, T-Flex
В. Большаков, А. Бочков, А. Сергеев
3D-моделирование в AutoCAD, КОМПАС-3D, SolidWorks, Inventor, T-Flex. Учебный курс (+DVD)
2014
Технический редактор А. Шляго (Шантурова)
Литературный редактор А. Жданов
Художники Л. Адуевская, А. Шляго (Шантурова)
Корректоры И. Тимофеева, И. Тимофеева
Верстка Е. Егорова
В. Большаков, А. Бочков, А. Сергеев
3D-моделирование в AutoCAD, КОМПАС-3D, SolidWorks, Inventor, T-Flex. Учебный курс (+DVD). — СПб.: Питер, 2014.
ISBN 978-5-49807-774-1
© ООО Издательство "Питер", 2014
Все права защищены. Никакая часть данной книги не может быть воспроизведена в какой бы то ни было форме без письменного разрешения владельцев авторских прав.
Введение
Инженерная компьютерная графика является одной из наиболее интенсивно развивающихся отраслей технических знаний. Современные CAD-подсистемы, входящие в состав интегрированных САD/CAM/CAE-систем (Computer Aided Manufactoring/Engineering — поддержанное компьютером конструирование/изготовление/инженерная деятельность), и системы твердотельного параметрического моделирования механических объектов, отражающие последние достижения инженерной компьютерной графики, представляют собой наиболее важные разработки в области новых технологий по автоматизации деятельности инженеров, конструкторов и технологов [10]. Эта оценка была сделана еще в конце 80-х годов прошлого века. К тому времени в мире было создано 40–50 трехмерных систем автоматизированного проектирования (САПР) [11].
В последние годы роль САПР в решении задач интенсификации процесса разработки и выпуска новых изделий еще более возросла, системы продолжали совершенствоваться, становясь при этом все более доступными для широкого круга пользователей. Конкуренция на рынке САПР заставила разработчиков продвигать в сферу образования некоммерческие учебные версии своих систем, искать другие способы внедрения в обучение своего легального прикладного программного обеспечения.
Освоение любой САПР, ориентированной на машиностроение и приборостроение, начинается со знакомства с САD-системой.
В данной книге приведены материалы, позволяющие ускорить освоение трехмерных редакторов пяти наиболее распространенных в сфере образования САD-cистем:
•КОМПАС-3D. Более 1000 учебных заведений применяют профессиональное программное обеспечение в обучении студентов и научных исследованиях. В учебных аудиториях система установлена более чем по 45 000 лицензий. В 2008 году в рамках приоритетного проекта «Образование» все школы Российской Федерации (РФ) получили систему КОМПАС-3D LT, при этом в 6100 школах, реализующих инновационные программы обучения, была поставлена профессиональная система КОМПАС-3D.
•SolidWorks. 145 высших и средних специальных учебных заведений РФ и стран ближнего зарубежья являются участниками образовательного проекта.
•Autodesk Inventor, AutoCAD. Ежегодно более 2 000 000 студентов в 50 000 учебных заведений обучаются работе с программными продуктами Autodesk. В странах СНГ более 1100 факультетов и сотни вузов выпускают специалистов, умеющих использовать технологии Autodesk. Будущие архитекторы, проектировщики, инженеры и специалисты по компьютерной графике овладевают теми же программами, с которыми работают профессионалы. (По данным представительства Autodesk в России.)
•T-Flex. Используется в 116 высших и средних специальных учебных заведениях РФ и стран ближнего зарубежья.
Данные по внедрению в сферу образования указанных систем взяты с соответствующих сайтов (см. приложение Б) в конце 2009 года.
В книге описаны этапы создания в перечисленных системах трехмерных твердотельных моделей девяти деталей, показанных на следующем рисунке.
Кроме того, в книге вы найдете:
• описание этапов построения чертежей по 3D-технологии. Ассоциативные чертежи, созданные по 3D-технологии, характеризуются тем, что все виды плоского чертежа связаны так, что изменения в модели приводят к изменению изображения в каждом виде;
• описание этапов создания 13 твердотельных моделей в рамках тестирования уровня начальных навыков 3D-моделирования. Твердотельная модель — это трехмерная электронная геометрическая модель, представляющая собой форму изделия как результат композиции заданного множества геометрических элементов с применением к этим элементам операций булевой алгебры [4]. Геометрическим элементом может быть линия, точка, плоскость, поверхность, геометрическая фигура и геометрическое тело [4].
Концептуальные особенности книги
Особенности книги, на которые следует обратить внимание:
• книга знакомит с современным подходом к автоматизированному проектированию, когда конструкторская документация изделий создается на основе трехмерного моделирования этих изделий;
• последовательность представления и содержание учебных заданий обеспечивают постепенность и полноту освоения трехмерных редакторов;
• особенности выполнения заданий раскрываются в рисунках, на которых показаны этапы построения тех или иных изображений или моделей;
• выполнение одинаковых моделей в различных САD-системах обеспечивает эффективный и интуитивно понятный перенос навыков моделирования при освоении очередного 3D-редактора;
• в книге реализован деятельностный подход к инженерному образованию, когда обучаемый включается в подлинную или близкую к ней инженерную деятельность;
• форма представления заданий обеспечивает возможность внедрения дистанционных форм обучения.
Книги, посвященные применению информационных технологий в проектировании, можно условно разделить на две группы.
Первую, наиболее многочисленную группу составляют книги, в которых основное внимание уделяется подробному описанию меню и панелей инструментов, описанию их команд. Как отмечается в [5], простейшие примеры, показывающие результат выполнения той или иной команды, повышают эффективность обучения, но незначительно.
В книгах второй группы описание меню программ и их команд носит лишь ознакомительный характер и не изобилует подробностями. Основной упор сделан на выполнение примеров, взятых из «реальной жизни» или максимально приближенных к ним [5]. С помощью таких примеров можно наглядно раскрыть основные приемы создания моделей, варианты применения различных команд для получения одного и того же результата, в том числе в разных CAD-системах.
Вы уже поняли, что книга, которую вы держите в руках, относится ко второй группе.
Для кого предназначена книга
Книга в основном предназначена для начинающих пользователей САПР. Она рекомендуется студентам, обучающимся по различным техническим направлениям подготовки бакалавров и магистров. Книга обеспечивает компьютерную поддержку изучения общепрофессиональных и специальных дисциплин и курсов, в рамках которых изучаются и применяются различные САD-системы:
• в вузах и колледжах;
• на курсах повышения квалификации работников промышленности;
• в институтах непрерывного (послевузовского) образования;
• в школах для обучения по программам курса «Черчение», знакомящим с основами разработки компьютерных чертежей, а также при использовании дистанционных форм изучения материала.
Материалы, размещенные на прилагаемом к книге DVD-диске, могут обеспечить эффективное самостоятельное освоение новых (для конкретного пользователя) СAD-систем.
Благодарности
За предоставленную информацию и разрешение разместить на прилагаемом к книге DVD-диске свободно распространяемые учебные материалы авторы выражают благодарности генеральному директору компании «АСКОН» Богданову Максиму Юрьевичу; заместителю генерального директора компании «Топ Системы» Ефремову Андрею Николаевичу; менеджеру по маркетингу платформенных и многоотраслевых решений компании «Autodesk» Шумиловой Елене.
От издательства
Ваши замечания, предложения и вопросы отправляйте по адресу электронной почты comp@piter.com (издательство «Питер», компьютерная редакция).
Мы будем рады узнать ваше мнение!
Подробную информацию о наших книгах вы найдете на веб-сайте издательства http://www.piter.com.
Сведения об авторах
Большаков Владимир Павлович — почетный работник высшего профессионального образования Российской Федерации, доцент кафедры прикладной механики и инженерной графики СПбГЭТУ «ЛЭТИ», с 1979 г. преподает общепрофессиональные дисциплины геометрической и графической направленности. Автор около 170 печатных работ, в том числе 48 авторских свидетельств СССР, 16 методических указаний, 14 учебных пособий для студентов вузов.
Сертифицированный преподаватель по системе КОМПАС-3D 2-й ступени специализации «Машиностроение».
Бочков Андрей Леонидович — старший преподаватель кафедры прикладной механики и инженерной графики СПбГЭТУ «ЛЭТИ», с 1987 г. преподает общепрофессиональные дисциплины геометрической и графической направленности. Автор 38 печатных работ, в том числе 17 методических указаний и учебных пособий для студентов вузов.
Сертифицированный специалист по AutoCAD 2006 Level 2: Advanced.
Сергеев Алексей Александрович — доцент кафедры прикладной механики и инженерной графики СПбГЭТУ «ЛЭТИ», с 1994 г. преподает общепрофессиональные дисциплины геометрической и графической направленности. Автор более 60 печатных работ, в том числе 12 авторских свидетельств СССР, 16 методических указаний и учебных пособий для студентов вузов.
Часть I. Моделирование в системе КОМПАС-3D LT
Глава 1. Общие сведения о системе KOMПAC-3D LT
Система KOMПAC-3D LT предназначена для создания трехмерных параметрических моделей деталей и последующего полуавтоматического выполнения их рабочих чертежей, содержащих все необходимые виды, разрезы и сечения.
Система ориентирована на формирование моделей изделий, содержащих как типичные, так и нестандартные конструктивные элементы.
1.1. Основные типы документов
В терминах КОМПАС-ЗD LT любое изображение, которое можно построить средствами системы, принято называть документом. С помощью КОМПАС-ЗD LT можно создавать документы трех типов: трехмерные изображения деталей, плоские чертежи и фрагменты. В случаях, когда идет речь о трехмерных изображениях деталей, употребляется еще один термин — «модель». Построение моделей выполняется средствами модуля трехмерного моделирования.
Деталь — модель изделия, изготавливаемого из однородного материала без применения сборочных операций. Детали хранятся в файлах с расширением .m3d.
Чертеж — основной тип графического документа в КОМПАС-3D. Чертеж содержит графическое изображение изделия, основную надпись, рамку, иногда — дополнительные объекты оформления (знак неуказанной шероховатости, технические требования и т.д.). В чертеж КОМПАС-3D всегда входит один лист заданного пользователем формата. В файле чертежа КОМПАС-3D могут содержаться не только чертежи (в понимании ЕСКД), но и схемы, плакаты и прочие графические документы. Чертежи хранятся в файлах с расширением .cdw.
Фрагмент — вспомогательный тип графического документа в КОМПАС-3D. Фрагмент отличается от чертежа отсутствием рамки, основной надписи и других объектов оформления конструкторского документа. Он используется для хранения изображений, которые не нужно оформлять как отдельный лист (эскизные прорисовки, разработки и т.д.). Кроме того, во фрагментах также хранятся созданные типовые решения для последующего использования в других документах. Файл фрагмента имеет расширение .frw.
1.2. Основные элементы интерфейса
По сравнению с традиционными Windows-приложениями в КОМПАС-3D LT наложены ограничения на одновременную работу с несколькими документами. Таким образом, в главном окне системы может быть открыт только один документ: чертеж, фрагмент или деталь.
Команды вызываются из главного меню, контекстного меню или при помощи кнопок инструментальных панелей.
При работе с документом любого типа на экране отображаются главное меню и несколько инструментальных панелей: Стандартная, Вид, Текущее состояние, Компактная.
Главное меню системы служит для вызова команд (рис. 1.1). Вызов некоторых из них возможен также с помощью кнопок инструментальных панелей. По умолчанию главное меню располагается в верхней части окна.
Рис. 1.1. Главное меню
При выборе пункта меню раскрывается перечень команд этого пункта. Некоторые из команд имеют собственные подменю. Для вызова команды (выполнения соответствующего действия) щелкните мышью на ее названии.
Стандартная панель содержит кнопки вызова команд стандартных операций с файлами и объектами (рис. 1.2).
Рис. 1.2. Стандартная панель
Для вывода ее на экран служит команда Вид —> Панели инструментов —> Стандартная.
Панель Вид содержит кнопки вызова команд настройки вида активного документа. Набор полей и кнопок панели Вид зависит от того, какой документ активен (рис. 1.3).
Рис. 1.3. Панель Вид при работе с деталями
Для вывода ее на экран служит команда Вид —> Панели инструментов —> Вид.
Панель текущего состояния служит для вывода параметров текущего состояния активного документа. Набор полей и кнопок панели текущего состояния зависит от того, какой документ активен (рис. 1.4).
Рис. 1.4. Панель текущего состояния при работе с фрагментами
Для вывода ее на экран служит команда Вид —> Панели инструментов —> Текущее состояние.
Компактная панель содержит кнопки переключения между инструментальными панелями и кнопки самих этих панелей. Состав компактной инструментальной панели зависит от типа активного документа (рис. 1.5).
Рис. 1.5. Компактная панель в режиме редактирования детали
Панель свойств служит для управления процессом выполнения команды. На ней расположены одна или несколько вкладок и панель специального управления (рис. 1.6).
Рис. 1.6. Панель свойств
Строка сообщений (если ее показ не отключен при настройке системы) содержит подсказки по текущему действию или описание выбранной команды.
Справка по текущему действию или активному элементу интерфейса вызывается нажатием клавиши F1, вызов других типов справки — через меню Справка.
1.3. Использование контекстных меню
Команды для выполнения многих часто используемых действий можно вызвать из контекстного меню.
Эти меню появляются на экране при щелчке правой кнопкой мыши. Состав меню будет разным для различных ситуаций. В нем будут собраны наиболее типичные для данного момента работы команды.
Например, во время создания линейного размера при щелчке правой кнопкой мыши на экране появится меню, показанное на рис. 1.7.
Рис. 1.7. Контекстное меню при нанесении линейного размера
Таким образом, при выполнении различных действий можно быстро обратиться к нужной команде не только через главное меню или инструментальные панели, но и через контекстные меню, причем последний способ является наиболее быстрым.
1.4. Управление изображением модели
Для управления масштабом изображения модели предназначены команды Увеличить масштаб рамкой, Увеличить масштаб, Уменьшить масштаб, Масштаб по выделенным объектам, Приблизить/отдалить, Показать все. Эти команды расположены в меню Сервис, а кнопки для их быстрого вызова — на панели управления.
Можно управлять коэффициентом изменения масштаба, использующимся при выполнении команд Увеличить масштаб и Уменьшить масштаб.
Чтобы передвинуть изображение модели в окне, щелкните на кнопке Сдвинуть панели Вид или вызовите соответствующую команду из меню Вид.
Для быстрого сдвига изображения (без вызова специальной команды) можно воспользоваться клавиатурными комбинациями Shift+Клавиши со стрелками. Нажатие любой из них вызывает перемещение изображения в соответствующую сторону.
Величина перемещения изображения при однократном нажатии управляющей клавиатурной комбинации называется шагом перемещения. Величину шага перемещения можно задать.
При создании модели может возникнуть необходимость видеть ее с разных сторон. Для этого в КОМПАС-3D LT предусмотрена возможность вращения модели.
Чтобы повернуть модель, вызывается команда Вид —> Повернуть или нажимается кнопка Повернуть панели Вид.
Вы можете вращать модель вокруг центра габаритного параллелограмма, вокруг точки (вершины, центра сферы), вокруг оси (вспомогательной оси, прямолинейного ребра, оси операции) или вокруг оси, проходящей через указанную точку плоскости (вспомогательной плоскости, плоской грани детали) перпендикулярно ей.
Часто требуется такая ориентация, при которой одна из плоскостей проекций располагается параллельно плоскости экрана (в этом случае изображение модели соответствует ее изображению на чертеже в стандартной проекции, например, на виде сверху или слева). Такую ориентацию трудно получить, поворачивая модель мышью. В этом случае для изменения ориентации можно пользоваться предусмотренным системой списком названий ориентаций.
На панели Вид расположена кнопка Ориентация. Щелчок на стрелке рядом с этой кнопкой приводит к появлению меню с перечнем стандартных названий ориентаций (рис. 1.8): Сверху, Снизу, Слева, Справа, Спереди, Сзади, Изометрия XYZ, Изометрия YZX, Изометрия ZXY, Прямоугольная диметрия (каждое из них соответствует направлению взгляда наблюдателя на модель).
Рис. 1.8. Меню выбора стандартных ориентаций
В этом меню выбирается команда, соответствующая нужной ориентации. После этого изображение перестраивется в соответствии с указанным направлением взгляда.
Иногда требуется, чтобы плоскости экрана оказалась параллельна не проекционная плоскость, а вспомогательная плоскость или плоская грань детали. Чтобы установить такую ориентацию, выделите нужный плоский объект и вызовите из меню кнопки Ориентация команду Нормально к…
В результате модель поворачивается так, чтобы направление взгляда было перпендикулярно выбранному объекту.
Можно не только использовать стандартные названия ориентаций, но и запоминать текущую ориентацию под каким-либо именем, а затем возвращаться к ней в любой момент, выбрав это имя в списке. Для этого нажимается кнопка Ориентация — в результате на экране появляется диалоговая панель со списком существующих в модели названий ориентаций. Далее нажимается кнопка Добавить, вводится название новой ориентации и нажимается кнопка Выход. Новое название появится в меню кнопки Ориентация панели Вид.
1.5. Управление режимом отображения детали
При работе в КОМПАС-3D LT доступно несколько вариантов отображения модели: каркас, представление без невидимых линий или с тонкими невидимыми линиями, полутоновое отображение. Чтобы выбрать вариант отображения, вызовите команду Вид —> Отображение и укажите нужный вариант. Можно также воспользоваться кнопками панели Вид.
Каркас представляет собой совокупность всех ребер и линий очерка модели. Чтобы отобразить модель в виде каркаса, вызывается команда Вид —> Отображение —> Каркас или нажимается кнопка Каркас панели Вид.
При отображении модели с удалением невидимых линий изображение представляет собой совокупность видимых (при текущей ориентации модели) ребер, частей ребер и линий очерка модели.
Чтобы показать модель без невидимых линий, вызывается команда Вид —> Отображение —> Без невидимых линий или нажимается кнопка Без невидимых линий панели Вид.
Невидимые линии (невидимые ребра и части ребер) можно отобразить отличающимся от видимых линий (более светлым) цветом. Чтобы вывести модель с невидимыми линиями другого цвета, вызывается команда Вид —> Отображение —> Невидимые линии тонкие или нажимается кнопка Невидимые линии тонкие панели Вид.
Полутоновое отображение позволяет увидеть поверхность модели и получить представление о ее форме. Чтобы получить полутоновое отображение модели, вызывается команда Вид —> Отображение —> Полутоновое или нажимается кнопка Полутоновое панели Вид. При полутоновом отображении модели учитываются оптические свойства ее поверхности (цвет, блеск, диффузия и т.д.).
Еще более реалистичное изображение детали в соответствии с особенностями зрительного восприятия человека можно получить с помощью перспективы. Точка схода перспективы расположена посередине окна детали. Все перечисленные режимы отображения (каркасное, полутоновое, без невидимых линий и с тонкими невидимыми линиями) можно сочетать с перспективной проекцией. Для отображения модели с учетом перспективы вызывается команда Вид —> Отображение —> Перспектива или нажимается кнопка Перспектива панели Вид.
Какой бы тип отображения ни был выбран, он не оказывает влияния на свойства модели. Например, при выборе каркасного отображения модель остается сплошной и твердотельной (а не превращается в набор «проволочных» ребер), просто ее поверхность и материал не показываются на экране.
1.6. Дерево модели
Дерево построения документа — это структурированный список («дерево») объектов, отражающий последовательность создания документа. Наличие значка + рядом с объектом означает, что он имеет подчиненные объекты. Чтобы развернуть их список, щелкните мышью на значке. Контекстные меню объектов дерева построения облегчают доступ к командам, которые наиболее часто используются при работе с объектами данного типа.
При работе с любой деталью можно вывести на экран окно, содержащее дерево модели.
Дерево модели — это графическое представление набора объектов, составляющих деталь. Корневой объект дерева — сама деталь. Пиктограммы объектов автоматически возникают в дереве модели сразу после фиксации этих объектов в детали.
В зависимости от выбранного варианта отображения объекты детали могут располагаться в дереве в порядке их создания или группироваться по типам. Дерево модели выводится в отдельном окне, которое всегда находится внутри окна документа-детали. В верхней части окна дерева находится панель управления, содержащая четыре кнопки.
В дереве модели имеются: значок начала координат, плоскости, оси, эскизы, значки операций и указатель окончания построения модели.
Эскиз, задействованный в любой операции, размещается на «ветви» дерева модели, соответствующей этой операции. Слева от названия операции в дереве отображается значок +. После щелчка мышью на этом знаке в дереве разворачивается список участвующих в операции эскизов. Эскизы, не задействованные в операциях, отображаются на верхнем уровне дерева модели.
Каждый элемент автоматически возникает в дереве модели сразу после его создания. Название присваивается элементам также автоматически в зависимости от способа, которым они получены. Например, «Ось через ребро», «Плоскость через три вершины», «Операция вращения», «Фаска» и т.д.
В детали может существовать множество однотипных элементов. Чтобы различать их, к названию элемента автоматически прибавляется порядковый номер элемента данного типа. Например, «Скругление:1» и «Скругление:2».
Можно переименовать любой элемент в дереве модели. Для этого необходимо дважды щелкнуть мышью на его названии — оно откроется для редактирования. Введите новое название элемента и щелкните мышью вне списка элементов дерева. Новое название элемента будет сохранено в дереве модели.
Слева от названия каждого объекта в дереве отображается пиктограмма, соответствующая способу, которым этот элемент получен. Пиктограмму, в отличие от названия объекта, изменить невозможно. Благодаря этому при любом переименовании элементов в дереве построения остается наглядная информация о способе и порядке их создания.
Дерево модели служит не только для фиксации последовательности построения, но и для облегчения выбора и указания объектов при выполнении команд.
Обычно пиктограммы отображаются в дереве модели синим цветом. Если объект выделен, то его пиктограмма в дереве зеленая. Если объект указан для выполнения операции, то его пиктограмма в дереве красная.
Можно отключить показ дерева модели. Для этого в меню Вид выбирается команда Дерево построения. Чтобы включить показ дерева, команда вызывается снова. Когда режим показа дерева включен, рядом с названием команды в меню присутствует «галочка».
Дерево модели выводится в отдельном окне, которое всегда находится внутри окна документа-модели. Можно изменять размер окна дерева, перетаскивая мышью его углы или границы.
Глава 2. Знакомство с твердотельным моделированием деталей
Трехмерное твердотельное моделирование является единственным средством, которое обеспечивает полное и однозначное описание трехмерной геометрической формы детали.
Эта глава позволяет получить представление о возможностях твердотельного моделирования деталей в системе КОМПАС-3D LT.
2.1. Формирование основания модели детали
В общем случае порядок создания модели включает в себя формирование основания (рис. 2.1, а), добавление и удаление материала детали (рис. 2.1, б и в), создание дополнительных конструктивных элементов (рис. 2.1, г), построение массивов элементов и т.д.
а
б
в
г
Рис. 2.1. Этапы создания твердотельной модели детали
Формирование отдельных трехмерных объектов начинается с создания эскиза — плоской фигуры, на основе которой образуется объемное тело. Эскиз может располагаться в одной из стандартных плоскостей проекций, на плоской грани существующего тела или на вспомогательной плоскости, положение которой задается пользователем. Эскиз создается на плоскости стандартными средствами двумерного редактора и состоит из одного или нескольких контуров.
При построении эскиза в системе КОМПАС-3D доступны все команды построения и редактирования изображения, а также сервисные возможности. Исключением является невозможность ввода некоторых технологических обозначений и объектов оформления.
По умолчанию в эскизе включен параметрический режим. В этом режиме наносятся параметрические размеры — размеры, управляющие положением выносных линий, привязанных к определенным точкам эскиза. С изменением параметрических размеров изменяется геометрия контуров в эскизе.
В эскиз можно перенести изображение из ранее подготовленного чертежа или фрагмента. Это позволяет при создании трехмерной модели опираться на существующую чертежно-конструкторскую документацию.
Объемные элементы образуются в результате операций — формообразующих перемещений эскизов. В основе операций лежат показанные на рис. 2.2 способы создания трехмерных объектов.
Рис. 2.2. Основные формообразующие операции создания трехмерных объектов
Построение трехмерной модели детали начинается с создания основания — ее первого формообразующего элемента. Основание есть у любой детали, и оно всегда одно. При построении основания можно использовать любую из четырех представленных на рис. 2.2 формообразующих операций.
Форма основания детали определяется ее будущей конструкцией. При выборе формы основания деталь разбивается на составляющие ее формообразующие элементы (параллелепипеды, призмы, цилиндры, конусы, торы, кинематические элементы и т.д.). При этом мелкие конструктивные элементы (фаски, скругления, проточки и т.п.) из рассмотрения исключаются.
Чаще всего в качестве основания используют самый крупный из этих элементов. Если в составе детали есть несколько сопоставимых по размерам элементов, то в качестве основания можно использовать любой из них.
2.2. Добавление и удаление материала детали
Добавление материала детали представляет собой создание в ней новых тел, а также приклеивание к имеющемуся телу (телам) новых элементов. Тело детали — это область, ограниченная гранями детали. Считается, что тело детали заполнено однородным материалом детали.
Удаление материала детали подразумевает вырезание формообразующих элементов из тел.
Как новое тело, так и приклеиваемый или вырезаемый элемент может являться:
• элементом выдавливания;
• элементом вращения;
• элементом по сечениям;
• кинематическим элементом.
Построение любого элемента начинается с создания эскиза.
После того как создание эскиза завершено, необходимо указать, каким способом требуется перемещать эскиз в пространстве для получения элемента нужного типа, то есть необходимо выбрать вид формообразующей операции.
Во время выполнения операции добавления над эскизом можно указать, будет ли создаваемый элемент отдельным телом или его необходимо приклеить, то есть объединить с другими телами.
Отличие операций удаления материала от операций добавления состоит в том, что результатом удаления является не создание нового тела или объединения тел, а вычитание или пересечение.
Вычитание формообразующего элемента из тела представляет собой удаление материала, находящегося внутри поверхности элемента.
Пересечение формообразующего элемента и тела представляет собой удаление материала, находящегося снаружи поверхности элемента.
Чтобы выполнить операцию вырезания из детали формообразующих элементов, можно использовать команды подменю Вырезать меню Операции.
Кнопки для вызова этих команд находятся на панели редактирования детали.
2.3. Дополнительные конструктивные элементы
К командам формирования дополнительных конструктивных элементов относятся команды создания фасок, скруглений, круглых отверстий, уклонов и ребер жесткости. На рис. 2.3, а показан исходный объект, а на рис. 2.3, б и в — тот же объект после создания фаски и скругления.
а
б
в
Рис. 2.3. Результат построения фасок и скруглений на исходном объекте
Чтобы разместить отверстие в нужном месте грани, раскройте поле р в строке параметров объектов и укажите положение отверстия мышью или введите координаты центра отверстия в поле р.
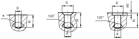
На рис. 2.4 показано несколько из предлагаемых 14 вариантов форм круглых отверстий, создаваемых с помощью команды Отверстие. Буквами обозначены параметры, которым присваиваются необходимые численные значения.
Рис. 2.4. Примеры круглых отверстий, которые строятся с помощью команды Отверстие
Рис. 2.5. Результат выполнения команды Уклон
Рис. 2.6. Результат выполнения команды Ребро жесткости
2.4. Отсечение, зеркальное копирование и построение массивов элементов
Команда Сечение поверхностью позволяет удалить часть детали, находящуюся по одну сторону пересекающей эту деталь поверхности.
Если перед вызовом команды была выделена поверхность, пересекающая деталь, название этой поверхности появится в поле Поверхность сечения на панели свойств. Если поверхность сечения не была выделена перед вызовом команды, то укажите ее.
Команда Сечение по эскизу позволяет удалить часть детали, находящуюся по одну сторону пересекающей эту деталь поверхности, образованной перемещением указанного эскиза в направлении, перпендикулярном его плоскости. Перед вызовом команды выделяется эскиз, в котором изображен профиль секущей поверхности.
Команда Зеркальный массив позволяет получить копию выбранных элементов, симметричную им относительно указанной плоскости или плоской грани.
Команда Зеркально отразить телопозволяет создать зеркальную копию тела. Результатом выполнения команды может быть либо тело, обладающее плоскостью симметрии, либо новое тело, зеркально симметричное имеющемуся. После указания тела и плоскости симметрии на экране появляется фантом зеркальной копии детали. Если фантом сформирован верно, то подтверждение создания копии обеспечивается щелчком на кнопке Создать объект.
Команда Массив по сеткепозволяет создать массив элементов, расположив их в узлах параллелограммной сетки.
Команда Массив по концентрической сеткепозволяет создать массив элементов, расположив их в узлах концентрической сетки.
Команда Массив вдоль кривойпозволяет создать массив элементов, расположив их вдоль указанной кривой.
Перед вызовом команд требуется выделить исходные элементы для создания массива. Это можно сделать, выбрав соответствующие пиктограммы в дереве модели или грани элементов в окне детали. После вызова команд на экране появляется панель диалога ввода параметров сетки.
2.5. Построение вспомогательных элементов
Если существующих в модели граней, ребер и плоскостей проекций недостаточно для построений, то можно создать вспомогательные плоскости и оси.
Команды построения вспомогательных осей расположены в меню Операции, а кнопки для их вызова находятся в одной группе на панели Вспомогательная геометрия.
Отрезок, изображающий ось, немного выступает за пределы объектов, на которых базировалось построение этой оси. Иногда для понимания расположения оси требуется, чтобы символизирующий ее отрезок был больше (меньше) или располагался в другом месте оси (прямой линии). Можно изменять размер и положение этого отрезка, перемещая мышью его характерные точки (они появляются, когда ось выделена).
Команда Ось через две вершины позволяет создать одну или несколько конструктивных осей, каждая из которых проходит через указанные опорные точки. Опорными точками могут служить вершины, характерные точки графических объектов в эскизах (например, конец отрезка, центр окружности и т.п.) или начала координат.
Если перед вызовом команды были выделены какие-либо точки, то они воспринимаются как опорные для построения оси.
Команда Ось на пересечении плоскостей позволяет создать одну или несколько конструктивных осей, каждая из которых является линией пересечения двух конструктивных плоскостей и (или) плоских граней (и их продолжений).
КомандаОсь через ребро позволяет создать одну или несколько конструктивных осей, каждая из которых проходит через указанное прямолинейное ребро модели.
Команда Ось конической грани позволяет создать одну или несколько конструктивных осей, каждая из которых является осью конической (а в частном случае — цилиндрической) грани.
Команды построения вспомогательных плоскостей расположены в меню Операции, а кнопки для их вызова находятся в одной группе на панели Вспомогательная геометрия.
Прямоугольник, изображающий плоскость, немного выступает за пределы объектов, на которых базировалось построение этой плоскости. Иногда для понимания расположения плоскости требуется, чтобы символизирующий ее прямоугольник был больше (меньше) или располагался в другом месте плоскости. Можно изменять размер и положение этого прямоугольника, перетаскивая мышью его характерные точки (эти точки появляются, когда плоскость выделена).
КомандаСмещенная плоскость позволяет создать одну или несколько вспомогательных плоскостей, расположенных на заданном расстоянии от указанной плоскости или плоской грани детали.
Если перед вызовом команды была выделена плоскость или грань, то она воспринимается в качестве опорного объекта для новой плоскости.
КомандаПлоскость через три вершины позволяет создать одну или несколько вспомогательных плоскостей, каждая из которых проходит через три указанные опорные точки. Опорными точками могут служить вершины, характерные точки графических объектов в эскизах (например, конец отрезка, центр окружности и т.п.) или точки начала координат.
КомандаПлоскость под углом к другой плоскости позволяет создать одну или несколько вспомогательных плоскостей, проходящих через прямолинейный объект под заданным углом к существующему плоскому объекту.
Опорным прямолинейным объектом для построения плоскости может служить ребро, отрезок в эскизе или вспомогательная ось. Опорным плоским объектом может служить вспомогательная плоскость или плоская грань.
КомандаПлоскость через ребро и вершину позволяет создать одну или несколько вспомогательных плоскостей, каждая из которых проходит через прямолинейный объект и точку.
КомандаПлоскость через вершину параллельно другой плоскости позволяет создать одну или несколько вспомогательных плоскостей, проходящих через указанные точки параллельно указанным конструктивным плоскостям или плоским граням.
КомандаПлоскость через вершину перпендикулярно ребру позволяет создать одну или несколько вспомогательных плоскостей, проходящих через указанные точки перпендикулярно указанным прямолинейным объектам.
КомандаНормальная плоскостьпозволяет создать одну или несколько вспомогательных плоскостей, нормальных к цилиндрической или конической грани модели.
Так как к любой цилиндрической или конической поверхности можно провести множество нормальных плоскостей (все они будут проходить через ось цилиндра или конуса), для определения одной из них требуется задать дополнительное условие. Для этого укажите плоскость или плоскую грань, параллельно которой должна пройти новая плоскость.
КомандаКасательная плоскостьпозволяет создать одну или несколько вспомогательных плоскостей, касательных к цилиндрической или конической грани модели.
Чтобы построить плоскость, касающуюся грани в определенном месте, требуется задать линию касания. Линия касания определяется пересечением грани и нормальной к ней плоскости. Поэтому перед вызовом команды Касательная плоскость в модели должна быть построена нормальная плоскость, пересекающая нужную коническую поверхность в месте касания; в качестве такой плоскости может выступать и плоская грань, нормальная к поверхности.
КомандаПлоскость через ребро параллельно/перпендикулярно другому ребрупозволяет создать одну или несколько вспомогательных плоскостей, проходящих через указанные прямолинейные объекты параллельно или перпендикулярно другим прямолинейным объектам.
Опорными прямолинейными объектами для построения плоскости могут служить ребра, вспомогательные оси или отрезки в эскизах.
КомандаПлоскость через ребро параллельно/перпендикулярно гранипозволяет создать одну или несколько вспомогательных плоскостей, проходящих через указанные прямолинейные объекты параллельно или перпендикулярно плоским объектам.
Опорными прямолинейными объектами для построения плоскости могут служить ребра, вспомогательные оси или отрезки в эскизах. Опорными плоскими объектами могут служить вспомогательные плоскости или плоские грани модели.
2.6. Система координат и плоскости проекций
В каждом файле детали существует система координат и проекционные плоскости, определяемые этой системой. Название этих объектов появляется в окне дерева модели после создания нового файла детали. Изображение системы координат возникает посередине окна построения модели; чтобы увидеть изображение проекционных плоскостей, их нужно выделить в дереве модели.
Плоскости выводятся на экран в виде прямоугольников, лежащих в этих плоскостях; такое представление позволяет увидеть расположение плоскости в пространстве. Плоскости проекций и систему координат невозможно удалить из файла модели. Их можно переименовать, а также отключить их вывод в окне модели.
В системе КОМПАС-3D при ориентации Изометрия XYZ координатные оси и плоскости проекций расположены так, как показано на рис. 2.7, а. Эта ориентация не совпадает с требованиями ГОСТ 2.319-69 (рис. 2.7, б).
При выполнении чертежа детали необходимо правильно выбрать главное изображение. Согласно ГОСТ 2.305-68, в качестве главного принимается изображение на фронтальной плоскости проекций. Предмет располагают относительно фронтальной плоскости проекций так, чтобы изображение на ней давало наиболее полное представление о форме, размерах и функциональном назначении предмета.
а
б
Рис. 2.7. Ориентация координатных осей и плоскостей проекций: а — в системе КОМПАС-3D; б — согласно ГОСТ 2.317-69
При создании трехмерной модели от выбора главного вида зависит форма основания моделируемой детали и эскиза этого основания. Рисунок 2.8 иллюстрирует приемлемую для решения задач создания моделей и чертежей связь между аксонометрическим изображением, расположением эскиза и стандартными видами (при различных ориентациях главного вида).
Рис. 2.8. Связь между аксонометрическим изображением, расположением эскиза и стандартными видами
На основе анализа изображений на рис. 2.8 можно дать следующие рекомендации относительно выбора начальной ориентации плоскостей проекций при создании моделей:
• в общем случае целесообразен выбор ориентации Изометрия XYZ, при этом изображение в эскизе плоскости YZ должно быть перевернуто;
• выбор ориентации Изометрия YZX оправдан при необходимости получения аксонометрии в прямоугольной диметрической проекции.
Необходимо отметить, что многообразие выбора ориентаций может быть полезно при импорте в КОМПАС-3D моделей из различных систем в разных форматах в тех случаях, когда импортируемая модель должна занять адекватное положение.
2.7. Настройка параметров и расчет характеристик моделей
Задание свойств детали. Щелкните правой кнопкой мыши в любом пустом месте окна модели и в контекстном меню выберите команду Свойства(рис. 2.9).
Рис. 2.9. Контекстное меню с командой Свойства
Введите обозначение (например, ПМИГ.ХХХХ10) и наименование детали (Опора), определите или задайте ее цвет (рис. 2.10), после чего щелкните на кнопке Создать объект.
Рис. 2.10. Ввод обозначения и наименования детали, задание ее цвета
Управление свойствами поверхности модели. Очень часто параллельные грани детали на полутоновом изображении сливаются. Восприятие такого изображения можно улучшить, если свойства параллельных граней сделать разными. Чтобы задать свойства поверхности (степень блеска, прозрачность т.д.), необходимо вызвать панель настройки оптических свойств (рис. 2.11).
Рис. 2.11. Панель настройки оптических свойств
Настроив свойства поверхности, необходимо подтвердить сделанные изменения.
Выбор материала. При работе с деталью можно выбрать материал, из которого она должна изготавливаться. Соответствующая панель Материал (рис. 2.12) вызывается через ту же панель, которая появляется после выбора в контекстном меню команды Свойства.
Рис. 2.12. Панель Материал
На этой панели кнопка Выбрать из списка материалов позволяет выбрать материал в справочном файле значений плотности. В окне Плотность материалов можно раскрыть нужный раздел и указать марку материала(рис. 2.13).
Рис. 2.13. Окно Плотность материалов
Расположенная на панели Материал кнопка Выбрать из справочника материалов позволяет обратиться к справочнику материалов и сортаментов.
Расчет массо-центровочных характеристик модели. Поддерживаются расчеты массы, площади поверхности, объема, координат центра масс, плоскостных, осевых и центробежных моментов инерции. Для осуществления расчета на инструментальной панелиИзмерениянеобходимо щелкнуть на соответствующей кнопке.
2.8. Создание ассоциативных видов
Многие трехмерные модели деталей создаются с целью получения конструкторской документации, в том числе чертежей деталей.
В системе КОМПАС-3D имеется возможность создания ассоциативных чертежей трехмерных деталей. В таких чертежах все виды связаны с моделью так, что изменения в модели приводят к изменению изображения в каждом ассоциативном представлении.
Ассоциативное изображение формируется в обычном чертеже. В нем создаются выбранные пользователем ассоциативные виды и разрезы (сечения) трехмерной детали. Виды автоматически располагаются в проекционной связи. При необходимости связь можно отключить — это дает возможность произвольного размещения видов в чертеже.
Стандартные виды. Для создания в текущем чертеже стандартных видов детали вызовите команду Вставка —> Вид с модели —> Стандартные или щелкните на кнопке Стандартные виды панели Ассоциативные виды (рис. 2.14).
Рис. 2.14. Вызов стандартных видов
После вызова команды на экране появится стандартный диалог выбора файла для открытия. Выберите деталь для создания видов и откройте файл. В окне чертежа появится фантом изображения в виде габаритных прямоугольников видов.
Для задания параметров создаваемых видов служат элементы управления панели свойств (рис. 2.15). В окне Ориентация главного видас помощью раскрывающегося списка можно выбрать требуемую ориентацию главного вида.
Рис. 2.15. Элементы управления параметрами задаваемых видов
После щелчка на кнопке Схемана экране появится диалоговое окно (рис. 2.16), в котором можно установить необходимый набор стандартных видов.
Рис. 2.16. Диалоговое окно выбора схемы видов
В полях Зазор по горизонтали и Зазор по вертикалиможно задать необходимые расстояния между главным видом и остальными видами.
На вкладке Параметры можно также назначить цвет для активных видов чертежа и установить изображения, а на вкладке Линии изменить стиль линий видимого контура, включить или отключить отображение линий невидимого контура, установить прорисовку линий переходов.
После выбора нужных стандартных видов и настройки их параметров укажите положение точки привязки изображения — начало координат главного вида. В чертеж будут вставлены выбранные виды детали, в основную надпись чертежа передадутся следующие сведения из документа-детали:
• обозначение;
• масса;
• материал.
В результате в дереве построения чертежа появятся пиктограммы созданных видов и их названия (рис. 2.17).
Рис. 2.17. Пиктограммы созданных видов
Чертеж модели, полученный с помощью команды Стандартные виды, нуждается в некоторой доработке, например, добавлении осевых линий, обозначений центров и т.п. Кроме того, он не содержит объектов оформления: размеров, технических требований и др.
Разрез/сечение. Для создания в текущем чертеже вида, содержащего изображение разреза или сечения модели, вызовите команду Вставка —> Вид с модели —> Разрез/сечениеили щелкните на кнопке Разрез/сечение панели Ассоциативные виды и укажите в окне чертежа обозначение секущей плоскости. На экране появится фантом изображения в виде габаритного прямоугольника.
На панели свойств появятся элементы управления, которые позволят задать параметры создаваемых объектов. После настройки всех параметров укажите положение точки привязки изображения.
В результате в чертеж будет вставлен новый разрез или сечение, в дереве построения чертежа появится пиктограмма созданного вида и его название.
Глава 3. Создание моделей и ассоциативных чертежей деталей
В этой главе описаны этапы создания 3D-моделей для девяти деталей, упомянутых во введении к этой книге, и ассоциативных чертежей по двум моделям.
3.1. Изолятор
В этом разделе мы создадим трехмерную модель изолятора, показанную на рис. 3.1.
Рис. 3.1. Модель изолятора
1. Для создания модели новой детали выполните команду Файл —> Создать или щелкните на кнопке Создать на стандартной панели и в открывшемся окне в качестве типа нового документа выберите вариант Деталь.
2. На панели Вид раскройте список Ориентация и укажите вариант Изометрия XYZ.
3. В дереве модели выберите вариант Плоскость ZХ.
4. На панели Текущее состояние щелкните на кнопке Эскиз. В результате плоскость ZХ станет параллельной экрану.
5. В появившейся компактной панели щелкните на кнопке Геометрия для вызова соответствующей инструментальной панели.
6. На панели Глобальные привязки установите флажок По сетке, включив соответствующую привязку, а также включите режим Изображение сетки на экране.
7. На инструментальной панели в режиме Геометрия выберите команду Окружность
8. На панели редактирования детали
9. После выбора на панели Вид команды Полутоновое мы получим нужное изображение основания втулки.
10. Для удаления материала из основания в дереве модели укажите вариант Плоскость ZY и щелкните на кнопке Эскиз. Плоскость ZY станет параллельной экрану. Затем в появившейся компактной панели щелкните на кнопке Геометрия для вызова соответствующей инструментальной панели.
11. Используя команду Непрерывный ввод объектов, нарисуйте на сетке прямоугольники, как показано на рисунке. Заканчивается эскиз повторным щелчком на кнопке Эскиз.
Чтобы завершить создание модели, на инструментальной панели щелкните на кнопке Вырезать выдавливанием
3.2. Вкладыш
В этом разделе мы создадим модель детали вкладыша, показанную на рис. 3.2.
Рис. 3.2. Модель вкладыша
1. Для создания модели новой детали выполните команду Файл —> Создать или на стандартной панели щелкните на кнопке Создать и в открывшемся окне в качестве типа нового документа выберите вариант Деталь.
2. На панели Вид раскройте список Ориентация и укажите вариант Изометрия XYZ.
3. В дереве модели выберите вариант Плоскость ZХ.
4. Щелкните на кнопке Эскиз на панели Текущее состояние. Плоскость ZХ станет параллельной экрану.
5. В появившейся компактной панели щелкните на кнопке Геометрия для вызова соответствующей инструментальной панели.
6. На панели Глобальные привязки установите флажок, включив соответствующую привязку.
7. На инструментальной панели в режиме Геометрия выберите команду Окружность
8. На панели редактирования детали
9. После выбора на панели Вид команды Полутоновое изображение мы получим нужное изображение основания детали.
10. Выделите курсором верхнюю грань основания (грань станет зеленой) и щелкните на кнопке Эскиз, затем на инструментальной панели в режиме Геометрия выберите команду Прямоугольник
11. Для создания двух углублений в основании модели на инструментальной панели щелкните на кнопке Вырезать выдавливанием
12. Для формирования выступов выберите вариант Плоскость ZХ и щелкните на кнопке Эскиз. Открыв эскиз, выполните команду Операции —> Спроецировать объект и спроецируйте в эскиз окружность диаметром 80 мм. В появившейся компактной панели щелкните на кнопке Геометрия и выберите команду Окружность
13. В режиме редактирования на инструментальной панели выберите команду Усечь прямую
14. На панели редактирования детали
15. Для формирования паза выберите вариант Плоскость ZY и щелкните на кнопке Эскиз. В появившейся компактной панели щелкните на кнопке Геометрия для вызова соответствующей инструментальной панели и нарисуйте прямоугольник. Завершите эскиз щелчком на кнопке Эскиз.
16. Чтобы завершить создание модели, на инструментальной панели щелкните на кнопке Вырезать выдавливанием
17. Чтобы завершить формирование паза, выберите вариант Плоскость ZX и в созданном эскизе нарисуйте два отрезка. Закрыв эскиз, в меню Операции выберите команду Сечение по эскизу. После щелчка на кнопке Создать объект
3.3. Радиатор игольчатый
В этом разделе мы создадим трехмерную модель игольчатого радиатора, показанную на рис. 3.3.
Рис. 3.3. Модель радиатора
1. Для создания модели новой детали выполните команду Файл —> Создать или на стандартной панели щелкните на кнопке Создать и в открывшемся окне в качестве типа нового документа выберите вариант Деталь.
2. На панели Вид раскройте список Ориентация и укажите вариант Изометрия XYZ.
3. В дереве модели выберите вариант Плоскость ZХ.
4. Щелкните на кнопке Эскиз на панели Текущее состояние. Плоскость ZХ станет параллельной экрану.
5. В появившейся компактной панели щелкните на кнопке Геометрия для вызова соответствующей инструментальной панели. На инструментальной панели щелкните на кнопке Непрерывный ввод объекта и нарисуйте прямоугольник со сторонами 25×50 мм. Щелкните на кнопке Скругление, установите значение радиуса 3 мм и скруглите углы прямоугольника. Создайте вертикальную ось симметрии и на ней — две окружности диаметром 2,7 мм с межцентровым расстоянием 40 мм. В завершение щелкните на кнопке Эскиз.
6. На панели редактирования детали
7. На верхней грани создайте новый эскиз, на котором изобразите окружность диаметром 3 мм на расстоянии 2,5 мм по оси X и 10 мм по оси Y от нижнего левого угла основания. Закройте эскиз повторным щелчком на кнопке Эскиз.
8. На панели редактирования детали
9. Щелкните на кнопке Массив по сетке
10. Удалите пять иголок в центре радиатора, как это показано на рисунке.
11. В плоскости ZX создайте новый эскиз, в котором изобразите центральное отверстие диаметром 4,5 мм. Используя команду Вырезать выдавливанием, создайте отверстие. Отметьте все ребра отверстий (их 6) и щелкните на кнопке Фаска
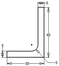
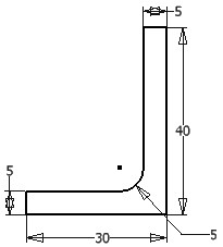
3.4. Уголок
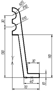
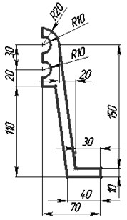
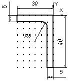
В этом разделе мы создадим трехмерную модель уголка, показанную на рис. 3.4.
Рис. 3.4. Модель уголка
1. Для создания модели новой детали выполните команду Файл —> Создать или на стандартной панели щелкните на кнопке Создать и в открывшемся окне в качестве типа нового документа выберите вариант Деталь.
2. На панели Вид раскройте список Ориентация и укажите вариант Изометрия XYZ.
3. В дереве модели выберите вариант Плоскость ZY.
4. Щелкните на кнопке Эскиз на панели Текущее состояние. Плоскость ZY станет параллельной экрану.
5. В появившейся компактной панели щелкните на кнопке Геометрия для вызова соответствующей инструментальной панели. На инструментальной панели выберите команду Непрерывный ввод объектов
6. На панели редактирования детали
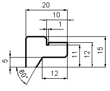
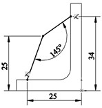
7. Установите вид справа, отметьте курсором боковую грань уголка и создайте новый эскиз. Нарисуйте ломаную линию с использованием текущей привязки Точка на кривой, нанесите показанные параметрические размеры и закройте эскиз.
8. На инструментальной панели щелкните на кнопке Ребро жесткости
9. Установите вид слева, отметьте курсором боковую грань уголка и создайте новый эскиз. Открыв эскиз, выполните команду Операции —> Спроецировать объект и спроецируйте в эскиз построенную ранее ломаную линию. На инструментальной панели щелкните на кнопке Ребро жесткости
10. Выделите все горизонтальные ребра жесткости, два вертикальных ребра нижней стенки и два горизонтальных ребра вертикальной стенки уголка, щелкните на кнопке Скругление
11. Выделите курсором верхнюю грань основания уголка и создайте отверстие, щелкнув на кнопке Отверстие
3.5. Втулка
В этом разделе мы создадим трехмерную модель втулки, показанную на рис. 3.5.
Рис. 3.5. Модель втулки
1. Для создания модели новой детали выполните команду Файл —> Создать или на стандартной панели щелкните на кнопке Создать и в открывшемся окне в качестве типа нового документа выберите вариант Деталь. Затем на панели Вид раскройте список Ориентация и укажите вариант Изометрия XYZ.
2. В дереве модели выберите вариант Плоскость ZY и откройте эскиз, щелкнув на кнопке Эскиз.
3. В рабочей области отметьте мышью первую точку в начале координат и начертите эскиз по приведенному рисунку. Наличие осевой линии обязательно. Для нанесения размеров используйте пункты Линейный размер
4. На панели построения детали выберите в раскрывающемся меню Операции вариант Операция вращения.
5. На панели свойств выберите объект Сфероид, задайте прямое направление, угол, равный 360°, а в параметрах тонкой стенки укажите вариант Нет. В завершение щелкните на кнопке Создать объект. После выбора вида Изометрия XYZ и щелчка на кнопке Полутоновое модель должна выглядеть так, как показано на рисунке.
6. В дереве модели выберите вариант Плоскость XY и создайте эскиз, на котором изобразите одно углубление прямого рифления, как показано на рисунке. Далее выберите в меню Редактор команду Копия —> По окружности и укажите центр окружности.
7. В параметрах копирования в качестве количества копий в кольцевом направлении выберите значение 120, а в качестве шага в кольцевом направлении — значение 360°. Значение в 120 копий выбрано потому, что, согласно ГОСТу, для данного диаметра необходимо создать рифление с шагом 0,8. Завершив ввод, щелкните на кнопке Создать объект. Внимание, не допускайте пересечения контуров, иначе выполнение операции будет невозможно. Завершите эскиз, повторно щелкнув на кнопке Эскиз.
8. В дереве модели выберите вариант Плоскость ZX и создайте эскиз, на котором изобразите окружность, щелкнув на кнопке Окружность
3.6. Кронштейн
В этом разделе мы создадим трехмерную модель кронштейна, показанную на рис. 3.6.
Рис. 3.6. Модель кронштейна
1. Для создания модели новой детали выполните команду Файл —> Создать или на стандартной панели щелкните на кнопке Создать и в открывшемся окне в качестве типа нового документа выберите вариант Деталь. На панели Вид раскройте список Ориентация и укажите вариант Изометрия XYZ. В дереве модели выберите вариант Плоскость XY.
2. Щелкните на кнопке Геометрия для вызова соответствующей инструментальной панели и в рабочей области создайте показанный на рисунке эскиз. Заканчивается создание эскиза повторным щелчком на кнопке Эскиз.
3. На панели редактирования детали
4. Для формирования выступов в дереве модели выберите вариант Плоскость XY, щелкните на кнопке Эскиз и нарисуйте четыре замкнутые дуги, как показано на рисунке. Завершается рисование повторным щелчком на кнопке Эскиз.
5. На панели редактирования детали
6. В дереве модели выберите вариант Плоскость ZY и выполните эскиз прямоугольника.
7. Выполните команду Вырезать выдавливанием
8. Для создания отверстия выделите курсором верхнюю грань основания (грань станет зеленой) и щелкните на кнопке Отверстие
9. Для создания скруглений выделите соответствующие элементы, щелкните на кнопке Скругление
10. Чтобы завершить создание модели, дважды воспользуйтесь командой Зеркально отразить тело, которая позволяет к детали приклеить зеркальную (относительно выбранной грани) копию. Результат первого применения команды показан на рисунке, результат второго — в начале этого раздела (см. рис. 3.6).
3.7. Корпус
На практике встречаются задачи, в которых по плоскому чертежу требуется создать трехмерную модель детали. Рисунок 3.7 иллюстрирует последовательность создания двух проекций корпуса.
Дадим краткий комментарий этих семи этапов построения двух проекций корпуса:
1. Линиями соответствующих стилей при включенной привязке По сетке изображаются отрезки и окружности.
2. Элемент крепления на виде сверху изображается с использованием команд Окружность, Отрезок, Дуга, Выровнять по границе, Скругление.
3. Используется команда Копия по окружности.
4. С помощью вспомогательных прямых осуществляется прорисовка элементов вида сверху.
5. На виде спереди делаются необходимые скругления и изображается элемент крепления.
6. На виде спереди изображается еще один элемент крепления.
7. На виде спереди изображается проекция бокового прямоугольного отверстия.
Рис. 3.7. Этапы создания двух видов корпуса
Упражнение данного раздела состоит из двух частей. Сначала, используя приведенную информацию, мы построим две проекции корпуса, а затем по двум видам с помощью приведенной далее инструкции мы создадим трехмерную модель корпуса.
1. Откройте файл, содержащий чертеж детали, выделите главный вид и выберите в главном меню команду Редактор —> Копировать. В качестве точки привязки при выполнении копирования укажите точку пересечения осевой линии с нижней линией основания детали.
2. На стандартной панели щелкните на кнопке Создать, в открывшемся окне выберите вариант Деталь в качестве типа нового документа и щелкните на кнопке OK. В дереве модели выберите вариант Плоскость XY и щелкните на кнопке Эскиз на панели текущего состояния. Включите режим По сетке и установите шаг сетки равным 2,5.
3. В главном меню выберите команду Редактор —> Вставить и расположите вставленный фрагмент так, чтобы точка привязки совпала с началом координат. Отредактируйте эскиз, оставив на нем только контуры половины детали и удалив изображение боковых креплений. Через начало координат проведите линию, выбрав для стиля отрезка вариант Осевая. Завершите эскиз, повторно щелкнув на кнопке Эскиз.
4. На инструментальной панели Редактирование детали выберите в раскрывающемся меню Операции тип выполняемого действия Операция вращения. На панели свойств задайте прямое направление и угол 360°. Щелкните на кнопке Создать объект. В результате выполнения данной операции будет получена цилиндрическая часть создаваемой детали с необходимыми центральными отверстиями.
5. После выбора ориентации Изометрия XYZ и щелчка на кнопке Полутоновое, изображение модели должно выглядеть так, как показано на рисунке.
6. Сохранив, созданную модель, снова откройте исходный чертеж. Выделите на виде сверху контуры одного из боковых креплений с отверстием и скопируйте фрагмент чертежа в буфер обмена так же, как было описано ранее (для удобства при копировании точку привязки расположите так, чтобы она совпала с центром окружности в основании цилиндрической части детали). Затем перейдите к файлу с сохраненной деталью. Создав новый эскиз, вставьте скопированный фрагмент и отредактируйте его.
7. Закончив редактирование, примените к эскизу команду Операция выдавливания
8. В файле чертежа, используя команду Редактор —> Скопировать, скопируйте окружность цилиндрического углубления, имеющегося в креплении. Перейдя к файлу модели, создайте эскиз на верхней грани крепления. Вставьте из буфера обмена окружность цилиндрического углубления. Используя команду Вырезать выдавливанием
9. Для создания копии крепления под углом 120° к исходному образцу на расширенной панели команд построения конструктивных осей панели Вспомогательная геометрия щелкните на кнопке Ось конической поверхности. После этого необходимо щелкнуть на внутренней цилиндрической поверхности детали. Когда система построит ось, щелкните на кнопке Прервать команду.
10. На расширенной панели команд создания массивов панели Редактирование детали щелкните на кнопке Массив по концентрической сетке. Далее в дереве модели укажите все элементы, относящиеся к построению крепления, и созданную ось конической поверхности. После этого на панели свойств задайте число копий равным 3 в кольцевом направлении, шаг в кольцевом направлении выберите равным 360° (копии располагаются под углом, равным частному от деления 360°на количество копий). В радиальном направлении число копий должно быть равно 1, так как все копируемые объекты располагаются на одной окружности. Завершив ввод, щелкните на кнопке Создать объект.
11. Перейдите к файлу с чертежом детали. Скопируйте в буфер обмена окружность сквозного отверстия в цилиндрической части детали. В файле детали, выбрав вариант Плоскость XY в дереве модели, создайте новый эскиз, на который поместите скопированную окружность так, чтобы она располагалась на 25 мм выше горизонтальной плоскости проекций. К созданному эскизу примените команду Вырезать выдавливанием с параметром Два направления, указав для каждого направления параметр Через все.
12. На плоскости ZY создайте эскиз прямоугольного отверстия в стенке цилиндрической части детали. Нижняя сторона прямоугольника должна располагаться на расстоянии 17 мм от горизонтальной плоскости проекций, высота равняться 15 мм, ширина — 20 мм. Снова примените к завершенному эскизу команду Вырезать выдавливанием, указав параметры Обратное направление и Через все.
В результате мы получим требуемую модель корпуса, которая с вырезом одной четверти показана на рис. 3.8.
Рис. 3.8. Готовая модель корпуса с вырезом одной четверти
3.8. Пружина
В этом разделе мы создадим трехмерную модель пружины по размерам, указанным на чертеже (рис. 3.9).
Рис. 3.9. Чертеж пружины
1. На стандартной панели щелкните на кнопке Создать и в открывшемся окне в качестве типа нового документа выберите вариант Деталь. На панели Вид раскройте список Ориентация и укажите вариант Изометрия ХYZ. В дереве модели выберите вариант Плоскость XY.
2. Из меню Операции вызовите панель Пространственные кривые, щелкните на кнопке Спираль цилиндрическая и на вкладке Построение задайте параметры спирали: Число витков — 10,0, Шаг — 4,0.
3. Перейдите на вкладку Диаметр и в поле Диаметр задайте диаметр спирали равным 25,0.
4. Щелкните на кнопке Создать объект или нажмите клавиши Ctrl+Enter. В результате должно получиться показанное на рисунке изображение.
5. В дереве модели выберите вариант Плоскость ZX, после чего, открыв эскиз, выполните команду Операции —>Спроецировать объект и спроецируйте в эскиз пространственную кривую. Измените стиль линии проекции, выбрав вариант Утолщенная. Изобразите окружность радиуса 1 мм.
6. В меню Операции выберите команду Операция —> Кинематическая.
7. В качестве траектории в дереве модели выберите вариант Спираль цилиндрическая 1 и щелкните на кнопке Создать объект, чтобы получить изображение, показанное на рисунке. В результате в поле Траектория появится запись Ребра 1.
8. В дереве модели выберите вариант Плоскость ZY, откройте эскиз и для моделирования подрезания изобразите два прямоугольника, отстоящие друг от друга на 35 мм (длина пружины), после чего закройте эскиз.
9. Чтобы завершить создание модели, на инструментальной панели щелкните на кнопке Вырезать выдавливанием
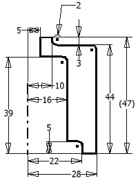
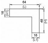
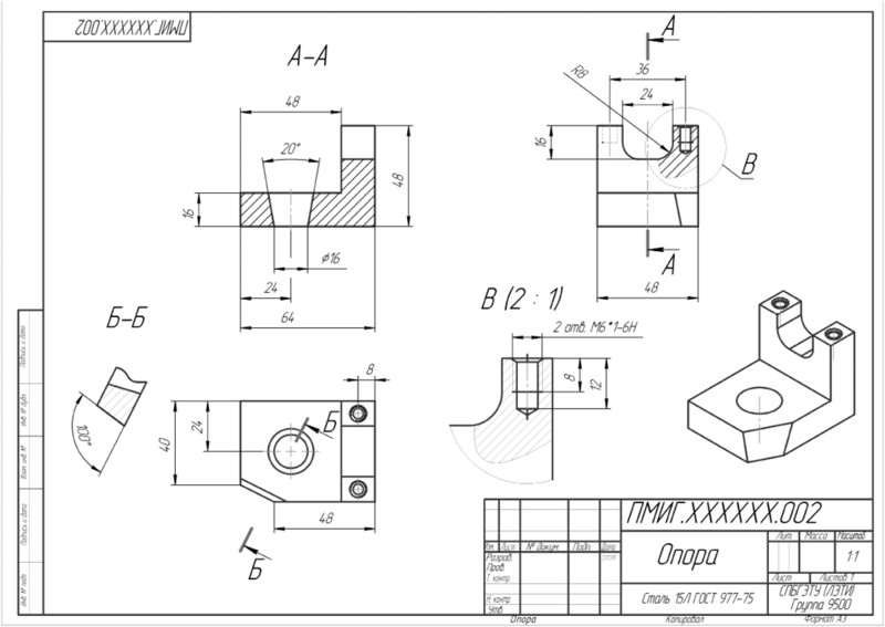
3.9. Опора
3.9.1. Использование в модели переменных из эскизов
Нанесение в эскизах операций параметрических размеров, которым сопоставлены переменные, позволяет изменять размеры модели, не прибегая к прямому редактированию отдельных элементов.
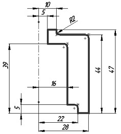
В этом разделе мы создадим трехмерную модель опоры, у которой сделаны сквозные вырезы по нанесенной разметке (рис. 3.10).
Рис. 3.10. Данные для построения модели опоры
1. На стандартной панели щелкните на кнопке Создать и в открывшемся окне в качестве типа нового документа выберите вариант Деталь. На панели Вид раскройте список Ориентация и укажите вариант Изометрия XYZ. В дереве модели выберите вариант Плоскость ZY.
2. Щелкните на кнопке Эскиз на панели Текущее состояние и выполните установку глобальных привязок, таких как Ближайшая точка, Пересечение, Выравнивание, Угловая привязка. Используя команду Непрерывный ввод объектов, приближенно нарисуйте контур. Нанесите четыре размера, указав в соответствующих полях окна Установить значение размера требуемые значения, присвоив переменным имена L, L1, H, Н1 и сделав комментарии, например Габарит по длине, и т.д.
3. На стандартной панели щелкните на кнопке Переменные.
4. На экране появится окно Переменные, предназначенное для работы с переменными и выражениями. Щелкните на символе + слева от названия модели Деталь. Ниже откроется список всех объектов, составляющих модель. Щелкните на символе + слева от названия эскиза Эскиз:1. Ниже откроется список всех переменных, созданных в эскизе.
5. Щелчком мыши сделайте текущей ячейку Выражение для переменной L1 и введите выражения L/4. Для переменной Н1 введите выражения Н/3.
6. Закройте эскиз и примените к нему операцию Выдавливание —> Два направления, указав одинаковые расстояния для обоих направлений, например 24 мм.
7. В дереве модели выберите вариант Плоскость ХY. Открыв эскиз, выполните команду Операции —> Спроецировать объект и спроецируйте в эскиз показанное ребро. Измените стиль линии проекции, выбрав вариант Утолщенная. Постройте вертикальный отрезок со стилем линии Осевая. Постройте прямоугольник с двумя скругленными углами.
8. Нанесите два горизонтальных размера и один вертикальный, присвоив им имена Н2 и В1, В2, задайте также радиальный размер. На панели Параметризация щелкните на кнопке Совпадение радиусов, укажите две дуги и щелкните на кнопке Запомнить состояние. Затем на стандартной панели щелкните на кнопке Переменные, чтобы открыть окно, предназначенное для работы с переменными и выражениями. Аналогично изложенному введите для переменной Н2 выражения Н/3, а для переменной В1 — выражение В2*2.
9. Закройте эскиз, щелкните на кнопке Вырезать выдавливанием и на вкладке Параметры в качестве параметров выберите варианты Обратное направление и Через все.
10. В дереве модели выберите вариант Плоскость ZX. Открыв эскиз, выполните команду Операции —> Спроецировать объект и спроецируйте в эскиз показанное ребро. Измените стиль линии проекции, выбрав вариант Утолщенная. Включите привязки Выравнивание и Точка на кривой. Постройте вертикальный отрезок со стилем линии Осевая. Постройте окружность и проставьте диаметральный размер. Щелкните на кнопке Точка на прямой на панели Параметризация. Укажите осевой отрезок и центр окружности. Постройте треугольник. Проставьте один горизонтальный размер и два вертикальных, присвоив одному из них имя L2. Для переменной L2 введите выражения 0.625*L.
11. Закройте эскиз, щелкните на кнопке Вырезать выдавливанием
12. Войдите в режим редактирования эскиза детали Опора_1 (Эскиз: 1). Для этого выделите в дереве модели соответствующую строку. После этого на стандартной панели щелкните на кнопке Переменные и в таблице установите новые значения для переменных Н (30,0) и L (80,0). Обратите внимание на то, что в параметрах Эскиз: 2 и Эскиз: 3 произошли изменения.
13. Закройте эскиз и щелкните на кнопке Перестроить на панели Вид. В окне документа модель будет изменена в соответствии с новыми значениями переменных. Сохраните файл под именем Опора_2.
3.9.2. Создание в модели переменных, соответствующих параметрам элементов
Делать переменными можно не только ассоциативные размеры в эскизах, но и параметры элементов в дереве модели.
1. Войдите в режим редактирования эскиза детали Опора_1 (Эскиз: 1). Для этого выделите в дереве модели соответствующую строку. Затем на стандартной панели щелкните на кнопке Переменные и в окне Переменные откройте следующие уровни элементов:
•Операция выдавливания: 1;
•Вырезать элемент выдавливания: 1;
•Вырезать элемент выдавливания: 2.
После этого установите в таблице новые значения для переменных V30 (40,0), V33 (40,0), V55 (12,0), V94 (0,0) и введите текст в поле Комментарий.
2. Закройте эскиз и щелкните на кнопке Перестроить на панели Вид. В окне документа модель будет изменена в соответствии с новыми значениями переменных. Сохраните файл под именем Опора_3.
3.9.3. Добавление отверстий с резьбой
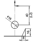
Важным этапом создания моделей деталей, соединяемых стандартными крепежными изделиями, является выбор параметров отверстий для этих изделий.
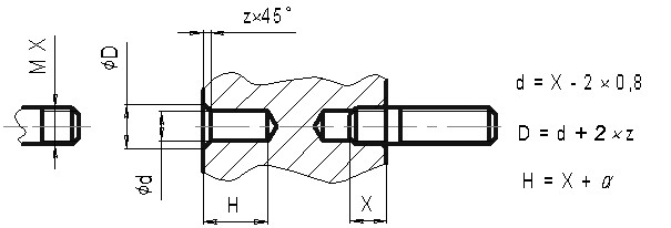
На рис. 3.11 упрощенно изображены отверстие (слева) для установки шпильки и сама шпилька (справа), ввернутая в деталь из стали, а также приведены соотношения для задания параметров отверстия.
Рис. 3.11. Параметры отверстия для установки шпильки
Верхнее соотношение основано на положении ГОСТ 2.311-68: сплошную тонкую линию при изображении резьбы, как это показано на шпильке, наносят на расстоянии не менее 0,8 мм от основной линии и не более величины шага резьбы. На рисунке тонкие линии при изображении резьбового отверстия не показаны, но надо понимать, что они располагались бы на расстоянии Х/2 с двух сторон от осевой линии. Реализация остальных соотношений требует обращения к ГОСТ 10549-80, в котором указаны размеры a — для недорезов и z — для фасок внутренней метрической резьбы.
Мы завершим построение 3D-модели опоры, добавив в модель два отверстия для вворачивания в них шпилек (винтов) М6 с крупным шагом. Материал опоры — сталь. При таком выборе d = 4,4 мм, Н = 12 мм, z = 1 мм.
1. Откройте файл Опора_1 и укажите верхнюю грань опоры (грань станет зеленой).
2. На панели редактирования детали щелкните на кнопке Отверстие и в окне библиотеки отверстий укажите вариант Отверстие 04. Далее в таблице параметров задайте глубину отверстия Н (12 мм), диаметр отверстия d (4,4 мм), диаметр зенковки D (6,4 мм).
3. Задайте координаты центра отверстия.
4. Щелкните на кнопке Создать объект. В профессиональной версии КОМПАС-3D можно создать условное изображение резьбы на цилиндрической или конической поверхности детали для правильного ее отображения на чертеже.
5. На панели редактирования детали щелкните на кнопке Зеркальный массив и в дереве модели укажите варианты Плоскость ZY и Отверстие: 1, после чего щелкните на кнопке Создать объект. Сохраните файл под именем Опора.
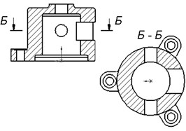
3.10. Построение ассоциативного чертежа уголка
В этом разделе мы построим чертеж созданной ранее (см. раздел 3.4) трехмерной модели уголка.
1. Для создания чертежа выполните команду Файл —> Создать —> Чертеж и сохраните чертеж на диске под именем Уголок в той же папке, что и файл трехмерной модели.
2. Для создания стандартных видов выполните команду Вставка —>Вид —> Вид с модели —> Стандартные.
3. Откройте документ Уголок.
4. На вкладке Параметры панели свойств в списке Ориентация главного вида выберите вариант Справа и установите флажок Линии переходов.
5. Щелкните на кнопке Схема видов. В поля Зазор по горизонтали и Зазор по вертикали введите расстояние между видами в горизонтальном (40 мм) и вертикальном (50 мм) направлениях, затем укажите курсором на пунктирную габаритную рамку главного вида и щелкните на кнопке OK. Расположите фантом стандартных видов в поле чертежа. На чертеже останутся два вида: сверху и слева.
6. Сделайте текущим проекционный вид 2 и включите привязки Выравнивание и Точка на прямой. На панели Обозначения щелкните на кнопке Линия разреза. Укажите на горизонтали, проходящей через центр отверстия, две точки, через которые должна пройти линия разреза. Для правильного задания направления взгляда курсором укажите расположение стрелок.
7. Щелкните на кнопке Разрез/сечение на странице Ассоциативные виды и укажите курсором на любом элементе линии разреза. После этого на экране появится фантом изображения разреза в виде габаритного прямоугольника. Щелкните на кнопке Показать все. При необходимости измените положение видов.
8. Для включения в чертеж аксонометрической проекции выполните команду Вставка —> Вид с модели —> Стандартные. Откройте документ Уголок и на вкладке Параметры панели свойств в поле Ориентация главного вида выберите вариант Изометрия XYZ, после чего щелкните на кнопке Схема видов. Укажите курсором на пунктирные габаритные рамки двух видов, оставив главный, и щелкните на кнопке OK. Расположите фантом изометрии в поле чертежа.
9. Сделайте текущим вид под номером 4 — сечение А-А, щелкните на кнопке Выносной элемент на инструментальной панели Обозначения и постройте обозначение выносного элемента. Для этого укажите центральную точку контура выносного элемента, затем — точку на контуре и точку начала полки.
Создаваемый ассоциативный чертеж в системе КОМПАС-3D имеет определенные отступления от требований ЕСКД, устранить которые в получаемых изображениях невозможно, так как изображения недоступны для редактирования. Для рассматриваемого примера отметим, что недостатком построенного системой фронтального разреза А-А является невозможность удаления линии разреза и обозначений этой линии и разреза. Согласно ГОСТ 2.305-68, положение секущей плоскости не отмечают и разрез надписью не сопровождают в случаях, когда секущая плоскость совпадает с плоскостью симметрии предмета и разрезы расположены в непосредственной проекционной связи.
Чтобы создаваемый чертеж полностью соответствовал требованиям ЕСКД, необходимо разрушить ассоциативные связи в двух видах и выполнить необходимое редактирование. После этого редактирования, нанесения осевых линий и размеров изображение в поле чертежа должно выглядеть так, как показано на рис. 3.12.
Рис. 3.12. Фрагмент чертежа уголка
3.11. Построение ассоциативного чертежа опоры
При создании ассоциативного чертежа между чертежом и моделью формируется ассоциативная связь, благодаря которой любое изменение модели автоматически отражается на чертеже в форме изменения значений и положения размеров и технологических обозначений. Это достигается за счет формирования в режиме параметризации ассоциативных связей между геометрическими элементами, размерами и обозначениями в чертеже. В системе КОМПАС-3D LT режим параметризации недоступен, поэтому мы рассмотрим этапы создания ассоциативного чертежа в полной версии КОМПАС-3D.
В этом разделе мы создадим чертеж выполненной ранее (см. раздел 3.9) трехмерной модели опоры.
1. Для создания чертежа выполните команду Файл —> Создать —> Чертеж и сохраните чертеж на диске под именем Опора в той же папке, что и файл трехмерной модели.
2. Вызовите команду Сервис —> Параметры, открыв диалоговое окно Параметры, и на вкладке Текущий чертеж в левой части окна, сделайте текущей ветвь Параметризация, расположенную в нижней части дерева параметров. Далее в правой части окна установите два флажка Все в группах Ассоциатировать при вводе и Параметризировать, после чего щелкните на кнопке OK.
3. Повторите шаги 2–7 из пошаговой процедуры раздела 3.10. Вставку видов произведите в масштабе 1:2. В результате в поле чертежа должны появиться показанные на рисунке изображения.
4. Сделайте текущим проекционный вид 2. Проведите к ребру углового среза перпендикулярную прямую. На панели Обозначения щелкните на кнопке Линия разреза и укажите на перпендикулярной прямой две точки, через которые должна пройти линия разреза. Для правильного задания направления взгляда курсором расположите стрелки. Щелкните на кнопке Разрез/сечение на панели Ассоциативные виды и укажите курсором на любой элемент линии разреза. После этого на экране появится фантом изображения разреза в виде габаритного прямоугольника. Выделите вид Разрез Б-Б щелчком на его габаритной рамке.
5. Сделайте текущим проекционный вид 3 и постройте в нем замкнутый контур, ограничивающий местный разрез. Щелкните на кнопке Местный разрез на панели Ассоциативные виды и укажите курсором построенный замкнутый контур (он высветится красным цветом). Не переключая текущий вид, на разрезе А-А покажите положение секущей плоскости местного разреза. На виде слева система построит местный разрез.
6. Сделайте текущим проекционный вид 3. Щелкните на кнопке Выносной элемент на панели Обозначения и постройте обозначение выносного элемента. Для этого укажите центральную точку контура выносного элемента, затем — точку на контуре и точку начала полки. После этого система перейдет в режим автоматического построения выносного элемента.
7. На панели свойств раскройте список Масштаб и укажите масштаб 2:1.
8. Перейдите на вкладку Обозначение вида и установите флажок Масштаб для автоматического формирования текстовой ссылки на масштаб вида в его заголовке.
9. Укажите положение выносного элемента в поле чертежа.
Как уже отмечалось, создаваемый ассоциативный чертеж в системе КОМПАС-3D имеет определенные отступления от требований ЕСКД, устранить которые в получаемых изображениях невозможно, так как изображения недоступны для редактирования. Следует отметить следующие нарушения стандартов:
• В построенном местном разрезе Б-Б и выносном элементе А линия, ограничивающая местный разрез и выносной элемент, должна быть сплошной волнистой.
• На выносном элементе и на виде сверху условное изображение резьбы, полученное из трехмерной модели, не соответствует требованиям ГОСТ 2.311-68.
Чтобы создаваемый чертеж полностью соответствовал требованиям ЕСКД, необходимо разрушить ассоциативные связи в соответствующих видах и выполнить необходимое редактирование. После этого редактирования, нанесения осевых линий и размеров изображение в поле чертежа должно выглядеть так, как показано на рис. 3.13.
Рис. 3.13. Чертеж опоры
3.12. Учебное пособие «Азбука КОМПАС»
В заключительном разделе главы, посвященной 3D-технологии создания твердотельных моделей деталей и чертежей по этим моделям, следует упомянуть о встроенном электронном учебном пособии «Азбука КОМПАС».
«Азбука КОМПАС» — это интерактивное учебное пособие, реализованное в виде отдельного файла. В пособии, входящим в поставку КОМПАС-3D, представлено 13 уроков по освоению 3D-технологии (рис. 3.14).
В пособии, входящем в комплект поставки КОМПАС-3D LT, представлено 6 уроков. Это уроки 1, 2, 10, 11, 12, обозначенные на рис. 3.14. Урок 11 для пособия «Азбука КОМПАС-3D LT» разбит на два.
В поставку КОМПАС-3D V11 включена «Азбука КОМПАС-График» (рис. 3.15).
Рис 3.14. Первая страница «Азбуки КОМПАС-3D»
Рис 3.15. Первая страница «Азбуки КОМПАС-График»
Освоение интерактивных учебных пособий «Азбука КОМПАС» будет способствовать ускоренному изучению 2D- и 3D-технологий создания конструкторской документации и твердотельных моделей изделий.
Для углубленного изучения системы КОМПАС-3D V11 можно порекомендовать книгу [8].
Часть II. Моделирование в системе SolidWorks
Глава 4. Общие сведения о системе SolidWorks
Система SolidWorks предназначена для создания твердотельных параметрических моделей деталей и последующего полуавтоматического выполнения их рабочих чертежей, содержащих все необходимые типы изображений.
SolidWorks также поддерживает поверхностное моделирование, проектирование деталей, изготовленных литьем, проектирование деталей, изготовленных из листового материала.
Для SolidWorks разработан ряд приложений: CosmosWorks обеспечивает прочностной расчет деталей методом конечных точек; CosmosMotion — расчет кинематики и динамики механизма и др.
При разработке функций и интерфейса SolidWorks учитывались приемы работы, свойственные машиностроительному проектированию. Система специально ориентирована на операционную среду MS Windows и в полной мере использует все ее возможности для предоставления пользователю максимального комфорта и удобства в работе.
4.1. Основные типы документов
В терминах SolidWorks любое изображение, которое можно построить средствами системы, принято называть документом. С помощью SolidWorks можно создавать документы трех типов: деталь, сборка, чертеж. В случаях, когда идет речь о трехмерных изображениях деталей, употребляется еще один термин — «модель».
Деталь — это модель изделия, изготавливаемого из однородного материала без применения сборочных операций. Детали хранятся в файлах с расширением .sldprt.
Сборка — это модель изделия, состоящего из нескольких деталей с заданным взаимным положением. Сборки хранятся в файлах с расширением .sldasm.
Чертеж — это основной тип графического документа в SolidWorks. Чертеж содержит графическое изображение изделия, основную надпись, рамку, иногда — дополнительные объекты оформления (технические требования и т.д.). Чертеж SolidWorks может содержать несколько листов заданного пользователем формата. Чертежи хранятся в файлах с расширением .slddrw.
4.2. Основные элементы интерфейса
Команды вызываются с помощью систем выпадающих и контекстных меню, а также кнопок инструментальных панелей.
При работе с документом любого типа на экране отображаются строка меню и несколько инструментальных панелей: Стандартная, Вид, Диспетчер команд.
Система меню обеспечивает вызов команд. Некоторые из них вызываются также с помощью кнопок инструментальных панелей. По умолчанию строка меню располагается в верхней части окна (рис. 4.1).
Рис. 4.1. Строка меню
При выборе пункта меню он раскрывается, предоставляя доступ к командам этого пункта. Доступ к некоторым из команд возможен только через подменю. Для вызова команды (выполнения соответствующего действия) щелкните мышью на ее названии.
Стандартная панель содержит кнопки вызова команд стандартных операций для работы с файлами и объектами (рис. 4.2).
Рис. 4.2. Стандартная инструментальная панель
Для вывода ее на экран служит команда Вид —> Панели инструментов —> Стандартная.
Панель Вид содержит кнопки вызова команд настройки вида активного документа. Набор элементов управления панели Вид зависит от того, какой документ активен (рис. 4.3)
Рис. 4.3. Панель Вид при работе с деталями
Для вывода ее на экран служит команда Вид —> Панели инструментов —> Вид.
Диспетчер команд содержит кнопки переключения между режимами работы Элементы и Эскиз (две первые кнопки слева). Состав остальных элементов управления инструментальной панели диспетчера команд зависит от выбранного режима работы (рис. 4.4 и 4.5).
Рис. 4.4. Диспетчер команд в режиме Элементы
Рис. 4.5. Диспетчер команд в режиме Эскиз
Для вывода этой инструментальной панели на экран служит команда Вид —> Панели инструментов —> Диспетчер команд.
Пользователь может изменять состав меню и инструментальных панелей, а также создавать собственные панели. Для вызова диалогового окна, позволяющего произвести эту настройку, служит команда Инструменты —> Настройка.
Панель свойств служит для изменения параметров и свойств объектов при их создании и редактировании (рис. 4.6).
Рис. 4.6. Панель свойств отрезка прямой
4.3. Использование контекстных меню
Команды для выполнения многих часто используемых действий можно вызвать из контекстного меню. Это меню появляется на экране при щелчке правой кнопкой мыши. Состав меню разный для различных ситуаций. В нем собраны наиболее типичные для текущего момента работы команды.
Например, в режиме редактирования эскиза при щелчке правой кнопкой мыши на экране появится меню, показанное на рис. 4.7.
Рис. 4.7. Контекстное меню в режиме редактирования эскиза
Таким образом, при выполнении различных действий можно быстро обратиться к нужной команде не только через строку меню или инструментальные панели, но и через контекстные меню.
4.4. Изменение масштаба, сдвиг изображения и поворот модели
Для изменения масштаба изображения модели предназначены команды Изменить в размер экрана, Увеличить элемент вида, Увеличить/Уменьшить вид, Увеличить выбранный элемент, Вращать вид, Переместить.
Эти команды расположены в подменюИзменить меню Вид, а кнопки для их быстрого вызова — на панели Вид.
Для настройки углового шага поворота модели с помощью клавиш со стрелками, скорости мыши и анимации служит диалоговое окно, вызываемое командой Инструменты —> Параметры(рис. 4.8).
Для изменения масштаба отображения объекта удобно вращать колесико мыши.
Чтобы передвинуть изображение модели в окне, щелкните на кнопке Переместить на панели Вид или вызовите соответствующую команду из меню Вид.
ПРИМЕЧАНИЕ
Для изменения размера объекта по размеру экрана нажмите клавишу F.
Для быстрого сдвига изображения (без вызова специальной команды) можно воспользоваться клавиатурными комбинациями Ctrl+<стрелки> или Ctrl+<нажатое колесико мыши>.
Рис. 4.8. Настройки пользователя, касающиеся вращения вида и увеличения
При создании модели может потребоваться увидеть ее с разных сторон. Для этого в SolidWorks предусмотрена возможность вращения модели.
Чтобы повернуть модель, вызовите команду Вид —> Изменить/Вращать, щелкните на кнопке Вращать вид
Также можно воспользоваться клавишами со стрелками.
4.5. Управление ориентацией детали
Для изменения ориентации модели в SolidWorks можно воспользоваться командой Вид —> Изменить —> Ориентация вида.
Часто требуется ориентация, при которой одна из плоскостей проекций параллельна плоскости экрана (в этом случае изображение модели соответствует ее изображению на чертеже в стандартной проекции, например, на виде сверху или слева). Такую ориентацию трудно получить, поворачивая модель мышью. В этом случае для изменения ориентации можно пользоваться предусмотренным системой списком готовых вариантов ориентации.
На панели Вид расположена кнопка Стандартные виды
Иногда требуется, чтобы параллельной плоскости экрана оказалась не проекционная плоскость, а вспомогательная плоскость или плоская грань модели. Чтобы установить такую ориентацию, выделите нужный плоский объект и вызовите из меню кнопки Ориентация команду Перпендикулярно. Модель повернется так, чтобы направление взгляда было перпендикулярно выбранному объекту.
Рис. 4.9. Список стандартных вариантов ориентации
ПРИМЕЧАНИЕ
Удобно пользоваться клавиатурными комбинациями, например, для установки изометрического изображения — комбинацией клавиш Ctrl+7, для установки режима перпендикулярно — комбинацией клавиш Ctrl+8.
Можно не только использовать стандартные варианты ориентации, но и запоминать текущую ориентацию под каким-либо именем, а затем возвращаться к ней в любой момент, выбрав это имя в списке. Для этого щелкните на кнопке Ориентация. На экране появится диалоговая панель со списком существующих в модели вариантов ориентации. Щелкните на кнопке Новый вид и введите название нового варианта ориентации. Затем щелкните на кнопке OK, и новое название появится в меню кнопки Ориентация на панели Вид.
Впоследствии, когда ориентация модели изменится, можно выбрать в меню кнопки Ориентация созданный вариант ориентации, и модель повернется так, чтобы ее ориентация ему соответствовала.
4.6. Управление режимом отображения детали
При работе в SolidWorks доступно несколько вариантов отображения модели: каркасное представление, представление с выводом и без вывода невидимых линий, полутоновое представление, закрашенное представление и перспектива.
Чтобы выбрать вариант отображения, раскройте подменю Вид —> Отобразить и вызовите нужную команду. Можно также воспользоваться кнопками панели Вид.
•Каркасное представление — отображаются все кромки модели.
Чтобы отобразить модель в виде каркаса, вызывается команда Вид —> Отобразить —> Каркасное представление или нажимается кнопка Каркасное представление
•Представление с отображением невидимых линий (невидимые ребра и части ребер) — все кромки модели, которые невозможно увидеть под выбранным углом, отображаются серым цветом и штриховыми линиями.
Чтобы отобразить модель с невидимыми линиями другого цвета, вызовите команду Вид —> Отобразить —> Невидимые линии отображаются или щелкните на кнопке Невидимые линии отображаются
•Представление без невидимых линий — все кромки модели, которые невозможно увидеть под выбранным углом, не отображаются.
Чтобы отобразить модель без невидимых линий, вызовите команду Вид —> Отобразить —> Скрыть невидимые линии или щелкните на кнопке Скрыть невидимые линии
•Полутоновое представление — отображение закрашенного вида модели с видимыми кромками.
Чтобы получить полутоновое представление модели, вызовите команду Вид —> Отобразить —> Закрасить с кромками или щелкните на кнопке Закрасить с кромками
•Закрашенное представление — вывод закрашенного изображения модели.
Чтобы получить закрашенное изображение модели, вызовите команду Вид —> Отобразить —> Закрасить или щелкните на кнопке Закрасить
•Перспектива — в этом режиме можно получить еще более реалистичное изображение детали в соответствии с особенностями зрительного восприятия человека. Точка схода перспективы расположена посередине окна детали. Все перечисленные режимы отображения (каркасное, полутоновое, без невидимых линий и с тонкими невидимыми линиями) можно сочетать с перспективной проекцией.
Для получения вида модели с учетом перспективы вызовите команду Вид —> Отобразить —> Перспектива или щелкните на кнопке Перспектива
Какой бы тип отображения ни был выбран, он не оказывает влияния на свойства модели. Например, при выборе каркасного отображения модели она остается сплошной и твердотельной (а не превращается в набор «проволочных» ребер), просто ее поверхность и материал не воспроизводятся на экране.
4.7. Дерево конструирования модели
При работе с любой деталью в SolidWorks на экране кроме окна, в котором отображается модель, выводится окно, содержащее дерево конструирования.
Дерево конструирования — это окно, в котором в виде структурированного списка («дерева») отражается последовательность построения трехмерной модели с перечислением объектов, составляющих деталь. Они отображаются в дереве в порядке создания.
В дереве конструирования детали отображаются: символ начала координат, плоскости, оси, эскизы, операции и указатель окончания построения модели.
Эскиз, задействованный в любой операции, размещается на ветви дерева конструирования, соответствующей этой операции. Слева от названия операции в дереве выводится значок +. После щелчка мышью на этом значке в дереве разворачивается список участвующих в операции эскизов. Эскизы, не задействованные в операциях, отображаются на верхнем уровне дерева конструирования.
Каждый элемент автоматически включается в дерево конструирования сразу после его создания. Название присваивается элементам также автоматически в зависимости от способа создания. Например, «Вытянуть», «Вырез-Вытянуть», «Вырез-Повернуть», «Скругление» и т.д.
В детали может существовать множество однотипных элементов. Чтобы различать их, к названию элемента автоматически прибавляется порядковый номер элемента данного типа. Например, «Скругление1» и «Скругление2».
Любой элемент в дереве конструирования можно переименовать. Для этого необходимо дважды (с паузой) щелкнуть мышью на его названии или выбрать в контекстном меню, появляющемся при щелчке правой кнопкой мыши на названии элемента, команду Свойства. Новое название элемента будет сохранено в дереве конструирования.
Слева от названия каждого объекта в дереве отображается пиктограмма, соответствующая способу, которым этот элемент получен. Пиктограмму, в отличие от названия объекта, изменить невозможно. Благодаря этому при любом переименовании элементов в дереве конструирования остается наглядная информация о способе и порядке их создания.
Дерево конструирования и графическая область динамически связаны. Благодаря этому, щелкая на названиях в дереве, можно выбирать элементы, эскизы, чертежные виды и вспомогательную геометрию в любой из областей окна.
Обычно пиктограммы отображаются в дереве конструирования каждая своим цветом. Если объект выделен, то по умолчанию его пиктограмма в дереве синяя.
Дерево конструирования можно скрыть. Для этого в меню Вид сбросьте флажок у команды Область дерева или нажмите клавишу F9. Чтобы опять вывести дерево на экран, снова установите флажок или нажмите клавишу F9.
Дерево конструирования отображается в отдельном окне, которое всегда находится внутри окна редактируемого документа. Можно изменять размер окна дерева, перетаскивая мышью его границы.
Кроме дерева конструирования
Рис. 4.10. Окно дерева конструирования
В окне менеджера свойств выводятся свойства объекта или элемента, а менеджер конфигураций служит для создания, выбора и просмотра многочисленных конфигураций деталей и сборок.
Глава 5. Знакомство с созданием моделей деталей
Современные 3D-системы проектирования позволяют создавать трехмерные модели самых сложных деталей и сборок. Используя наглядные методы формирования объемных элементов, конструктор оперирует простыми и естественными понятиями: основание, отверстие, фаска, оболочка и т.д. При этом процесс конструирования может воспроизводить технологический процесс изготовления детали. После создания трехмерной модели изделия конструктор может получить его чертеж без рутинного создания видов средствами плоского черчения.
5.1. Общие принципы твердотельного моделирования деталей
В общем случае порядок создания модели корпусной детали включает в себя формирование основания, приклеивание и вырезание дополнительных элементов, построение массивов элементов, зеркальное копирование, создание дополнительных конструктивных элементов (рис. 5.1).
Формирование отдельных трехмерных объектов начинается с создания эскиза — плоской фигуры, на основе которой образуется объемное тело. Эскиз может располагаться в одной из плоскостей координат, на плоской грани существующего тела или на вспомогательной плоскости, положение которой задано пользователем. Эскиз строится на плоскости стандартными средствами двухмерного редактора.
При построении эскиза в системе SolidWorks доступны все команды создания и редактирования изображения, а также сервисные возможности. В эскиз можно перенести изображение из ранее подготовленного чертежа. Это позволяет при создании трехмерной модели опираться на существующую чертежно-конструкторскую документацию.
а
б
в
г
Рис. 5.1. Этапы создания твердотельной модели детали: а — формирование основания; б — приклеивание дополнительного элемента; в — построение массива элементов; г — создание дополнительных конструктивных элементов
5.2. Основные операции 3D-моделирования
В системе SolidWorks определены базовые операции создания твердых тел, для выполнения которых используются следующие команды:
Объемные элементы образуются в результате операций — формообразующих перемещений эскизов. Основные способы создания трехмерных объектов иллюстрирует рис. 5.2.
а
б
в
г
Рис. 5.2. Основные формообразующие операции создания трехмерных объектов: а — выдавливание; б — вращение; в — кинематическая операция; г — операция по сечениям
Построение трехмерной модели детали начинается с анализа ее конструкции. Необходимо внимательно осмотреть деталь, уяснить ее назначение и технологию изготовления, определить название.
При изучении конструкции тщательно анализируется форма детали путем мысленного расчленения ее на простейшие геометрические тела (параллелепипеды, призмы, цилиндры, конусы, торы, кинематические элементы и т.д.) или их части, отдельно представляются наружные и внутренние поверхности. Следует иметь в виду, что любая деталь представляет собой различные сочетания простейших геометрических форм. При этом мелкие конструктивные элементы (фаски, скругления, проточки и т.п.) из рассмотрения на первом этапе исключаются.
После этого приступают к созданию модели основного формообразующего элемента детали. При построении можно использовать любую из перечисленных формообразующих операций.
5.3. Система координат и плоскости проекций
В каждом файле детали существуют система координат и проекционные плоскости, определяемые этой системой. Название этих объектов появляется в окне дерева конструирования после создания нового файла детали. Окно дерева конструирования является графическим интерфейсом, служащим для управления процессом создания и редактирования модели изделия. Изображение системы координат появляется посередине окна построения модели; чтобы увидеть изображение проекционных плоскостей, их нужно выделить в дереве конструирования.
Плоскости представляются на экране в виде прямоугольников, лежащих в этих плоскостях; такое представление позволяет увидеть расположение плоскости в пространстве. Иногда для понимания расположения плоскости требуется, чтобы символизирующий ее прямоугольник был больше (меньше), или располагался в другом месте. Размер и положение этого прямоугольника можно регулировать мышью. Плоскости проекций и систему координат невозможно удалить из файла модели. Их можно переименовать, а также запретить их показ в окне модели.
В системе SolidWorks при выборе в качестве ориентации вариант Изометрия координатные оси и плоскости проекций располагаются так, как показано на рис. 5.3, а. Эта ориентация не совпадает с требованиями ГОСТ 2.319-69 (рис. 5.3, б).
а
б
Рис. 5.3. Ориентация координатных осей и плоскостей проекций в системе SolidWorks и согласно ГОСТ 2.317-69
Положение модели в системе SolidWorks иллюстрирует рис. 5.4.
Рис. 5.4. Ориентация ассоциативных видов в системе SolidWorks
5.4. Особенности трехмерного моделирования деталей
При построении эскизов для создания 3D-моделей деталей целесообразно проставлять параметрические размеры, с помощью которых легко изменять геометрию контуров и редактировать твердотельные модели. На рис 5.5 представлен параметризованный эскиз контура для создания модели изолятора.
Рис. 5.5. Параметризованный эскиз контура для создания модели изолятора
Редактировать эскизы можно с помощью типового набора команд редактирования: Переместить объекты, Повернуть объекты, Копировать объекты, Зеркально отразить объекты и Масштабировать объекты, кроме того, можно использовать маркеры манипулирования объектом. Маркеры появляются в начальной и конечной точках объекта, например, отрезка, при его выделении (рис. 5.6). При наведении курсора на маркер и нажатии левой кнопки мыши можно изменить длину, угол, иными словами, переместить граничную точку отрезка.
Рис. 5.6. Маркеры манипулирования объектом
Важным этапом создания моделей деталей, соединяемых стандартными крепежными изделиями, является выбор параметров отверстий для этих изделий. Для создания круглого отверстия со сложным профилем необходимо использовать команду Отверстие под крепеж
Рис. 5.7. Панель свойств отверстия
Положение отверстия задается на вкладке Расположения панели свойств проставлением координатных размеров.
5.5. Выбор ориентации модели детали
При выполнении чертежа детали необходимо правильно выбрать главное изображение. Согласно ГОСТ 2.305-68, в качестве главного принимается изображение на фронтальной плоскости проекций. Предмет располагают относительно фронтальной плоскости проекций так, чтобы изображение на ней давало наиболее полное представление о форме, размерах и функциональном назначении предмета.
При создании трехмерной модели необходимо осознанно выбирать плоскость построения эскиза. Для создания вида спереди нужно выбирать плоскость построения эскиза, заданную осями OX и OY.
Если в дальнейшем потребуется создать чертеж по модели, полезно уже при построении основы детали просмотреть изображение модели, выбрав вид спереди, и оценить, насколько он соответствует главному изображению детали.
5.6. Создание ассоциативных видов
Трехмерные модели деталей создаются не столько для наглядной визуализации, сколько с целью получения конструкторской документации, в том числе чертежей деталей.
В системе SolidWorks имеется возможность создания ассоциативных чертежей трехмерных деталей. В таких чертежах все виды связаны с моделью так, что изменения в модели приводят к изменению изображения в каждом ассоциативном виде и наоборот.
Ассоциативное изображение формируется в обычном чертеже. В нем создаются выбранные пользователем ассоциативные виды и разрезы (сечения) трехмерной детали. Виды автоматически располагаются в проекционной связи. При необходимости связь можно отключить — это дает возможность произвольного размещения видов в чертеже.
В системе SolidWorks определены базовые операции создания ассоциативных изображений, выполняемые с помощью следующих команд:
Глава 6. Создание моделей и ассоциативных чертежей деталей
В этой главе описаны этапы создания в системе SolidWorks 3D-моделей восьми деталей, упомянутых во введении к этой книге, и ассоциативных чертежей для двух моделей.
6.1. Изолятор
Создайте трехмерную модель изолятора, показанную на рис. 6.1.
Рис. 6.1. Модель изолятора
1. Создайте новый документ, выбрав в качестве типа документа вариант Деталь.
2. В дереве конструирования выберите плоскость Сверху и в появившейся панели выберите команду Эскиз либо щелкните на одноименной кнопке на ленте, перейдя на вкладку Эскиз.
3. Создайте эскиз согласно рисунку. Постройте осевые линии, проходящие через начало координат. Затем выберите команду Окружность
4. Выйдите из режима построения эскиза, щелкнув на кнопке Выход из эскиза.
5. Для создания модели на основе построенного эскиза на вкладке Элементы выберите команду Вытянутая бобышка/основание.
6. На панели свойств команды задайте величину выдавливания 30 мм. Результат представлен на рисунке.
7. В дереве конструирования выберите плоскость Справа. Установите вид справа с помощью команды Стандартные виды —> Вид справа
8. Создайте эскиз согласно приведенному рисунку, используя команду Угловой прямоугольник
9. Выберите команду Вытянутый вырез
В итоге мы должны получить требуемую модель (см. рис. 6.1).
6.2. Вкладыш
В этом разделе мы создадим трехмерную модель вкладыша, показанную на рис. 6.2.
Рис. 6.2. Модель вкладыша
1. Создайте новый документ, выбрав в качестве типа документа вариант Деталь. В дереве конструирования выберите плоскость Сверху для построения эскиза и щелкните на кнопке Эскиз
2. Постройте две окружности с координатами положения центра 0, 0 и произвольными радиусами, щелкнув на кнопкеОкружность
3. Выделите в дереве конструирования построенный эскиз, перейдите на кладку Элементы и выберите команду Вытянутая бобышка/основание
4. Выберите плоскость верхнего основания в качестве плоскости построения следующего эскиза и щелкните на кнопке Эскиз.
5. Установите вид сверху, выбрав команду Стандартные виды —> Сверху или щелкнув на кнопке Сверху
6. Второй квадрат постройте, используя команду Зеркально отразить объекты
7. Выполните для этого эскиза операцию Вытянутый вырез, выдавите его на 5 мм.
8. Выберите плоскость верхнего основания в качестве плоскости построения следующего эскиза и щелкните на кнопке Эскиз. Постройте три окружности согласно рисунку. Выберите команду Преобразование объектов
9. Выберите команду Отсечь
10. Выполните для этого эскиза операцию выдавливания на 20 мм.
11. В дереве конструирования выберите плоскость для построения эскиза, щелкнув на пункте Справа. Установите вид справа, выбрав команду Стандартные виды —> Справа. Выберите команду построения эскиза и постройте прямоугольник с размерами, указанными на рисунке.
12. Вырежьте прямоугольник в оба направления насквозь, щелкнув на кнопке Вытянутый вырез
13. Для выреза четверти на виде сверху создайте эскиз в форме двух отрезков, расположенных под прямым углом.
14. Выполните команду Вытянутый вырез. Выберите направление выреза: одна стрелка указывает на направление выреза (вниз от плоскости эскиза), вторая — на удаляемую часть.
В результате мы должны получить требуемое изображение с вырезом одной четверти, как показано на рис. 6.3.
Рис. 6.3. Модель детали с вырезом одной четверти
6.3. Радиатор игольчатый
В этом разделе мы создадим трехмерную модель игольчатого радиатора, показанную на рис. 6.4.
Рис. 6.4. Модель радиатора
1. Создайте новый документ, выбрав в качестве типа документа вариант Деталь. В дереве конструирования выберите плоскость Сверху для построения эскиза и щелкните на кнопке Эскиз
2. Выделите в дереве конструирования построенный эскиз, выберите команду Вытянутая бобышка/основание
3. Выберите верхнюю плоскость основания радиатора для создания эскиза, представленного на рисунке.
4. Выделите в дереве конструирования построенный эскиз, выберите команду Вытянутая бобышка и на панели свойств установите расстояние 15 мм и угол наклона 1°. В результате мы получим иглу в виде усеченного конуса.
5. Размножьте иглы, построив прямоугольный массив с помощью команды Линейный массив
6. Удалите пять иголок в центре радиатора с координатами (4, 3); (5, 3); (4, 2); (4, 4); (3, 3), щелкнув в разделе Пропустить экземпляры панели свойств и указав данные экземпляры иголок на модели.
7. Вызовите команду Фаска
В итоге мы получили требуемую модель (см. рис. 6.4).
6.4. Уголок
В этом разделе мы создадим трехмерную модель уголка, показанную на рис. 6.5.
Рис. 6.5. Модель уголка
1. Создайте новый документ, выбрав в качестве типа документа вариант Деталь. Выберите в дереве конструирования плоскость для построения эскиза, щелкнув на пункте Справа, и в появившейся панели щелкните на кнопке Эскиз
2. Выделите в дереве конструирования построенный эскиз и выберите команду Вытянутая бобышка/основание
3. Для моделирования ребра жесткости выберите боковую торцевую плоскость в качестве плоскости построения эскиза и постройте эскиз согласно рисунку.
4. Для построения ребра жесткости щелкните на кнопке Ребро
5. Для зеркального отражения ребра выберите команду Зеркальное отражение
6. Для построения скруглений выберите команду Скругление
7. В целях ознакомления, смоделируем отверстие в основании. Для этого вызовите команду Отверстие под крепеж
8. Перейдите на вкладку Расположения, чтобы задать местоположение отверстия.
9. На вкладке Расположения укажите размеры в соответствии с рисунком.
Результат моделирования был представлен в начале этого раздела (см. рис. 6.5).
6.5. Втулка
В этом разделе мы создадим трехмерную модель втулки, показанную на рис. 6.6.
Рис. 6.6. Модель втулки
1. Создайте новый документ, выбрав в качестве типа документа вариант Деталь. Выберите в дереве конструирования плоскость для построения эскиза, щелкнув на пункте Справа, и в появившейся панели щелкните на кнопке Эскиз
Ориентация видов. Постройте эскиз согласно рисунку. Проставьте размеры, щелкнув на кнопкеАвтоматическое нанесение размеров
2. Выделите в дереве конструирования построенный эскиз, выберите команду Повернутая бобышка
3. Создайте две фаски на большем цилиндре с размерами 1×45°, используя команду Фаска
4. Выберите торцевую плоскость большего цилиндра в качестве плоскости построения эскиза и создайте эскиз согласно рисунку. Постройте вертикальную ось. Выберите команду Многоугольник
5. Выполните вырезание выдавливанием, используя команду Вытянутый вырез
6. В разделе Справочная геометрия выберите команду Ось
7. Постройте круговой массив. Для этого выберите команду Круговой массив
Результат моделирования был представлен в начале этого раздела (см. рис. 6.6).
6.6. Кронштейн
В этом разделе мы создадим трехмерную модель кронштейна, показанную на рис. 6.7.
Рис. 6.7. Модель кронштейна
1. Создайте новый документ, выбрав в качестве типа документа вариант Деталь. Выберите в дереве конструирования плоскость для построения эскиза, щелкнув на пункте Спереди, и в появившейся панели щелкните на кнопке Эскиз
2. Выделите в дереве конструирования построенный эскиз, выберите команду Вытянутая бобышка
3. Укажите плоскость модели, как показано на рисунке, и выберите команду построения эскиза.
4. Создайте эскиз в виде двух равных по диаметру окружностей.
5. Выделите обе окружности и командой Добавить взаимосвязь
6. Выделите вертикальные грани и малые дуги модели и вызовите команду Инструменты —> Инструменты эскиза —> Преобразование объектов для проецирования данных объектов в текущий эскиз. Командой Отсечь
7. Выделите две бо´льшие дуги и с помощью маркеров, появившихся на концах дуг (предварительно удалив взаимосвязи Совпадение и Проецирование), переместите конечную точку дуги бо´льшей окружности вправо, как показано на рисунке. Тем самым исключается возможность самопересечения контура.
8. Выберите команду Вытянутая бобышка
9. Установите вид справа и постройте прямоугольник с размерами 110×20.
10. Вырежьте построенный эскиз из модели детали, используя команду Вытянутый вырез
11. В качестве плоскости построения эскиза выберите верхнюю плоскость основания и вызовите команду Вставка —> Элементы —> Отверстие —> Под крепеж или щелкните на кнопке Отверстие под крепеж
12. Выберите отверстие с зенковкой и установите параметры отверстия М8 согласно рисунку.
13. На вкладке Расположение задайте положение центра отверстия, указав размеры в соответствии с рисунком.
14. Чтобы создать скругления, щелкните на кнопке Скругление
15. Для зеркального отражения щелкните на кнопке Зеркально отразить объекты
16. В качестве плоскости отражения укажите грань модели.
17. Еще раз зеркально отразите модель в соответствии с параметрами, указанными на рисунке.
Результат моделирования был представлен в начале этого раздела (см. рис. 6.7).
6.7. Корпус
В этом разделе мы создадим трехмерную модель корпуса, показанную на рис. 6.8.
Рис. 6.8. Модель корпуса
1. Создайте новый документ, выбрав в качестве типа документа вариант Деталь. Выберите в дереве конструирования плоскость для построения эскиза, щелкнув на пункте Спереди, и в появившейся панели щелкните на кнопке Эскиз
2. Выделите в дереве конструирования построенный эскиз, выберите команду Повернутая бобышка
3. Укажите нижнюю плоскость модели и выберите команду построения эскиза. Установите вид сверху и создайте эскиз согласно рисунку. Спроецируйте бóльшую окружность в текущий эскиз с помощью команды Преобразование объектов
4. Выберите команду Вытянутая бобышка/основание
5. На верхней плоскости лапки, созданной на предыдущем шаге, постройте эскиз окружности диаметром 11 мм.
6. Сделайте вырез на величину 1 мм, использовав команду Вытянутый вырез
7. Постройте круговой массив. Для этого выберите команду Круговой массив
8. Установите вид спереди, в дереве конструирования в качестве плоскости построения эскиза выберите плоскость Спереди, войдите в режим построения эскиза и создайте окружность с размерами, указанными на рисунке.
9. Использовав команду Вытянутый вырез
10. Установите вид слева, в дереве конструирования в качестве плоскости построения эскиза выберите вариант Слева, войдите в режим построения эскиза и создайте прямоугольник с размерами, указанными на рисунке. По завершении выйдите из режима создания эскиза и, использовав командуВытянутый вырез
В результате должна получиться модель корпуса, показанная в начале этого раздела (см. рис. 6.8).
6.8. Пружина
В этом разделе мы создадим трехмерную модель пружины по указанным на чертеже размерам (рис. 6.9).
Рис. 6.9. Чертеж пружины
1. Создайте новый документ, выбрав в качестве типа документа вариант Деталь. Выберите в дереве конструирования плоскость для построения эскиза, щелкнув на пункте Справа, и в появившейся панели щелкните на кнопке Эскиз
2. Для построения спирали выберите команду Геликоид и спираль
3. Постройте объект, показанный на рисунке.
4. Установите вид сверху, щелкнув на кнопке Сверху
5. Выберите команду Вытянутая бобышка/основание
6. Установите вид спереди, щелкнув на кнопке Спереди
7. Используя команду Вытянутый вырез
6.9. Построение ассоциативного чертежа корпуса
В этом разделе мы построим чертеж созданной ранее (см. раздел 6.7) трехмерной модели корпуса.
1. Выберите команду Инструменты —> Параметры, в открывшемся окне перейдите на вкладку Настройки пользователя, выделите пункт Чертежи и сбросьте флажок Отметить все размеры детали/сборки для импорта в чертеж по умолчанию.
2. В том же окне перейдите на вкладку Свойства документа, выделите пункт Оформление и в группе Авто вставить при создании вида расставьте флажки так, как показано на рисунке.
3. На вкладке Расположение вида выберите команду Вид модели
4. Выберите файл модели (если он еще не открыт), щелкните на кнопке Далее, установите переключатель Один вид и выберите вид слева.
5. Укажите мышью положение вида на листе.
6. На месте главного изображения постройте фронтальный разрез. Для этого на инструментальной панели Чертежи выберите команду Разрез
7. Снова вызвав команду Разрез
8. Постройте аксонометрическое изображение модели, вызвав команду Проекционный вид
Для данной детали достаточно главного изображения (разрез) и вида сверху, поэтому вид слева скройте, выделив его и выбрав в контекстном меню команду Скрыть.
9. Окончательно расположите изображения на листе и нанесите необходимые размеры, щелкнув на кнопке Автоматическое нанесение размеров
10. Для создания осевых линий используйте команды Указатель центра
Готовый чертеж корпуса показан на рис. 6.10.
Рис. 6.10. Чертеж корпуса
6.10. Построение ассоциативного чертежа опоры
В этом разделе мы построим чертеж опоры, показанной на рис. 6.11.
Рис. 6.11. Модель опоры
1. На вкладке Расположение вида щелкните на кнопке Вид модели
2. На месте главного изображения постройте фронтальный разрез. Для этого на инструментальной панели Чертежи выберите команду Разрез
3. Вызовите команду Проекционный вид
4. Для возможности нанесения размеров и угла наклона среза основания создайте частичный разрез, для чего нарисуйте линию, перпендикулярную линии среза, и выделите эту линию.
5. После вызова команды Разрез
6. Для создания местного разреза на виде слева по оси отверстий в вертикальной стойке выберите команду Вырыв детали
7. В таком масштабе проставлять размеры отверстия неудобно, поэтому нам потребуется выносной элемент. Выберите команду Местный вид
8. Окончательно расположите изображения на листе. Для создания осевых линий используйте команды Указатель центра
Готовый чертеж опоры показан на рис. 6.12.
Рис. 6.12. Чертеж опоры
Часть III. Моделирование в системе Autodesk Inventor
Глава 7. Общие сведения о системе Autodesk Inventor
Система Autodesk Inventor предназначена для создания твердотельных параметрических моделей деталей, сборок и последующего полуавтоматического выполнения их рабочих и сборочных чертежей, содержащих все необходимые типы изображений.
7.1. Основные типы документов
С помощью Autodesk Inventor можно создавать документы шести типов, включая деталь, сборку, чертеж, презентацию, деталь из тонкостенного материала и сварную деталь.
Деталь — модель изделия, изготавливаемого из однородного материала без применения сборочных операций. Детали хранятся в файлах с расширением .ipt.
Сборка — модель изделия, состоящего из нескольких деталей с заданным взаимным положением. Сборки хранятся в файлах с расширением .iam.
Чертеж — графический документ, содержащий графическое изображение изделия, основную надпись, рамку, иногда дополнительные объекты оформления (технические требования и т.д.). Чертеж Autodesk Inventor может содержать несколько листов заданного пользователем формата. Чертежи хранятся в файлах с расширением .idw, .dwg.
Схема — специальный вид сборки. Основным типом схем являются схемы сборки-разборки. Они иллюстрируют процесс соединения компонентов в сборке. На основе схем можно создавать презентационные ролики, призванные показать последовательность сборки сложного изделия. Схемы хранятся в файлах с расширением .ipn.
Деталь из листового материала в отличие от модели обычной детали содержит специализированные команды моделирования. Сохраняется в том же формате, что и обычная модель изделия (в файлах с расширением .ipt).
Сварная деталь содержит команды моделирования сварных швов. Хранится в формате модели сборки (в файлах с расширением .iam).
7.2. Основные элементы интерфейса
Главная особенность нового интерфейса Autodesk Inventor заключается в том, что команды, ранее располагавшиеся на панелях управления и панелях инструментов, теперь размещаются на вкладках, которые, в свою очередь, расположены на ленте.
Команды создания и модификации эскизов и моделей вызываются при помощи кнопок, расположенных на соответствующих вкладках ленты.
При работе с документом любого типа на экране отображаются панель быстрого доступа, лента и браузер.
Панель быстрого доступа содержит команды Стандартной панели – создания, открытия, сохранения файлов, отмены или повторения изменений в файле (рис. 7.1). На панель быстрого доступа можно добавить любые инструменты.
Рис. 7.1.Панель быстрого доступа
Лента состоит из наборов панелей, размещенных на вкладках, которые имеют названия, соответствующие задачам. Состав вкладок и инструментов зависит от создаваемого типа документа (рис. 7.2, 7.3, 7.4, 7.5).
Рис. 7.2.Состав вкладок и команд ленты в режиме создания/редактирования эскиза
Рис. 7.3. Состав вкладок и команд ленты в режиме создания/редактирования модели
Рис. 7.4. Состав вкладок и команд ленты в режиме создания чертежа
Рис. 7.5. Состав вкладок и команд ленты в режиме оформления чертежа
Браузер описывается в разделе 7.5.
7.3. Использование контекстных меню
Команды для выполнения многих часто используемых действий можно вызывать из контекстных меню. Эти меню появляются на экране при щелчке правой кнопкой мыши. Состав меню разный в различных ситуациях. В нем собраны наиболее типичные для текущего момента работы команды.
Например, в режиме редактирования эскиза при щелчке правой кнопкой мыши на экране появится меню, показанное на рис. 7.6.
Рис. 7.6. Контекстное меню в режиме редактирования эскиза
Таким образом, при выполнении различных действий можно быстро обратиться к нужной команде не только через инструментальные панели, но и через контекстные меню.
7.4. Управление отображением модели
Для управления масштабом отображения модели предназначены инструменты Панели навигации: Видовой куб, Штурвалы, Панорамирование, Инструменты Зуммирования,Инструменты орбиты,Вид грани (рис. 7.7).
Рис. 7.7. Панель навигации
Инструмент навигации Видовой куб (рис. 7.8) предоставляет возможность визуального управления текущей ориентацией модели. Видовой куб позволяет настроить положение камеры для просмотра модели.
Рис. 7.8.Видовой куб
Для изменения ориентации модели в Autodesk Inventor, кроме Видового куба, предусмотрена возможность вращения модели с помощью инструмента Орбита.
Чтобы повернуть модель, зайдите на вкладку Вид —> Навигация или на Панели навигации щелкните на кнопке Орбита
Иногда требуется, чтобы плоскости экрана оказалась параллельна вспомогательная плоскость или плоская грань модели. Чтобы установить такую ориентацию, вызовите команду Вид грани
Совет
Для изменения масштаба отображения объекта удобно вращать колесико мыши, а для его изменения в соответствии с размером экрана достаточно нажать клавишу Home.
Чтобы передвинуть изображение модели в окне, перемещайте мышь при нажатом колесике мыши.
Для вызова команды Орбита удерживайте нажатой клавишу F4.
Для включения режима Вид грани используйте клавишу Page Up.
При работе в Autodesk Inventor доступно несколько режимов отображения модели, для доступа к которым используются команды вкладки Вид —> Вид (рис. 7.9):
• режимы ортогональной и перспективной проекций;
• каркасный режим, режим с невидимыми линиями и тонированный режим;
• режимы без тени, тень на земле и тень от просвечивания;
• переопределение цвета.
Рис. 7.9. Панель Вид вкладки Вид
В режиме ортогональной проекции деталь представляется таким образом, что все ее точки проецируются на экран вдоль параллельных линий
Посредством режима перспективной проекции можно получить еще более реалистичное изображение детали в соответствии с особенностями зрительного восприятия человека. Точка схода перспективы располагается посередине окна детали. Все существующие режимы отображения (каркасный, полутоновый, с невидимыми линиями) можно сочетать с перспективной проекцией
В каркасном режиме отображаются все кромки модели
В режиме с невидимыми линиями (невидимые ребра и части ребер) все кромки модели, которые невозможно увидеть под выбранным углом, отображаются серым цветом, модель становится полупрозрачной
В тонированном режиме выводится закрашенное изображение модели
Какой бы вариант отображения ни был выбран, он не оказывает влияния на свойства модели. Например, при выборе каркасного отображения модель остается сплошной и твердотельной (а не превращается в набор «проволочных ребер»), просто ее поверхность и материал не видны на экране.
7.5. Браузер
При работе с любым документом в Autodesk Inventor на экране кроме рабочей области выводится окно браузера (рис. 7.10).
В окне браузера отображается иерархическая структура деталей, узлов и чертежей активного файла. В браузере детали имеются обозначения, соответствующие началу координат, плоскостям, осям, эскизам, операциям и окончанию построения модели.
Эскиз, задействованный в любой операции, размещается в «ветви» браузера, соответствующей этой операции. Слева от названия операции в браузере отображается знак +. После щелчка мышью на этом знаке разворачивается список участвующих в операции эскизов. Эскизы, не задействованные в операциях, располагаются на верхнем уровне браузера.
Каждый элемент автоматически возникает в браузере сразу после создания. Названия присваиваются элементам также автоматически в зависимости от способа, которым они получены, например: Выдавливание, Вращение, Сопряжение и т.д.
Рис. 7.10.Окно браузера
В детали может существовать множество однотипных элементов. Чтобы различать их, к названию элемента автоматически прибавляется его порядковый номер, например: Выдавливание 1, Выдавливание 2.
Можно переименовать любой элемент в браузере. Для этого необходимо дважды (с паузой) щелкнуть мышью на его названии или выбрать в контекстном меню команду Свойства (после щелчка правой кнопкой мыши на названии элемента). Новое название элемента будет сохранено в браузере.
Слева от названия каждого объекта в браузере выводится пиктограмма, соответствующая способу, которым этот элемент получен. Пиктограмму, в отличие от названия объекта, изменить невозможно. Благодаря этому при любом переименовании элементов в браузере остается наглядная информация о способе и очередности их создания.
Браузер и графическая область динамически связаны. Можно выбирать элементы, эскизы, чертежные виды и вспомогательную геометрию в любой из областей окна.
Можно отключить режим показа браузера. Для этого на вкладке Вид —> Окна —> Пользовательский интерфейс достаточно сбросить галочку у пункта Браузер.
Глава 8. Знакомство с созданием моделей деталей
Программа Autodesk Inventor предназначена для создания трехмерных твердотельных параметрических моделей деталей и сборок с последующей возможностью создания чертежей.
8.1. Общие принципы твердотельного моделирования деталей
В общем случае порядок создания модели корпусной детали ничем не отличается от рассмотренных ранее в главах 2 и 5 и может включать в себя формирование основания, приклеивание и вырезание дополнительных элементов, зеркальное копирование, создание дополнительных конструктивных элементов (рис. 8.1).
а
б
в
г
Рис. 8.1. Этапы создания твердотельной модели детали: а — формирование основания; б — приклеивание дополнительного элемента; в — вырезание дополнительного элемента; г — создание дополнительных конструктивных элементов
Формирование отдельных трехмерных объектов начинается с создания эскиза — плоской фигуры, на основе которой образуется объемное тело. Эскиз может располагаться на одной из плоскостей координат, на плоской грани существующего тела или на вспомогательной плоскости, положение которой задано пользователем. Эскиз изображается на плоскости стандартными средствами двухмерного редактора. После создания эскиза на него накладываются ограничения и проставляются параметрические размеры.
При построении эскиза в системе Autodesk Inventor доступны все команды построения и редактирования изображений, а также сервисные возможности. В эскиз можно перенести изображение из ранее подготовленного чертежа или фрагмента. Это позволяет при создании трехмерной модели опираться на существующую чертежно-конструкторскую документацию.
8.2. Основные операции 3D-моделирования
В системе Autodesk Inventor определены следующие базовые операции создания твердых тел:
Объемные элементы образуются в результате операций — формообразующих перемещений эскизов. В основе операций лежат основные способы создания трехмерных объектов (рис. 8.2).
а
б
в
г
Рис. 8.2. Основные формообразующие операции создания трехмерных объектов: а — выдавливание; б — вращение; в — кинематическая операция; г — операция по сечениям
Построение трехмерной модели детали начинается с анализа ее конструкции. Необходимо внимательно осмотреть деталь, уяснить ее назначение и технологию изготовления, определить название.
При изучении конструкции тщательно анализируется форма детали путем мысленного расчленения ее на простейшие геометрические тела (параллелепипеды, призмы, цилиндры, конусы, торы, кинематические элементы и т.д.) или их части, отдельно наружные поверхности и внутренние. Следует иметь в виду, что любая деталь представляет собой различные сочетания простейших геометрических форм. При этом мелкие конструктивные элементы (фаски, скругления, проточки и т.п.) из рассмотрения на первом этапе исключаются.
После этого приступают к созданию модели основного формообразующего элемента детали. При построении можно использовать любую из четырех перечисленных формообразующих операций.
8.3. Система координат и плоскости проекций
В каждом файле детали существует система координат и проекционные плоскости, определяемые этой системой. Название этих объектов появляется в окне браузера после создания нового файла детали. Окно браузера предоставляет графический интерфейс для управления процессом создания и редактирования модели изделия. Изображение системы координат появляется посередине окна построения модели; чтобы увидеть изображение проекционных плоскостей, нужно выделить их в браузере.
Плоскости на экране выглядят прямоугольными; такое представление позволяет увидеть положение плоскости в пространстве. Иногда, чтобы уяснить положение плоскости, требуется, чтобы символизирующий ее прямоугольник был больше (меньше) или располагался в другом месте плоскости. Поэтому размер и положение прямоугольника можно изменить. Плоскости проекций и систему координат удалить из файла модели невозможно. Их можно переименовать, а также отключить их вывод в окне модели.
В системе Autodesk Inventor при выборе ориентации Изометрия координатные оси и плоскости проекций располагаются так, как показано на рис. 8.3, а. Эта ориентация не совпадает с требованиями ГОСТ 2.319-69 (рис. 8.3, б).
а
б
Рис. 8.3. Ориентация координатных осей и плоскостей проекций: а — в системе Autodesk Inventor; б — по ГОСТ 2.317-69
Положение модели в системе координат таково, что при создании ассоциативного чертежа виды спереди, сверху и слева соответствуют рис. 8.4.
Рис. 8.4. Ориентация ассоциативных видов в системе Autodesk Inventor
8.4. Особенности трехмерного моделирования деталей
При построении эскизов для создания 3D-моделей деталей целесообразно проставлять параметрические размеры, с помощью которых легко изменять геометрию контуров и редактировать твердотельные модели. На рис. 8.5 представлен параметризованный эскиз контура для создания модели уголка.
Рис. 8.5. Параметризованный эскиз контура для создания модели уголка
Важным этапом создания моделей деталей, соединяемых стандартными крепежными изделиями, является выбор параметров отверстий для этих изделий. Для создания круглого отверстия со сложным профилем необходимо использовать команду Отверстие
Рис. 8.6.Диалоговое окно команды Отверстие
Положение отверстия задается в области Размещение.
8.5. Выбор ориентации модели детали
При выполнении чертежа детали необходимо правильно выбрать главное изображение. Согласно ГОСТ 2.305-68, в качестве главного принимается изображение на фронтальной плоскости проекций. Предмет располагают относительно фронтальной плоскости проекций так, чтобы изображение на ней давало наиболее полное представление о форме, размерах и функциональном назначении предмета.
При создании трехмерной модели необходимо осознанно выбрать плоскость построения эскиза. Для создания вида спереди нужно выбирать плоскость построения эскиза, заданную осями OX и OY.
Если в дальнейшем потребуется создать чертеж по модели, полезно просмотреть изображение модели (уже при построении основы детали), выбрав вид спереди или другие виды, чтобы оценить, насколько данный вид соответствует главному изображению детали.
8.6. Создание ассоциативных видов
Трехмерные модели деталей создаются не столько для наглядной визуализации, сколько с целью получения конструкторской документации, в том числе чертежей деталей.
В системе Autodesk Inventor имеется возможность создания ассоциативных чертежей трехмерных деталей. В таких чертежах все виды связаны с моделью так, что изменения в модели приводят к изменению изображения в каждом ассоциативном виде и наоборот.
Ассоциативное изображение формируется на обычном чертеже. В нем создаются выбранные пользователем ассоциативные виды и разрезы (сечения) трехмерной детали. Виды автоматически располагаются в проекционной связи. При необходимости связь можно разорвать — это дает возможность произвольного размещения видов на чертеже.
В системе Autodesk Inventor определены следующие базовые операции создания ассоциативных изображений:
Глава 9. Создание моделей и ассоциативных чертежей деталей
В этой главе описаны этапы создания в системе Autodesk Inventor 3D-моделей восьми деталей, упомянутых во введении к этой книге, и ассоциативного чертежа для одной из моделей. Предыдущие главы 7 и 8 написаны под версию Autodesk Inventor 2010, глава 9 — под Autodesk Inventor 9.
9.1. Изолятор
В этом разделе мы создадим трехмерную модель изолятора, показанную на рис. 9.1.
Рис. 9.1. Модель изолятора
1. Создайте новый документ, выбрав в качестве типа документа вариант Обычный.ipt.
2. Выберите в окне браузера плоскость XY. При необходимости щелкните на кнопке Вид на объект
3. Щелкните на кнопке Эскиз
4. Нажмите клавишу F6 для перехода к изометрическому представлению. Для создания модели на основе построенного эскиза выберите команду Выдавливание
5. В диалоговом окне команды задайте величину выдавливания 20 мм и выберите направление выдавливания.
6. Выберите в окне браузера вариант Плоскость YZ и щелкните на кнопке Вид на объект
7. Выберите команду Выдавливание
В итоге мы должны получить требуемую модель (см. рис. 9.1).
9.2. Вкладыш
В этом разделе мы создадим трехмерную модель вкладыша, показанную на рис. 9.2.
Рис. 9.2. Модель вкладыша
1. Создайте новый документ, выбрав в качестве типа документа вариант Обычный, и в окне браузера выберите плоскость XY. Щелкнув на кнопке Эскиз
2. Выберите команду Выдавливание
3. В диалоговом окне команды задайте величину выдавливания 10 мм и щелкните на кнопке OK.
4. В качестве плоскости построения следующего эскиза выберите плоскость верхнего основания и щелкните на кнопке Эскиз
5. Постройте окружности диаметром 60 и 20 мм, а также горизонтальный отрезок. Вторую окружность диаметром 20 мм постройте относительно построенного отрезка, используя команду Симметрия
6. Выберите команду Обрезать
7. Выделите указанную на рисунке область и выдавите данный контур на 20 мм, используя команду Выдавливание
8. В качестве плоскости построения следующего эскиза выберите плоскость YZ и щелкните на кнопке Эскиз
9. Используя команду Выдавливание
10. В итоге мы получим показанное на рисунке изображение. Выберите указанную на рисунке плоскость для построения следующего эскиза.
11. Изобразите квадрат и вертикальную линию (размеры даны на рисунке). Второй квадрат постройте, использовав команду Симметрия
12. Выдавите этот эскиз на5 мм, используя команду Выдавливание
13. Укажите размеры построенных квадратов.
В результате мы должны получить требуемое изображение (см. рис. 9.2).
9.3. Игольчатый радиатор
В этом разделе мы создадим трехмерную модель игольчатого радиатора, показанную на рис. 9.3.
Рис. 9.3. Модель радиатора
1. Создайте новый документ, выбрав в качестве типа документа вариант Обычный. Выберите в окне браузера плоскость XY. При необходимости, щелкните на кнопке Вид на объект
2. Нажмите клавишу F6 для перехода к изометрическому представлению. Для создания модели на основе построенного эскиза выберите команду Выдавливание
3. В открывшемся диалоговом окне установите параметры согласно рисунку. Задайте величину выдавливания 3 мм. В завершение щелкните на кнопке OK.
4. В качестве плоскости построения следующего эскиза выберите верхнюю плоскость основания и постройте эскиз согласно рисунку.
5. Выполните команду Выдавливание
6. Размножьте иглы, построив прямоугольный массив. Для этого выберите команду Прямоугольный массив
7. Направления построения массива укажите, выделив ребра вдоль осей Y и X.
8. Скройте 5 иголок в центре радиатора, выбрав в контекстном меню окна браузера команду Погасить.
9. Вызовите команду Фаска
В результате мы должны получить требуемую модель (см. рис. 9.3).
9.4. Уголок
В этом разделе мы создадим трехмерную модель уголка, показанную на рис. 9.4.
Рис. 9.4. Модель уголка
1. Создайте новый документ, выбрав в качестве типа документа вариант Обычный. Для построения эскиза выберите в окне браузера плоскость YZ. Постройте эскиз согласно рисунку. Проставьте размеры, используя команду Нанести размер
2. Выберите команду Выдавливание
3. Для построения ребра жесткости выберите торцевую плоскость уголка и постройте эскиз согласно рисунку.
4. Выберите команду Ребро жесткости
5. Выберите направление, как указано на рисунке.
6. Для зеркального отражения ребра выберите команду Симметрия
7. Для построения скруглений выберите команду Сопряжение
8. В целях ознакомления смоделируем отверстие в основании. Для этого вызовите команду Отверстие
9. Путем простановки размеров задайте местоположение центра отверстия.
В результате моделирования мы должны получить требуемую модель (см. рис. 9.4).
9.5. Втулка
В этом разделе мы создадим трехмерную модель втулки, показанную на рис. 9.5.
Рис. 9.5. Модель втулки
1. Создайте новый документ, выбрав в качестве типа документа вариант Обычный. Для построения эскиза выберите в окне браузера плоскость YZ. Постройте эскиз согласно рисунку. Не забудьте обязательно построить осевую линию, относительно которой мы будем создавать тело вращения (при построении отрезка должна быть нажата кнопка Осевая линия
2. Выберите команду Вращение
3. В качестве плоскости построения эскиза выберите торцевую плоскость большего цилиндра и создайте эскиз в виде замкнутого контура согласно рисунку.
4. Выберите команду Выдавливание
5. Постройте круговой массив. Для этого выберите команду Круговой массив
В результате моделирования мы должны получить требуемую модель (см. рис. 9.5).
9.6. Кронштейн
В этом разделе мы создадим трехмерную модель кронштейна, показанную на рис. 9.6.
Рис. 9.6. Модель кронштейна
1. Создайте новый документ, выбрав в качестве типа документа вариант Обычный. Для построения эскиза выберите в окне браузера плоскость XZ. Постройте эскиз согласно рисунку. Проставьте размеры, используя команду Нанести размер
2. Выберите команду Выдавливание
3. Укажите переднюю плоскость модели и выберите команду построения эскиза. Создайте эскиз в виде двух равных по диаметру окружностей. Выделите обе окружности, представленные на рисунке, и назначьте взаимосвязи Касательность
4. Командой Обрезать
5. Вызовите команду Выдавливание
6. Выберите торцевую плоскость основания и создайте прямоугольник с размерами 110×20. Выйдите из режима создания эскиза.
7. Выберите команду Выдавливание
8. В качестве плоскости построения эскиза выберите верхнюю плоскость основания и вызовите команду Отверстие
9. Для построения скруглений выберите команду Сопряжение
10. Для зеркального отражения выберите команду Симметрия
11. Еще раз зеркально отразите полученное (оно показано на рисунке) изображение.
В результате моделирования мы должны получить требуемую модель (см. рис. 9.6).
9.7. Корпус
В этом разделе мы создадим трехмерную модель корпуса, показанную на рис. 9.7.
Рис. 9.7. Модель корпуса
1. Создайте новый документ, выбрав в качестве типа документа вариант Обычный. Для построения эскиза выберите в окне браузера плоскость XZ. Постройте эскиз согласно рисунку. Не забудьте обязательно построить проходящую через начало координат (для удобства) осевую линию, относительно которой будем создавать тело вращения (при построении отрезка должна быть нажата кнопка Осевая линия
2. Выберите команду Вращение
3. Укажите нижнюю плоскость модели и выберите команду построения эскиза. Установите вид сверху и создайте эскиз согласно рисунку. Выйдите из режима создания эскиза.
4. Выберите команду Выдавливание
5. На верхней плоскости созданной на предыдущем шаге лапки создайте эскиз в виде окружности диаметром 11 мм.
6. Выполните вырез на 1 мм, используя команду Выдавливание
7. Постройте скругления величиной 2 мм, используя команду Сопряжение
8. Постройте круговой массив. Для этого выберите команду Круговой массив
9. Выберите в окне браузера плоскость ХZ, войдите в режим построения эскиза и создайте окружность с центром на оси вращения модели и с размерами, указанными на рисунке. Используя команду Выдавливание
10. Выберите в окне браузера плоскость YZ, войдите в режим построения эскиза и создайте прямоугольник с размерами, указанными на рисунке. Для простановки размера 10 (центрирование по вертикали) создайте вспомогательную вертикальную линию, совпадающую с положением оси вращения модели. В завершение выйдите из режима создания эскиза.
11. Используя команду Выдавливание
В результате моделирования мы должны получить требуемую модель (см. рис. 9.7).
9.8. Пружина
В этом разделе мы создадим трехмерную модель пружины согласно имеющимся на чертеже размерам (рис. 9.8).
Рис. 9.8. Чертеж пружины
1. Создайте новый документ, выбрав в качестве типа документа вариант Обычный. Для построения эскиза выберите в окне браузера плоскость YZ. Постройте эскиз согласно рисунку. Не забудьте провести горизонтальную вспомогательную линию на уровне оси пружины. Проставьте размеры, используя команду Нанести размер
2. Выберите команду Пружина
3. Задайте указанные на рисунке параметры на вкладке Размеры.
4. Задайте указанные на рисунке параметры на вкладке Граничные условия. Результат моделирования показан на следующем рисунке.
5. Выберите в окне браузера плоскость YZ, постройте два прямоугольника согласно рисунку. Правая сторона одного из прямоугольников должна проходить через центр окружности сечения.
6. Выберите команду Выдавливание
Результат моделирования представлен на рисунке.
9.9. Построение ассоциативного чертежа кронштейна
В этом разделе мы построим чертеж созданной ранее (см. раздел 9.6) трехмерной модели кронштейна.
1. Создайте новый документ-чертеж. Откройте файл модели (если он еще не открыт) или выберите имя файла в списке Файл на вкладке Компонент диалогового окна Вид чертежа. На инструментальной панели Виды чертежа щелкните на кнопке Главный Вид
2. На месте главного изображения постройте фронтальный разрез. Для этого на инструментальной панели Виды чертежа выберите команду Разрез
3. В том же диалоговом окне можно установить параметры разреза. Разместите изображение разреза на листе (при необходимости измените направление взгляда). Нам требуется отключить вывод названия и масштаба разреза, так как секущая плоскость разреза совпадает с плоскостью симметрии детали. Чтобы скрыть обозначения секущей плоскости, выделите обозначение и на панели слоев отключите видимость слоя Линия разреза.
4. Вызовите команду Проекционный вид
5. Поверните вид сверху на 90°
6. Для расположения вида сверху под главным изображением выделите вид сверху, выберите команду Сервис —> Выровнять виды —> Вертикально и укажите главное изображение. Окончательно расположите изображения на листе. Нанесите необходимые размеры, щелкнув на кнопке Нанести размер
Готовый чертеж кронштейна показан на рис. 9.9.
Рис. 9.9. Чертеж кронштейна
Часть IV. Моделирование в системе AutoCAD
Глава 10. Общие сведения о системе AutoCAD
Система AutoCAD предназначена в основном для создания двухмерных чертежей, но поддерживает также поверхностное и твердотельное моделирование.
10.1. Основные типы документов
Документы AutoCAD хранятся в файлах с расширением .dwg.
Кроме того, в AutoCAD используются следующие расширения файлов:
• .dws — файлы стандартов со стандартными определениями именованных объектов чертежа (можно проверять соответствие стандартам имен слоев, типов линий, текстовых и размерных стилей);
•.dwt — файлы шаблонов с необходимыми параметрами чертежа;
•.dxf — файл чертежа в простом текстовом формате (используется как формат обмена файлами чертежей).
10.2. Основные элементы интерфейса
В AutoCADе теперь есть возможность выбора оформления рабочего пространства. Можно вызвать инструментальную панель Workspaces (Рабочее пространство) либо в строке состояния щелкнуть на кнопке Workspace Switching (Переключение рабочего пространства)
Пункт AutoCAD Classic приведет систему к обычному знакомому пользователям виду, пункт 3D Modeling — к виду, похожему на Microsoft Office 2007, с вкладками на ленте и пиктографическим меню.
Рис. 10.1. Меню выбора оформления рабочего пространства
Команды вызываются из обычного меню, контекстного меню, а также при помощи кнопок на инструментальных панелях.
При работе с документом на экране отображаются строка меню, командная строка, строка состояния и несколько инструментальных панелей: Standard (Стандартная), Properties (Свойства), Layers (Слои), Draw (Рисование) и Modify (Модификация).
Меню системы служит для вызова команд (рис. 10.2). Вызов некоторых из них возможен также с помощью кнопок инструментальных панелей. По умолчанию строка меню располагается в верхней части окна.
Рис. 10.2. Строка меню
При выборе пункта меню открывается доступ к командам этого пункта. Некоторые из команд имеют собственные подменю. Для вызова команды (выполнения соответствующего ей действия) щелкните мышью на ее названии.
В прежних версиях программы широко использовалось экранное меню (рис. 10.3), которое можно применять в качестве альтернативы обычному меню.
Рис. 10.3. Экранное меню
Экранное меню можно вызвать, установив флажок Display screen menu (Показать экранное меню) на вкладке Display (Экран) диалогового окна, открываемого командой Tools —> Options (Инструменты —> Параметры).
Стандартная панель содержит кнопки вызова команд стандартных операций для работы с файлами и объектами, команды изменения масштаба отображения объектов на экране и команды вызова панелей свойств, дизайн-центра и др. (рис. 10.4).
Рис. 10.4. Стандартная панель
Панель Layers (Слои) содержит кнопку вызова диалогового окна настройки и создания слоев, а также список слоев чертежа (рис. 10.5).
Рис. 10.5. Панель слоев
Панель Properties (Свойства) содержит списки свойств объектов чертежа: цвет, тип линии, толщина линии (рис. 10.6).
Рис. 10.6. Панель свойств
В командной строке выводятся запросы и сообщения (рис. 10.7). Командная строка предназначена для ввода или выбора пользователем команд AutoCAD. Для ввода команд или выбора параметров текущей команды можно применять горячие клавиши (подчеркнутый символ в названии параметра). Для просмотра списка всех действий пользователя нажмите клавишу F2.
Рис. 10.7. Командная строка
Строка состояния располагается в нижней части экрана (рис. 10.8). Слева выводятся текущие координаты положения курсора, в средней части — кнопки вспомогательных режимов: Snap (Шаг), Grid (Сетка), Ortho (Ортогональное рисование), Polar Tracking (Полярное отслеживание), Object Snap (Объектная привязка), Object Snap Tracking (Объектное отслеживание), Allow/Disallow Dynamic UCS (Динамическое изменения пользовательской системы координат), Dynamic Input (Динамическое отображение ввода), Show/Hide Lineweight (Вес/Ширина элементов чертежа), Quick Properties (Быстрые свойства), MODEL (Модель) и др.
Рис. 10.8. Строка состояния
Для включения/выключения некоторых вспомогательных режимов можно применять клавиатурные сокращения:
•Snap (Шаг) — F9;
•Grid (Сетка) — F7;
•Ortho (Ортогональное рисование) — F8;
•Polar Tracking (Полярное отслеживание) — F10;
•Object Snap (Объектная привязка) — F3;
•Object Snap Tracking (Объектное отслеживание) — F11.
Пользователь может изменять состав меню и инструментальных панелей, а также создавать собственные панели. Для вызова диалогового окна (рис. 10.9), позволяющего произвести эту настройку, служит команда Tools —> Customize —> Interface (Инструменты —> Настройка —> Интерфейс).
Рис. 10.9. Диалоговое окно настройки интерфейса
Панель Draw (Рисование) служит для создания двухмерных примитивов (рис. 10.10).
Рис. 10.10. Панель рисования
Панель Modify (Модификация) предназначена для редактирования примитивов (рис. 10.11).
Рис. 10.11. Панель модификации
С помощью панели Modeling (Моделирование), показанной на рис. 10.12, можно создавать трехмерные примитивы и трехмерные объекты на основе эскизов (сечений).
Рис. 10.12. Панель моделирования
10.3. Использование контекстных меню
Команды для выполнения многих часто используемых действий можно вызвать из контекстного меню. Это меню появляется на экране при щелчке правой кнопкой мыши. Состав меню разный для различных ситуаций. В нем собраны наиболее типичные для текущего момента работы команды.
Например, в состоянии ожидания при щелчке правой кнопкой мыши на графической области появляется меню, показанное на рис. 10.13.
Таким образом, при выполнении различных действий можно быстро обратиться к нужной команде не только через строку меню или инструментальные панели, но и через контекстное меню.
Функции правой кнопки мыши можно настроить на вкладке User preferences (Пользовательские предпочтения) в диалоговом окне, которое вызывается командой Tools —> Options (Инструменты —> Параметры). Для этого предназначены флажок Shortcut menus in drawing area (Контекстное меню в области рисования) и кнопка Right-click Customization (Правая кнопка мыши).
В AutoCAD есть возможность выполнять привязку к характерным точкам построенных объектов. Такой режим называется объектной привязкой (object snap, или сокращенно OSNAP). Существует две разновидности привязки: разовая и постоянная.
Разовая объектная привязка позволяет в текущий момент привязаться к точке построенного объекта. Для этого надо нажать клавишу Shift и, удерживая ее, щелкнуть правой кнопкой мыши, после чего появится контекстное меню, в котором можно выбрать способ привязки (рис. 10.14).
Рис. 10.13. Контекстное меню в состоянии ожидания
Рис. 10.14. Контекстное меню для выбора способа разовой объектной привязки
Постоянная объектная привязка настраивается в диалоговом окне (рис. 10.15), вызываемом командой Tools —> Drafting Settings —> Object Snap (Инструменты —> Параметры чертежа —> Объектная привязка).
Рис. 10.15. Диалоговое окно настройки режимов объектной привязки
10.4. Управление масштабом, сдвигом изображения и поворотом модели
Для управления масштабом изображения модели предназначены команды Window (Рамка), Dynamic (Динамическое изменение масштаба), Scale (Масштабировать), Center (Центр), Object (Объект), In (Увеличить), Out (Уменьшить), All (Все), Extents (До границ). Эти команды — в подменю Zoom (Масштаб) меню View (Вид), а кнопки для их быстрого вызова — на панели Zoom (Масштаб), которая показана на рис. 10.16.
Рис. 10.16. Панель управления масштабом изображения
Чтобы передвинуть изображение в окне, нажмите колесо мыши и перемещайте мышь. Можно также вызвать команду Pan (Панорамирование)
При создании модели может возникнуть необходимость посмотреть не нее с разных сторон. Для этого в AutoCAD предусмотрена возможность вращения модели. Чтобы повернуть модель, вызовите команду View —> Orbit или щелкните на нужной кнопке панели Orbit (рис. 10.17).
Рис. 10.17. Панель инструментов Orbit
СОВЕТ
Для поворота модели удобно перемещать мышь, удерживая клавишу Shift и колесико мыши, а для изменения масштаба отображения объекта можно вращать колесико мыши.
10.5. Управление ориентацией рисунка
Для изменения ориентации рисунка в AutoCAD можно воспользоваться командой View —> 3DViews (Вид —> 3D-Вид) или вызвать панель View (Вид).
Панель View (Вид) содержит кнопки вызова команд выбора одного из шести основных стандартных видов, а также четыре варианта прямоугольной изометрии с разными направлениями взгляда (рис. 10.18).
Рис. 10.18. Панель выбора вида
Следует помнить, что в AutoCADе всегда создают объект в плоскости XY. Для изменения положения этой плоскости в глобальной системе координат существуют команды, вызываемые из подменю Tools —> New UCS (Инструменты —> Новая пользовательская система координат) или с помощью кнопок соответствующей панели инструментов (рис. 10.19).
Рис. 10.19. Панель UCS
10.6. Управление режимом отображения детали
При работе в AutoCAD доступно несколько вариантов отображения модели: каркасное представление, с показом невидимых линий, со скрытыми невидимыми линиями, закрашенное с кромками и закрашенное. Чтобы выбрать вариант отображения, используются команды подменю View —> Visual Styles (Вид —> Стиль визуализации) или кнопки соответствующей панели (рис. 10.20).
Рис. 10.20. Панель стилей визуализации
Рис. 10.21. Окно менеджера стилей визуализации
Вот список доступных стилей визуализации:
•Двухмерное каркасное представление (2D Wireframe) — отображаются все кромки модели. Растровые объекты, объекты OLE, типы линий и значения толщины линий видимы.
•Трехмерное каркасное представление (3D Wireframe) — отображаются все кромки модели.
•Невидимые линии скрыты (3D Hidden) — все кромки модели, которые невозможно увидеть под выбранным углом, не отображаются.
•Реалистичное представление (Realistic) — выводится закрашенное изображение модели со сглаженными краями между гранями. Отображаются материалы, назначенные объектам.
•Закрашенное представление (Conceptual) — выводится закрашенное изображение модели. Переход между холодными и теплыми цветами выглядит как переход между темным и светлым. Эффект менее реалистичен, но он может сделать детали объекта более различимыми.
Последняя кнопка служит для вызова менеджера стилей визуализации (Manager Visual Styles), окно которого показано на рис. 10.21.
Глава 11. Основы моделирования в системе AutoCAD
Система AutoCAD позволяет создавать как простейшие примитивы, так и сложные поверхности, твердые тела. Базовые типы пространственных моделей, используемых в CAD-системах, можно условно разделить на три группы:
• каркасные модели;
• поверхностные модели;
• твердотельные модели.
Каркасная модель — это совокупность двухмерных примитивов в трехмерном пространстве, определяющих ребра фигуры. Каркасная модель полностью описывает размеры объекта во всех трех измерениях. Поверхности объекта (грани) не определены! Каркасное моделирование удобно применять для объектов с плоскими или простыми криволинейными поверхностями в качестве этапа вспомогательных построений для трехмерного проектирования более высокого уровня.
Поверхностная модель — это совокупность поверхностей, ограничивающих и определяющих трехмерный объект в пространстве. В AutoCAD поверхность строится путем определения ее ребер. В качестве основы для создания поверхности часто используется каркасная модель. Моделирование поверхностей применяется для детальной отработки внешней формы изделия. Поверхностная модель непригодна для решения таких задач, как определение инерционно-массовых характеристик изделия или получение необходимых изображений для оформления чертежей. Область применения данного вида моделирования — дизайн, решение задач компоновки сложных изделий и т.п.
Твердотельное моделирование является основным видом трехмерного проектирования изделий машиностроения. Создаваемые тела воспринимаются системой как некие единые объекты, имеющие определенный объем. Твердотельное моделирование позволяет не только эффективно решать компоновочные задачи, но и определять инерционно-массовые характеристики, а также получать с пространственного объекта необходимые виды, разрезы и сечения для оформления рабочей документации.
К сожалению, система AutoCAD во многом проигрывает в удобстве трехмерного моделирования другим системам, рассматриваемым в данной книге. Например, в AutoCAD отсутствует дерево построения, в связи с чем возникают сложности при построении и редактировании моделей; менее удобно задавать положение двухмерных примитивов относительно существующих элементов для последующих трехмерных операций и пр.
11.1. Общие принципы твердотельного моделирования деталей
В общем случае порядок создания модели корпусной детали включает в себя формирование основания, создание дополнительных элементов, применение булевых операций для приклеивания или вырезания дополнительных элементов, построение зеркальной копии, создание дополнительных конструктивных элементов. Например, вот как выглядит процедура создания кронштейна:
1. Формирование основания (рис. 11.1, а).
2. Создание дополнительных конструктивных элементов (рис. 11.1, б).
3. Создание дополнительного элемента (рис. 11.1, в).
4. Вычитание элемента для получения отверстия (рис. 11.1, г).
5. Создание дополнительного элемента (рис. 11.1, д).
6. Вычитание элемента для получения выреза (рис. 11.1, е).
7. Зеркальное отражение объекта (рис. 11.1, ж).
8. Еще одно зеркальное отражение объекта (рис. 11.1, з).
а
б
в
г
д
е
ж
з
Рис. 11.1. Этапы создания твердотельной модели детали
11.2. Основные операции 3D-моделирования
В системе AutoCAD определены следующие базовые операции создания твердых тел:
В отличие от остальных CAD-систем, в AutoCAD нет понятия эскиза, на основе которого образуется объемное тело.
Трехмерный объект строится из простейших трехмерных геометрических примитивов (параллелепипед, цилиндр, конус, шар…) с последующим применением булевых операций объединения, вычитания, пересечения. Также есть возможность использовать поверхностное моделирование для создания более сложных по конфигурации поверхностей. И наконец, можно создать некий контур и применить к нему одну из четырех формообразующих операций (рис. 11.2). Контур должен быть либо замкнутым и построенным с помощью команды Pline (Полилиния), либо объединенным с помощью команды Region (Область), в противном случае создается оболочка.
а
б
в
г
Рис. 11.2. Основные формообразующие операции создания трехмерных объектов: а —выдавливание; б — вращение; в — кинематическая операция; г — операция по сечениям
Построение трехмерной модели детали начинается с анализа ее конструкции. Необходимо внимательно осмотреть деталь, уяснить ее назначение, технологию изготовления, определить название.
При изучении конструкции тщательно анализируется форма детали путем мысленного расчленения ее на простейшие геометрические тела (параллелепипеды, призмы, цилиндры, конусы, торы, кинематические элементы и т.д.) или их части, отдельно рассматриваются наружные и внутренние поверхности. Следует иметь в виду, что любая деталь представляет собой различные сочетания простейших геометрических форм. При этом мелкие конструктивные элементы (фаски, скругления, проточки и т.п.) из рассмотрения на первом этапе исключаются.
После этого приступают к созданию модели основного формообразующего элемента детали. При построении можно использовать любую из четырех перечисленных формообразующих операций и дополнительно применять булевы операции.
11.3. Система координат и плоскости проекций
AutoCAD поддерживает два вида систем координат: мировую систему координат WCS (МСК) и пользовательскую систему координат UCS (ПСК). Мировая система координат существует всегда, ее невозможно удалить и изменить. Пользователь может создать и сохранить несколько пользовательских систем координат, позволяющих упростить конструирование модели. Активной может быть только одна система координат. В программе AutoCAD МСК имеет ориентацию, при которой плоскость XOY горизонтальна, а координата Z соответствует высоте. Пользователь создает ПСК и согласует ее плоскость XOY с поверхностью объекта.
Часто на практике проще только задавать координаты X и Y относительно заданной плоскость объекта, чем вычислять значения X, Y, Z в мировой системе координат.
Изображение системы координат появляется в левом нижнем углу графической области; построение плоских объектов с различной ориентацией в пространстве достигается выбором на панели View (Вид) разных проекционных видов из шести основных: спереди, сзади, слева, справа, сверху, снизу. После этого система координат (плоскость XOY) становится параллельной выбранной плоскости проекций.
При построении как двухмерных, так и трехмерных объектов приходится активно пользоваться параметрами команды создания пользовательской системы координат для переноса начала координат в какую-либо точку Origin
Рис. 11.3. Панель параметров команды создания пользовательской системы координат
В системе AutoCAD чаще всего используют декартову или полярную систему координат (есть еще сферическая и цилиндрическая), причем координаты могут быть абсолютными и относительными.
В декартовой системе координат вводятся значения по осям X, Y, Z, разделенные запятыми без пробелов, например, 0,0,0 — точка, совпадающая с началом координат. В полярной системе координат вводят длину и угол наклона, разделенные знаком меньше, например, 20<45 — это длина 20 от начала координат, а угол наклона от оси X составляет 45°
ПРИМЕЧАНИЕ
Если построение идет в плоскости XOY, то координату по оси Z можно опустить. Дробная часть отделяется от целой точкой. По умолчанию углы в AutoCAD отсчитываются от горизонтали с положительным направлением против часовой стрелки.
Абсолютные координаты измеряются от начала координат МСК, относительные — от последней (предыдущей) точки.
Относительные координаты начинаются со знака @. Например, декартовы координаты точки, расположенной на расстоянии 7,2 мм по оси X и 23,4 мм по оси Y от предыдущей точки, запишутся так: @7.2,23.4. Координаты точки, удаленной от предыдущей на 55,5 мм и расположенной под углом 35° относительно оси X, запишутся так: @55.5<35.
11.4. Особенности трехмерного моделирования деталей
К сожалению, в системе AutoCAD нет дерева построения, в котором прописываются все операции, производимые с моделью, в результате нет возможности вернуться и отредактировать предыдущие действия, не отменив последующие.
Можно отменить действия командой Undo и вернуться к моменту работы, предшествующему неверному шагу, а затем заново выполнить отмененные действия. Однако при этом может пропасть и полезная часть работы.
Основной способ редактирования модели — применение команд редактирования, собранных в подменю Modify —> Solid Editing (Модификация —> Редактирование тел) и на соответствующей инструментальной панели (рис. 11.4).
Рис. 11.4. Панель команд редактирования тел
11.5. Выбор ориентации модели детали
При выполнении чертежа детали необходимо правильно выбрать главное изображение. Согласно ГОСТ 2.305-68, в качестве главного принимается изображение на фронтальной плоскости проекций. Предмет располагают относительно фронтальной плоскости проекций так, чтобы изображение на ней давало наиболее полное представление о форме, размерах и функциональном назначении предмета.
При создании трехмерной модели необходимо осознанно выбрать плоскость построения эскиза. В отличии от других CAD-систем, в AutoCAD главное изображение всегда начинают строить в текущем виде спереди.
11.6. Создание ассоциативных видов
Трехмерные модели деталей создаются не столько для наглядной визуализации, сколько с целью получения конструкторской документации, в том числе чертежей деталей.
В системе AutoCAD имеется возможность создания ассоциативных чертежей трехмерных деталей. В таких чертежах все виды связаны с моделью так, что изменения в модели приводят к изменению изображения в каждом ассоциативном виде (до использования команды окончательного формирования чертежа — Soldraw
Ассоциативное изображение формируется на вкладке Layout (Лист) с использованием команды Solview
В системе AutoCAD доступны следующие параметры команды Solview, предназначенные для создания ассоциативных изображений:
•Ucs — создание вида, представляющего собой проекцию модели на плоскость XOY ПСК;
•Ortho — создание ортогональной проекции на основе имеющегося вида путем проецирования модели в направлении, перпендикулярном выбранной пользователем границы видового экрана;
•Auxiliary — создание дополнительного вида путем проецирования модели на плоскость, расположенную под углом к координатным плоскостям ПСК;
•Section — создание разреза или сечения.
Глава 12. Создание моделей и ассоциативных чертежей деталей
В этой главе описаны этапы создания в системе Autodesk Inventor 3D-моделей деталей, упомянутых во введении к этой книге, и ассоциативного чертежа для одной из моделей.
12.1. Изолятор
В этом разделе мы создадим трехмерную модель изолятора, показанную на рис. 12.1.
Рис. 12.1. Модель изолятора
1. Установите вид сверху, выбрав команду View —> 3D Views —> Top или щелкнув на кнопке Top
2. Используя команду Draw —> Circle —> Center, Radius
3. Зеркально отразите внутреннюю окружность. Для этого выберите команду Modify —> Mirror или щелкните на кнопке
4. Для удобства установите аксонометрический вид, щелкнув на кнопке View —> 3D Views —> SW Isometric
5. Установите текущим вид слева, щелкнув на кнопке Left
6. Установите текущим вид сверху. Переместите все три параллелепипеда так, чтобы они перекрывали цилиндр. Для этого выделите параллелепипеды, выберите команду Move
В итоге мы должны получить требуемую модель (см. рис. 12.1).
12.2. Вкладыш
В этом разделе мы создадим трехмерную модель вкладыша, показанную на рис. 12.2.
Рис. 12.2. Модель вкладыша
1. Установите вид сверху, выбрав команду View —> 3D Views —> Top или щелкнув на кнопке Top
2. Выберите на панели инструментов Modeling команду Presspull
3. Установите вид сверху, выбрав команду View —> 3D Views —> Top, и постройте две окружности с координатами центра 0,0 и радиусами 40 и 30 мм. Затем постройте еще две окружности с координатами центра 0,25 и 0,–25 и радиусом 10 мм.
4. Выберите команду Modify —> Trim
5. Установите аксонометрический вид командой View —> 3D Views —> SW Isometric
6. Выберите команду Draw —> Region
7. Выберите команду Draw —> Modeling —> Extrude
8. Выберите команду Modify —> Solid Editing —> Subtract
9. Перенесите начало координат. Для этого вызовите команду Tools —> New UCS —> Origin
ling —> Box. Выберите способ построения путем задания положения центра:
Specify first corner or [Center]: c
Задайте координату центра:
Specify center: 22.5,0
Создайте куб:
Specify corner or [Cube/Length]: c
Задайте длину стороны:
Specify length: 10
10. Выберите команду Modify —> 3D Operations —> 3D Mirror для создания копии параллелепипеда, выделите построенный куб и выйдите из режима выбора. Выберите плоскость YZ для зеркального отражения:
Specify first point of mirror
plane (3 points) or [Object/Last
/Zaxis/View/XY/YZ/ZX/3points]
<3points>: yz
Согласитесь с положением этой плоскости, проходящей через начало координат
Specify point on YZ plane <0,0,0>:
Создайте объект, не удаляя копируемый объект:
Delete source objects? [Yes/No] <N>: N
11. Выполните команду вычитания из модели двух параллелепипедов: Modify —> Solid Editing —> Subtract.
12. Установите вид слева, выбрав команду View —> 3D Views —> Left, и перенесите начало координат. Для этого вызовите команду Tools —> New UCS —> Origin и с привязкой Midpoint укажите среднюю точку полукруглого выступа.
13. Постройте параллелепипед, выбрав команду Draw —> Modeling —> Box. Задайте первый угол с координатами 0,0, второй — с координатами 30,–10. Длину задайте 100 мм. Установите вид сверху.
14. Переместите параллелепипед вдоль оси Х на 45 мм, вызвав команду Modify —> Move. Выделите параллелепипед, задайте базовую точку с привязкой к любой его характерной точке (например, вершине) и переместите его мышью с включенным режимом OTRACK (должна появиться пунктирная линия вдоль оси X) на заданную величину, введенную с клавиатуры. В завершение командой Modify —> Solid Editing —> Subtract выполните вычитания параллелепипеда из модели.
В итоге мы должны получить требуемую модель (см. рис. 12.2).
12.3. Радиатор игольчатый
В этом разделе мы создадим трехмерную модель игольчатого радиатора, показанную на рис. 12.3.
Рис. 12.3. Модель радиатора
1. Установите вид сверху, выбрав команду View —> 3D Views —> Top или щелкнув на кнопке Top
точки прямоугольника. Используя команду Draw —> Circle —> Center, Radius
2. Для удобства установите аксонометрический вид, щелкнув на кнопке View —> 3D Views —> SW Isometric
3. Перенесите начало координат в верхнюю плоскость основания, используя команду Tools —> New UCS —> Origin
Specify new origin point <0,0,0>: 0,0,3
4. Постройте окружность с координатами центра X = 2,5, Y = 10 и диаметром 3 мм.
5. Выберите команду Draw —> Modeling —> Extrude
Specify height of extrusion or
[Direction/Path/Taper angle]
<15.0000>: t
Укажите угол 1°:
Specify angle of taper
for extrusion <1>:
Задайте величину выдавливания 15 мм:
Specify height of extrusion or
[Direction/Path/Taper angle]
<15.0000>:
6. Для создания прямоугольного массива выберите командуModify-Array
7. Удалите 5 иголок в центре радиатора, как показано на рисунке. Используя команду Modify —> Solid Editing —> Union
В итоге мы должны получить требуемую модель (см. рис. 12.3).
12.4. Уголок
В этом разделе мы создадим трехмерную модель уголка, показанную на рис. 12.4.
Рис. 12.4. Модель уголка
1. Установите вид спереди, выбрав команду View —> 3D Views —> Front или щелкнув на кнопке Front
2. Скруглите радиусом 5 мм внутренний угол, вызвав команду Modify —> Fillet
3. Для удобства установите аксонометрический вид, щелкнув на кнопке View —> 3D Views —> SW Isometric
4. Установите вид спереди, щелкнув на кнопке
5. Выберите команду Draw —> Modeling —> Extrude
6. Зеркально отразите построенную окружность, выбрав команду Modify —> 3D Operations —> 3D Mirror. Для этого выделите ребро, выйдите из режима выбора, щелкнув правой кнопкой мыши, и с привязкой Midpoint задайте положение плоскости зеркального отражения тремя точками — средними точками на ребрах горизонтального и вертикального оснований модели. Подтвердите необходимость построения нового объекта без удаления копируемого.
7. Объедините все три элемента командой Modify —> Solid Editing —> Union
8. Используя команду Modify —> Fillet
9. Установите вид сверху, щелкнув на кнопке
10. Выберите команду Modify —> Solid Editing —> Subtract
В итоге мы должны получить требуемую модель (см. рис. 12.4).
12.5. Втулка
В этом разделе мы создадим трехмерную модель втулки, показанную на рис. 12.5.
Рис. 12.5. Модель втулки
1. Установите вид справа, выбрав команду View —> 3D Views —> Right или щелкнув на кнопке Right
2. Для удобства установите аксонометрический вид, щелкнув на кнопке View —> 3D Views —> NE Isometric
3. Установите вид спереди, щелкнув на кнопке
4. Установите аксонометрический вид, щелкнув на кнопке View —> 3D Views —> NE Isometric
5. Установите вид спереди. С помощью команды Draw —> Array
выделите щелчком левой кнопки мыши тело вращения, выйдите из режима выбора, щелкнув правой кнопкой мыши, и укажите вычитаемые объекты. Для этого выделите все объекты рамкой и, нажав клавишу Shift, уберите из выделения тело вращения. Завершите выполнение команды, щелкнув правой кнопкой мыши. Так моделируется рифление на поверхности вращения.
В итоге мы должны получить требуемую модель (см. рис. 12.5).
12.6. Кронштейн
В этом разделе мы создадим трехмерную модель кронштейна, показанную на рис. 12.6.
Рис. 12.6. Модель кронштейна
1. Установите вид спереди, выбрав команду View —> 3D Views —> Front или щелкнув на кнопке Front
2. Чтобы весь контур воспринимался как один объект, выберите команду Draw —> Boundary и щелкните левой кнопкой мыши внутри контура.
3. Для удобства установите аксонометрический вид, щелкнув на кнопке View —> 3D Views —> SE Isometric
4. Установите вид спереди, после чего создайте четыре дуги (две радиусом 10 мм и две радиусом 15 мм) и три отрезка. Затем выберите команду Modify —> Object —> Polyline и объедините построенные примитивы в одну полилинию. Для этого используйте параметр Join (объединить):
Command: _pedit Select polyline or
[Multiple]:
Object selected is not a polyline
Do you want to turn it into one? <Y>
Здесь подтвердите преобразование в полилинию.
Enter an option [Close/Join/Width/Edit
vertex/Fit/Spline/Decurve/Ltype
gen/Reverse/Undo]: j
Select objects:
Здесь выделите все примитивы.
6 segments added to polyline
А теперь завершите выполнение команды.
Enter an option [Open/Join/Width/Edit
vertex/Fit/Spline/Decurve/Ltype
gen/Reverse/Undo]:
Подтвердите выход из команды.
5. Так как окружности радиусом 15 мм соединяются в одной точке с вертикальным сегментом, переместите с помощью маркеров точку их соединения немного вправо (как на рисунке). В противном случае из-за самопересечения контура нельзя будет применить трехмерную операцию выдавливания!
6. Установите аксонометрический вид, щелкнув на кнопке View —> 3D Views —> SE Isometric
7. Установите вид справа, затем командой UCS —> Origin
8. Установите вид сверху. Используя вспомогательные режимы Object Snap и Object Snap Tracking, постройте цилиндр (Draw —> Modeling —> Cylinder) с центром в середине ножки, радиусом 5 мм и высотой не менее 10 мм (например, 20 мм).
9. Установив вид спереди, переместите цилиндр, используя команду Modify —> Move так, чтобы он выступал с обеих сторон основания.
10. Используя команду Modify —> Solid Editing —> Subtract
11. Создайте зеркальную копию, используя команду Modify —> 3D Operations —> 3D Mirror. Для этого выберите объект копирования (всю модель), выйдите из режима выбора и задайте плоскость зеркального отражения тремя точками, например, как показано на рисунке, без удаления копируемого объекта:
Command: _mirror3d
Select objects: 1 found
Выберите модель.
Select objects:
Выйдите из режима выбора.
Specify first point of mirror plane
(3 points) or [Object/Last/Zaxis/
View/XY/YZ/ZX/3points] <3points>:
Укажите три точки, задающие плоскость.
Specify second point on mirror plane:
Specify third point on mirror plane:
Delete source objects? [Yes/No] <N>:
В завершение объедините оба объекта командой Modify —> Solid Editing —> Union и создайте зеркальную копию относительно плоскости YZ, проходящей через точку с координатами 0,0.
В итоге мы должны получить требуемую модель (см. рис. 12.6).
12.7. Корпус
В этом разделе мы создадим трехмерную модель корпуса, показанную на рис. 12.7.
Рис. 12.7. Модель корпуса
1. Установите вид спереди, выбрав команду View —> 3D Views —> Front или щелкнув на кнопке Front
2. Для удобства установите аксонометрический вид, щелкнув на кнопке View —> 3D Views —> SE Isometric
3. Щелкнув на кнопке Top
4. Установите аксонометрический вид, щелкнув на кнопке View —> 3D Views —> SE Isometric
5. Перенесите начало координат, используя команду Tools —> New UCS —> Origin
6. Командой Extrude
7. Для построения кругового массива выберите команду Draw —> Array
8. Чтобы построить скругления, выберите команду Modify —> Fillet, выделите указанные элементы (пересечение боковых поверхностей лапок с основной моделью) и задайте радиус 2 мм.
9. Установите вид спереди, щелкнув на кнопке Front
10. Сместите цилиндр вдоль оси так, чтобы он полностью пересекал модель корпуса.
11. Командой Modify —> Solid Editing —> Subtract
12. Установите вид слева, щелкнув на кнопке Left
13. Командой Modify —> Solid Editing —> Subtract
В итоге мы должны получить требуемую модель (см. рис. 12.7).
12.8. Пружина
В этом разделе мы создадим трехмерную модель пружины согласно размерам, указанным на рис. 12.8.
Рис. 12.8. Чертеж пружины
1. Установите вид спереди и для построения спирали выберите команду Helix
Command: _Helix
Number of turns = 3.0000 Twist=CCW
Введите координаты начальной точки центра:
Specify center point of base: 0,0,0
Specify base radius or [Diameter]
<1.0000>: d
Задайте диаметр цилиндра в начальной точке:
Specify diameter <2.0000>: 25
Диаметр цилиндра в конечной точке такой же:
Specify top radius or [Diameter]
<12.5000>:
Specify helix height or [Axis
endpoint/Turns/turn Height/tWist]
<1.0000>: t
Задайте количество витков:
Enter number of turns <3.0000>: 10
Specify helix height or [Axis
endpoint/Turns/turn Height/tWist]
<1.0000>: h
Задайте расстояние между витками (шаг):
Specify distance between turns
<0.2500>: 4
2. Установите вид сверху и постройте в любом месте пространства модели окружность (сечение пружины) диаметром 2 мм.
3. Для удобства установите аксонометрический вид, щелкнув на кнопке View —> 3D Views —> SE Isometric
Command: _sweep
Current wire frame density: ISOLINES=4
Select objects to sweep: 1 found
Выделите окружность сечения:
Select objects to sweep:
Выйдите из режима выбора (щелкнув правой кнопкой мыши).
Select sweep path or
[Alignment/Base point/Scale/Twist]:
Укажите спираль.
4. Выберите вид справа и с помощью команды Draw —> Modeling —> Box
5. Командой Copy
6. Установите вид спереди, переместите оба параллелепипеда так, чтобы они полностью пересекали пружину, и задайте аксонометрический вид, щелкнув на кнопке View —> 3D Views —> SE Isometric
7. Командой Modify —> Solid Editing —> Subtract
12.9. Построение ассоциативного чертежа вкладыша
В этом разделе мы построим чертеж созданной нами ранее (см. раздел 12.2) трехмерной модели вкладыша.
1. Откройте файл модели вкладыша, затем перейдите на вкладку Layout1, выделите и удалите видовое окно (щелкнув на рамке окна), после чего выберите команду Draw —> Modeling —> Setup —> View
Command: _solview
Постройте вид сверху, выбрав параметр построения первого вида U (от UCS):
Enter an option
[Ucs/Ortho/Auxiliary/Section]: U
В мировой системе координат — W (от World):
Enter an option [Named/World/?/Current]
<Current>: W
Укажите масштаб 1:
Enter view scale <1>:
Задайте положение центра вида на листе:
Specify view center:
Specify view center <specify
viewport>:
Обведите изображение рамкой видового окна:
Specify first corner of viewport:
Specify opposite corner of viewport:
Задайте название вида — top:
Enter view name: top
2. Не завершая работу команды, задайте параметр построения разреза — S (от Section):
Enter an option
[Ucs/Ortho/Auxiliary/Section]: S
Укажите плоскость разреза в виде горизонтальной линии с привязкой к квадранту окружности:
Specify first point of cutting plane:
_qua of
Specify second point of cutting plane:
Укажите сторону взгляда для построения изображения (под линией разреза, как показано на рисунке):
Specify side to view from:
3. Согласитесь с масштабом 1:
Enter view scale <1>:
Задайте положение центра нового изображения на листе:
Specify view center:
Specify view center <specify viewport>:
Обведите изображение рамкой видового окна:
Specify first corner of viewport:
Specify opposite corner of viewport:
Задайте название представленного на рисунке изображения — front:
Enter view name: front
4. Постройте вид слева. Для этого, не завершая работу команды, задайте параметр Ortho:
Enter an option
[Ucs/Ortho/Auxiliary/Section]: O
Укажите левую границу видового экрана показанного на рисунке вида front:
Specify side of viewport to project:
Задайте положение центра нового изображения на листе:
Specify view center:
Specify view center <specify viewport>:
Обведите изображение рамкой видового окна:
Specify first corner of viewport:
Specify opposite corner of viewport:
5. Задайте название представленного на рисунке изображения — left:
Enter view name: left
6. Для вставки аксонометрического изображения задайте параметр UCS:
Enter an option
[Ucs/Ortho/Auxiliary/Section]: U
В мировой системе координат — World:
Enter an option
[Named/World/?/Current] <Current>: W
Согласитесь с масштабом 1:
Enter view scale <1>:
Задайте положение центра вида на листе:
Specify view center:
Specify view center <specify viewport>:
Обведите изображение рамкой видового окна:
Specify first corner of viewport:
Specify opposite corner of viewport:
Задайте название вида
Enter view name: aks
Завершите работу команды.
Так как сейчас вставлено изображение вида сверху, выделите рамку построенного видового окна, щелкните на кнопке Paper
7. Для окончательно формирования изображений вызовите команду Draw —> Modeling —> Setup —> Drawing
8. Для выреза четверти на аксонометрическом изображении войдите в пространство модели, перейдя на вкладку Model, установите вид сверху и командой Draw —> Modeling —> Box
9. Войдите в пространство листа, перейдя на вкладку Layout1, щелкните на кнопкеModel
10. Настройте текстовые и размерные стили, нанесите необходимые размеры. Для этого в списке слоев выберите в качестве текущего соответствующий каждому построенному изображению слой с префиксом DIM и в этом слое создавайте размеры текущего вида. Отключите видимость слоев с префиксом HID, чтобы не отображались линии невидимого контура, а также слой VPORTS, чтобы не отображались рамки видовых окон. Настройте толщину контурных линий в слоях с префиксом VIS, равную 0,8 мм.
Полученный чертеж вкладыша показан на рис. 12.9.
Рис. 12.9. Чертеж вкладыша
Часть V. Моделирование в системе T-FLEX CAD
Глава 13. Общие сведения о системе T-FLEX CAD
T-FLEX CAD — это полнофункциональная система автоматизированного проектирования, обладающая всеми современными средствами разработки проектов любой сложности. Система объединяет параметрические возможности трехмерного моделирования со средствами создания и оформления конструкторской документации [3]. Технические новшества и хорошая производительность в сочетании с понятным интерфейсом делают T-FLEX CAD универсальным и эффективным средством проектирования различных изделий. Возможности параметризации в T-FLEX CAD обеспечивают максимальную эффективность проектирования моделей различных исполнений и типоразмеров.
13.1. Основные элементы интерфейса
После запуска системы на экране монитора появляется стартовое окно, которое позволяет либо создать новый документ, либо продолжить работу с предыдущим. На рис. 13.1 представлен фрагмент стартового окна с вкладкой приветствия, которое появляется при первом запуске системы.
Рис. 13.1. Фрагмент стартового окна
В процессе создания документа рабочее окно системы T-FLEX CAD меняется, объединяя различные служебные окна и элементы управления, необходимые для функционирования системы (рис. 13.2).
Рис. 13.2. Рабочее окно
Вызов команды в T-FLEX CAD можно осуществить несколькими способами: выбрать в текстовом меню или на панели инструментов, ввести имя команды в строке состояния. Некоторые команды можно также вызывать с помощью функциональных клавиш.
Для управления системой используются окна и поля диалога различных типов. Управление окнами и полями диалога осуществляется с помощью команд подменю Настройка —> Окна и Настройка —> Настройка —> Панели либо при помощи контекстного меню, появляющегося при щелчке правой кнопки мыши вне окна текущего чертежа.
Изображение выводится в окно текущего чертежа. Данное окно может содержать окна двумерного и трехмерного видов либо одно из них.
Текстовое меню содержит все команды системы и разделено на следующие группы:
•Файл — команды для работы с чертежами и библиотеками чертежей;
•Правка — команды редактирования элементов системы;
•Построения — команды для создания вспомогательных элементов построения;
•Чертеж — команды для создания элементов изображения;
•Операции — команды операций с трехмерной моделью чертежа;
•Оформление — модуль оформления чертежа;
•Параметры — команды для работы с параметрической моделью чертежа;
•Сервис — команды конфигурирования системы и установки параметров чертежа;
•Настройка — команды настройки системы;
•Вид — команды перемещения по чертежу и конфигурирования экрана системы;
•Окно — команды для работы в многооконном режиме;
•? — команды получения справочной информации по системе и командам.
Не все команды меню могут быть доступны. Если подвести курсор к какой-либо группе и нажать указателем на кнопку, то появится выпадающее меню с информацией о данной группе команд. Доступные в данный момент команды выглядят более контрастными.
13.2. Окна и элементы управления
Расположение инструментальных панелей задается в системе по умолчанию и, как правило, не требует перемещения. Непосредственно под текстовым меню расположена стандартная инструментальная панель, содержащая пиктографические кнопки для вызова основных команд системы (рис. 13.3).
Рис. 13.3. Стандартная панель
При наведении курсора на какую-либо кнопку в строке состояния появляется название команды, вызываемой при щелчке на этой кнопке.
Инструментальные панели Главная и Вид содержат некоторые «вложенные» пиктографические меню. При этом на инструментальной панели по умолчанию отображается только одна кнопка, справа от которой расположена кнопка доступа
Восстановить начальные установки можно с помощью одноименной команды подменю Настройка —> Окружение.
В системе имеется несколько инструментальных панелей. Управление ими осуществляется с помощью команды Настройка —> Настойка. После выбора этой команды на экране появляется диалоговое окно Настройка, содержащее ряд вкладок, детализирующих настройку системы (рис. 13.4).
Рис. 13.4. Меню настройки
Для установки требуемых команд необходимо перейти на вкладку Команды, выбрать нужную команду и перетащить ее мышью на соответствующую панель. Подключать наиболее часто используемые панели можно также при помощи команд контекстного меню Панели. Это меню появляется при щелчке правой кнопкой мыши вне рабочего окна чертежа.
Панели могут быть плавающими или располагаться вдоль одной из границ главного окна системы. В плавающем состоянии панель имеет заголовок с названием.
Непосредственно под инструментальными панелями находится системная панель, объединяющая несколько элементов управления (рис. 13.5). Системная панель может присутствовать или отсутствовать на экране. Отметим, что наличие на панели тех или иных элементов управления зависит от текущей выбранной команды.
Рис. 13.5. Системная панель
Ниже перечислены элементы управления системной панели.
• В раскрывающемся списке имен слоев перечислены слои, заданные в системе. Выбор имени слоя в списке возможен в командах ввода и редактирования элементов системы.
• Поле уровня отражает уровень элементов построения и изображения системы. Изменение уровня, которое доступно в командах создания и изменения элементов системы, происходит непосредственным вводом значения в поле или щелчками на кнопках счетчика. Уровень может быть задан переменной.
• Поле приоритета отражает приоритет элементов изображения системы. Изменение приоритета доступно в командах создания и изменения элементов системы.
• Палитры типов линий изображения присутствуют на панели при прорисовке или редактировании линий. На системной панели их четыре. Первая и третья палитры содержат варианты начала и окончания линий изображения, вторая —стили линий. Четвертая палитра предназначена для выбора наиболее часто используемых стилей линий изображения.
• Палитра материалов отражает список доступных материалов модели, выбирая пункты этого списка, можно изменять назначенный материал.
При работе в окне 3D-вида на системной панели находятся кнопки выбора 3D-элементов (несколько таких кнопок видны на рис. 13.5). При работе в окне 2D-вида набор кнопок в этой части панели меняется. Управление доступом к данным группам кнопок производится с помощью команды Правка —> Селектор или кнопки Селектор
Рис. 13.6. Меню настройки селектора
Выбор требуемых элементов или их исключение производится установкой или сбросом соответствующего флажка. Щелчок на кнопке OK приводит к сохранению заданных параметров и завершению выполнения команды. В дальнейшем можно быстро настроить селектор в соответствии с сохраненной конфигурацией. Это делается с помощью кнопки Выбор конфигурации селектора
При создании (редактировании) текста становится доступным соответствующий набор кнопок форматирования. При создании (редактировании) штриховки становится доступным ряд полей, позволяющих задать параметры.
При активном режиме 3D-построений активизируется панель, кнопки которой позволяют управлять пространственной ориентацией модели (рис. 13.7).
Рис. 13.7. Панель трехмерных построений
По умолчанию в системе открыто 3D-окно с изображением трех рабочих плоскостей, отображающих виды спереди, слева и сверху. Каждая из плоскостей имеет соответствующую подпись и подсвечивается при наведении на нее курсора.
Первые две кнопки управляют представлением модели: параллельным или перспективным. Следующая группа кнопок позволяет устанавливать отдельные проекционные виды. Окрашенная сторона изображенного на пиктограммах кубика соответствует требуемому виду. Последние две кнопки служат для аксонометрического представления модели (спереди и сзади).
Строка состояния, содержащая текущую оперативную информацию, расположена в нижней части экрана и содержит поля вывода названия текущей команды, подсказки для пользователя, координат курсора и параметров линий.
Автоматическое меню (автоменю) расположено слева от окна текущего чертежа. При незагруженной команде автоменю остается пустым. При загруженной команде в автоменю выводятся кнопки, соответствующие доступным действиям пользователя в текущий момент работы с командой. Подключение автоменю производится вызовом команды: Настройка —> Окна —> Автоменю. При работе с автоменю возможно два варианта получения результата. Первый — результат проявляется непосредственно после щелчка на кнопке. Второй — при щелчке на кнопке рядом с курсором появляется символ, соответствующий выбранной кнопке. Для получения результата необходимо подвести курсор к нужному месту изображения и щелкнуть левой кнопкой мыши. Например, при щелчке на кнопке Прямая
Окно свойств используется в большинстве команд создания элементов чертежа, 3D-построений и задания параметров создаваемого или редактируемого объекта. По умолчанию в левой части экрана расположено окно, объединяющее системные окна Свойства, Меню документов и Дерево 3D модели. Переключение между окнами осуществляется при помощи вкладок. При необходимости любое окно можно расположить в произвольном месте экрана, а команда контекстного меню Спрятать позволяет его скрыть.
Еще один пункт контекстного меню окна свойств — Показывать автоматически. Устанавливать этот флажок имеет смысл, если окно свойств будет спрятано. Тогда при вызове команды или обращении к окну параметров какого-нибудь элемента окно будет появляться на экране, а при выходе — исчезать.
Управлять видимостью окна можно с помощью команды текстового меню Настройка —> Окна —> Свойства или кнопкиСвойства
Служебные окна системы (свойств, 3D-модели, документов, общего вида, макросов, диагностики и другие) можно расположить в окне программы по усмотрению пользователя. Неиспользуемые служебные окна можно отключить.
Для вывода служебных окон используют меню Настройка —> Окна. То же диалоговое окно можно вызвать щелчком правой кнопки мыши в области автоменю или любой другой инструментальной панели.
13.3. Команды перемещения по чертежу
Для перемещения или изменения размера изображения чертежа внутри рабочего окна чертежа служит команда Задать рабочее окно. Вызывается команда Вид —> Масштаб —> Рамка из меню или с помощью кнопкиРамка
Получить увеличенное изображение фрагмента чертежа можно, заключив его с помощью мыши в произвольную прямоугольную рамку.
Установить параметры работы с окном можно, щелкнув в автоменю на кнопке Задать параметры
Расположенные в автоменю кнопки с пиктограммами стрелок определяют направления перемещения окна. Шаговое изменение размеров окна производится с помощью кнопок Увеличение
Команда Задать абсолютные координаты окна
Перемещение по чертежу может осуществляться путем выделения соответствующей области чертежа в окне общего вида. Окно общего вида предназначено для быстрого перемещения по чертежу и отображает весь чертеж вне зависимости от того, какие размеры рабочего окна установлены в окне текущего чертежа.
Переход к окну общего вида происходит по команде Настройка —> Окна —> Окно общего вида. При работе с окном общего вида может быть установлено два режима.
•Переменная рамка. В этом режиме для перемещения по чертежу необходимо указывать два угла прямоугольной области в окне общего вида. Для этого курсор подводится к окну общего вида, нажимается левая кнопка мыши и мышь перемещается так, чтобы появившийся курсор в виде «резиновой нити» захватил нужную часть чертежа, после чего кнопка мыши отпускается. В результате выделенная область в окне общего вида выделяется цветом, а соответствующая область чертежа, пропорционально увеличенная, появляется в окне текущего чертежа.
•Постоянная рамка. В этом режиме если подвести курсор к окну общего вида, то появится курсор в виде прямоугольника, показывающий область чертежа, которую необходимо выделить. Размер прямоугольника пропорционален размеру окна текущего чертежа. Если удерживать левую кнопку мыши нажатой и перемещать прямоугольник по окну общего вида, то изображение чертежа в окне текущего чертежа будет динамически меняться в соответствии с перемещением прямоугольника.
Управление режимами осуществляется установкой соответствующего переключателя в меню, которое вызывается щелчком правой кнопки мыши в окне общего вида. Вид меню настройки показан на рис. 13.8. С помощью этого меню можно обновить чертеж в окне общего вида, выбрав команду Обновить, удалить окно общего вида с экрана, выбрав команду Спрятать. Для установки режимов перерисовки окна общего вида необходимо выбрать в меню команду Свойства.
Рис. 13.8. Меню настройки
В этом случае на экране появляется диалоговое окно, позволяющее задать режим обновления окна. Режим При редактировании означает, что изображение чертежа будет обновляться только при изменении (пересчете) модели чертежа. Режим При перерисовке означает, что изображение в окне будет обновляться вместе с обновлением чертежа в окне текущего чертежа. Режим Не обновлять означает, что изображение в окне будет обновляться только при выборе в меню команды Обновить.
13.4. Дерево модели
Структура 3D-модели представлена в виде дерева в окне 3D модель и наглядно отражает связи между 3D-элементами и операциями, выполняемыми в модели (рис. 13.9). Для открытия данного окна необходимо щелкнуть правой кнопкой мыши вне окна текущего чертежа и в появившемся контекстном меню выбрать соответствующую команду. Это окно появляется в левой части экрана (в области служебных окон).
Рис. 13.9. Дерево модели
Каждому элементу модели по умолчанию присваивается имя, состоящее из названия типа элемента и номера. Имя элемента может быть изменено.
Первым идет пункт 3D построения, содержащий вспомогательные 3D-элементы и их родительские операции и элементы. Следующий пункт, Операции, содержит список 3D-операций, сгруппированных по типу (на рисунке это операции Вращение, Выталкивание и т.д.). Далее следует само дерево 3D-модели.
В корне дерева модели размещаются тела. В зависимости от геометрии тела (твердотельный или листовой объект) в дереве модели отражается соответствующая ему пиктограмма. Каждому телу модели по умолчанию присваивается имя, состоящее из слова «Тело» и номера, например, Тело_0. Любому телу можно назначить произвольное персональное имя. Слева от пиктограммы тела расположен специальный значок, с помощью которого можно просмотреть историю создания данного тела. Для этого необходимо щелкнуть на нем левой кнопкой мыши. История состоит из последовательности операций, представленной в виде списка. Каждому элементу модели, указанному в истории, также присваивается по умолчанию уникальное имя, которое может быть изменено по усмотрению пользователя.
В дереве модели иногда очень удобно выбирать объекты при работе со многими командами, когда выбор этих объектов в 3D-окне затруднен.
Щелкнув на элементе дерева модели правой кнопкой мыши, можно вызвать контекстное меню. Помимо обычных команд для работы с выбранным элементом, контекстное меню содержит несколько дополнительных команд, предназначенных для работы с конкретными телами, операциями и деревом модели в целом.
На рис. 13.10 представлен пример контекстного меню одного из объектов, входящих в модель, дерево которой изображено на рис. 13.9. Часть пунктов этого меню являются командами, другие представляют собой подменю, открывающие доступ к дополнительным командам.
Рис. 13.10. Контекстное меню объекта Тело_0
В некоторых случаях операции можно перетаскивать по дереву модели мышью, меняя тем самым структуру самой модели.
При работе с деревом модели можно выполнять булевы операции. Если выделить некоторое тело в дереве и начать его перемещение, то рядом с курсором появится пиктограмма булевой операции сложения. Если при перемещении нажать клавишу Ctrl или Shift, вид пиктограммы булевой операции меняется, отражая вычитание или пересечение соответственно. Вместо самих тел можно выбирать последние в их истории операции.
При удалении из дерева модели элемента, связанного с другими элементами или операциями, появляется диалоговое окно удаления элементов, в котором предлагаются различные схемы выполнения операции. В зависимости от ответа удаляются выбранный объект и все связанные с ним объекты либо система пытается оставить в модели элементы, созданные на основе удаляемого, переназначив ссылки.
13.5. Построение чертежа в системе T-FLEX CAD
Основной режим работы системы — режим создания параметрического чертежа. Используя возможности параметрического проектирования, можно создать чертеж, который будет легко изменяться в зависимости от предъявляемых к нему требований. Этот чертеж можно также задействовать в качестве элемента параметрической библиотеки для создания других, более сложных, чертежей.
В непараметрическом режиме чертеж строится аналогично большинству известных систем, то есть сразу наносятся линии изображения. В этом случае задание параметрических связей между линиями чертежа невозможно.
При создании чертежа система использует несколько типов элементов:
•Элементы построения. Эти элементы формируют каркас чертежа. К элементам построения относятся линии построения и узлы. Линии построения и узлы — это основные элементы, формирующие параметрическую модель чертежа. По аналогии с черчением их можно сравнить с тонкими вспомогательными карандашными линиями. Путем задания различных типов линий построения и узлов устанавливается взаимосвязь элементов построения и определяется порядок расчета их положения при параметрическом изменении чертежа. Они присутствуют только на экране и не выводятся при печати.
•Элементы изображения. К элементам изображения относятся линии изображения, размеры, тексты, штриховки, допуски формы и расположения поверхностей, надписи, шероховатости. Они могут «привязываться» к элементам построения. В этом случае при изменении положения линий построения и узлов элементы изображения меняют свое положение, что и является основной идеей параметризации. Эти элементы составляют изображение чертежа при выводе на печать.
К сложным элементам изображения относятся фрагменты и картинки. Фрагменты — это изображения части чертежа, которые могут использоваться в других чертежах для получения сборочных чертежей. Под параметрическим фрагментом понимается изображение, позволяющее при вставке в другой чертеж задать положение и параметры, от которых зависит его вид. Картинки — это графические изображения чертежей системы T-FLEX CAD и других систем, сохраненные в различных форматах. Картинки, как и фрагменты, можно использовать в других чертежах. При этом вид картинок будет неизменным, можно лишь задавать их положение и масштаб.
К вспомогательным элементам относятся переменные, базы данных, отчеты, а также некоторые другие служебные данные.
Для построения параметрического чертежа вызывается команда Файл —> Новый чертеж. Этой команде соответствует кнопка Новый чертеж
Линии построения могут иметь числовой параметр (расстояние от параллельной прямой, угол, радиус окружности и т.д.). Значение параметра задается во время создания элемента построения. Некоторые из конструктивных элементов могут не иметь параметра, например прямая, проходящая через два узла. В качестве параметра элемента построения может использоваться переменная. Значение переменной может быть задано константой или выражением. В выражении могут присутствовать другие переменные, различные арифметические и логические операции, условные операции, обращения к стандартным математическим функциям, а также обращения к внешним базам данных. Элементы построения на чертеже отображаются пунктирными линиями.
Дальнейшая прорисовка элементов чертежа производится линиями изображения, для чего вызывается команда Чертеж —> Изображение
Построение непараметрического чертежа (эскиза) в T-FLEX CAD производится вызовом команды Чертеж —> Эскиз
Параметрический чертеж может быть создан также в режиме автоматической параметризации. В этом случае для черчения применяются средства эскиза. Пользователь строит только линии изображения, пользуясь необходимыми объектными привязками, а система автоматически определяет параметрические зависимости между линиями построения.
13.6. Принципы создания 3D-моделей
Основной метод создания 3D-моделей подразумевает выполнение большинства построений модели непосредственно в 3D-окне. При другом подходе 3D-модель создается на основе готовых 2D-чертежей или вспомогательных 2D-построений.
Создание 3D-модели по 2D-элементам применяется, когда по имеющемуся 2D-чертежу нужно построить 3D-модель. Необходимым условием для начала создания 3D-модели является наличие в 2D-чертеже детали нужного количества видов. Если требуется получить параметрическую трехмерную модель, то параметрические отношения можно задавать уже в двумерном чертеже. В принципе, наличие полностью оформленного чертежа не обязательно. Главное, чтобы были определены задающие 2D-элементы (профили штриховок, точки, пути и т.д.), которые будут использованы в командах задания 3D-модели.
Первым шагом в создании модели является построение рабочих плоскостей. Зачастую бывает достаточно иметь три стандартные взаимно перпендикулярные рабочие плоскости (фронтальную, горизонтальную и профильную), соответствующие виду спереди, сверху и слева. Кроме плоскостей функции, аналогичные рабочим поверхностям, могут быть реализованы на цилиндрических, сферических и тороидальных поверхностях посредством специальных систем координат. Достаточным является наличие одной стандартной рабочей плоскости.
Затем создаются необходимые 3D-элементы построений (3D-узлы, 3D-профили). 3D-узлы служат для привязки 3D-профилей, задания векторов выталкивания, осей вращения и т.д. Для создания 3D-профиля необходимо предварительно создать на 2D-виде соответствующие контуры, используя штриховку. Если предполагается задействовать штриховку только для 3D-построений, то рекомендуется делать ее невидимой, чтобы не загромождать чертеж.
После этого создается твердое тело при помощи одной из базовых формообразующих операций на основе существующих вспомогательных 3D-элементов. В основном к этому способу 3D-моделирования прибегают в случае несложной конструкции. К несложной конструкции можно отнести такую, для понимания которой достаточно одной или двух проекций. Как правило, это оси, втулки, простые плиты, крепежные изделия и т.д.
Обычно построение 3D-модели начинается с создания нового документа с помощью команды Файл —> Новая 3D модель
Рис. 13.11. Панель управления
Панель можно перетащить в любое свободное место вне рабочего окна построения.
Для создания параметрической модели необходимо сначала строить линии построения, затем — линии изображения. На основе начерченных линий изображения система может автоматически построить 3D-профиль, который можно использовать в 3D-операциях в дальнейшем. На следующих этапах с помощью команд формообразования создается объемное твердое тело (или тело в виде оболочки).
На основании построенных моделей можно получить чертежи, спроецировав необходимые виды, разрезы, сечения, проставив на них требуемые размеры и включив элементы оформления.
Глава 14. Основы моделирования в системе T-FLEX CAD 3D
В данной главе приведены классификация и краткое описание объектов системы T-FLEX CAD 3D, а также описаны основные методы и приемы проектирования 3D-моделей.
14.1. Основные определения
Модель в T-FLEX CAD 3D представляет собой набор связанных или не связанных геометрических компонентов. Геометрический объект системы T-FLEX CAD может состоять из топологических элементов (см. далее).
Простейшим элементом в системе является вершина. Вершина представляет собой точку в пространстве и служит для ограничения ребер. Одна вершина может принадлежать одновременно нескольким ребрам.
Ребро представляет собой участок кривой, ограниченный двумя вершинами. Если ребро замкнутое, оно может содержать только одну вершину.
Цикл — это набор ребер, образующий один замкнутый контур. Цикл является элементом, ограничивающим поверхность грани. В каждой вершине цикла сходится не более двух ребер.
Грань — ограниченный участок поверхности. В качестве границ грани выступают циклы.
Тело представляет собой набор геометрических объектов (вершин, граней и ребер), замыкающих непрерывный объем. Самое простое твердое тело образуется при движении какой-либо ограниченной поверхности (контура) и обладает такими атрибутами, как масса, объем, площадь и т.д. Листовое тело — это набор геометрических объектов (вершин, граней и ребер), замыкающих непрерывную площадь и не замыкающих объем. В одной 3D-модели может быть неограниченное количество тел.
Операцией называется любой шаг по созданию нового или модификации существующего твердотельного или листового геометрического объекта. Для выполнения каждой операции существует отдельная команда. Те операции, в результате которых получаются новые тела, относятся к операциям первого уровня, или к базовым операциям (операции вращения, выталкивания, создания отверстия и т.п.). Операции, предназначенные для изменения геометрии и модификации существующих тел, относятся к операциям второго уровня, или к модифицирующим операциям (булевы операции, операции сглаживания, отсечения и т.п.).
Для создания твердых тел и поверхностей предназначены команды меню Операции, а для создания вспомогательных 3D-элементов — команды меню Построения.
14.2. Вспомогательные 3D-элементы
Вспомогательные элементы служат для задания формы будущего тела, ориентации его в пространстве, определения направлений, векторов, осей, траекторий и т.д. Каждый элемент имеет отдельную команду создания и редактирования. После запуска такой команды в автоменю появляется дополнительный набор кнопок для задания параметров. Часть параметров, доступных в автоменю, является общей для всех элементов.
Рабочая плоскость — это элемент, позволяющий задавать исходные данные для 3D-операций, и прежде всего для создания 3D-профилей. Без создания рабочей плоскости невозможно построить 3D-модель. Рабочие плоскости могут быть заданы в 2D- или в 3D-окне.
Следует различать рабочие плоскости, построенные в 2D- и 3D-окнах. Положение рабочих плоскостей в трехмерном пространстве определяется либо мировой системой координат (стандартные плоскости), либо элементами 3D-модели. При создании в окне 2D-вида рабочая плоскость привязывается к элементам двухмерного чертежа. Каждой заданной в 3D-окне рабочей плоскости ставится в соответствие отдельная страница чертежа, а задаваемая в 2D-окне рабочая плоскость занимает определенную область на текущей странице чертежа. Если на одной странице расположено больше одной рабочей плоскости, то эти рабочие плоскости не могут быть использованы для работы в режиме активной рабочей плоскости.
Для того чтобы рабочие плоскости визуально отобразились в 3D-окне, необходимо в параметрах каждой рабочей плоскости при создании или редактировании установить параметр Показывать на 3D виде.
В 3D-окне могут быть созданы следующие рабочие плоскости:
• стандартная;
• копия рабочей плоскости;
• параллельная плоскости (грани) со смещением;
• параллельная плоскости (грани) через 3D-точку;
• параллельная плоскости (грани), касательная к поверхности;
• через три 3D-точки;
• через 3D-точку и ребро;
• через ребро (ось поверхности вращения) под углом к поверхности;
• через ребро (ось поверхности вращения), касательная к грани (поверхности);
• через ребро (ось поверхности вращения) и 3D-точку;
• перпендикулярно ребру или пути;
• касательная к грани;
• на основе другой рабочей плоскости.
В 2D-окне могут быть созданы следующие рабочие плоскости:
• стандартная;
• дополнительная;
• по 2D-проекции;
• по 3D-системе координат.
Стандартные рабочие плоскости соответствуют шести стандартным видам согласно ГОСТ 2.305-68. На рис. 14.1 три рабочие плоскости визуализированы в 3D-окне.
Рис. 14.1. Расположение рабочих плоскостей
Рабочие поверхности — это вспомогательные 3D-элементы, представляющие собой образ геометрической поверхности определенного типа. В качестве таких поверхностей могут использоваться цилиндр, сфера и тор. По функциональному назначению рабочие поверхности схожи с рабочими плоскостями. В основном они предназначены для переноса 2D-объектов чертежа в 3D-пространство. Каждая рабочая поверхность всегда связана с параметрической областью, расположенной на странице 2D-чертежа. На основе плоского 2D-изображения, лежащего на данной странице, можно создавать вспомогательные 3D-элементы (3D-узлы, 3D-профили, 3D-пути), которые будут лежать на соответствующей рабочей поверхности — цилиндре, сфере или торе.
Основное назначение рабочих поверхностей — построение вспомогательных объектов (3D-профилей, 3D-путей, 3D-узлов) для создания деталей с поверхностями двойной кривизны: лопаток турбин, гребных винтов, корпусов кораблей, фюзеляжей летательных аппаратов.
3D-узлы представляют собой трехмерные точки. 3D-узлы определяются в пространстве тремя координатами: X, Y, Z. Создаются 3D-узлы на основе 3D-элементов либо в 2D-окне с использованием узлов двумерного чертежа и рабочих плоскостей. 3D-узлы служат для привязки других 3D-элементов (3D-профилей, 3D-фрагментов, 3D-систем координат), задания направления (векторов выталкивания) и осей вращения.
3D профиль — это элемент построения, предназначенный для выделения участка поверхности (рис. 14.2). 3D-профиль является одним из основных элементов — именно он используется как исходный для многих операций. Контур 3D-профиля может быть замкнутым или разомкнутым. Замкнутый профиль несет информацию об участке поверхности фиксированной площади — он может применяться в качестве основы для создания твердых тел в различных операциях. Разомкнутый профиль может использоваться в качестве основы только для создания листовых тел.
Рис. 14.2. Расположение профилей
При черчении 3D-профиля доступны штриховки и линии изображения (для активной рабочей плоскости).
3D-путь — это конечная пространственная кривая, имеющая направление (рис. 14.3) и использующаяся в качестве направляющей в операциях По траектории, Трубопровод, По сечениям. 3D-путь может быть задан на основе штриховки, 2D-путей, как набор ребер трехмерного тела, как кривая, построенная по последовательности 3D-узлов, преобразованием существующих 3D-путей и др. 3D-путь может быть замкнутым. Предусмотрен отдельный тип 3D-пути со скруглениями для создания трубопровода.
Рис. 14.3. Пример 3D-пути
3D-системой координат называют элемент, позволяющий осуществлять привязку трехмерных объектов в пространстве. Используется при вставке 3D-изображения и 3D-фрагментов, в операциях копирования, для разборки сборочных 3D-моделей и др. Для построения этого элемента нужно определить начальную точку и направления осей системы координат. При привязке объекта совмещаются исходная (на новом объекте) и целевая (к которой осуществляется привязка) системы координат.
3D-коннектор — особый вид локальных систем координат, позволяющий, помимо выполнения функций привязки, автоматически связывать внешние переменные стыкуемых параметрических элементов сборочных 3D-моделей.
Массив построений — это особый составной элемент построения. Массив построений представляет собой определенным образом организованную совокупность копий любых элементов построения, кроме сечений, источников света и камер (рис. 14.4). Копии, входящие в состав такого массива, могут использоваться как обычные элементы построения.
Рис. 14.4. Пример массива построений
Массивы построений создаются и редактируются с помощью любой из операций создания 3D-массивов.
Сечением называют элемент, в общем случае представляющий собой результат выталкивания на бесконечное расстояние плоской кривой или ломаной линии (рис. 14.5). Выталкивание происходит перпендикулярно плоскости, на которой лежит кривая. В частном случае 3D-сечение может состоять из одной плоскости или набора плоскостей. Тогда его можно использовать при построении двухмерных разрезов. 3D-сечение может использоваться при визуализации объектов 3D-сцены и в операции отсечения.
Рис. 14.5. Сечение 3D-модели
Сечение может быть задано набором 3D-узлов или вершин, рабочей плоскостью, 2D-проекцией.
14.3. Основные операции 3D-моделирования
В системе T-FLEX определены следующие базовые операции создания твердых тел:
� выталкивание;
� вращение;
� по сечениям;
� по траектории;
� по параметрам;
� создание отверстия;
• создание спирали;
• создание пружины;
• создание трубопровода.
Эти операции могут вызываться как из меню, так и непосредственно из инструментальных панелей.
Операция Выталкивание
Для работы с командой совместно используются автоменю и окно свойств. Они работают синхронно и дополняют друг друга. Состояние автоменю зависит от стадии выполнения операции, от предназначения и типа выбираемых объектов. Для создания операции нужно выполнить следующие действия:
1. Выделить контур выталкивания, щелкнув на кнопке Выбрать контур
2. Указать направление выталкивания (необязательное действие при выталкивании по нормали).
3. Задать длину или границы выталкивания (в ряде случаев — необязательное действие).
4. Задать дополнительные параметры, такие как уклон сглаживания, режим тонкостенного элемента, создание булевой операции (необязательное действие).
5. Подтвердить необходимость операции, щелкнув на кнопке Закончить ввод
При использовании создаваемого тела в булевой операции необходимо:
1. Включить режим создания булевой операции, щелкнув в автоменю на кнопке Сложение
2. Выбрать тип создаваемой операции в палитре автоменю, содержащей кнопки Сложение
3. С помощью кнопки Выбрать исходное тело для булевой операции
Если в сцене присутствует всего одно тело, то оно выбирается автоматически. Создаваемое в операции выталкивания новое тело является вторым операндом булевой операции. После подтверждения необходимости операции сначала создается тело в операции выталкивания, а затем выполняется булева операция заданного типа.
Операция Вращение
Общая последовательность действий для создания операции такова:
1. Нажать кнопку Выбрать контур
2. Задать ось вращения при нажатой кнопке Выбрать ось вращения
3. Задать начальную и конечную точки вращения (необязательное действие).
4. Задать параметры вращения (необязательное действие).
5. Подтвердить создание операции, щелкнув на кнопке Закончить ввод
При создании операции вращения существует возможность выполнить булеву операцию с уже существующими телами. Для этого используются те же параметры, что и в операции выталкивания.
Операция По сечениям
Сечение имеет такое свойство, как направление обхода контура. При задании операции на выбранном сечении в направлении обхода рисуется стрелка. Направление обхода контура требуется при расчете поверхности, оно должно совпадать для всех выбранных сечений. В большинстве случаев для успешного результата система самостоятельно определяет направления сечений. Но при необходимости оно может быть изменено пользователем для каждого отдельного сечения.
Точки соответствия позволяют задать направление построения поверхности между характерными точками разных сечений. Всегда существует как минимум одно соответствие между точками сечений. Изначально оно строится между стартовыми точками сечений. Новые последовательности точек соответствия добавляются пользователем самостоятельно. Любую последовательность точек соответствия, в том числе стартовых, можно редактировать. На предварительной схеме задаваемой операции (она рисуется в 3D-окне по мере выбора элементов) каждый набор точек соответствия соединяется прямыми линиями (рис. 14.6).
Рис. 14.6. Пример выполнения операции
Для работы с командой и задания необходимых компонентов совместно используется диалоговое окно свойств и автоменю. Они работают синхронно и дополняют друг друга. Состояние автоменю зависит от этапа задания операции, от предназначения и типа выбираемых объектов. Режимы выбора объектов могут переключаться с помощью как автоменю, так и окна свойств.
При расчете данной операции поверхность формируется на основе элементов каркаса и заданных граничных условий. Элементами каркаса являются сечения и направляющие.
Для создания операции нужно выполнить следующие действия:
1. Задать сечения. Задание операции всегда начинают с выбора сечений. Для успешного создания операции требуется задать как минимум два сечения. При задании сечений в автоменю становятся доступными кнопки Выбрать сечения
2. Задать направляющие, щелкнув на кнопке Выбрать направляющие
3. Задать точки соответствия, щелкнув на кнопке Задать точки соответствия
4. Задать граничные условия (необязательное действие). Граничное условие в виде вектора может быть задано в произвольной точке на элементах каркаса операции По сечениям, в том числе в точке на сечении, на направляющей, в точке соответствия.
5. Для задания вектора используется дочернее диалоговое окно свойств. Оно вызывается при щелчке на кнопке Векторы
6. Подтвердить создание операции.
Операция По траектории
В качестве исходного контура может использоваться любой объект с проволочной или листовой геометрией. Также можно задействовать многоконтурный 3D-профиль. Движение контура происходит за счет его многократного копирования вдоль выбранной траектории. Копии контура называются еще промежуточными сечениями. Для расчета промежуточных сечений система вычисляет ориентацию системы координат промежуточного сечения. Исходная система координат рассчитывается для запоминания исходного положения контура. Копирование контура происходит от исходной системы координат к рассчитанной системе координат промежуточного сечения (рис. 14.7).
Рис. 14.7. Пример выполнения операции
Общий алгоритм действий для создания операции следующий:
1. Выбрать способ ориентации контура. Способ ориентации контура желательно установить в первую очередь, так как в зависимости от результата выбора система для дальнейших действий предложит определенный набор параметров.
Выбор способа производится в специальном раскрывающемся списке, находящемся в окне свойств операции. Доступны все три возможных варианта ориентации контура: Контур перпендикулярен траектории, Контур параллелен исходному, По направляющим.
2. Выбрать контур, щелкнув на кнопке Выбрать контур
3. Выбрать элементы для задания траектории, щелкнув на кнопке Выбрать траекторию
4. Задать коррекцию исходного положения контура (необязательное действие). После выбора траектории система предлагает осуществить коррекцию исходного положения контура. Если выполнения этого шага не требуется, то можно перейти к следующим действиям принудительно, щелкнув на соответствующей кнопке автоменю.
5. Задать дополнительные направляющие или поверхность (необязательное действие).
6. Задать параметры операции (необязательное действие).
7. Подтвердить создание операции.
Операция По параметрам
Операция Создание отверстия
В стандартную библиотеку входят шаблоны для отверстий следующих типов:
• квадратное;
• под концы установочных винтов (тип 1, 2, 3);
• под крепежные детали;
• резьбовое;
• центровое (формы A, B, C, E, F, H, R, T).
Команда позволяет одновременно создавать отверстия в нескольких телах, а также резьбовые отверстия. При создании резьбового отверстия на новой грани выводится косметическая резьба.
Для создания отверстия необходимо выполнить следующие действия (порядок выполнения действий может быть другим):
1. Выбрать тип и основные геометрические параметры создаваемого набора отверстий. Выбор типа создаваемых отверстий осуществляется в окне свойств операции.
2. Задать точки привязки отверстий (грань тела, 3D-узел, круговое ребро).
3. Выбрать необходимую глубину отверстий.
4. Изменить ориентацию осей и углы поворота отверстий, выбранные системой по умолчанию (необязательное действие).
5. Завершить создание отверстий (с помощью команды Закончить ввод
Операция Создание спирали(вызывается из меню Операции) позволяет получить трехмерное тело типа «спираль» путем перемещения профиля произвольной формы по винтовой кривой. Профиль может быть ориентирован ортогонально оси спирали или ортогонально винтовой кривой.
Для создания спирали необходимо выполнить следующие действия:
1. Задать ось спирали с помощью двух 3D-узлов.
2. Выбрать 3D-профиль.
3. Задать ориентацию профиля в пространстве.
4. Задать начальное положение профиля, то есть выбрать стартовую точку положения профиля (необязательное действие).
5. Задать параметры спирали (радиус спирали и т.д.).
6. Подтвердить создание операции.
Операция Создание пружины(вызывается из меню Операции) позволяет получить трехмерное тело типа «пружина» путем перемещения профиля-окружности вдоль винтовой кривой. При этом существует возможность задания «сжатия» и «шлифовки» на концах пружины.
Для создания пружины необходимо выполнить следующие действия:
1. Задать ось пружины.
2. Задать параметры пружины (радиус проволоки, основной радиус пружины и т.д.).
3. Выбрать стартовую точку положения профиля пружины (необязательное действие).
4. Подтвердить создание операции.
Операция Создания трубопровода
Для создания трубопровода необходимо выполнить следующую последовательность действий:
1. Выбрать 3D-путь. Выбрать необходимый 3D-объект можно в 3D-окне. Если в качестве пути трубопровода выбирается 3D-путь, построенный по 2D-элементам, его можно выбрать в 2D-окне. Выбранная 3D-кривая и определяющие её элементы подсвечиваются. В общем случае на этом можно завершить создание операции при помощи команды Закончить ввод
2. Указать начальный и конечный узлы трубопровода (узлы должны обязательно принадлежать заданному пути).
3. Отменить выбор всех исходных данных можно, щелкнув на кнопке Отменить выбор
4. Задать параметры операции (диаметр трубопровода, толщину стенок и т.д.).
5. Подтвердить ввод элементов командой Закончить ввод
14.4. Дополнительные операции над твердыми телами
Результаты выполнения операций изменения формы тела, созданного командами предыдущей группы, существенно зависят от конкретных условий их использования, в частности, от заданных с помощью автоменю параметров и от самих объектов, над которыми выполняются те или иные действия. Поэтому далее в основном приводятся описания команд в самом общем виде.
Булевы операции позволяют из твердых тел получать новые тела путем сложения, вычитания и пересечения. Данной операции соответствует кнопка Булева операция
Для работы с командой используются совместно автоменю и окно свойств. Они функционируют синхронно и дополняют друг друга. Состояние автоменю зависит от стадии задания операции, от назначения и типа выбираемых объектов. При запуске команды кнопки доступных параметров обрамлены квадратной рамкой. В качестве операндов могут быть выбраны как твердые, так и листовые тела.
Булева операция может также выполняться над набором тел, при этом их часть может быть выбрана в качестве первых операндов, а другая часть — в качестве вторых. В процессе выполнения операции происходит объединение всех первых операндов в одно тело и всех вторых операндов в другое тело. Затем выполняется выбранная булева операция над этими телами. В результате получается одно многокомпонентное тело.
В некоторых сочетаниях операндов в булевых операциях результат получить невозможно.
Для выполнения операции нужно проделать следующие действия:
1. Выбрать булевы операнды
2. Выбрать тип булевой операции.
3. Выбрать части операндов для формирования выборочной булевой операции (не обязательно).
4. Задать соответствия элементов (не обязательно).
5. Задать дополнительные параметры (при необходимости).
6. Задать параметры сглаживания (не обязательно).
7. Подтвердить создание операции.
После создания булевой операции она помещается в папку Булевы в окне (дереве) 3D-модели. Слева от каждой булевой операции отображается пиктограмма, соответствующая типу операции.
При создании многих операций возможно автоматическое исполнение булевой операции. Создаваемое тело при этом всегда является вторым операндом булевой операции. В качестве первого операнда выбирается любое из уже существующих тел 3D-модели.
В системе выделены следующие операции сглаживания: сглаживание ребер, сглаживание граней и сглаживание трех граней.
Сглаживание ребер — операция, которая позволяет модифицировать уже созданное тело за счет сглаживания его вершин, ребер и граней. Вызвать команду можно непосредственно из панели инструментов, щелкнув на кнопке Сглаживание ребер
Основное отличие этой операции от других видов сглаживания состоит в том, что новая поверхность строится от выбранного ребра и сопрягается только с прилегающими гранями. Операция позволяет строить фаску, скруглять ребра переменным радиусом или эллиптической поверхностью.
При схождении двух ребер разной выпуклости по касательной в вершине с тремя или более гранями возможно использование специальной функции обработки вершины — создание Y-формы сглаживания. Данный способ обработки вершины позволяет создавать в переходной зоне поверхности с более низким искривлением по сравнению с обычным сглаживанием.
Сглаживание граней — операция, которая позволяет строить поверхность перехода от одного набора гладко сопряженных граней к другому. Наборы сглаживаемых граней не обязаны иметь общие ребра (пересекаться). Команда имеет много параметров, позволяющих управлять формой поверхности перехода, задавать условия обрезки, ограничения и др.
Не следует рассматривать данную операцию как альтернативу операции сглаживания ребер. Эти две операции со своими плюсами и минусами удачно дополняют друг друга.
Для работы с командой и задания необходимых компонентов совместно используются диалоговое окно свойств и автоменю. Они функционируют синхронно и дополняют друг друга. Состояние автоменю зависит от стадии выполнения операции, от предназначения и типа выбираемых объектов. Режимы выбора объектов могут переключаться как с помощью автоменю, так и при помощи окна свойств.
Для создания операции нужно выполнить следующие действия:
1. Выделить первый набор граней (левая стенка).
2. Выделить второй набор граней (правая стенка).
3. Задать тип сглаживания (при необходимости).
4. Выбрать направляющую (при необходимости, в зависимости от типа сглаживания).
5. Выбрать режим сглаживания (при необходимости).
6. Выбрать форму сечения поверхности сглаживания (при необходимости).
7. Задать геометрические параметры поперечного сечения поверхности сглаживания.
8. Задать граничные условия и специальные возможности (необязательное действие).
9. Подтвердить создание операции.
Сглаживание трех граней — частный случай сглаживания граней, выведенный в отдельную команду. Операция позволяет построить поверхность перехода между «правой» и «левой» стенками, касательную к «средней» стенке.
ОперацияОтсечениепозволяет разделить тело на две части или отсечь лишнюю часть тела. В качестве поверхности отсечения можно использовать один из следующих элементов: сечения, рабочие плоскости, листовое тело, 3D-профиль, грань тела.
Операция Разделение предназначена для разделения на отдельные тела операций, содержащих несколько твердых тел. Например, тело, полученное в результате создания линейного или кругового массива, после выполнения данной команды будет разделено на отдельные элементы массива. Также команда может быть использована при работе с импортированной из другой системы моделью, которая состоит из нескольких тел.
Операция Симметрия
Для выполнения операции необходимо выполнить следующие действия:
1. Выбрать 3D-операцию Выбрать 3D операцию
2. Выбрать плоскость симметрии, щелкнув на кнопке Выбрать плоскость симметрии
3. Выбрать способ достижения симметрии — перемещение или дублирование. Способ достижения симметрии устанавливается в окне свойств операции с помощью флажка Перенос без дублирования. При сброшенном флажке выполняется дублирование исходного тела, при установленном — перемещение.
4. Задать общие параметры операции, щелкнув на кнопке Задать параметры элемента
5. Завершить создание операции, щелкнув на кнопке Закончить ввод
Операция Оболочка позволяет создавать эквидистантные тела или строить оболочки на основе твердых тел. Оболочка представляет собой полое, тонкостенное твердое тело со стенками указанной толщины. При построении оболочек часть граней исходного твердого тела можно удалять.
Принцип построения операции заключается в следующем: для каждой грани исходного листового или твердого тела на заданном расстоянии строится эквидистантная поверхность. В зависимости от желания пользователя эквидистанта может строиться либо наружу, либо внутрь поверхностей обрабатываемого тела (по нормали или против нормали). Эквидистантные поверхности можно использовать для получения эквидистантных тел. Также эквидистанты могут ограничить часть внутреннего объема исходного твердого тела для получения оболочки.
ОперацияРезьбапозволяет создавать косметические резьбына цилиндрических и конических гранях 3D-модели. Косметической такая резьба называется потому, что при выполнении команды на выбранную грань накладывается текстура, изображающая резьбу с учетом заданных границ, а также значений шага и направления. В отличии от резьбы, созданной при помощи операции Спираль, данная операция не создает сложной геометрической поверхности и не требует больших затрат времени на создание и пересчет модели. При создании 2D-проекций система автоматически создает линии изображения, соответствующие нанесенной резьбе. При оформлении чертежа размеры, привязанные к таким линиям изображения, будут отображать условное обозначение резьбы.
Параметры стандартных резьб содержатся в специальной базе данных. Эти параметры (шаг, высота профиля, обозначение) могут рассчитываться автоматически по таблицам базы данных или задаваться пользователем вручную для создания нестандартной резьбы. При необходимости база данных может быть дополнена пользователем.
Вызов команды может осуществляться из контекстного меню при выбранной цилиндрической или конической грани (пункт Создать —> Резьба). В этом случае при вызове команды несущая грань считается уже выбранной.
Операции группы Уклон позволяют создавать уклоны граней и тел. Выбор разновидности команды производится непосредственно в меню. Операция Уклон граней позволяет отклонять выбранные грани на заданные углы с автоматической коррекцией смежных граней. Операция Уклон тела позволяет получать 3D-тела путем отклонения граней выбранного тела на заданные углы относительно выбранных ребер этого тела.
Операции группы Массив позволяют создавать сразу несколько копий исходных 3D-объектов. В качестве исходных объектов для создания массивов (объектов копирования) могут выбираться операции и тела, а также 3D-элементы построения и грани.
Расположение создаваемых копий (элементов массива) зависит от вида массива: линейный, круговой, массив по точкам, массив по пути, параметрический массив. Выбор разновидности команды производится непосредственно в меню.
Для создания любого массива после вызова соответствующей команды необходимо выполнить следующие действия:
1. Выбрать тип создаваемого массива — массив элементов построения, операций, тел или граней.
2. Выбрать исходные объекты массива.
3. Выбрать направляющие элементы и задать основные параметры массива (действия, выполняемые на данном шаге, зависят от типа создаваемого массива).
4. Задать дополнительные параметры массива. Набор доступных режимов, устанавливаемых с помощью данных параметров, зависит от типа массива.
5. Задать ограничения и исключения (если это необходимо и возможно).
6. Подтвердить создание массива.
14.5. Создание чертежей по 3D-модели
Независимо от способа создания трехмерной модели можно в любой момент получить двумерный чертеж или отдельные недостающие виды модели. Такая задача решается путем проецирования трехмерного тела или отдельных его элементов на заданную плоскость.
Перед тем как создавать чертежи с помощью проекций, желательно определиться, на каком формате они будут выполняться, на скольких листах, каков общий масштаб на каждом листе. Все эти параметры устанавливаются в диалоговом окне Параметры документа (команда Настройка —> Статус). Для каждой страницы могут быть заданы свои параметры. Эти параметры можно поменять в любой момент.
Для получения какого-либо вида проекции предназначены команды подменю Чертеж —> 3D проекция:
•Создать три стандартных вида;
•Создать разрез или сечение;
•Создать дополнительный вид;
•Создать местный разрез;
•Создать набор стандартных видов;
•Создать стандартный вид;
•Проекция на рабочей плоскости;
•Проекция по проекции;
•Произвольный вид;
•Выбрать файл 3D-модели для проецирования.
Выбрать тип создаваемой проекции можно также в раскрывающемся списке окна свойств.
Общий алгоритм построения 2D-проекции состоит из нескольких обязательных и необязательных действий:
1. Определить направление проецирования одним из следующих способов:
• Использовать одну из команд построения стандартных видов (создать три стандартных вида, набор стандартных видов или стандартный вид).
• Создать вид по стрелке с помощью обозначения вида.
• Определить направление проецирования с помощью рабочей плоскости.
• С помощью набора дополнительных опций можно определить произвольное направление по элементам 3D-модели.
• Задать вектор направления проецирования и угол поворота в параметрах проекции.
• При создании сечения или разреза направление проецирования определяется автоматически.
• При создании местного разреза направление проецирования определяется автоматически.
2. Задать точку привязки в 2D-окне. Для этого нужно указать место на чертеже (2D-узел или свободная точка), в котором следует построить проекцию. При этом будущая проекция выводится в виде рамки, обозначающей габариты проекции.
3. Выбрать сечение для применения на проекции. Данное действие следует выполнить, только если строится разрез или сечение.
4. Выбрать тела, к которым будет применяться сечение. Данное действие следует выполнить, только если строится разрез или сечение, причем сечение должно применяться к отдельным элементам.
5. Выбрать элементы модели для проецирования (необязательное действие). По умолчанию проецируется вся 3D-сцена, но можно проецировать и отдельные тела или части тел.
6. Задать параметры проекции (необязательное действие) можно в диалоговом окне Параметры проекции.
7. Выбрать тип создаваемой 2D-проекции (линии изображения, векторная картинка и т.п.). Тип создаваемой 2D-проекции определяется в раскрывающемся списке, расположенном в разделе Основные параметры окна свойств команды.
Подтвердить ввод командой автоменю Закончить ввод
Построение видов
Построение стандартных видов. Наиболее простой способ быстро получить чертежи 3D-модели — построить один или несколько стандартных видов.
Для удобства возможность построения наиболее часто используемых трех стандартных видов реализуется командой Создать три стандартных вида
Если система определит, что габариты строящейся проекции не умещаются в пределы рабочей зоны страницы, то она предложит скорректировать параметры для размещения изображения в пределах страницы.
Располагать создаваемую 2D-проекцию можно как на текущей странице, так и на вновь созданной. Для работы со страницами чертежа используется команда Настройка —> Страницы.
При проецировании независимых тел, проникающих друг в друга, возможно неверное определение видимости линий. В таком случае рекомендуется сначала объединить тела в единое тело с помощью булевой операции.
После произведенного выбора в 2D-окне появятся синие рамки, привязанные к курсору. Эти рамки обозначают габариты будущих проекций. Для привязки какого-то конкретного вида его нужно выделить. Выделение вида осуществляется одним щелчком мыши внутри синего прямоугольника или выбором требуемого пункта в раскрывающемся списке окна свойств. После выбора проекции необходимо выбрать точку привязки на 2D-виде. Если кнопка Привязка вида
Если привязывается вид спереди (главный), остальные виды сохраняют свое положение относительно главного с соблюдением условий проекционной связи с главным видом. Точка привязки вида располагается по центру проекции. Если требуется совместить точку привязки с конкретным элементом 3D-модели (3D-узлом или вершиной), то следует строить проекцию с помощью набора инструментов, который открывается при выборе кнопки Произвольный вид
Команда Создание набора стандартных видов
По команде Создание одного стандартного вида
Создание дополнительного вида. Режим создания дополнительного вида (вида по стрелке) включает команда Создать дополнительный вид
Создание разреза или сечения
Перед тем как начать строить разрез или сечение, нужно иметь в наличии ряд элементов. Во-первых, предварительно требуется построить либо 3D-сечение (команда Построения —> Сечение), либо обозначение сечения на чертеже (команда Создать обозначение вида
Режим создания разреза или сечения устанавливается с помощью кнопки Создать разрез или сечение
Разрыв или установка связи создаваемой проекции с заданным сечением осуществляется с помощью кнопки Установить или разорвать проекционную связь с главнымвидом
Параметры для управления использованными сечениями объединены в одну группу и размещены на вкладке Сечения окна свойств (рис. 14.8). Применяемые сечения показаны в списке Использовать сечения. В данном списке отображаются имена или идентификаторы 3D-сечений. Для выбора дополнительного 3D-сечения нужно поместить курсор в свободную строку, помеченную многоточием, после чего указать на нужный элемент в пространстве модели или в окне 3D-модель.
Выбор сечения также можно осуществить при помощи команды Определить применяемые сечения
Тип проекции, построенной с использованием сечений (разрез, сечение, разрез с разворотом/радиальный разрез, сечение с разворотом), можно выбрать в раскрывающемся списке. Разворот может быть выполнен только в случае, если использовалось сложное сечение (состоящее из нескольких сегментов).
Каждое сечение можно применять сразу ко всем проецируемым или только к отдельно выбранным объектам из числа проецируемых. Список операций/тел, к которым применяется выбранное сечение, отображается в списке Применять к. Для выбора элементов, к которым будет применяться сечение, используйте список в окне свойств или кнопку Выбрать операцию
С помощью раскрывающегося списка можно установить способ использования списка тел. Доступные варианты: К выбранным элементам, Ко всем, кроме выбранных, Ко всем элементам. Пункт Ко всем элементам выбран по умолчанию и применяется, когда список элементов пуст.
Рис. 14.8. Окно установки параметров
Параметр Разрез с разворотом/Радиальный разрез работает в одном из двух режимов — в зависимости от того, какой тип сложного сечения в данном случае применялся. Если сложное сечение состоит из отрезков, то все сечение полностью разворачивается. Если хотя бы один из сегментов сложного сечения представляет собой дугу окружности, то включается режим построения радиального разреза. При этом все дуги при развороте сечения исключаются. Параметр Сечение с разворотом заставляет всегда строить развернутое сечение, даже если в нем присутствуют дуги окружностей.
В общем случае последовательность действий при нанесении сечения или разреза (разреза с разворотом сечения) может быть следующей:
1. Создать сечение (команда Построения —> Сечение). Если чертежа 2D-вида не существует, то можно задать сечение по 2D-проекции (кнопка Создать сечение на основе 2D проекции
2. С помощью команды Чертеж —> 2D проекция выбрать параметр Создать разрез или сечение
3. Выбрать сечение.
4. Задать точку или узел привязки.
5. Задать параметры 2D-проекции с помощью команды Чертеж —> 2D проекция (необязательное действие).
6. Выбрать тело (ребро, грань, цикл). По умолчанию проецируется вся 3D-сцена.
Назначить, как именно будет использоваться плоскость сечения (для получения сечения, разреза, разреза с разворотом сечения), вы можете путем настройки параметров 2D-проекции (вкладка Вид).
Например, построив сечение по 2D-проекции, можно получить разрез модели в виде, представленном на рис. 14.9.
Рис. 14.9. Наклонный разрез
Если необходимо изменить положение разреза, то воспользуйтесь командой Установить —> Разорвать проекционную связь с сечением
Рис. 14.10. Разрез с разворотом
Для создания местного разреза используется кнопка Создать местный разрез
По окончании создания местного разреза штриховка закроет собой часть основной проекции. Линии местного разреза будут нарисованы с более высоким приоритетом, чем у штриховки и у линий основной проекции.
Геометрия линий изображения, ограничивающих контур исходной штриховки, может учитываться при определении границ местного разреза. Например, если контур штриховки задан волнистыми линиями, то границы местного разреза также будут волнистыми. Режим учета типа линий можно включить или выключить при настройке параметров местного разреза.
Далее необходимо определить положение плоскости разреза. Нормаль плоскости автоматически совпадает с направлением взгляда основной проекции — той, на которой строится местный разрез. Далее позиционировать плоскость разреза можно либо по 3D-узлу, либо по 2D-узлу на другой проекции. Например, если вы строите местный разрез на виде слева, то 2D-узел можно указать на одном из соседних стандартных видов — спереди, сверху, снизу, сзади.
2D- или 3D-узел можно выбрать с помощью кнопки Выбор 3D-точки
Местный разрез автоматически привязан к проекции, на которой он построен. Но иногда может потребоваться разорвать эту связь и привязать местный разрез к чертежу в другом месте. Разрывает связь команда Установить или разорвать проекционную связь с главным видом
При создании местного разреза рекомендуется выбирать элементы модели для проецирования. Если выбрать только те элементы, которые попадают в область разреза, то проекция будет пересчитываться быстрее (рис. 14.11).
Рис. 14.11. Пример формирования местного разреза
Создание разрыва на проекции
Часто при создании чертежей длинномерных деталей приходится вырезать некоторый участок вида детали с целью обеспечить компактность чертежа. Разрыв можно сделать при построении всех видов проекций, кроме разреза с разворотом сечения. При работе с разрывами следует помнить о ряде особенностей:
� При привязке радиального или обоих узлов линейного размера к линиям такой проекции или к потомкам линий проекции система автоматически корректирует размер для получения истинного значения.
• Если разрыв создается на уже существующей проекции (при ее редактировании), к которой привязаны некоторые элементы (например, размеры), то эти элементы могут не найтись вследствие изменения топологии проекции после создания разрыва.
Команда построения разрыва на проекции доступна во многих режимах построения проекций:Вид с разрывом
Сжимать пространство можно только в двух взаимно перпендикулярных направлениях. Количество разрывов в обоих направлениях не ограничено. Разрыв задается прямоугольной областью. Две границы ее определяются габаритами проекции, остальные две задаются пользователем с помощью мыши и соответствующих параметров.
Прямоугольная область разрыва в момент создания и редактирования штрихуется линиями, показывающими направление сжатия пространства (перпендикулярно к линиям разрыва). Предварительное изображение проекции строится синими линиями.
На рис. 14.12 показан пример проекции с разрывом.
Рис. 14.12. Построение проекции с разрывом
Дополнительная настройка разрывов производятся также при помощи окна свойств (рис. 14.13).
Рис. 14.13. Вид окна настройки
Для настройки свойств линий, ограничивающих разрыв, нужно вызвать дополнительное диалоговое окно (рис. 14.14) щелчком на кнопке Тип линий в окне свойств.
Рис. 14.14. Окно выбора типа линий
Разрыв проекции может быть ограничен разными по форме линиями. Это может быть прямая, волнистая или ломаная линия. Для волнистой и ломаной линий можно установить такие параметры, как амплитуда и период. Параметры масштаба штрихов, толщины и типа линии определяют стиль линии разрыва. Для ломаной линии нужно устанавливать такое значение периода, чтобы на линии разрыва была одна щепка. Размер щепки управляется амплитудой.
Следует учитывать особенность работы механизма построения проекции с разрывом. При расчете проекции программа «в уме» строит отсечение по указанному типу разреза. Поэтому чем линия разрыва сложнее, тем дольше происходит регенерация проекции с разрывом.
При создании нового разрыва параметры разрыва можно скопировать с существующей проекции. После щелчка на кнопке Копировать линии разрыва
Глава 15. Создание моделей и ассоциативных чертежей деталей
В этой главе описаны этапы создания в системе T-Flex 3D-моделей деталей, упомянутых во введении к этой книге, и ассоциативных чертежей для двух моделей.
15.1. Изолятор
В этом разделе мы создадим трехмерную модель изолятора, показанную на рис. 15.1.
Рис. 15.1. Модель изолятора
1. Создайте новый документ, выбрав в меню команду Файл —> Новая 3D модель или щелкнув на кнопке Новая 3D модель
2. Щелкните в автоменю на кнопке Создать две перпендикулярные прямые и узел
3. На системной панели инструментов щелкните на кнопке Создать изображение
4. Выберите команду Выталкивание
5. Отметьте правой кнопкой мыши верхнюю грань полученной модели и в появившемся контекстном меню выберите команду Чертить на грани, затем вновь вызовите команду Построить прямую
рисунке. Расстояние между ближайшими к центру вертикальными прямыми должно быть равным 40 мм. С помощью команды Создать изображение
В результате мы должны получить требуемую модель (см. рис. 15.1).
15.2. Вкладыш
В этом разделе мы создадим трехмерную модель вкладыша, показанную на рис. 15.2.
Рис. 15.2. Модель вкладыша
1. Создайте новый документ, выбрав в меню команду Файл —> Новая 3D модель или щелкнув на кнопке Новая 3D модель
2. В автоменю щелкните на кнопке Создать две перпендикулярные прямые и узел
3. На системной панели инструментов щелкните на кнопке Создать изображение
4. Выберите команду Выталкивание
5. Щелкните правой кнопкой мыши на верхней грани полученной модели и в появившемся контекстном меню выберите пункт Чертить на грани. С помощью кнопок Построить прямую
на рисунке. Расстояние между параллельными прямыми — 130 мм, радиусы окружностей — 25 и 80 мм. Далее с помощью команды Узел
6. Вновь выберите команду Выталкивание
7. Вызовите из меню команду Чертеж —> Копия —> Копирование симметрично. В автоменю будет доступна лишь одна кнопка — Режим добавления элементов копирования
8. Выберите команду Выталкивание
9. Установите вид спереди с помощью команды Вид —> Проекция —> Вид спереди
10. Выберите команду Выталкивание
11. Завершите ввод данных командой Завершить ввод
12. Для вырезания четверти объема выберите в качестве рабочей горизонтальную плоскость и вызовите команду Построения —> Сечение. Для создания сечения на рабочей плоскости щелкните в автоменю на кнопке Создать сечение на основе рабочей плоскости
13. Для визуализации сечения выполните команду Вид —> Применить сечение. Управлять видимостью сечения можно также из дерева модели.
В результате мы должны получить требуемую модель (см. рис. 15.2).
15.3. Радиатор игольчатый
В этом разделе мы создадим трехмерную модель игольчатого радиатора, показанную на рис. 15.3.
Рис. 15.3. Модель игольчатого радиатора
1. Создайте новый документ, выбрав в меню команду Файл —> Новая 3D модель или щелкнув на кнопкеНовая 3D модель
2. В автоменю щелкните на кнопке Создать две перпендикулярные прямые и узел
3. Выберите команду Выталкивание
4. Вызовите команду Построения —> Прямая или щелкните на кнопке Построить прямую
5. Выберите команду Выталкивание
6. Выберите в меню команду Операции —> Массив —> Линейный. В окне Общие на вкладке параметров команды укажите вариант Массив операций. В поле 3D-модели выделите указателем иглу радиатора, в окнах направлений выберите вариант Количество копий и шаг и установите шаг, равным 5, количество копий — 7 и 5 для первого и второго
направлений соответственно. Наведите мышь на кнопку Выбор направления
7. С помощью команд пиктографического меню Выбор направления
8. Просмотрите полученный результат с помощью команды Предварительный просмотр и завершите операцию щелчком на кнопке Завершить ввод
9. Для создания фасок на отверстиях выберите в меню команду Операции —> Сглаживание —> Ребер, установите в окне параметров команды параметр Фаска (длина, угол), отметьте все шесть ребер отверстий и установите длину 0,5 мм и угол 45°. Завершите операцию щелчком на кнопке Завершить ввод
В результате мы должны получить требуемую модель (см. рис. 15.3).
15.4. Уголок
В этом разделе мы создадим трехмерную модель уголка, показанную на рис. 15.4.
Рис. 15.4. Модель уголка
1. Создайте новый документ, выбрав в меню команду Файл —> Новая 3D модель или щелкнув на кнопкеНовая 3D модель
2. Выберите в меню команду Настройка —> Сетка и установите все флажки в появившемся окне. С помощью команды Создать две перпендикулярные прямые и узел
3. Выберите в автоменю команду Скругление
4. Вызовите команду Выталкивание
5. Выберите в меню команду Операция —> Копия
6. Для создания скруглений вызовите команду Операции —> Сглаживание —> Ребер и установите в окне параметров команды параметр Скругление. Щелкните в автоменю на кнопке Выбрать ребро
7. Отметьте правой кнопкой мыши верхнюю грань основания и в появившемся контекстном меню выберите пункт Чертить на грани. Воспользовавшись командой Узел
В результате мы должны получить требуемую модель (см. рис. 15.4).
15.5. Втулка
В этом разделе мы создадим трехмерную модель втулки, показанную на рис. 15.5.
Рис. 15.5. Модель втулки
1. Создайте новый документ, выбрав в меню команду Файл —> Новая 3D модель или щелкнув на кнопкеНовая 3D модель
2. С помощью команды Создать две перпендикулярные прямые и узел
3. Убедитесь, что в автоменю нажата кнопка Сложение
4. Выделите торцевую плоскость модели и выберите в меню команду Чертить на грани, затем вызовите команду Построения —> Прямая или щелкните на кнопке Построить прямую
5. Вызовите команду Выталкивание
6. Вызовите команду Операции —> Массив —> Круговой и на вкладке команды в окне Общие установите параметр Массив операций, а в окне Поворот — Общий угол и шаг. В начале выполнения команды в автоменю будет доступна кнопка Выбор 3D операции
7. После указания операции становится доступной кнопка Выбор точек оси вращения
8. Уточните значение шага так, чтобы треугольные профили касались друг друга, после чего завершите операцию щелчком на кнопке Завершить ввод
В результате мы должны получить требуемую модель (см. рис. 15.5). На рисунке представлен ее вид с вырезанной четвертью, позволяющий раскрыть внутреннюю структуру построенной модели.
15.6. Кронштейн
В этом разделе мы создадим трехмерную модель кронштейна, показанную на рис. 15.6.
Рис. 15.6. Модель кронштейна
1. Создайте новый документ для построения 3D-модели, выберите в качестве рабочей плоскости вид спереди и нарисуйте эскиз профиля модели согласно приведенному рисунку.
2. Вызовите команду Выталкивание
3. Выделите правой кнопкой мыши в дереве модели плоскость Вид спереди и в появившемся контекстном меню выберите команду Создать/Построить рабочую плоскость. Прямым указанием курсора в графическом окне выделите переднюю грань модели и создайте рабочую плоскость. Затем создайте эскиз двух заштрихованных полуколец в соответствии с рисунком. Узел начала координат разместите в центре рабочей плоскости. С помощью команды Узел
4. Вызовите команду Выталкивание
5. Выберите рабочую плоскость Вид справа. Создайте показанный на рисунке прямоугольник с размерами 20×110 мм. Вызовите команду Выталкивание
6. Откажитесь от предлагаемого системой подтверждения выбора операндов логических операций. В результате должна получиться модель, показанная на рисунке.
7. Вызовите команду Булева операция
8. Вызовите команду Построения —> Рабочая плоскость и прямым указанием курсора создайте рабочую плоскость на верхней грани опорной части модели. Затем перейдите в режим черчения на созданной рабочей плоскости и с помощью команды Создать две перпендикулярные прямые и узел
9. Для создания крепежного отверстия выполните команду Операции —> Отверстие. Установите параметры отверстия, как показано на рисунке.
10. Указав мышью на 3D-узел, создайте объект, щелкните на кнопкеЗавершить ввод
11. Выполните сглаживание ребер, воспользовавшись одноименной командой меню Операции. При выполнении команды задайте радиус 3 мм и щелкните в автоменю на кнопке Выбор ребер
12. Для дальнейшего построения модели необходимо объединить в единое целое созданные на предыдущих шагах объекты-тела. После просмотра дерева модели вызовите команду Булева операция
13. Выберите в меню команду Операции —> Симметрия, выделите курсором модель и плоскость вида спереди, после чего щелкните на кнопке Завершить ввод
В результате мы должны получить требуемую модель (см. рис. 15.6).
15.7. Корпус
В этом разделе мы создадим трехмерную модель корпуса, показанную на рис. 15.7.
Рис. 15.7. Модель корпуса
1. Создайте новый документ для построения 3D-модели. Выберите в качестве рабочей плоскости вид спереди и, щелкнув на кнопке Создать изображение
2. Вызовите команду Создать вращением
3. Выделите в окне модели горизонтальную плоскость (вид сверху) и в контекстном меню выберите команду Создать —> Построить рабочую плоскость. По умолчанию дополнительная плоскость расположена над горизонтальной на расстоянии 10 мм. Согласитесь с предлагаемыми параметрами, создайте плоскость, щелкнув на кнопке Завершить ввод
4. Выделите указателем мыши созданную плоскость и в контекстном меню выберите пункт Чертить на рабочей плоскости. Вызовите команду Построения —> Прямая или щелкните на кнопке Построить прямую
5. Вызовите команду Выталкивание
6. С помощью кнопки Вид сверху
7. Выделите круговое ребро для задания центра отверстия, после чего завершите ввод и закончите работу с командой.
8. Выберите команду Операции —> Массив —> Круговой и в окне дерева модели укажите последнее созданное тело. Произвести выбор требуемого объекта можно и непосредственно в графическом окне модели, указав на него мышью.
9. В окне настройки команды установите параметры в соответствии с рисунком.
10. Задайте точки оси вращения массива и выполните команду.
11. Для создания фронтального отверстия отметьте в дереве модели плоскость Вид спереди и в контекстном меню выберите команду Создать/Построить рабочую плоскость.
12. В графическом окне модели укажите на цилиндрическую поверхность модели и создайте дополнительную плоскость.
13. На созданной рабочей плоскости с помощью команды Создать две перпендикулярные прямые и узел
14. Установите вид cлева, включите режим построения эскиза и создайте прямоугольник с размерами, указанными на рисунке.
15. Выберите команду Выталкивание
16. Вызовите команду Булева операция
В результате мы должны получить требуемую модель (см. рис. 15.7).
15.8. Пружина
В этом разделе мы создадим трехмерную модель пружины, показанную на рис. 15.8.
Рис. 15.8. Модель пружины
1. Создайте новую 3D-модель, выберите в качестве рабочей плоскости вид сверху и нарисуйте отрезок длиной 50 мм. Затем выберите в меню команду Операции —> Пружина. После этого в автоменю окажется нажатой кнопка Ввод начальной точки оси пружины
2. Установите значение шага витков пружины равным 5 и щелкните на кнопке Предварительный просмотр
3. Установите дополнительные параметры так, как показано на рисунке, и в режиме предварительного просмотра ознакомьтесь с влиянием на форму пружины остальных параметров команды.
В результате мы должны получить требуемую модель (см. рис. 15.8).
15.9. Создание ассоциативного чертежа радиатора
В этом разделе мы построим чертеж созданной нами ранее (см. раздел 15.3) трехмерной модели радиатора.
1. В окне 3D-модели выберите в меню команду Чертеж —> 2d проекция
2. Для удобства нанесения размеров выполните местный разрез, проходящий через центральное отверстие радиатора. Для этого перейдите в режим выполнения эскиза, щелкнув на кнопке Эскиз
3. Переместите выделенное изображение в подходящее место чертежа согласно рисунку.
4. Для дальнейшей работы с выносным элементом щелкните правой кнопкой мыши на созданном виде и выберите в контекстном меню команду Активировать чертежный вид. Отметьте обозначение вида и увеличьте просвет между изображением разреза и надписью, при необходимости откорректируйте изображение. Затем проставьте размеры, используя команду Чертеж —> Размер
5. Пример оформления выносного элемента представлен на рисунке. Чтобы закончить работу с видом, щелкните на нем правой кнопкой мыши и выберите в контекстном меню команду Закрыть чертежный вид.
6. Для включения в чертеж аксонометрической проекции выполните команду Чертеж —> 2d проекция
15.10. Создание ассоциативного чертежа опоры
В этом разделе мы построим чертеж опоры по модели, которую предварительно вам потребуется создать самостоятельно согласно рис. 15.9.
Рис. 15.9. Данные для построения модели опоры
При самостоятельном создании модели можно воспользоваться представленной на рис. 15.10 последовательностью формирования тела детали.
Рис. 15.10. Последовательность создания 3D-модели: а — создание профиля детали и выполнение операции выталкивания; б — создание профиля на вертикальной стенке детали и выполнение операции вычитания; в — создание сквозного отверстия в основании детали с установкой требуемых параметров отверстия на вкладке свойств; г — создание на нижней грани основания эскиза и выполнение операции вычитания; д — создание резьбовых отверстий в вертикальной стенке детали с установкой требуемых параметров отверстий на вкладке свойств
Теперь, предполагая, что модель опоры создана, рассмотрим собственно процедуру построения ассоциативного чертежа опоры.
1. Для создания чертежа модели в 2D-окне выберите в меню команду Чертеж —> 2D проекция
2. В автоменю щелкните на кнопке Создать стандартный вид
3. Переместите прямоугольный фантом вида в нужное место чертежа и подтвердите свой выбор щелчком на кнопке Завершить ввод
4. Изменить параметры обозначения разреза можно с помощью контекстного меню. Для этого наведите указатель мыши непосредственно на обозначение разреза и щелкните правой кнопкой мыши. Выбор в меню команды Свойства вызывает появление на экране соответствующего окна настройки.
5. Установите для выносной линии и стрелки длину 10, а для отступов значение 5 и выполните команду Чертеж —> 2D проекция
6. Выполните местный разрез на виде слева. Для этого нанесите контур будущего разреза тонкими линиями, как показано на рисунке. По команде Создать штриховку
7. Выполните команду Чертеж —> 2D проекция
8. Для создания выносного элемента выполните команду Чертеж —> Чертежный вид
На рис. 3.13 показан чертеж опоры после нанесения необходимых размеров, размещения видов в соответствии с форматом и заполнения основной надписи чертежа.
Часть VI. Тестирование, самостоятельная работа, обмен данными между системами
Глава 16. Тестирование начальных навыков трехмерного моделирования
Представленные в книге задания предназначены для формирования начальных навыков трехмерного моделирования. Составляющими этих навыков являются, в частности, знание требований, касающихся выбора главного изображения моделируемой детали, и особенностей грамотного выполнения эскизов и формообразующих операций, а также умение их быстро создавать и редактировать.
16.1. Многовариантность 3D-моделирования деталей
При создании твердотельной модели пользователю приходится мыслить в терминах ее конструктивных элементов. В примере на рис. 16.1 на первом этапе создается основание в виде цилиндра с двумя отверстиями, на втором этапе — прямоугольный вырез, на третьем — цилиндрическое углубление.
Рис. 16.1. Этапы создания модели втулки
Рисунок 16.2 иллюстрирует первые два этапа при выборе других способов построения модели втулки и показывает, что отличительной особенностью процедур создания трехмерных моделей является их многовариантность.
Рис. 16.2. Другие варианты реализации первых двух операций создания модели втулки
В то же время многочисленные исследования показывают, что при создании пространственных образов и оперировании ими учащиеся, конструкторы, проектировщики имеют стойкие индивидуальные особенности. Таким образом, трехмерный графический редактор становится универсальным инструментом для реализации различных сценариев построения моделей, и эти сценария выбираются с учетом индивидуального восприятия пространственных образов.
Тем не менее многолетний опыт преподавания основ трехмерного моделирования говорит о том, что сценарии построения моделей у начинающих пользователей очень далеки от оптимальных, о чем легко судить по формируемым деревьям моделей. Можно утверждать, что дерево модели — удобное средство контроля рациональности подхода к созданию модели. Один из важных аспектов рациональности построения модели связан с минимизацией объектов модели, то есть с минимизацией количества формообразующих операций, необходимых для создания модели.
16.2. Разбор карты тестирования по деревьям моделей
В приложение А включено 5 вариантов карт тестирования начальных навыков трехмерного моделирования. Еще 10 вариантов таких карт можно найти в литературе [1]. В табл. 16.1 показан один из вариантов карты тестирования по теме «Построение трехмерных моделей деталей».
Таблица 16.1. Карта тестирования
Тест. Построение трехмерных моделей деталей
Вариант 31
31.1. Укажите минимальное количество формообразующих операций, необходимых для создания показанной модели детали
31.2. Укажите номера деталей, для создания трехмерных моделей которых достаточно двух формообразующих операций
31.3. Какое минимальное количество формообразующих операций необходимо для преобразования модели 1 в модель 2? Операцию выреза четверти не учитывать
31.4. Укажите номера деталей, для создания моделей которых необходимо более двух формообразующих операций. Операцию сечения по эскизу не учитывать
31.5. Укажите минимальное количество формообразующих операций, необходимых для создания трехмерной модели детали 1 и детали 2. Операцию сечения по эскизу не учитывать
В рассматриваемых в книге системах для наглядного представления последовательности построения модели используются «деревья». Таблица 16.2, с опорой на деревья, иллюстрирует этапы построения моделей по пяти вопросам теста.
Таблица 16.2. Представление формообразующих операций для создания моделей
К вопросу 31.1
К вопросу 31.2
К вопросу 31.3
К вопросу 31.4
К вопросу 31.5
По вопросу 31.1 требуется указать минимальное количество формообразующих операций, необходимых для создания показанной детали. В зависимости от варианта, для создания модели достаточно от 4 до 6 формообразующих операций.
Вопросы 31.2 и 31.4 теста требуют анализа формы простых моделей, для создания которых достаточно, как правило, не более 3 формообразующих операций.
Вопросы 31.3 и 31.5 иллюстрируются изображениями более сложных моделей. Для правильных ответов на поставленные вопросы требуется целесообразно представить дерево построения каждой модели.
16.3. Разбор карты тестирования для систем AutoCAD и T-Flex
В системах AutoCAD и T-Flex 3D модель объекта представляется совокупностью тел, образуемых базовыми операциями и связанных между собой по определенным логическим закономерностям. В силу достаточно общих функциональных возможностей таких формообразующих команд, как Выталкивание и Вращение, их применение в конкретном объектном окружении требует логического уточнения (обязательного указания первого операнда логической операции).
В табл. 16.3 приведены примеры реализаций 3D-моделей объектов, иллюстрирующие возможные последовательности логических операций.
Таблица 16.3. Представление формообразующих операций для создания моделей
К вопросу 31.1
а
б
в
г
д
е
ж
К вопросу 31.2
31.2.1
31.2.2
31.2.3
31.2.4
31.2.5
31.2.6
а
а
а
а
а
а
б
б
б
б
б
б
в
в
в
в
в
в
г
г
д
д
К вопросу 31.3
а
б
в
г
д
е
ж
з
и
к
л
м
н
К вопросу 31.4
31.4.1
31.4.2
31.4.3
31.4.4
а
а
а
а
б
б
б
б
в
в
в
в
г
г
г
г
д
д
е
е
К вопросу 31.5
1
2
3
4
5
6
7
8
9
10
11
12
13
14
15
16
В решении данных задач в системе AutoCAD, в отличие от других четырех систем, в том, что при создании какого-либо пространственного примитива, дополняющего предшествующую модель, необходимо применять булевы операции (как правило — объединения или вычитания), что, несомненно, увеличивает общее количество шагов моделирования.
Например, в вопросах 31.1, б, г, е требуются операции вычитания построенных объектов; в вопросе 31.2, б — операции объединения; в 31.2.2 и 31.2.3, г —операции вычитания. А в вопросе 31.2.1, б в системе T-Flex потребуется создание дополнительной рабочей плоскости для устранения конфликтов между профилями эскизов.
В вопросе 31.3 шаги в, д, ж, и — операции объединения, шаги л, н — операции вычитания.
В вопросе 31.4 шаги в, д — операции вычитания.
В вопросе 31.5 шаги 9, 12, 14, 16 — операции вычитания, шаги 3, 5, 7 — операции объединения.
Как видно из разобранных тестовых примеров, количество операций трехмерного моделирования в системах AutoCAD и T-Flex в полтора-два раза больше, чем в остальных трех CAD-системах.
В AutoCAD, в отличие от остальных систем, при создании нового пространственного элемента постоянно приходится менять положение пользовательской системы координат (UCS), вместо того чтобы указать существующую координатную плоскость или плоскую грань и создавать на ней эскиз.
Глава 17. Самостоятельная работа в области 2D- и 3D-технологий
Выполнения представленных в предыдущих главах заданий направлено на формирование начальных навыков трехмерного моделирования. В данной главе представлены задания, ориентированные в основном на формирование навыков оформления чертежей.
17.1. Модель и чертеж рупора
Для создания модели рупора, показанной на рис. 17.1, выполните две операции: Вращения и Вырезать выдавливанием. Исходные данные для эскизов содержит рис. 17.2.
Рис. 17.1. Модель рупора
Оформление чертежа, показанного на рис. 17.3, осуществляется в несколько этапов.
Вначале выполняется компоновка и редактирование видов в поле формата А3. Последующие этапы рассмотрены на примере применения системы КОМПАС.
1. Простановка размеров. С помощью команд инструментальной панели Размеры проставьте в чертеже необходимые размеры (рис. 17.4).
а
б
Рис. 17.2. Эскизы рупора для выполнения операций: а — вращения; б — вырезания выдавливанием
Рис. 17.3. Чертеж рупора
Рис. 17.4. Компактная панель в режиме чертежа с открытой панелью инструментов Размеры
2. Простановка технологических обозначений. Проставьте в чертеже необходимые обозначения, используя на инструментальной панели Обозначения следующие команды (рис. 17.5):
•Шероховатость;
•База;
•Допуск формы;
•Стрелка взгляда;
•Обозначение центра.
Рис. 17.5. Компактная панель в режиме чертежа с открытой панелью инструментов Обозначения
3. Оформление технических требований. Вызовите команду Вставка —> Технические требования —> Ввод и введите технические требования, показанные над основной надписью на рис. 17.3. Для выхода из режима щелкните на кнопке Закрыть в правом верхнем углу окна. Для возвращения в режим работы с чертежом ответьте Да на запрос системы относительно сохранения изменений в чертеж. При необходимости вызовите команду Вставка —> Технические требования —> Размещение, задайте размеры страницы технических требований и ее положение на чертеже.
4. Простановка знака неуказанной шероховатости. Вызовите команду Вставка —> Неуказанная шероховатость —> Ввод и введите значение шероховатости неуказанных поверхностей.
5. Заполнение основной надписи. Для активизации процедуры заполнения основной надписи можно использовать несколько способов:
• дважды щелкнуть мышью в любой точке основной надписи;
• выбрать команду Вставка —> Основная надпись;
• щелкнуть правой кнопкой мыши и выбрать в контекстном меню команду Заполнить основную надпись.
Признаком активности (доступности для заполнения) является появление в основной надписи границ ячеек с учетом заданных отступов текста.
Далее при заполнении основной надписи в ручном режиме поставьте курсор в нужную ячейку и заполните ее. При заполнении основной надписи доступны все возможности текстового редактора. После заполнения отдельных ячеек или всей основной надписи щелкните на кнопке Создать объект.
Для заполнения ячеек в полуавтоматическом режиме щелкните дважды внутри выделенной ячейки. При этом в зависимости от того, какая ячейка выбрана для заполнения, возможен вызов соответствующих дополнительных данных.
17.2. Модель и чертеж крышки
В табл. 16.2 и 16.3 главы 16 при разборе ответа на третий вопрос теста показаны этапы построения детали в различных CAD-системах. Назовем эту деталь крышкой. Используя информацию из указанных таблиц и рис. 17.6, требуется построить модель и чертеж крышки. Чертеж должен содержать:
• ступенчатый разрез на месте вида спереди;
• вид сверху;
• профильный разрез на месте вида слева;
• дополнительный вид и местный разрез;
• истинный вид наклонного сечения;
• размеры;
• аксонометрическое изображение детали с разрезом.
Чертеж необходимо оформить в соответствии с требованиями ЕСКД и вывести на печать.
В случае возникновения затруднений при создании модели и чертежа крышки целесообразно обратиться к главе 4 очень обстоятельного пособия [9].
Рис. 17.6. Чертеж крышки
17.3. Вывод чертежа на печать
Вывод на печать чертежей, созданных в системе КОМПАС, осуществляется через режим предварительного просмотра документа. Для включения этого режима на панели Стандартная щелкните на кнопке Предварительный просмотр (рис. 17.7).
Рис. 17.7. Кнопка предварительного просмотра на стандартной панели
Если открыт один документ, то система сразу перейдет в режим предварительного просмотра. На экране в левой части появится панель свойств, а в правой части будет выведен документ, выбранный для печати (рис. 17.8).
Рис. 17.8. Документ в режиме предварительного просмотра
Вы можете напечатать не весь текущий лист документа, а только его часть, ограниченную прямоугольником произвольных размеров. Для этого щелкните на кнопке Указать часть на панели свойств. На экране появится текущий лист документа и рамка, ограничивающая печатаемую часть. Чтобы изменить размеры рамки, введите нужные значения в поля группы Отступ (рис. 17.9). Можно также переместить стороны или углы рамки мышью.
Рис. 17.9. Выбор печатаемой части документа
Существуют несколько возможностей размещения документа в области вывода:
• перемещение;
• поворот;
• масштабирование.
Перемещать документ можно разными способами, в том числе произвольно, с привязкой к углу листа, с привязкой к углу другого документа.
Поворот документа осуществляется с помощью команд Повернуть против часовой стрелки и Повернуть по часовой стрелке.
Масштабирование документа позволяет разместить документ на определенном количестве листов. Следует иметь в виду, что для вывода на печать чертежа формата А4 потребуется четыре машинописных листа, так как чертежный формат не помещается в полосу печати большинства принтеров. Для рационального размещения документа, например, на одном листе следует воспользоваться командой Сервис —> Подогнать масштаб. После вызова команды на экране появится диалоговое окно Подгонка масштаба документа (рис. 17.10).
Рис. 17.10. Подгонка масштаба документа
После установки в полях необходимых значений щелкните на кнопке OK, и система перерисует изображение в соответствующем масштабе (рис. 17.11).
В завершение вызовите команду Файл —> Печать. На экране возникнет уведомление о процессе. Чтобы вернуться в чертежно-графический редактор, щелкните на кнопке Закрыть просмотр на панели инструментов.
Рис. 17.11. Документ, подготовленный для вывода на лист формата А4
Обмен графическими данными по моделям деталей и чертежам
В этой главе рассматриваются ограничения при обмене графическими данными между системами Компас-3D, SolidWorks, Autodesk Inventor и AutoCAD.
18.1. Обмен графическими данными по моделям деталей
Для того чтобы экспортировать документ в другие системы, откройте соответствующий документ, выберите команду Файл —> Сохранить как, в списке Тип файла выберите нужный тип файла и в поле Имя файла введите имя файла. В случае необходимости задайте нужные параметры конвертирования.
Для того чтобы открыть импортированный документ, выберите команду Файл —> Открыть и укажите нужный файл. В случае необходимости задайте нужные параметры чтения.
Все форматы векторных графических файлов условно можно разделить на две группы:
• графические документы программ векторной графики;
•форматы для обмена векторными изображениями.
Далее приводятся краткие характеристики наиболее распространенных форматов обмена.
В табл. 18.1 показаны наиболее распространенные методы преобразования данных для документов четырех CAD-систем.
Таблица 18.1. Методы обмена данными по моделям деталей
Наименование
Компас-3D
SolidWorks
Autodesk Inventor
AutoCAD
Импорт
Экспорт
Импорт
Экспорт
Импорт
Экспорт
Импорт
Экспорт
ACIS (*.sat)
+
+
+
+
+
+
+
+
DXF/DWG (*.dxf,*dwg)
+
+
+
+
+
+
+
+
IGES (*.igs,*.iges)
+
+
+
+
+
–
–
–
Parasolid (*.x_t,*.x_b,*.xmt_txt,*.xmt_bin)
+
+
+
+
–
–
–
–
STEPAP203/214 (*.step, *.stp)
+
+
+
+
+
–
–
–
VRML(*.wrl)
–
+
+
+
–
–
–
–
Остановимся на терминологии табл. 18.1.
•ACIS — общее наименование для данных, с которыми работает лицензируемое (то есть доступное сторонним разработчикам) ядро системы геометрического моделирования ACIS. Ядро ACIS для своих программ, в частности, использует корпорация Autodesk (Inventor, Mechanical Desktop). Для выводимых данных применяются форматы SAT и SAB.
•DWG (Drawing Database) — один из основных форматов системы AutoCAD.
•DXF (Drawing Interchange Format) — формат, много лет назад ставший де-факто стандартом для обмена чертежами в различных CAD-системах.
•IGES (Initial Graphics Exchange Specification) — нейтральный формат обмена данными для CAD-систем. Поддерживает традиционные инженерные чертежи и трехмерные модели.
•Parasolid — ядро системы геометрического моделирования, в настоящее время используемое в таких САПР, как Unigraphics, SolidWorks, T-Flex и других.
•STEP — стандарт ISO для компьютерного представления и обмена индустриальными данными. Чаще всего STEP используется для обмена данными между CAD-, CAM-, CAE- и PDM-системами.
•VRML — стандартный формат файлов для демонстрации трехмерной интерактивной векторной графики, чаще всего используется в WWW.
•X_B — текстовый формат экспорта САПР, основанных на ядре Parasolid.
•X_T — бинарный формат экспорта САПР, основанных на ядре Parasolid.
В табл. 18.2 представлены итоги обмена графическими данными. Обмен проводился по моделям 9 деталей, построение которых рассматривалось в предыдущих главах и которые упоминались во введении к этой книге. Максимальное число ошибок возникало при обмене данными по пружинам.
Таблица 18.2. Методы согласованного обмена данными по деталям между системами
Экпорт
Импорт, последующее создание чертежа
Компас-3D
SolidWorks
AutodeskInventor
AutoCAD
ACIS
IGES
STEP
ACIS
IGES
STEP
ACIS
IGES
STEP
ACIS
Компас-3D
ACIS
+ +
X
+ +
+ +
IGES
+ +
+ +
+ +
STEP
+ +
+ +
+ +
SolidWorks
ACIS
X
+ +
X
+ +
IGES
+ +
+ +
+ +
STEP
+ +
+ +
+ –
Autodesk Inventor
ACIS
+ –
+ –
+ +
+ +
IGES
+ +
+ +
+ +
STEP
+ +
+ +
+ +
AutoCAD
ACIS
+ +
+ +
+ +
1
Импортируется поверхность.2
Некорректный ассоциативный чертеж пружины.
После импорта изображение детали выглядело так, как показано на рис. 18.1.
а
б
Рис. 18.1. Результаты импорта модели пружины: а — некорректный импорт; б — корректный импорт
18.2. Обмен данными по чертежам деталей
Вначале следует отметить, что обеспечение «идеального» обмена данными по чертежам между различными системами является очень непростой задачей. Заметна положительная динамика усовершенствования соответствующих утилит обмена систем, рассматриваемых в данной книге. Однако еще предстоит многолетний путь к «идеальному» обмену.
Для получения результатов по обмену данными по чертежам деталей был выбран чертеж рупора, показанный в главе 17. При тестировании корректности обмена был выбран порядок, предусматривающий, в частности, создание чертежа для экспорта в определенном формате с последующим импортом этого чертежа в «родную» систему. В табл. 18.3 представлены результаты обмена, числами отмечены примечания, которые в табл. 18.4 проиллюстрированы фрагментами результатов импорта.
Таблица 18.3. Результаты обмена данными чертежей между системами
Экпорт
Импорт (шрифт, спецсимволы, типы линий)
Компас-3D
SolidWorks
Autodesk Inventor
AutoCAD
DXF
DWG
IGES
DXF
DWG
IGES
DXF
DWG
IGES
DXF
DWG
Компас-3D
DXF
+–+
+++
X
+++
DWG
+–+
+++
––+
+++
IGES
––+
Solid Works
DXF
+++
+++
+++
+++
DWG
+++
+++
+++
+++
Autodesk Inventor
DXF
X
X
X
X
DWG
+++
+++
+++
+++
Auto-CAD
DXF
X
+++
X
+++
DWG
X
+++
+++
+++
1
Результат взаимного обмена в КОМПАС в форматах DWG, DXF.2
Результат взаимного обмена в КОМПАС в формате IGES.3
Результат экспорта из КОМПАС V11 в форматах DWG, DXF в КОМПАС V11 LT.4
Результат экспорта из Inventor и SolidWorks в КОМПАС в формате DWG.5
Результат экспорта из SolidWorks в Inventor в формате DWG.6
Результат экспорта из Inventor в SolidWorks и AutoCAD в формате DWG.7
Результат экспорта из КОМПАС в Inventor в формате DWG.
По этим фрагментам можно сделать вывод о корректности обмена данными. Более подробная информация по результатам обмена между четырьмя системами, данными по чертежам, представлена на прилагаемом к книге DVD-диске.
Таблица 18.4. Фрагменты чертежей для оценки результатов обмена данными
«Эталон» для сравнения
Результат взаимного обмена в КОМПАС в форматах DWG, DXF. Отметьте размер фаски и угловой размер
Результат взаимного обмена в КОМПАС в формате IGES. Отметьте размер фаски, угловой размер, обозначение базы
Результат экспорта из КОМПАС V11 в форматах DWG, DXF в КОМПАС V11 LT. Фрагмент не требует комментариев
Результат экспорта из Inventor и SolidWorks в КОМПАС в формате DWG. Отметьте размер фаски, угловой размер, обозначение базы. Размеры указаны без предельных отклонений. Текст и знаки размещены в прямоугольных раммках
Результат экспорта из SolidWorks в Inventor в формате DWG. Отметьте высоту шрифта при обозначении размеров, обозначение базы
Результат экспорта из Inventor в SolidWorks и AutoCAD в формате DWG. Отметьте размер фаски, угловой размер, обозначение базы. Размеры указаны без предельных отклонений. Текст и знаки размещены в прямоугольных рамках
Результат экспорта из КОМПАС в Inventor в формате DWG. Фрагмент не требует комментариев
Заключение
В следующей таблице перечислены уже знакомые вам 3D-операции, которые использовались при создании моделей деталей.
Если следовать методике, предложенной в данной книге, приобретение навыков работы в одной системе существенно упрощает и ускоряет освоение следующей. Вне поля рассмотрения осталось несколько достаточно распространенных операций, связанных с созданием тел по сечениям и с перемещением двухмерного объекта по траектории.
Наиболее простой путь освоения указанных «неозвученных» операций — обращение к рассмотренному в разделе 3.12 продукту «Азбука КОМПАС». Так как это интерактивное пособие реализовано в виде отдельного файла, то его можно открывать в отдельном окне не только при работе с системой КОМПАС-3D, но и с другими системами. Используя указанное пособие, вы достаточно быстро освоите особенности моделирования листовых деталей.
И самое главное. Ждите от авторов книгу по 3D-моделированию сборочных единиц. До скорой встречи!
№
3D-операция
AutoCad
Autodesk Inventor
SolidWorks
КОМПАС
T-Flex
1
Создание тела путем выдавливания двухмерных объектов
Extrude
Extrude
Вытянутая бобышка/Основание
Выдавливание
Выталкивание
2
Создание тела вращением двухмерного объекта вокруг оси
Revolve
Revolve
Повернутая бобышка/ Основание
Вращение
Вращение
3
Объединение тел или областей
Union
4
Вычитание тел или областей
Subtract
Вытянутый вырез
Вырезать выдавливанием
С применением булевых команд
5
Создание фасок на ребрах
Chamfer
Chamfer
Фаска
Фаска
Сглаживание ребер —> Фаска
6
Создание скруглений на ребрах
Fillet
Fillet
Скругление
Скругление
Сглаживание ребер —> Скругление
7
Создание ребер жесткости
Rib
Ребро
Ребро жесткости
8
Создание различных отверстий
Hole
Отверстие под крепеж
Отверстие
Отверстие
9
Создание условного обозначения резьбы
Условное изображение резьбы
Отверстие4
10
Создание спиральных конструктивных элементов
Helix
Coil
Спираль/Плоская спираль
Спираль цилиндрическая
Спираль цилиндрическая
11
Вытягивание ограниченной области
Presspull
Emboss
Выдавливание (с заданием параметров)
12
Создание зеркальных элементов
Mirror
Mirror
Зеркальное отражение
Зеркальный массив
Симметрия
13
Создание прямоугольного массива
Array (Rectangular)
Rectangular Pattern
Линейный массив
Массив по сетке
Линейный массив
14
Создание кругового массива
Array (Polar)
Circular Pattern
Круговой массив
Массив по концентрической сетке
Круговой массив
15
Создание выреза по сечениям
Сечение по эскизу
3D сечение
