Все науки. №10, 2023. Международный научный журнал
Қосымшада ыңғайлырақҚосымшаны жүктеуге арналған QRRuStore · Samsung Galaxy Store
Huawei AppGallery · Xiaomi GetApps

автордың кітабын онлайн тегін оқу  Все науки. №10, 2023. Международный научный журнал

Все науки. №10, 2023

Международный научный журнал

Шрифты предоставлены компанией «ПараТайп»


Авторы: Алиев Ибратжон Хатамович, Кулдашов Оббозжон Хокимович, Эгамбердиев Бахром Эгамбердиевич, Rasulmuhamedov Muxamadaziz Muxamadaminovich, Karimov Muzaffar Musaxonovich, Обидов Фозил Орипович, Каримов Баходир Хошимович, Отажонов Салим Мадрахимович, Nabijonov Ravshanbek Muxammadjonovich, Nabiyev Iskandar Farxodjonovich, Nabiyeva Maysaraxon Shuhratjonovna, Йўлдошев Мўминжон Шокиржонович, Додобоев Юсубжон Таджибаевич, Сатторова Дилафруз Адхамжоновна, Асқаров Нодирбек Ибрагимович, Xatamova Zumradxon Nazirjonovna, Каримов Боходир Хошимович


Главный редактор Ибратжон Хатамович Алиев

Иллюстратор Султонали Мукарамович Абдурахмонов

Иллюстратор Фарходжон Анваржонович Иброхимов

Иллюстратор Ибратжон Хатамович Алиев

Дизайнер обложки Ибратжон Хатамович Алиев

Дизайнер обложки Раънохон Мукарамовна Алиева

Экономический руководитель Ботирали Рустамович Жалолов

Научный руководитель Боходир Хошимович Каримов

Технический руководитель Султонали Мукарамович Абдурахмонов

Корректор Гульноза Мухтаровна Собирова

Корректор Дилноза Орзикуловна Дорибоева

Модератор Миродилжон Хомуджонович Баратов





12+

Оглавление

ФИЗИКО-МАТЕМАТИЧЕСКИЕ НАУКИ

ОПТОЭЛЕКТРОННОЕ ДВУХВОЛНОВОЕ УСТРОЙСТВО ДЛЯ КОНТРОЛЯ КОНЦЕНТРАЦИИ УГЛЕВОДОРОДОВ В ВОЗДУХЕ

УДК 621.382

Кулдашов Оббозжон Хокимович

Доктор технических наук, профессор Научно-исследовательского института «Физики полупроводников и микроэлектроники» при Национальном Университете Узбекистана
Эгамбердиев Бахром Эгамбердиевич
Доктор физико-математических наук, профессор Ташкентского Государственного Технического Университета имени Ислама Каримова

Научно-исследовательский институт «Физики полупроводников и микроэлектроники» при Национальном Университете Узбекистана, Ташкентского Государственного Технического Университета имени Ислама Каримова, г. Ташкент, Республика Узбекистан

Аннотация. Бурное развитие оптоэлектроники и её элементной базы, создание новых высокоэффективных полупроводниковых источников излучения в ближней ИК- области спектра создают предпосылки для разработки высокочувствительных и точных, надежных приборов для контроля концентрации газообразных веществ.

Ключевые слова: оптоэлектроники, микроэлектроники, диапазон, Высокоэффективные

С другой стороны оптоэлектроника, как одно из направлений микроэлектроники, развивается быстрыми темпами. Высокоэффективные светодиоды для среднего ИК диапазона, работающие при комнатной температуре, созданные на основе четверных твердых растворов соединений A3B5 являются перспективными для газового анализа.

В диапазоне 1,7—4,8 мкм находятся интенсивные линии поглощения влаги и таких важных промышленных и вредных газов как метан, CO2, CO, SO2, H2S и др. Светодиоды данной серии перспективны для создания портативных газоанализаторов, с низкой потребляемой мощностью и достаточно высокой чувствительностью и селективностью, даже без применения дополнительных фильтров и механических модуляторов.

В данной работе предложен двухволновой оптоэлектронный метод для контроля концентрации углеводородов в воздухе.

Основными преимуществами оптоэлектронного двухволнового устройства по сравнению с одноволновыми являются высокая точность контроля из-за исключения неинформативных параметров, таких как запылённости воздуха, влажность и содержания аэрозольных частиц на результат контроля [1].

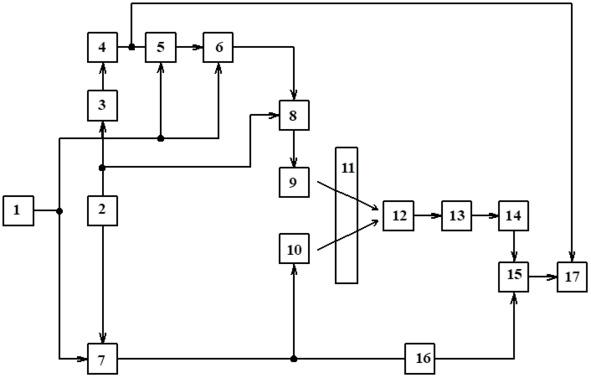
Блок схема оптоэлектронного двухволнового устройства для контроля концентрации углеводородов в воздухе приведено на рис.1., а на рис.2. приведены её временные диаграммы.

Устройство для контроля концентрации углеводорода в воздухе содержит источник питания 1, генератор прямоугольных импульсов с двумя противофазными выходами 2, к одному выходу которого подключен делитель частоты 3 (последовательный счетчик), выход которого через одновибратор 4 соединен с управляющим входом модулятора 5 экспоненты, эмиттерный повторитель 6, два электронных ключа 7 и 8, излучающие диоды рабочий 9 и опорный 10, излучающие на опорной и рабочей длинах волн соответственно, газовую камеру 11, фотоприемник 12,соединенный с первым дифференцирующим устройством 13, выход которого через пороговое входом схемы совпадений 15, первый вход которой подключен к выходу второго дифференцирующего устройства 16, вход которого соединен с излучающим диодом 10, счетчик 17, счетный вход которого соединен с выходом схемы совпадений 15, а его вход «установка нуля» соединен с выходом одновибратора 4.

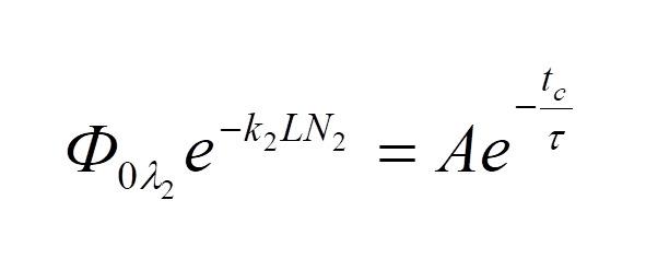
Газовую камеру 11 облучают двумя потоками излучения Ф0l1 и Ф0l2 на опорной l1 и рабочей l2 длинах волн соответственно. Прошедшие через газовую камеру потоки излучения будут равны соответственно:

где: Ф0l1 и Ф0l1 — подающие на газовую камеру потоки излучения на длинах волн l1 и l1 соответственно, Фl1, Фl2 — потоки излучения после прохождения через после прохождения через газовую камеру на длинах волн l1 и l2 соответственно,

N1 — концентрация смеси газообразных веществ,

L — длина оптического пути, т.е. длина газовой камера,

N2 — концентрация определяемого газообразного вещества,

К— коэффициент рассеяния смеси газообразных веществ,

К2 — коэффициент поглощения определяемого газообразных веществ.

Поток Ф0l1 изменяется во времени (t) по экспоненциальному закону:

где А — постоянный коэффициент, соответствующий начальному значению амплитуды экспоненциального импульса. В момент равенства потоков Фl1 и Фl2

где tc — время, соответствующее моменту сравнения,

— постоянная времени экспоненты.

Генератор 2 прямоугольных импульсов вырабатывает импульсы с необходимой частотой повторения. Эти импульсы с противофазных выходов поступают на вход делителя 3 частоты и на управляющие входы ключей 7 и 8. Прямоугольные импульсы с выхода делителя 3 частоты (рис.2.а) поступают на вход одно вибратора 4.

Прямоугольные импульсы с необходимой длительностью с выхода одно вибратора 5 экспоненты, выход которого соединен через эмиттерный повторитель

Рис.1.Блок схема оптоэлектронного устройство для контроля концентрации углеводорода в воздухе
Рис.2.Временные диаграммы поясняющие работу оптоэлектронного устройство для контроля концентрации углеводорода в воздухе.

6 с выходом электронного ключа 8, где формируется дискретный экспоненциальный импульс тока, который протекает через излучающий диод 9, вызывает поток излучающий по такому же закону. Противофазно заполняющим экспоненту импульсам переключатся электронный ключ 7. протекающий через излучающий диод 10 импульс тока вызывает световой поток, амплитуда которого постоянна. Прошедшие через газовую камеру потоки воспринимаются фотоприемником 12.

На (рис.2.в) изображена временная диаграмма суммарного фотоэлектрического сигнала на выходе фотоприемника 12. этот сигнал подается на вход первого дифференцирующего устройства 13, с выхода которого продифференцированные фотоэлектрический сигнал (рис.2.г) поступает на вход порогового устройства 14.

Далее сигнал с выхода порогового устройства 14 (рис.2.2.д) подается на один из входов схемы совпадения15. На другой вход схемы совпадения 15 подается сигнал с выхода второго дифференцирующего устройства 16 (рис.2.е).

С момента сравнения tс на выходе схемы совпадений 15 появляется серия импульсов, которые поступают на счетный вход счетчика 17 (рис.2.2.ж).

В начале следующей экспоненты на вход «Установка нуля» счетчика 17 поступают прямоугольные импульсы с выхода одно вибратора 4 и счетчик 17 подготавливается. По показаниям счетчика можно определить концентрацию определяемого газообразного вещества.

Литература

1.Мухитдинов М. М. Оптоэлектронные методы неразрушающего контроля. Т.:Фан,1984.

2.Сидоров О. В., Козуб Л. В. Метод творческих проектов как средство развития научно-технологического мышления студентов, получающих технологическое образование // Высшее образование сегодня. 2016. №5 С. 59–64.

3. Сульдина В. В. Использование ИКТ в развитии творческих умений будущих учителей технологии // Педагогическое мастерство и современные педагогические технологии: материалы II Междунар. науч.-практ. конф. Чебоксары, 2017. С. 55–56.

4. Сульдина В. В. Особенности технического творчества в подготовке будущих учителей технологии [Электронный ресурс] // Студенческий. 2017. №20 (20). URL: https://sibac.info/journal/student/21/92226 (дата обращения: 11.11.2018).

5. Шадрин А. С. Развитие творческой активности и технического мышления личности студентов технологического образования // Молодой ученый. 2017. №12. С. 561–564.

АНОМАЛЬНЫЙ ФОТОВОЛЬТАИЧЕСКИЙ ЭФФЕКТ В КРИСТАЛЛАХ ЦИННАБАРИТЕ

УДК 548

Каримов Баходир Хошимович

Кандидат физико-математических наук, доцент, кафедра физики, Ферганский государственный университет
e-mail: karimov1949@internet.ru
Султонов Номонжон
Доктор физико-математических наук, профессор, кафедра физики, Ферганский политехнический институт
Мирзажонов Зокир
Кандидат физико-математических наук, доцент, кафедра физики, Ферганский политехнический институт
Абдуназарова Мехринисо

Студентка 3 курса, Ферганский государственный университет

Аннотация: В работе исследован фотовольтаический эффект в оптически активном кристалле a-HgS, где впервые обнаружен пространственно осциллирующий фотовольтаический ток (ПОФТ) новой природы, обусловленный вращением плоскости поляризации света, распространяющегося вдоль оптической оси кристалла.

Получена спектральная зависимость ПОФТ в a-HgS, природа которой описывается дисперсией оптической активности, фотовольтаического эффекта и поглощения света.

Определен фотовольтаический коэффициент для a-HgS равный К11= (1—2) ∙10—11А∙м∙ (Вт) -1 при Т=133Κ и λ=500 нм.

Kлючевые слова: фотовольтаический эффект, оптически активные кристаллы, пространственно осциллирующий фотовольтаический ток, фотовольтаическиq коэффициент.

Karimov Bakhadir Khoshimovich
Cand. Sc. (physics and mathematics), associate professor, physics department, Fergana State university
Sultanov Nomonjon
Doctor of Physical and Mathematical Sciences, Professor, Department of Physics, Fergana Polytechnic Institute
Mirzazhonov Zokir
Candidate of Physical and Mathematical Sciences, Associate Professor, Department of Physics, Fergana Polytechnic Institute

Abdunazarova MexrinisoStudent 3rd year, Fergana State University

Abstract: In this work was considered the photovoltaic effect in the optical active crystals a-HgS. For the first time was find out the new nature of the spatially oscillating photovoltaic current, that caused by rotation of a plane of polarization of light extending along an optical axis. It was investigated the spectral dependence of the spatially oscillating photovoltaic current in a-HgS and was shown it is defined accordingly by a dispersion of the optical activity, the photovoltaic effect and absorption of light. It is determined the photovoltaic coefficient for a-HgS: К14= (1—2) ∙10—11A∙cm/W for Т=133Κ and for λ=600 nm.

Keywords: photovoltaic effect, optically active crystals, three-dimensional oscillate photovoltaic current, photovoltaic indexes.

Введение

Фото-ЭДС (или фотонапряжение) в полупроводниках независимо от ее природы не может превышать ширину запрещенной зоны, т.е. несколько Вольт.

Исключение из этого правила составляли лишь полупроводниковые текстуры в которых наблюдается эффект аномально больших фото напряжений (АФН эффект), обусловленный сложением элементарных фото-ЭДС Дембера или элементарных фото-ЭДС, развивающихся на отдельных р-n –переходах текстуры.

В таких текстурах из напыленных слоев CdTe, Ge, Si, GaAs, PbS, CdSe и т. д. фотонапряжения могут достигать значений порядка нескольких сотен Вольт на сантиметр длины в направлении сложения элементарных фото-ЭДС.

В последние годы стало ясно, что в термодинамических неравновесных условиях возможны токи иной природы, обусловленные отсутствием среды центра симметрии. Важнейшим этого класса эффекта является аномальный фотовольтаический эффект (АФВ эффект).

Экспериментальные исследования показывают, что при стационарном однородном освещении однородных кристаллов возникает стационарный ток, зависящий от степени (состояния) поляризации света. Поэтому их, в настоящее время, называют линейным фотогальваническим эффектом и циркулярным фотогальваническим эффектом. Напряженность электрического поля в сегнетоэлектриках достигает до 10В/м в LiNbO3. Эти явления по своей физической природе сильно отличаются от классических фотогальванических эффектов, таких как эффект Дембера, Вентильный эффект, эффект Кикоина-Носкова, которые описываются термализованными носителями тока, энергия у которых меньше чем 3kBT/2, где T-температура образца, kB-постоянная Больцмана. Поляризационные фотогальванические эффекты, наоборот, описываю

...