автордың кітабын онлайн тегін оқу Тюнинг автомобиля своими руками
Игорь Скрипник
Тюнинг автомобиля своими руками
Предисловие
Автомобильным тюнингом в наше время уже никого не удивишь. Более того, доработка и реконструкция автомобиля давно уже стала настоящим искусством за рубежом. Пришло это искусство и в Россию, где существует весьма специфическая почва для тюнинга. В нашей стране долгое время существовали свои автомобильные стандарты. Соответственно и «автогерои» у нас свои собственные. Это машины отечественных марок, среди которых особо выделяются автомобили ВАЗ.
Казалось бы, что улучшать в «жигулях»! Однако, по мнению тысяч автолюбителей, ВАЗ – это практически безграничное поле для экспериментов на ниве тюнинга. Вряд ли вам захочется дорабатывать двигатель дорогой «мазды» или «тойоты». Это очень дорого и накладно. Тюнинг шикарных иномарок могут себе позволить далеко не все. Да и не всегда он нужен. А вот потрудиться над «жигулями» выпуска 80-х годов прошлого века – это интереснейшая задача.
Безусловно, это не означает, что наша книга будет совершенно бесполезна для владельцев иностранных авто. Они тоже найдут здесь много полезной информации. Но все же основное внимание будет уделено тюнингу отечественных машин. Любят в нашей стране вазовские изделия. Автомобили тольяттинского завода были и остаются народными и самыми популярными, и никуда от этого не денешься. Поэтому мы и выбрали основным объектом для тюнинга именно «жигули».
В книге собраны не только советы профессиональных автоинженеров, но и опыт обычных автолюбителей, своими силами, методом проб и ошибок дорабатывавших свои автомобили – пусть не до идеала, но до желанного образца. Речь пойдет о тюнинге различных частей автомобиля: двигателя, ходовой части, салона и кузова. А любители рэйсинга узнают много интересного о подготовке отечественных автомобилей к настоящему ралли.
Думается, каждый читатель, интересующийся современным тюнингом, найдет в этой книге что-то свое. И надеемся, что советы, приведенные здесь, помогут вам в практическом освоении современного тюнинга.
Тюнинг двигателя
Обычно, когда говорят об автомобильном тюнинге, подразумевают тюнинг кузова и салона. Может быть, потому, что доработка двигателя не столь бросается в глаза. Тем не менее, от работы двигателя часто зависит гораздо больше, нежели от того, насколько красиво сделан кузов или салон автомобиля. Для множества автолюбителей улучшение машины начинается (а порой и заканчивается) с работы над двигателем, ведь желание иметь более мощный автомобиль зачастую сильнее желания иметь автомобиль привлекательный внешне. Поэтому, вопреки расхожему мнению, скажем, что тюнинг автомобиля – это прежде всего тюнинг двигателя. С него и начнем.
Следует заметить, что реконструкцию двигателя может произвести далеко не каждый автолюбитель. Если для переделки кузова можно обойтись стандартным набором инструментов, то настоящий тюнинг двигателя зачастую можно провести только в заводских условиях и на дорогом оборудовании. Но не будем пугать владельцев авто. Те методы, о которых пойдет речь в данной главе, в принципе, доступны, и в рамках возможностей той или иной службы автосервиса можно провести работы по улучшению качества функционирования двигателя. Но сразу оговоримся: тюнинг двигателя потребует тонкой и кропотливой работы. Но результат все же этого стоит.
Динамические качества транспортного средства во многом зависят от технических характеристик двигателя, установленного на автомобиле. Как их оценить в полной мере?
Наиболее объективную оценку динамических качеств автомобильного двигателя можно получить при анализе его внешней скоростной характеристики. Внешняя скоростная характеристика – это зависимость показателей работы двигателя (мощности, крутящего момента, коэффициента наполнения цилиндров, удельного эффективного расхода топлива и др.) от частоты вращения коленчатого вала (KB) при неизменном положении органа управления, обеспечивающем максимальную подачу топлива в цилиндры.
Также важным параметром автомобильного двигателя, позволяющим оценить устойчивость его режима при работе по внешней скоростной характеристике, является коэффициент приспособляемости (k). Это значение определяется отношением максимального крутящего момента к номинальному крутящему моменту, развиваемому двигателем на номинальной мощности при номинальной частоте вращения КВ. Чем более крутой подъем преодолевает автомобиль, тем более заметно проявляется значимость этого параметра. Чем больше значение k, тем большее сопротивление движению может преодолеть автомобиль без переключения коробки передач на пониженную передачу.
Важен также и диапазон изменения частоты вращения KB, в котором двигатель устойчиво работает. Чем больше этот диапазон, тем лучшими динамическими качествами обладает автомобиль, тем легче управление двигателем. Скоростной диапазон устойчивой работы двигателя оценивается скоростным коэффициентом (kc), представляющим собой отношение частоты вращения KB при максимальном крутящем моменте к номинальной частоте вращения. Отсюда следует, что чем больше диапазон устойчивой работы двигателя, тем меньше значение kc. Другими словами, при выборе автомобиля предпочтение следует отдать тому, у двигателя которого меньшее значение kc.
При выборе авто следует знать еще один важный показатель, который достаточно часто применяется для оценки динамических качеств легковых автомобилей, – это приемистость. Это понятие включает в себя время разгона автомобиля с места до скорости 100 км/ч. Этот показатель во многом определяется значениями k и kc, но, кроме того, он зависит от соотношения номинальной мощности двигателя и массы автомобиля. Чем меньше масса автомобиля, приходящаяся на единицу номинальной мощности двигателя, тем меньше времени требуется автомобилю для достижения указанной скорости. Очевидно, что приемистость автомобиля с дизельным двигателем той же мощности, что и у бензинового, будет несколько хуже, так как удельная масса такого автомобиля больше. Некоторые тюнингованные спортивные автомобили имеют приемистость, которая оценивается временем менее 5 секунд.
Четверть века назад бензиновые автомобильные двигатели имели k = 1,25-1,35, тогда как для дизельных двигателей были характерны значения k = 1,05-1,15, при этом меньшие значения коэффициента приспособляемости имелись у двигателей с наддувом. Скоростной коэффициент для бензиновых двигателей составлял kc = 0,45-0,55, а для дизельных двигателей – соответственно kc = 0,55-0,70, достигая при высоком наддуве значения 0,8.
Чтобы улучшить указанные параметры автомобильных двигателей, используют несколько основных приемов. Это, во-первых, подбор наиболее эффективных фаз газораспределения. Во-вторых, использование волновых и инерционных явлений во впускном и выпускном тракте для улучшения очистки и наполнения цилиндров при работе двигателя в зоне максимального крутящего момента. В-третьих, это прием регулирования давления наддува воздуха или топливовоздушной смеси на впуске для двигателей с наддувом. И, наконец, прием увеличения цикловой подачи топлива с улучшением наполнения цилиндра при работе дизельного двигателя по скоростной характеристике в зоне максимального крутящего момента.
Следует отметить, что каждый из этих приемов в той или иной степени усложняет конструкцию двигателя, ухудшает его массо-габаритные показатели и увеличивает стоимость. Однако многие автофирмы не шли бы на подобные опыты с двигателями, если бы они не имели спрос и не оправдывали себя.
Известны расчетные значения к и кс, полученные для автомобилей нескольких ведущих фирм Германии, а также автомобилей ВАЗ и ГАЗ (табл. 1).
Специалисты утверждают, что для большинства современных бензиновых двигателей легковых автомобилей зарубежного производства к = 1,028-1,333, тогда как для дизельных двигателей характерны значения kc = 1,100-1,344.
В. Н. Степанов в своем пособии «Тюнинг автомобильных двигателей» сообщает о тенденции уменьшения нижнего предела диапазона k для бензиновых двигателей. Такой подход автор объясняет тем, что зарубежные легковые автомобили предназначены преимущественно для движения с высокой скоростью, и их двигатели имеют быстроходную регулировку. Применение в этих автомобилях автоматической коробки передач делает для водителя проблему своевременного переключения передач при возрастающем сопротивлении движению не столь актуальной. В то же время для дизельных двигателей произошло увеличение как нижнего, так и верхнего предела диапазона kc до значений, характерных для бензиновых двигателей и даже превосходящих последние (табл. 2). Это стало возможным благодаря коррекции топливоподачи, совершенствованию смесеобразования и применению регулируемого турбонаддува.
Таблица 1
Показатели динамических качеств легковых автомобилей с бензиновыми двигателями
Таблица 2
Показатели динамических качеств легковых автомобилей с дизельными двигателями
Значения скоростного коэффициента для современных бензиновых двигателей находятся в диапазоне kc=0,345-0,800, а для дизельных соответственно kc=0,364-0,620. Сравнивая эти цифры с данными 25-летней давности, В. Н. Степанов констатирует, что как для бензиновых, так и для дизельных двигателей удалось добиться почти одинакового расширения скоростного диапазона устойчивой работы (уменьшение нижнего предела kc). Верхний предел скоростного коэффициента дизельных двигателей также понизился, тогда как для наиболее высокооборотных бензиновых двигателей отмечено сужение скоростного диапазона с возрастанием значения kc до 0,8.
Можно утверждать, что современные дизельные двигатели легковых автомобилей по своим динамическим качествам фактически не уступают бензиновым.
Фазы газораспределения
Обычно фазы газораспределения (в дальнейшем – ФГР) подбираются заводскими инженерами таким образом, чтобы обеспечить экстремальное значение какого-либо одного наиболее важного, с точки зрения настройщика, параметра двигателя. Такими параметрами считаются, к примеру, мощность Pe (среднее эффективное давление pme), крутящий момент Ме, удельный эффективный расход топлива be, содержание токсичных компонентов в отработавших газах (ОГ) двигателя и др. При этом подбираются профили впускных и выпускных кулачков распределительного вала, определяющие ускорение и время-сечение открытия клапанов, а также взаимное положение распределительного (распределительных) и коленчатого валов, от которого зависит момент начала открытия клапанов.
При подборе ФГР нельзя пренебрегать значениями ограничительных факторов, например, максимально допустимым значением температуры отработавших газов (ОГ).
Специалисты утверждают, что изменение профилей кулачков распределительного вала в процессе работы двигателя нецелесообразно из-за значительной громоздкости и недостаточной надежности соответствующего исполнительного механизма и снижения по этой причине надежности двигателя в целом. Поэтому при выбранных в процессе доводки профилях кулачков дальнейший подбор ФГР заключается обычно в установке такого момента начала открытия клапанов, при котором происходит более эффективное наполнение цилиндров свежим зарядом.
Есть и другой подход к увеличению наполнения цилиндров. Он заключается в замене имеющегося распределительного вала на нестандартный, с расширенными фазами газораспределения. Отличный пример этого приводит В. Н. Степанов в вышеуказанном пособии. Он утверждает, что можно выполнить тюнинг карбюраторных и инжекторных двигателей ВАЗ-21083 с рабочим объемом 1,5 л и карбюраторных двигателей ВАЗ-21080 (1,3 л). Устанавливаемый нестандартный распределительный вал с расширенными ФГР имеет увеличенную высоту профиля кулачков, что позволяет увеличить ход клапанов до 10,2 мм.
Кроме установки нового распределительного вала, производится обработка по шаблону контуров отверстий впускных каналов у фланцев головки цилиндров и у фланцев впускного коллектора с последующей установкой коллектора на направляющие штифты. Для тонкой настройки ФГР на распределительный вал устанавливается разрезная шестерня привода, позволяющая изменять положение ее зубчатого венца относительно ступицы.
На заключительной стадии работ выполняется регулировка клапанов, систем питания и зажигания, а также регулировка уровня эмиссии CO и CxHy. После выполнения всех работ подвергнутый тюнингу двигатель при 5900 1/мин развивает мощность 58,9 кВт (80 л. с.), кроме того, его максимальный крутящий момент в диапазоне средних частот вращения KB несколько увеличивается.
Существует еще один коэффициент – nv. Он характеризует эффективность наполнения цилиндров и именуется коэффициентом наполнения. Он представляет собой отношение количества свежего заряда, поступившего в цилиндр к моменту действительного начала сжатия, к тому количеству заряда, которое теоретически могло бы поместиться в рабочем объеме цилиндра при неизменных условиях на впуске. За момент действительного начала сжатия заряда в цилиндре четырехтактного двигателя принимается момент закрытия впускных клапанов. Условия на впуске для двигателей без наддува характеризуются давлением рк=ро и температурой Tk=To, где ро и То – параметры окружающей среды. Для двигателей с наддувом условиями на впуске являются давление рк и температура Tk после компрессора.
Специалисты-инженеры отмечают, что найденные для определенной частоты вращения KB наиболее эффективные фазы газораспределения при другой частоте вращения таковыми уже не являются, так как не обеспечивают соответствующего наполнения цилиндров. Поэтому в подавляющем большинстве случаев фактически производится регулировка момента начала открытия клапанов для наиболее характерного в процессе эксплуатации скоростного режима работы двигателя. Общей тенденцией для впускных и выпускных клапанов, имеющей место с ростом частоты вращения KB, является более раннее начало и увеличение продолжительности их открытия по углу ПКВ.
Обычно ФГР настраиваются или для скоростного режима, близкого к номинальной мощности двигателя (быстроходная регулировка), или для скоростного режима в зоне максимального крутящего момента (тихоходная регулировка). Более благоприятные условия для подбора эффективных фаз газораспределения имеются у двигателей, где управление впускными и выпускными клапанами осуществляется отдельными распределительными валами. При управлении клапанами с помощью одного распределительного вала можно вести речь об эффективной настройке ФГР или только для впускных, или только для выпускных клапанов. Настройка ФГР должна выполняться в условиях испытательного стенда, позволяющего производить нагрузку двигателя по внешней скоростной характеристике и контролировать все необходимые параметры.
Рассмотрим пример, приведенный В. Н. Степановым. Это пример последовательности настройки ФГР из условия обеспечения максимального среднего эффективного давления pme для карбюраторного двигателя во всем диапазоне частоты вращения КВ. Заметим, что развиваемая бензиновым двигателем мощность зависит не только от наполнения цилиндров, но и от качественного состава горючей смеси, который характеризуется коэффициентом избытка воздуха а. Коэффициент избытка воздуха а представляет собой отношение количества воздуха, действительно поступившего в цилиндр на момент закрытия впускных органов, к тому количеству воздуха, которое теоретически необходимо для полного сгорания поступившего в цилиндр топлива.
Сначала при неизменной регулировке карбюратора и неизменных фазах открытия и закрытия выпускного клапана, установленных заводом-изготовителем, получим зависимости коэффициента избытка воздуха а от частоты вращения KB n при разных значениях угла начала открытия впускного клапана фн.о. вп. Скорее всего, окажется, что разброс значений а = f (фн.о. вп) при разных значениях n будет неодинаковым, т. к. на а, по крайней мере, будут влиять волновые процессы во впускном трубопроводе.
Рис. 1. Влияние фаз открытия и закрытия впускного клапана на параметры рабочего процесса при неизменной регулировке карбюратора
При значении n, для которого имеет место максимальный разброс значений а, экспериментально найдем зависимости pme, be, а, nv = f(фн.о. вп) и построим соответствующие графики. Из рисунка видно, что с увеличением запаздывания угла начала открытия впускного клапана значения а и nv монотонно уменьшаются. Поэтому, если характер изменения pme и be связывать только с изменением значения а, то это приведет к неправильным выводам. Дело в том, что в результате выталкивания поршнем заряда из цилиндра перед закрытием впускного клапана происходит падение nv, а это, в свою очередь, влечет за собой уменьшение а.
Чтобы исключить в последующих опытах влияние а на pme, утверждает В. Н. Степанов, карбюратор на каждом нагрузочном режиме путем регулировки главного жиклера должен настраиваться на значение а, при котором в предыдущих опытах было достигнуто максимальное значение pme. Из рисунка 1 следует, что в данном случае для всех нагрузочных режимов должно быть выполнено условие а ≈ 1,1. Далее выполняются эксперименты, целью которых является определение зависимости pme = f(n) сначала при различных значениях угла начала открытия впускного клапана фн.о. вп и неизменном (заводском) значении угла начала открытия выпускного клапана фн.о. вып, а затем наоборот, при различных значениях фн.о. вып и фн.о. вп = const. При проведении экспериментов для каждой постоянной частоты вращения KB необходимо определить интервал Бф, в котором значение pme, полученное при конкретном значении угла начала открытия клапана, оставалось бы неизменным.
Из полученных результатов, утверждает автор «Тюнинга автомобильных двигателей», очевидно, что при минимальной, средней и номинальной частоте вращения KB для получения максимального значения pme требуются разные фазы газораспределения.
Поэтому для обобщения результатов строится диаграмма, у которой по оси абсцисс откладываются значения фн.о. вп, а по оси ординат – значения фн.о. вып. На эту диаграмму наносятся максимальные значения pme при минимальной, средней и номинальной частоте вращения KB. Затем вокруг этих значений строятся, например, линии (pme – 2 %pme max) = const. Если область, в которой линии всех максимумов пересекаются, отсутствует, то строят (pme – 4 % pme max) = const. В результате таких построений определяется область значений углов начала открытия клапанов (на диаграмме эта область заштрихована), в которой на каждом скоростном режиме обеспечивается 96 % pme Для получения желаемого результата остается выставить на двигателе такие значения фн.о. вп и фн.о. вып, чтобы соответствующие этим значениям линии пересекались на диаграмме в заштрихованной области (рисунок 2).
Аналогично находится область ФГР, в которой обеспечивается минимальное значение bе. В пределах найденных областей ФГР для pme max и be min значения фн.о. вп и фн.о. вып следует выставить такими, чтобы они, по возможности, обеспечивали получение во всем скоростном диапазоне как pme max, так и be min.
Рис. 2. Подбор эффективных фаз газораспределения для широкого диапазона частоты вращения KB
В качестве отправного момента в первом приближении для автомобильных двигателей можно принять ФГР, приведенные в таблице 3.
Однако фазы газораспределения можно выставить точно лишь в том случае, когда указывается, при каком значении зазора в приводе клапанов эти фазы имеют место. Нужно еще учитывать то, что карбюраторные двигатели имеют свои особенности: слишком раннее открытие впускных клапанов при работе на частичных нагрузках ведет к забросу отработавших газов во впускной трубопровод, что ухудшает воспламеняемость горючей смеси.
Таблица 3
Фазы распределения автомобильных двигателей
Это не единственный способ расширения скоростного диапазона устойчивой работы наиболее высокооборотных бензиновых двигателей. В отдельных случаях применяется автоматическая регулировка фаз газораспределения во всем диапазоне частоты вращения KB непосредственно во время работы двигателя. В качестве примера В. Н. Степанов ссылается на устанавливаемый на автомобили BMW 320i и 325i однорядный 6-цилиндровый бензиновый двигатель М-50, который (начиная с сентября 1992 г.) оснащен механизмом динамической регулировки фаз газораспределения, получившим сокращенное обозначение VANOS (от немецкого словосочетания variable Nockenwellensteuerung). Исполнительный механизм включает в себя расположенный в корпусе поршень, переходящий в шток с винтовыми шлицами. Эти шлицы входят в зацепление с соответствующими шлицами, выполненными в зубчатом колесе для привода распределительного вала, управляющего впускными клапанами. Перемещение поршня и его штока в направлении оси распределительного вала приводит к изменению взаимного положения зубчатого колеса и вала. При этом ход поршня и обусловленное им изменение положения распределительного вала зависят от давления масла, подводимого к корпусу исполнительного механизма по отдельному маслопроводу. Блок управления двигателем с помощью электромагнитного клапана, расположенного в корпусе исполнительного механизма, регулирует давление масла в зависимости от частоты вращения КВ.
Применение этого механизма позволило уменьшить значение скоростного коэффициента kc с 0,797 до 0,712 при практически неизменном значении коэффициента приспособляемости k = 1,074. В данном случае механизм VANOS, плавно изменяя момент открытия впускных клапанов в зависимости от скоростного режима, обеспечивает максимальные значения nv во всем диапазоне частоты вращения КВ.
Качественный характер изменения nv в зависимости от вида регулировки показан на рисунке 3.
Из рисунка видно, что с увеличением частоты вращения KB максимальное значение nv имеет тенденцию к снижению вследствие возрастания аэродинамических потерь из-за повышения скорости воздушного потока во впускном тракте.
Рис. 3. Изменение коэффициента наполнения при работе двигателя по внешней скоростной характеристике при быстроходной (1) и тихоходной (2) регулировке фаз газораспределения
К сожалению, подобный тюнинг ГРМ под силу выполнить только самому предприятию-изготовителю двигателя, так как для этого требуется мощная экспериментальная и производственная база. Обычному предприятию автосервиса доступен разве что подбор эффективных фаз газораспределения путем изменения взаимного положения распределительного и коленчатого валов. В лучшем случае, это изготовление нового распределительного вала с измененными профилями и углами заклинки кулачков. Тем не менее, и в этом случае игра стоит свеч.
Распредвал для форсированного двигателя
Существуют три важных характеристики конструкции распредвала, которые управляют кривой мощности двигателя: величина подъема клапанов, продолжительность открывания клапана и фазы газораспределителя распредвала. Подъем клапана измеряется в миллиметрах и представляет собой максимальное расстояние, на которое клапан отходит от седла. Продолжительность открывания клапанов – это отрезок времени, измеряемый в градусах поворота коленчатого вала. Продолжительность можно измерить несколькими различными путями, но из-за того, что поток минимален при малом подъеме клапана, продолжительность обычно измеряется после того, как клапан поднялся от седла на малую величину, часто составляющую 0,5 или 1,2 мм. К примеру, конкретный распредвал может иметь продолжительность открывания в 250° поворота при подъеме в 1,27 мм.
Таким образом, при использовании подъема толкателя в 1,27 мм, в качестве точек начала и остановки подъема клапана, распредвал будет удерживать клапан открытым в течение 250° поворота коленчатого вала. Если продолжительность открывания клапана измеряется при нулевом подъеме (когда он находится у седла или только отходит от него), то продолжительность будет составлять 330° или более; положения коленчатого вала в моменты, когда определенные клапаны открываются или закрываются, часто называются фазами газораспределения распределительного вала. К примеру, распредвал может открывать впускной клапан при 30° до ВМТ и закрывать его при 70° после НМТ.
Каждый из этих критериев конструкции связан с другими, и модификация одного повлияет на то, как другие улучшат или ухудшат работу двигателя. Но, вообще говоря, увеличение подъема клапана и продолжительности его открывания или оптимизация фаз газораспределения увеличивают мощность. После небольшого увеличения типичных данных стандартного агрегата кривая мощности смещается выше в область оборотов. Когда продолжительность открывания и, в меньшей степени, подъем увеличиваются еще больше, двигатель может быть даже не способен работать на низких оборотах. «Гоночные» распредвалы с большой продолжительностью открывания часто имеют низкооборотный предел «холостого хода» 2000 об/мин или даже выше.
Распредвалы с большой продолжительностью открывания можно сделать более «гражданскими» путем изменения времени открывания и закрывания клапанов, но жертвой компромисса станет максимальная мощность. Из трех главных характеристик, регулируемых распредвалом, – продолжительности открывания клапанов, высоты подъема клапанов и фаз газораспределения – именно продолжительность открывания наиболее хорошо известна конструкторам форсированных двигателей. Это является следствием прямого влияния продолжительности открывания клапанов на мощность двигателя.
Из общих соображений можно сказать, что чем дольше удерживаются открытыми клапаны (особенно впускной клапан), тем большая максимальная мощность двигателя будет в результате получена. Если продолжительность открывания клапана увеличивается более определенной величины, дополнительная максимальная мощность будет получена ценой качества работы двигателя на низких оборотах. Для гоночных двигателей максимальная мощность является практически единственной целью, но для «обычных» автомобилей с форсированными двигателями очень важными являются приемистость и крутящий момент на низких оборотах.
Увеличение высоты подъема клапана может быть полезным вкладом в увеличение мощности, т. к. оно может добавить мощность без существенного влияния на характеристики двигателя на низких оборотах. В теории решение может показаться простым: конструкция распредвала с короткой продолжительностью открывания клапанов для увеличения максимальной мощности. Теоретически это будет работать. Однако, механизмы привода клапанов не такие простые. В этом случае высокие скорости движения клапанов существенно уменьшают надежность двигателя.
Когда продолжительность открывания клапана уменьшается, то на перемещение клапана из закрытого положения (у седла) до полного подъема и возвращения обратно остается меньше времени. Когда продолжительность становится еще короче, потребуются клапанные пружины с увеличенным усилием, и часто становится механически невозможным приводить в движение клапаны даже при относительно низких оборотах.
Таким образом, какое все-таки значение высоты максимального подъема клапана является практичным и надежным? Распредвалы с величиной подъема, большей 12,7 мм, находятся в той области, которая непрактична для обычных двигателей (как минимум для двигателей со штангами в приводе клапанов). Распредвалы с продолжительностью такта впуска менее 2850, сочетающейся с величиной подъема клапана более 12,7 мм, обеспечивают очень высокие скорости открывания и закрывания клапанов. Это создает нагрузки на механизм привода клапанов, что заметно уменьшает надежность кулачков распредвала, клапанных пружин, стержней клапанов, направляющих втулок клапанов. Хотя вал с высокими скоростями подъема клапанов может хорошо работать в начале эксплуатации, срок службы его и направляющих втулок клапанов может не превышать 20000 км. К счастью, большинство фирм-производителей распредвалов конструируют валы так, что обеспечивается хороший компромисс между значениями подъема и продолжительности открывания клапанов, при значительном сроке службы и надежности.
Наиболее подробно обсуждаемые высота подъема клапанов и продолжительность такта впуска не являются единственными характеристиками конструкции распредвала, которые влияют на выходную мощность двигателя. Моменты, в которые клапаны открываются и закрываются по отношению к положению распределительного вала, являются такими же важными параметрами для оптимизации характеристик двигателя. Эти фазы газораспределения распредвала указаны в таблице, прилагаемой к любому качественному распредвалу. Эта таблица данных числами и графически иллюстрирует угловые положения распредвала, когда впускные и выпускные клапаны открываются и закрываются. Они определяются точно в градусах поворота коленчатого вала перед (или после) ВМТ или НМТ.
Продолжительность открывания клапанов можно легко рассчитать из данных по фазам газораспределения, имеющихся в таблице. К примеру, для определения продолжительности открывания впускного клапана сложите момент открывания (в градусах перед ВМТ), момент закрывания (в градусах после НМТ) и 180° (продолжительность всего такта впуска). Если распредвал открывает впускной клапан в 27° до ВМТ и закрывает его в 63° после НМТ, то продолжительность открывания клапана будет составлять 27 + 63 + + 180 = 270°.
Теперь подробнее рассмотрим соотношения фаз газораспределения распредвала с мощностью. Предположим, что у нас есть два распредвала – валы А и В. Оба вала имеют одинаковую продолжительность открывания клапана в 270°, и они оба имеют одинаковую форму впускных и выпускных кулачков. Распредвалы такого типа обычно относят к конструкциям с «одним профилем». Однако распредвалы такого типа А и В не идентичны. Вал А имеет кулачки, расположенные так, что впускной клапан открывается за 27° до ВМТ и закрывается в 63° после НМТ, а выпускной клапан открывается за 71° до НМТ и закрывается в 19° после ВМТ. Для облегчения чтения можно представить эти данные по фазам газораспределения впускных и выпускных клапанов как 27–63 – 71–19. Вал В, соответственно, имеет фазы газораспределения 23–67 – 75–15.
Вопрос состоит в следующем: если установить эти распредвалы на наш испытываемый двигатель, как они повлияют на мощность? Ответ будет таким: вал А, вероятно, обеспечит большую мощность, но двигатель будет иметь более узкую кривую мощности и худшие характеристики в режимах холостого хода/частичного открывания дроссельной заслонки, чем вал В. Почему? Изменения в работе этих двух распредвалов, очевидно, не связаны с продолжительностью открывания клапанов или величиной их подъема: оба эти параметра остаются одинаковыми. Различия в кривых мощности являются результатом изменений в фазах газораспределения или, что более обще, в углах между центрами кулачков для каждого распредвала.
Угол между центрами кулачков является угловым смещением между центральной линией кулачка впускного клапана (часто называемого просто впускным кулачком) и центральной линией кулачка выпускного клапана (называемого выпускным кулачком).
Угол соответствующего цилиндра обычно измеряется в углах поворота распределительного вала, так как мы обсуждаем смещение кулачков относительно друг друга, которое является одним из нескольких моментов, когда характеристика распредвала указывается в градусах поворота распредвала, а не в градусах поворота коленчатого вала. Это не касается двигателей, использующих два распредвала в головке блока цилиндрoв.
Угол непосредственно влияет на перекрытие клапанов, т. е. на период, когда впускной и выпускной клапаны открыты одновременно. Перекрытие клапанов измеряется в углах поворота коленчатого вала. Когда угол между центрами кулачков уменьшается, то моменты закрывания выпускного клапана и открывания впускного клапана будут перекрываться больше.
Следует помнить, что на перекрытие клапанов также влияет изменение продолжительности открывания: когда продолжительность открывания увеличивается, перекрытие клапанов тоже увеличивается, обеспечивая отсутствие изменений угла для компенсации этих увеличений.
Тюнинг впускного тракта системы питания
Это также один из сложнейших видов реконструкции двигателя. Впускной тракт служит для подвода свежего заряда (горючей смеси или воздуха) к цилиндрам двигателя. Он включает в себя заборник атмосферного воздуха, впускные трубопроводы, воздушный фильтр, устанавливаемый в разрыв впускных трубопроводов, впускной коллектор, впускные патрубки и впускные каналы головки цилиндров. В карбюраторных двигателях перед впускным коллектором располагается карбюратор, поэтому часть впускного тракта от карбюратора до впускных клапанов оказывает существенное влияние на процесс смесеобразования и распределения горючей смеси по цилиндрам двигателя.
Почему специалистов по тюнингу интересует именно этот элемент двигателя? Дело в том, что параметры впускного тракта оказывают очень сильное влияние на характер изменения мощности и крутящего момента. За счет правильного определения размеров трубопроводов и настройки впускного тракта можно добиться значительно большего наполнения цилиндров, чем, к примеру, путем совершенствования формы изгибов трубопроводов выпускной системы. Основные требования, предъявляемые к впускному тракту, заключаются в обеспечении минимального сопротивления на впуске и равномерном распределении горючей смеси по цилиндрам двигателя.
Чтобы обеспечить минимальное сопротивление на впуске, необходимо устранить шероховатости внутренних стенок трубопроводов. Кроме того, эффект минимального сопротивления достигается также путем резких изменений направления потока и устранения внезапных сужений и расширений тракта. Поскольку гидравлические потери в проходном сечении выпускных клапанов оказывают на наполнение цилиндров значительно меньшее влияние, чем потери в проходном сечении впускных, то для увеличения коэффициента наполнения nv диаметр впускного клапана увеличивают за счет уменьшения диаметра выпускного.
Увеличить мощность двигателя можно с помощью увеличения количества впускных клапанов. В наиболее форсированных двигателях на один цилиндр делают два, а иногда даже три клапана. Однако это не означает, что проблема решается простым добавлением клапанов. Все гораздо сложнее. Выбор количества впускных клапанов в головке цилиндров делается с учетом многих факторов. Для лучшей закрутки воздушного заряда на впуске автомобильных дизельных двигателей с диаметром цилиндра менее 150 мм применяют головки цилиндров со спиральными впускными каналами и одним впускным клапаном на цилиндр. В этом случае интенсивность вращения заряда в цилиндре оказывается в 1,5 раза и более выше, чем при наличии двух впускных клапанов. Некоторым уменьшением значения nv при наличии одного впускного клапана на цилиндр при этом пренебрегают, так как воздуха для полного сгорания поданного в цилиндр топлива оказывается вполне достаточно. Форма спирали впускного канала подбирается такой, чтобы закрутка заряда обеспечивала наиболее эффективное смесеобразование.
Работникам автосервиса, выполняющим подобные работы, необходимо знать, что в процессе пуска дизельного двигателя при низких температурах окружающей среды закрутка заряда приводит к увеличению периода задержки самовоспламенения топлива, что ухудшает пусковые качества двигателя. Добиться улучшения пусковых качеств можно путем установки шибера между впускными патрубками и впускными каналами. На период пуска шибер ставится водителем в положение, при котором площадь сечения впускных каналов в головке цилиндров перекрывается примерно на 80 %. Этого оказывается достаточно для того, чтобы уменьшить вращение заряда в цилиндре и обеспечить надежный пуск дизельного двигателя (без применения прочих средств облегчения пуска) при температуре окружающей среды до -21 °C. В бензиновых двигателях, наоборот, предпочтение отдается более эффективному наполнению цилиндров, так как количество поступившей в цилиндры горючей смеси непосредственно сказывается на мощности. Более высокие значения nv достигаются при наличии двух впускных клапанов на цилиндр.
Однако решить данную проблему можно не во всех автомобилях. Уменьшение сопротивления на впуске за счет уменьшения скорости потока путем увеличения сечений трубопроводов не всегда возможно по нескольким причинам. Во-первых, при увеличении сечений трубопроводов возрастают габариты и масса двигателя; во-вторых, снижение скорости потока уменьшает турбулизацию свежего заряда при поступлении его в цилиндры, в результате чего происходит ухудшение качества смесеобразования как в бензиновых, так и в дизельных двигателях.
Впускной тракт претерпевает несколько существенных изменений. В своем пособии по тюнингу двигателей В. Н. Степанов описывает следующие изменения. На наш взгляд они имеют важное значение при увеличении мощности. Для равномерного распределения свежего заряда по цилиндрам ему придают симметричную форму. Наиболее важно это для двигателей с внешним смесеобразованием, у которых процесс смесеобразования начинается в карбюраторе. При таком смесеобразовании важно обеспечить не только равномерное наполнение цилиндров, но и одинаковый качественный состав поступающей в цилиндры смеси. По этой причине в карбюраторных двигателях впускная система должна иметь не только пространственную симметрию, но и симметрию по времени. Последнее означает, что проходящая через дроссельную заслонку порция смеси должна подходить к впускным каналам всех цилиндров за одинаковое время.
Возможные схемы расположения впускных трубопроводов показаны на рисунке 4. Схема с пространственной симметрией является наиболее распространенной. При ее использовании в цилиндры 2 и 3 поступает более обогащенная смесь, что особенно характерно при работе двигателя на частичных нагрузках. Это обусловлено тем, что при недостаточно высокой скорости воздушного потока на внутренних стенках впускного коллектора за карбюратором образуется пленка топлива. Эта пленка, особенно при низкой температуре окружающей среды, не всегда успевает испариться и достигает впускных каналов в головке цилиндров – в первую очередь тех, расстояние до которых короче.
Рис. 4. Схема впускного коллектора: а – с пространственной симметрией; б – с пространственно-временной симметрией: 1 – впускной коллектор; 2 – блок цилиндров двигателя; 3 – выпускной коллектор
Однако и в случае впускного коллектора с пространственно-временной симметрией поступающая в цилиндры двигателя горючая смесь при работе на частичных нагрузках также может существенно отличаться по составу. Причина этого явления в том, что при частичном открытии дроссельной заслонки происходит отклонение потока горючей смеси от прямолинейного движения. В результате такого отклонения наиболее обогащенная смесь поступает в те цилиндры, в сторону которых поток отклоняется. Уменьшить влияние положения дроссельной заслонки на распределение смеси по цилиндрам позволяют предварительный подогрев смеси от стенок впускного тракта и изменение направления потока топливо-воздушной смеси. Подогрев стенок ускоряет процесс испарения бензина и способствует образованию смеси более равномерного состава. Обычно подогрев стенок впускного тракта осуществляется или жидкостью системы охлаждения двигателя, или за счет теплоты выпускного коллектора, когда системы впуска и выпуска располагаются с одной стороны блока цилиндров.
Изменение направления воздушного потока для обеспечения более равномерного состава смеси на впуске в цилиндры использовалось, в частности, на четырехцилиндровых бензиновых двигателях М40, устанавливавшихся на автомобили BMW 316i и 318i до 1993 года. После воздушной заслонки воздух поступал в центральную часть впускного коллектора, расположенного над клапанными форсунками (инжекторами), откуда распределялся по цилиндрам через впускные патрубки определенной длины, изменявшими направление воздушного потока на 180°.
И все же внутреннее сопротивление и трение о стенки движущегося потока воздуха – это только один, хотя и немаловажный, аспект при рассмотрении впускного тракта. Для улучшения коэффициента наполнения nv намного важнее использовать возникающие во впускной системе волновые явления. Эти волновые явления возникают во впускных трубопроводах в результате цикличного поступления воздуха в цилиндры двигателя. Когда впускная система является общей для нескольких цилиндров, то волновые явления во впускном патрубке одного цилиндра сказываются на колебательных процессах в патрубках остальных цилиндров. И чем больше цилиндров объединяет одна впускная система, тем труднее выполнить ее настройку, в том числе и по причине ограниченности объема моторного отсека.
Конструкция эффективной впускной системы часто является результатом сложных расчетов волновой системы, которые непременно должны проверяться экспериментально. Крайне важной для характеристики мощности и крутящего момента оказывается длина впускного (волнового) трубопровода. Принципиальным при этом является то, что короткие впускные трубопроводы смещают максимум наполнения, характеризуемый коэффициентом наполнения nv, в область высоких частот вращения KB, а длинные впускные трубопроводы обеспечивают хорошее наполнение и соответственно высокий крутящий момент при низких частотах.
С учетом этого двигатели гоночных автомобилей, рассчитанные на максимальную мощность, снабжаются, как правило, относительно короткими впускными трубопроводами. Двигателям грузовых автомобилей, которые должны развивать хорошую силу тяги при низкой частоте вращения KB, требуются волновые трубопроводы большей длины. При этом длинные трубопроводы улучшают наполнение цилиндров в области низкой частоты вращения, однако при увеличении частоты вращения KB кривая мощности становится более пологой (рост мощности замедляется), а крутящий момент может значительно снизиться. Таким образом, при жестких, нерегулируемых впускных трубопроводах имеет место обычная альтернатива: или хороший крутящий момент в диапазоне низких частот вращения и пониженная номинальная мощность, или высокая номинальная мощность и уменьшенная сила тяги при низких частотах вращения КВ.
В некоторых случаях впускные волновые трубопроводы, расположенные перед впускными клапанами, берут свое начало из общего впускного коллектора, где они имеют форму направляющего патрубка. Например, V-образный 8-цилиндровый двигатель фирмы Chevrolet, подвергнутый тюнингу фирмой Marcos, имеет отдельную впускную систему для каждого блока цилиндров. Волновые трубопроводы сравнительно длинные и берут начало из соответствующих общих впускных коллекторов, расположенных над блоками цилиндров. Поступление воздуха во впускные коллекторы осуществляется по трубопроводам, заборники которых расположены по обе стороны радиатора системы охлаждения. Это позволяет улучшить наполнение цилиндров двигателя за счет скоростного напора ветра, возникающего при большой скорости движения автомобиля.
Иногда волновым впускным трубопроводам придается коническая форма (на пути от коллектора к цилиндру поперечное сечение впускного трубопровода уменьшается), благодаря чему по мере приближения воздушного потока к впускным клапанам происходит его ускорение. Такая конструкция впускного тракта реализована, в частности, у 4-цилиндрового 16-клапанного двигателя фирмы Opel (Manta 400 2.4E-4V).
Исходя из сказанного выше, в двигателях гоночных автомобилей, как правило, отказываются от взаимного влияния волновых процессов, возникающих при наполнении цилиндров, и впускной патрубок каждого цилиндра настраивают индивидуально. При этом заборник впускного трубопровода, имеющего необходимую для получения желаемой характеристики мощности длину, начинается в направляющем воздушный поток коробе, расположенном снаружи автомобиля, или же в настолько большом коллекторе, расположенном в моторном отсеке, в котором цикличность работы цилиндров не может вызвать колебаний воздушного потока. Таким образом, короткая длина впускных волновых трубопроводов гоночных двигателей свидетельствует о настройке этих двигателей на максимальную мощность.
Наглядными примерами использования подобных конструктивных решений в гоночных автомобилях являются двигатели Ford Cosworth V8 и оппозитный Ferrari 12, имеющие рабочий объем 3 л.
У двигателей легковых автомобилей в зависимости от того, сколько цилиндров объединяет один впускной коллектор, в результате наложения колебаний газа возникают различные перепады давления. Последние, в свою очередь, обусловливают существенно отличающиеся характеристики крутящего момента у различных конструкций двигателей. Например, 3-цилиндровые двигатели с общим впускным коллектором имеют очень ранний и высокий максимум крутящего момента, который при возрастании частоты вращения KB резко падает. Это указывает на то, что при низкой частоте вращения наполнение цилиндров очень хорошее, тогда как при высокой, наоборот, неудовлетворительное. 4-цилиндровые двигатели имеют более широкий диапазон частоты вращения KB, в котором сохраняется большое значение крутящего момента. Момент рано начинает расти, но достигает своего максимума большей частью уже после некоторого промежуточного пика при повышенной частоте вращения.
6-цилиндровые двигатели имеют слабый рост крутящего момента, выразительный максимум которого достигается лишь при высокой частоте вращения КВ. 5-цилиндровые двигатели по характеристике крутящего момента занимают промежуточное положение между 4- и 6-цилиндровыми двигателями.
В. Н. Степанов делает вывод, что идеальным для автомобильного двигателя был бы впускной трубопровод переменной длины, который позволяет развивать повышенную мощность при высокой частоте вращения KB (длина трубопровода минимальная) и максимальный крутящий момент в диапазоне низких и средних частот вращения (длина трубопровода увеличенная). То есть требуются впускные трубопроводы, которые имели бы оптимальную длину при любой частоте вращения KB двигателя. Тогда аналогично тромбону можно было бы вдвигать трубы одна в другую, с тем чтобы бесступенчато изменять длину волнового трубопровода от впускного клапана до впускного коллектора.
В качестве примера на рисунках 5 и 6 показаны схемы систем впуска с регулируемой длиной волновых трубопроводов для 6-цилиндровых двигателей с различным расположением цилиндров. В приведенных схемах один резонатор объединяет группу из трех цилиндров, вспышки в которых следуют равномерно через 240° ПКВ. Длина и площадь поперечного сечения впускных патрубков, берущих начало из резонаторов, обычно принимаются такими же, как и в штатной системе впуска. Для уменьшения сопротивления на впуске начальная часть впускных патрубков выполняется в форме раструба.
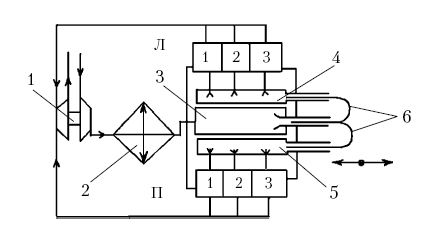
Рис. 5. Схема системы впуска одноблочного дизельного двигателя с волновым наддувом: 1 – турбокомпрессор; 2 – холодильник наддувочного воздуха; 3 – ресивер; 4 – резонатор; 5 – телескопическое колено волнового трубопровода; 6 – блок цилиндров двигателя
Рис. 6. Схема системы впуска двухблочного дизельного двигателя с волновым наддувом: 1 – турбокомпрессор; 2 – холодильник наддувочного воздуха; 3 – ресивер; 4 – резонатор левого (Л) блока цилиндров; 5 – резонатор правого (П) блока цилиндров; 6 – телескопические колена волновых трубопроводов
Площадь сечения резонансного трубопровода стремятся задать такой, чтобы при допустимой длине трубопровода (с точки зрения габаритных размеров) он обеспечивал приемлемые гидравлические потери. Наиболее существенное влияние на настройку волновой системы оказывают объем резонатора и длина резонансного трубопровода. При этом в зависимости от частоты настройки чувствительность системы на изменение длины резонансного трубопровода в 1,52,0 раза выше, чем на изменение объема резонатора. По этой причине целесообразно выполнить резонатор в виде части штатного впускного коллектора.
Однако в реальных эксплуатационных условиях реализовать такие постоянно регулируемые впускные системы для автомобильных двигателей достаточно трудно не только с точки зрения затрат, но и сложности исполнительного механизма, а также его срока службы. Поэтому на практике реализуются более простые системы с перепуском части наддувочного воздуха на вход турбины, а также двухступенчатые впускные трубопроводы с различной длиной или, соответственно, с неодинаковыми поперечными сечениями. Какую из этих форм впускного трубопровода выбрать – зависит не только от конструкции соответствующего двигателя, но и от количества его цилиндров. Количество цилиндров играет здесь важную роль, так как оно определяет форму волны и силу пульсаций во впускной системе.
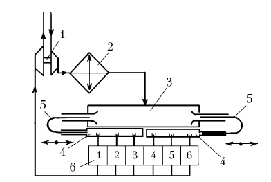
В качестве примера на рисунке 7 показана схема волнового наддува, при реализации которой энергия, необходимая для регулирования расхода наддувочного воздуха через турбину, создается в результате пульсаций газа на впуске и выпуске. Использование такой схемы наддува позволяет улучшить приемистость автомобильного двигателя. Длина и объем резонаторов 5 подбираются с учетом характерных режимов работы двигателя. При выходе двигателя на режим номинальной мощности возвратные клапаны 7 автоматически закрываются. Хороший крутящий момент можно получить, если возникающие при закрытии впускных клапанов ударные волны или пульсации потока использовать для дозарядки других цилиндров. Чем больше цилиндров (ударных волн) объединяет один впускной коллектор, тем незначительнее эффект дозарядки, так как пульсации в коллекторе взаимно выравниваются. Наиболее эффективно такая система функционирует у 3-цилиндрового двигателя, так как здесь одновременно с закрытием одного впускного клапана начинает открываться другой.
Рис. 7. Схема системы впуска с волновым наддувом и перепуском наддувочного воздуха: 1 – турбокомпрессор; 2 – холодильник наддувочного воздуха; 3 – эжектор; 4 – ресивер; 5 – резонатор; 6 – блок цилиндров двигателя; 7 – возвратный клапан
Так как характеристика, а также максимальное значение крутящего момента зависят в первую очередь от колебательных процессов во впускном трубопроводе, то определение его размеров и особенно эффективной длины приобретает большое значение. В качестве эффективной длины, которая оказывает влияние на колебания потока воздуха, считается размер впускного трубопровода от воздушного коллектора до клапана в головке цилиндров. Диаметр впускного трубопровода на пути к впускным клапанам должен постоянно уменьшаться (коническая форма трубопровода), что придает воздушному потоку ускорение. Длина и поперечное сечение впускного трубопровода зависят, во-первых, от объема отдельного цилиндра, и, во-вторых, от желаемой характеристики мощности. Непреложным при этом является следующее: чем меньше объем цилиндра, тем меньше объем впускного трубопровода, а следовательно, его длина и поперечное сечение.
Современные впускные системы часто являются сложными, дорогостоящими конструкциями. Впускные трубопроводы двигателя V6 фирмы Audi имеют переключаемую с помощью заслонок длину и неодинаковые поперечные сечения. Схема такого впускного коллектора показана на рисунке 8. Воздух после воздушного фильтра поступает в центральную часть впускного коллектора. При положении заслонок 2, обозначенном пунктирной линией, действуют длинные впускные трубопроводы II протяженностью около 780 мм и поперечным сечением примерно 800 мм2, которые обеспечивают высокий крутящий момент в зоне низкой частоты вращения КВ.
Рис. 8. Схема коллектора с переключаемой длиной трубопроводов для V-образного двигателя: 1 – впускной коллектор; 2 – заслонка переключения длины впускных трубопроводов; I – короткий трубопровод; II – длинный трубопровод
При частоте 4000 1/мин заслонки 2 перекрывают сечение длинных трубопроводов (на схеме соответствующее положение заслонки показано основной линией). Теперь короткий трубопровод I (длина около 380 мм и поперечное сечение примерно 1200 мм2) позволяет создать высокую максимальную мощность. Важным является то, что заслонка располагается в месте, где обе кривые воздушных потоков пересекаются. В противном случае при переключении трубопроводов возникает разрыв потока, и тогда при движении автомобиля возникает толчок. Аналогичными переключаемыми впускными трубопроводами оснащаются и V-образные 6-цилиндровые бензиновые двигатели, устанавливаемые на некоторые автомобили класса Е фирмы Mercedes.
Более простое по конструкции, но достаточно эффективное решение используется на некоторых рядных 6-цилиндровых двигателях. Во впускном коллекторе этих двигателей установлена разделительная заслонка, которая при низкой частоте вращения KB закрывается и делит коллектор на 2 части. При этом каждая часть впускной системы 6-цилиндрового двигателя обслуживает всего 3 цилиндра, в результате чего возникает волновой эффект, имеющий место в 3-цилиндровом двигателе. Таким образом, благодаря возникающему резонансному наддуву, при закрытой разделительной заслонке обеспечивается увеличение крутящего момента.
Примерная схема такой системы показана на рисунке 9.
Управление разделительной заслонкой может осуществляться как электромагнитным клапаном по сигналу блока управления (двигатели Omega 3000 и Senator фирмы Opel, двигатели автомобилей 280Е и 320Е фирмы Mercedes), так и исполнительным механизмом, срабатывающим в зависимости от разрежения во впускном коллекторе (двигатель М5 фирмы BMW). Практически у всех названных двигателей начиная с частоты вращения примерно 4000 1/мин разделительная заслонка открывается, и в результате этого форма волн изменяется так, что достигается высокая мощность.
Рис. 9. Схема системы впуска с разделяемым впускным коллектором: 1 – воздухозаборник; 2 – воздушный фильтр; 3 – разделительная заслонка; 4 – впускной коллектор; 5 – блок цилиндров двигателя; 6 – выпускные коллекторы
В зависимости от конструкции и настройки впускной системы можно получить дальнейшее увеличение мощности, если при очень высокой частоте вращения, начиная с 6000 1/мин, заслонку снова закрыть. Подобная система одинаково эффективна на двигателях как с двумя, так и четырьмя клапанами на цилиндр.
Степень сжатия
Термическая эффективность и, следовательно, эффективность, с которой топливо используется для совершения полезной работы, непосредственно связана со степенью сжатия. Чем выше степень сжатия, тем меньше топлива будет использовано для получения той же самой мощности. Типичные значения степеней сжатия от 18:1 до 22:1, используемые в дизельных двигателях, частично объясняют, почему они так эффективно работают. Вдобавок к этому, для полной реализации преимуществ этой высокой степени сжатия на дизельном двигателе никогда не используется дроссельная заслонка. Другими словами, он всасывает как можно больше воздуха, практически так же, как и бензиновый двигатель при широко открытой дроссельной заслонке. Вместо ограничения количества воздуха, поступающего в двигатель, с помощью дроссельной заслонки мощность двигателя регулируется с помощью изменения количества топлива, впрыскиваемого в цилиндр. Это значит, что даже при низких уровнях мощности (когда в камеру сгорания впрыскивается очень малое количество топлива) дизельный двигатель сжимает воздух в цилиндре очень сильно; при этом выделяется столько тепла, что его достаточно для воспламенения даже очень обедненной смеси. Однако когда дросселируется двигатель с искровым зажиганием (бензиновый двигатель), то количество воздуха, втягиваемого в цилиндры, уменьшается, и так как это эффективная степень сжатия, то в результате топливная эффективность при частично закрытой дроссельной заслонке тоже уменьшается.
Нет сомнений в том, что высокая степень сжатия увеличивает мощность. Изображенная далее схема показывает, что мощность при полном открывании дроссельной заслонки теоретически улучшается при увеличении степени сжатия. Приведенные данные предполагают, что увеличение степени сжатия не создает проблем в других областях, таких как детонация и т. д. Вы заметите, что закон уменьшения приводит к довольно простому выводу: когда степень сжатия идет вверх, то при каждом увеличении прирост мощности будет все меньше. К примеру, увеличение компрессии от 8,0:1 до 9,0:1 приводит к большему увеличению мощности, чем увеличение сжатия с 11,0:1 до 12,0:1 (2 % роста мощности против 1,3 %).
Указанные значения являются типичными для двигателей, использующих распределительные валы с относительно коротким периодом впуска, подобные валам во многих форсированных двигателях. Когда продолжительность такта впуска увеличивается (путем установки распределительного вала с более длительным периодом впуска), прирост мощности от увеличения степени сжатия становится даже больше. Это происходит оттого, что данные базируются на механических степенях сжатия (т. е. определенных путем математических расчетов из фиксированного объема), а не на динамических степенях сжатия, которые продолжают увеличиваться, когда эффективность впуска увеличивается. Когда система впуска модифицируется для улучшения наполнения, то динамическая степень сжатия увеличивается очень похожим образом, как и при увеличении размера поршня, т. к. в цилиндр поступает дополнительное количество воздуха и топлива.
Эффективность впуска может продолжать увеличиваться даже до точки «упаковки» цилиндра (объемная эффективность выше 100 %), как это предполагается некоторыми комбинациями впускного и выпускного коллекторов. Максимальное давление внутри камеры сгорания перед воспламенением изменяется, когда изменяется плотность подаваемой смеси. Когда система впуска работает с низкой эффективностью, т. е. когда дроссельные заслонки закрыты или впускная система забита, то цилиндр наполняется лишь частично и динамическое давление сжатия низкое. Когда система впуска работает с высокой объемной эффективностью (значение более 100 % достигается на многих гоночных двигателях), динамическая степень сжатия может создавать давления, которые превышают давления, ожидаемые от механической (рассчитанной) степени сжатия. В таких случаях увеличение механической степени сжатия может ввести двигатель в режим детонации и уменьшить мощность и надежность двигателя.
Увеличение степени сжатия не всегда приводит к увеличению мощности. Если статическая (подсчитанная) степень сжатия уже находится около предела детонации для используемого топлива, то дальнейшее увеличение статической степени сжатия может ухудшить мощность и/или надежность двигателя. Как ранее упоминалось, это особенно справедливо, когда специальный распределительный вал и системы впуска и выпуска добиваются объемной эффективности (VE) величиной более 100 %. Когда VE увеличивается, то динамическая степень сжатия также увеличивается, так как цилиндр «упаковывается» смесью так, как если бы работал невидимый нагнетатель.
Другой эффект от увеличения степени сжатия довольно незначителен и неизвестен некоторым создателям двигателей. Когда VE превышает 100 %, поступившая смесь находится под небольшим положительным давлением, однако она может заполнить только пространство в цилиндре плюс пространство в камере сгорания. К примеру, если объем цилиндра и камеры составляет вместе 416,2 см3, то это фиксированное пространство будет в основном определять, сколько топливовоздушной смеси может попасть в цилиндр. Если мы решаем увеличить степень сжатия путем уменьшения объема камеры сгорания или путем увеличения размера выпуклости поршня (это наиболее распространенные методы), то это пространство будет не более названной величины. Да, цилиндр сохраняет постоянный рабочий объем – рабочий объем двигателя не изменялся. Но изменили общий объем цилиндра и камеры сгорания. Это означает, что пространство для поступающей рабочей смеси уменьшается. Таким образом, при увеличении степени сжатия мы почти незаметно уменьшили объемную эффективность двигателя.
Воспользуемся воображаемым примером для уяснения деталей. Представим себе двигатель со степенью сжатия 2,0:1 и, просто ради аргумента, скажем, что общий объем (нерабочий объем) одного цилиндра, когда поршень находится в НМТ (нижней мертвой точке), составляет 3278 см3. Это объем, создаваемый поршнем при одном такте плюс объем камеры сгорания над поршнем, находящимся в положении ВМП (верхней мертвой точке). Так как степень сжатия составляет 2,0:1, то объем над поршнем, находящимся в ВМТ, должен составлять половину от общего объема цилиндра или 1639 см3 (т. е. 1639 см3 «выбранного» объема плюс 1639 см3 камеры сгорания равны 3278 см3 общего объема цилиндра). Даже при 3278 см3 во всем цилиндре двигатель может втянуть только 1639 см3 свежей рабочей смеси, т. к. имеется давление в коллекторе у впускного канала (в случае с VE, равной 100 %) и только вытесненный объем поршня может работать для втягивания воздуха и топлива. Остальные 1639 см3 будут заполнены выхлопными газами от последнего цикла сгорания.
Добавим теперь к воображаемому двигателю нагнетатель (компрессор) и отрегулируем давление так, что он будет подавать 3278 см3 топливовоздушной смеси в цилиндр вместо исходных 1639 см3, которые двигатель мог «вдохнуть» в прежнем состоянии. С нашим нагнетателем в цилиндре будет находиться 3278 см3 свежей смеси в конце такта впуска и не будет остаточных выхлопных газов. Это существенно улучшит мощность. Но что произойдет, если в безрассудных поисках дополнительной мощности увеличить степень сжатия до 3,0:1, уменьшив объем камеры сгорания над поршнем в ВМТ с 1639 см3 до 1092 см3? Когда поршень находится в конце такта впуска, общий объем цилиндра будет теперь только 2731 см3. Если не изменять давление наддува, то оно может «вдавить» только 2731 см3 топливовоздушной смеси в цилиндр. Это уменьшит объем смеси на 547 см3, или примерно на 17 %. Двигатель втягивает менее воспламененную смесь, объемная эффективность уменьшается (на 17 %), и мощность снижается. Справедливо то, что 2731 см3 подаваемой смеси сгорает с более высокой эффективностью благодаря увеличению степени сжатия, но улучшение степени сжатия покрывает только 5 из 17 % потерь мощности.
Многие могут теперь реализовать важные преимущества, получая максимально возможную VE (объемную эффективность). Чем выше VE, которую вы сможете получить, тем ниже будет требуемая степень сжатия. А чем ниже степень сжатия, тем меньше выступ поршня, тем легче фронту пламени распространяться в объеме камеры сгорания. Эти соотношения являются некоторыми из тех методов, которые используют профессионалы для увеличения мощности двигателей.
Верхние пределы степени сжатия и фазы газораспределения распределительного вала достаточно хорошо определены для гоночных двигателей, «обычные» форсированные двигатели для повседневного использования, как правило, работают при более низких уровнях мощности и в основном при частично открытой дроссельной заслонке. Увеличение степени сжатия может иногда обеспечить заметный прирост мощности, но это же самое увеличение степени сжатия может дать даже большее улучшение топливной экономичности. При увеличении степени сжатия от 8,0:1 до 10,0:1 мощность при полностью открытой дроссельной заслонке может увеличиться на 3 или 4 %. Но экономия топлива при частично закрытой дроссельной заслонке может увеличиться более чем на 15 %. В этом нет ничего удивительного, если вы помните, что динамическая степень сжатия при частично открытой дроссельной заслонке заметно ниже, чем статическая степень сжатия. Увеличение статической степени сжатия добавляет эффективности в нужном месте: при частично открытой дроссельной заслонке.
Более высокая степень сжатия, конечно, требует использования высокооктанового топлива, и часто имеющееся топливо имеет гораздо меньшее октановое число, чем хотелось бы многим. Имеются несколько путей обойти данную проблему. Если вы изготавливаете двигатель с «нуля» и желаете сберечь время, обратившись к инженеру с опытом изготовления форсированных двигателей, то можете получить рекомендации по увеличению степени сжатия, приводящему к заметному росту мощности двигателя. В некоторых случаях двигатели со степенью сжатия порядка 11:1 успешно использовали бензин с октановым числом 87, но это требует подбора всех деталей двигателя, особенно конструкции распределительного вала и головки блока цилиндров плюс использование системы впрыска воды.
Если вы выберете метод изготовления с «нуля», одним из самых легких путей увеличения степени сжатия является использование традиционных поршней для высокой степени сжатия, имеющих минимальную высоту куполообразной части, так что нет сильных помех распространению пламени. Если желаемая степень сжатия не может быть достигнута путем плавного увеличения куполообразной части и уменьшением объема камеры сгорания с помощью обработки головки блока (лучше угловая обработка), то лучшим путем для увеличения степени сжатия будет увеличение диаметра отверстия цилиндра, часто с помощью расточки блока. Выдерживая практические пределы для толщины стенок цилиндров (обычно допускается увеличение диаметра отверстия цилиндра не более чем на 0,75-1,0 мм), эта модификация может увеличить степень сжатия путем добавления рабочего объема, что уменьшает необходимость больших «куполов «у поршней или камер сгорания меньшего объема.
Если проект вашего двигателя более «умеренный», то, возможно, будет достаточно обработки головки блока (а стоимость обработки головки является одной из самых дешевых операций по увеличению мощности и экономичности двигателя).
Термическая эффективность и методы ее повышения
Сгорание топлива в камере сгорания двигателя генерирует тепло, которое расширяет продукты сгорания и «толкает» поршни вниз, в отверстие цилиндра. Если тепло отводится от расширяющейся смеси перед тем, как она сможет полностью воздействовать на поршень, потенциальная мощность будет потеряна. Если можно было бы построить идеальный двигатель, то он использовал бы тепло сгорания для расширения рабочей смеси, и ничего бы не терялось из-за рассеяния тепла окружающими металлическими поверхностями. При этих условиях двигатель будет иметь максимальную термическую эффективность, а его выходная мощность будет почти в два раза больше, чем у обычного форсированного двигателя. Представьте себе: двигатель V8 рабочим объемом 4916 см3 с одним четырехкамерным карбюратором выдает мощность почти 800 л. с.! К сожалению, практически невозможно добиться термической эффективности, близкой к 100 %. Одной из целей проекта любого двигателя должна быть максимальная термическая эффективность, т. к. она контролирует то, как двигатель преобразует энергию топлива в полезную мощность.
Имеется много путей улучшения термической эффективности. Некоторые являются незначительными и требуют серьезных исследований для их обнаружения, другие же являются очевидными.
Тепловые характеристики металла, подвергаемого воздействию горящей топливовоздушной смеси, в первую очередь в головке блока цилиндров, являются одним из путей. Алюминиевые головки блока являются более эффективными проводниками тепла, чем чугун, а мощность может быть заметно снижена из-за потерь тепла в водяной рубашке. Но, с другой стороны, алюминиевая головка «страдает» от некоторых разогретых мест в камере сгорания и обычно имеет более низкие температуры поверхности. Эти последние факторы позволяют достичь более высокой степени сжатия при использовании алюминия и уменьшают чувствительность к детонации. Для двигателей с низкой степенью сжатия чугун является лучшей основой из-за его улучшенной тепловой эффективности.
Теплопроводность алюминия и чугуна может быть существенно уменьшена путем использования относительно новой технологии для автомобильной индустрии: покрытия из тепловых барьеров. Эти высокотехнологичные изолирующие материалы с толщиной порядка 0,4 мм могут серьезно уменьшить теплопроводность. Их использование в последние годы стало достаточно распространенным, и, без сомнения, они работают.
Степень прироста мощности от использования покрытий из тепловых барьеров зависит от конструкции головки, размера камеры сгорания и от материала головки (как уже говорилось, алюминий имеет лучшую теплопроводность и может получить больше преимуществ от изолирующих покрытий). Вообще говоря, обычным является прирост мощности порядка 3 %. Также и прирост в экономии топлива при «полном дросселе» часто составляет около 3 % с возможно большими улучшениями в экономичности при работе с частично открытой дроссельной заслонкой. Как было отмечено, изолирующие покрытия на поршнях могут также улучшить термическую (тепловую) эффективность примерно на 4–8%.
Таким образом, покрытие поршней и камер сгорания может улучшить мощность примерно на 10 %.
Повышение мощности двигателя
Выявить резервы форсирования двигателя можно с привлечением формулы для расчета эффективной мощности, кВт:
Pe = PmeVs i n /(30t),
где Pme – среднее эффективное давление, МПа;
Vs – рабочий объем цилиндра, дм3;
i – количество цилиндров двигателя;
n – частота вращения KB, 1/мин;
t – тактность двигателя (для двухтактных двигателей t = 2, а для четырехтактных t =4).
В. Н. Степанов считает, что, учитывая высокооборотность современных автомобильных двигателей, можно утверждать, что дальнейшее форсирование их путем повышения частоты вращения KB является малоперспективным.
Основания для такого вывода следующие. Во-первых, при возрастании n неизбежно повышаются потери на трение в подшипниках и в сопряжении поршней с цилиндровыми втулками, растут потери на осуществление насосных ходов и т. п., что ведет к уменьшению механического КПД nm и снижению экономичности двигателя. Во-вторых, это ведет к уменьшению ресурса двигателя. Поэтому данный способ форсирования находит применение лишь на двигателях спортивных автомобилей, предназначенных для установления рекордов скорости и не претендующих на долговечность.
Из приведенной формулы видно, что повысить мощность можно также как за счет увеличения рабочего объема цилиндра путем изменения диаметра и хода поршня, так и за счет увеличения количества цилиндров. Увеличение количества цилиндров неизбежно связано с ростом габаритных размеров двигателя, что не всегда приемлемо из-за ограниченного пространства моторного отсека автомобиля. Увеличение хода поршня может быть осуществлено как путем замены KB на новый, так и путем эксцентричного обтачивания, например, шатунных шеек на уменьшенный диаметр. Немаловажным здесь является и то обстоятельство, что замена KB на новый, с увеличенным радиусом вращения кривошипа, сопровождается некоторым увеличением массы двигателя.
Поскольку Vs = рD2S/4, то очевидно, что увеличение диаметра цилиндра D оказывает на повышение мощности большее влияние, чем такое же увеличение хода поршня S. Если принять во внимание, что многие автомобильные двигатели имеют резерв для увеличения диаметра поршня без изменения внешних габаритов блока цилиндров (т. е. за счет расточки цилиндровых втулок под поршни увеличенного диаметра), то этот путь для тюнинга двигателя выглядит достаточно привлекательным.
Наконец, повысить мощность двигателя можно за счет увеличения среднего эффективного давления. Наиболее действенным способом увеличения Pme является наддув. При наддуве улучшается наполнение цилиндров свежим зарядом, что позволяет сжигать в цилиндрах большее количество топлива и получать за счет этого более высокую агрегатную мощность двигателя.
Рассмотрим некоторые результаты увеличения рабочего объема двигателя, устанавливаемого на наиболее популярные модели автомобилей ВАЗ.
Увеличение хода поршня с 71 мм до 74,8 мм путем замены KB на новый, с противовесами на всех щеках, и доработка клиновидной камеры сгорания двигателя ВАЗ-21083 позволяют увеличить его рабочий объем с 1500 см3 до 1600 см3. Заметим, что наличие противовесов на всех щеках KB позволяет разгрузить коренные подшипники двигателя от действия центробежных сил инерции неуравновешенных вращающихся масс и тем самым увеличить срок их службы. Чтобы сохранить неизменной степень сжатия, имеющийся комплект поршней или дорабатывается, или заменяется на новый. Одновременно несколько увеличивается объем камеры сгорания в головке цилиндров. При доработке днище поршней обтачивается, в результате чего высота головки поршня уменьшается на 1,5 мм. Утопание поршней при положении их в ВМТ относительно торца блока цилиндров не должно превышать 0,1 мм.
При увеличении частоты вращения KB с 5550 1/мин до 5800 1/мин мощность двигателя возрастает с 52,3 кВт (71 л. с.) до 62,6 кВт (85 л. с.). Максимальный крутящий момент двигателя в диапазоне средних и низких частот вращения KB увеличивается на 10 %. В результате выполненного тюнинга коэффициент приспособляемости уменьшается со значения k =1,18 до k =1,15. Полученные результаты достигаются при соответствующей настройке и регулировке систем питания и зажигания двигателя. У двигателя с системой впрыскивания производится, кроме того, замена программы управления.
Для придания двигателю ВАЗ-21083 «спортивного характера», при котором сохраняются названные выше преимущества в диапазоне средних и низких частот вращения KB, а мощность повышается до 69,9 кВт (95 л. с.) при 6200 1/мин с сохранением «эластичности» во всем диапазоне нагрузок – настройка «спорт», в дополнение к уже перечисленным мероприятиям В. Н. Степанов предлагает провести следующие работы. Имеющиеся поршни заменяются на «спортивные», изготовленные методом ковки, с эксцентричным расположением отверстия под поршневой палец. Стандартный распределительный вал заменяется на новый, обеспечивающий ход клапанов 10,26 мм. Клапаны регулируются на новую базу распределительного вала. Для тонкой настройки фаз газораспределения на распределительный вал устанавливается разрезная шестерня, зубчатый венец которой можно перемещать относительно ступицы. Впускные и выпускные каналы головки цилиндров спрямляются и увеличиваются в сечении, после чего подвергаются полированию. Контуры фланцев впускных и выпускных каналов в головке цилиндров и обоих коллекторов обрабатываются по шаблону, после чего их центрирование производится посредством штифтов. Для улучшения теплоотвода от клапанов их чугунные направляющие в головке цилиндров заменяются на бронзовые. Для уменьшения сопротивления на впуске-выпуске радиус перехода от стержня клапана к его головке уменьшается.
Тюнинг двигателя ВАЗ-21083 в указанном объеме еще не позволяет раскрыть полностью его имеющийся потенциал. При наличии системы впрыскивания мощность двигателя может быть доведена до 81 кВт (110 л. с.). Справедливости ради следует отметить, что при этом не удается сохранить «эластичность» работы двигателя во всем диапазоне нагрузок – до частоты вращения 2500 1/мин наблюдаются «провалы». Однако такой двигатель может доставить настоящее удовольствие любителям спортивной езды. Для получения указанной мощности тюнинг двигателя включает следующие дополнительные мероприятия: установка впускного коллектора объемом 3 л, стандартный распределительный вал заменяется на новый, обеспечивающий ход клапанов 11,2 мм.
При выполнении всех этих мероприятий удается устранить ряд недостатков, заложенных в двигатель на стадии производства, и при сохранении его ресурса и ремонтопригодности существенно увеличить мощность за счет внесения конструктивных изменений, разработанных для двигателей спортивных автомобилей.
Наддув двигателя
Также для увеличения мощности двигателя применяют наддув. Мощность двигателя с наддувом в значительной мере пропорциональна давлению наддува. Это позволяет ориентировочно оценить значение мощности, получаемое при наддуве двигателя, по формуле: Pek = Pe (рka / рo), где Pek – мощность двигателя с наддувом; Pe – мощность двигателя без наддува; рka – абсолютное давление наддува; рo – атмосферное давление.
Применение наддува влечет за собой увеличение тепловой нагрузки на детали двигателя. Решение этой проблемы может быть достигнуто, например, путем охлаждения поршней маслом через специальные форсунки со стороны картера, а также установкой жаростойких клапанов. Система охлаждения также должна быть рассчитана на отвод большего количества теплоты. Это достигается установкой радиатора большего размера, а у двигателей с воздушным охлаждением – увеличением количества охлаждающего цилиндры воздуха. В зависимости от уровня форсирования двигателя может потребоваться и эффективное охлаждение смазочного масла.
Следует иметь в виду, что при отсутствии наддува мощность наддуваемого бензинового двигателя, как правило, ниже, чем у двигателя без наддува, который не предназначается для наддува. Основная причина здесь в том, что у двигателя с наддувом для предотвращения детонационного сгорания геометрическую степень сжатия несколько уменьшают. Вопрос о правильном выборе степени сжатия для двигателя с наддувом имеет очень важное значение, особенно для бензиновых двигателей.
В этой связи необходимо различать степень сжатия геометрическую е и степень сжатия эффективную ее. Для пояснения напомним формулу для определения геометрической степени сжатия, которая имеет вид е = (Vs + Vc) / Vc, где Vs – рабочий объем цилиндра; Vc – объем камеры сгорания.
То есть геометрическая степень сжатия (далее – степень сжатия) представляет собой отношение полного объема над поршнем (при положении поршня в НМТ) к объему над поршнем при положении его в ВМТ.
В современных автомобильных двигателях стремятся иметь значение степени сжатия максимально возможным, так как при этом достигаются наиболее высокие значения мощности и крутящего момента, а удельный эффективный расход топлива будет меньше. И все же верхнее значение е не может быть безгранично высоким.
В бензиновых двигателях значение е ограничивают из условия недопустимости возникновения детонационного сгорания. Удовлетворяющую этому условию границу называют границей детонации. Граница детонации зависит не только от значения е, но и от других конструктивных параметров двигателя (например, от формы камеры сгорания, количества свечей зажигания на один цилиндр и т. п.), а также качества используемого топлива.
В дизельных двигателях в связи с особенностями процесса смесеобразования (в цилиндре сжимается чистый воздух, а не готовая к сгоранию смесь) проблема возникновения детонационного сгорания отсутствует. Здесь необходимо избегать пониженных значений степени сжатия, с тем чтобы и при неблагоприятных условиях (например, при очень низкой температуре окружающей среды) обеспечить надежное самовоспламенение смеси в цилиндре. Поэтому легковые автомобили оснащаются дизельными двигателями со степенью сжатия от 19 до 23. При этом более высокие значения е назначаются в двигателях с предкамерным и вихрекамерным смесеобразованием, где поверхность камеры сгорания увеличенная. Большие значения е являются основной причиной высокой экономичности дизельных двигателей. Дальнейшее увеличение е не дает существенного выигрыша в экономичности, но требует более жесткой конструкции основных деталей двигателя, а следовательно, увеличения его металлоемкости, что для автомобильного двигателя крайне нежелательно.
Степень сжатия автомобильных дизельных двигателей с наддувом оставляют практически такой же, как и в двигателях без наддува. При возникновении значительной тепловой нагрузки на поршни проблема решается, например, путем опрыскивания днища поршней моторным маслом через специальные форсунки со стороны картера. Степень сжатия бензиновых двигателей без наддува при используемом в центральной Европе топливе составляет от 7 до 11. Для нижней границы этого диапазона применяется бензин А-76, тогда как для верхней требуется бензин Super с октановым числом, определенным по исследовательскому методу, не менее 98 единиц (соответствует АИ-98).
В бензиновых двигателях за счет настройки систем впуска и выпуска даже при отсутствии наддува давление конца сжатия в цилиндре может превышать давление, обеспечиваемое только за счет геометрической степени сжатия. А в случае применения наддува уровень давления, при котором осуществляется рабочий цикл, становится выше, поэтому, если не принять специальных мер, легко может быть достигнута и даже превышена граница детонации.
Между геометрической и эффективной степенью сжатия, действительно имеющейся в двигателе, часто возникает значительная разница. Определить значение эффективной степени сжатия приближенно можно по формуле ее = е (рka /ро)1/к, где k – показатель адиабаты (численное значение равно 1,41). Формула дает удовлетворительные результаты при допущении, что температура в конце процесса сжатия у двигателя с наддувом и без наддува одинаковая. Очевидно, что для обеспечения бездетонационного сгорания при увеличении наддува геометрическую степень сжатия необходимо уменьшать. Например, если двигатель без наддува имеет степень сжатия 10, то в случае наддува его при давлении рka = 1,3 бар следует геометрическую степень сжатия уменьшить до 8,3, а в случае наддува при давлении рka = 1,8 бар – до относительно низкого значения 6,6.
Важным фактором, позволяющим повысить степень сжатия без риска возникновения детонационного сгорания, является охлаждение наддувочного воздуха. Например, если двигатель с наддувом и без холодильника наддувочного воздуха уже при степени сжатия 8 работает близко к границе детонации, то при оснащении его эффективным холодильником степень сжатия удается повысить до 9.
В своем пособии В. Н. Степанов выделяет два вида тюнинга двигателя посредством наддува. Первый, сравнительно простой вид, заключается в увеличении мощности имеющегося двигателя с наддувом. Второй, более сложный вид, состоит в наддуве двигателя, проектировавшегося первоначально для работы без наддува.
В первом случае можно повысить мощность относительно просто за счет увеличения давления наддува. Используемые для этого приемы будут рассмотрены ниже. Определяющим критерием здесь является прирост мощности двигателя примерно на 10 % при увеличении наддува на 0,1 бар. Но подходить к этому следует, конечно, достаточно осторожно. Без проведения дополнительных мероприятий нельзя рекомендовать повышение давления наддува двигателя более чем на 0,1 бар. Это связано с возможностью возникновения детонации и перегрузок деталей кривошипно-шатунного механизма. Однако давление наддува можно увеличить, например, и на 0,2 бар, если дополнительно установить холодильник наддувочного воздуха или заменить уже имеющийся холодильник на холодильник большего размера, соответственно увеличив его пропускную способность. При форсировании двигателя за счет наддува возрастают тепловая нагрузка на детали цилиндро-поршневой группы и механическая нагрузка на трансмиссию. Поэтому, если не предпринять меры по более эффективному охлаждению наддувочного воздуха и усилению трансмиссии, то даже достаточно мощные двигатели можно форсировать лишь незначительно. Не рекомендуется эксплуатировать такие двигатели длительное время с полной нагрузкой.
Второй вид тюнинга, то есть последующее оснащение наддувом безнаддувного двигателя, предъявляет значительные требования к специальным знаниям, а также техническим решениям, которые практически может реализовать занимающаяся тюнингом фирма. Трудность заключается не только в том, что не всегда просто выбрать и настроить турбокомпрессор. Помимо этого необходимо конструировать некоторые детали заново или же изменить их конструкцию. И чем больше должна быть мощность двигателя, тем выше, в принципе, затраты на проведение работ. В непосредственном окружении двигателя подвергаются изменениям или заново проектируются и изготавливаются следующие узлы и системы: передача силового потока от двигателя к трансмиссии (сцепление); система выпуска отработавших газов; впускной тракт системы питания, включая приготовление горючей смеси; системы охлаждения и смазки; система зажигания, включая свечи зажигания.
При наддуве двигателя, который первоначально не предназначался для наддува, часто необходимо уменьшить его геометрическую степень сжатия е. Уменьшение возможно за счет применения поршней с уменьшенной высотой от оси поршневого пальца до днища, за счет более толстой уплотнительной прокладки головки цилиндров, а также за счет увеличения объема камеры сгорания непосредственно в самой головке цилиндров. Прочие мероприятия (например, охлаждение днища поршня путем опрыскивания его маслом из специальной форсунки со стороны картера или усиление поршневых пальцев из-за возрастающих затрат на реконструкцию) проводятся очень редко. Часто, чтобы затраты на тюнинг двигателя не превысили определенного значения, отказываются даже от уменьшения степени сжатия. В этом случае для бензиновых двигателей необходимо угол опережения зажигания и давление наддува согласовать с высокой степенью сжатия. При значительном повышении мощности двигателя за счет наддува могут потребоваться значительные изменения ходовой части, тормозной системы и трансмиссии (передаточных отношений коробки передач и главной передачи).
Ориентировочно за верхнюю границу абсолютного давления наддува в зависимости от назначения двигателя можно принять следующие значения:
• серийные автомобили для обычных дорог – рka = 1,41,8 бар;
• автомобили спортивные и для ралли – рka = 1,8–2,5 бар;
• автомобили Формулы-1 и для установления рекордов – рka = 2,8–3,4 бар.
В серийных автомобилях имеет место тенденция к установке двигателей с высокой степенью сжатия и невысоким давлением турбонаддува, тогда как в гоночных автомобилях за счет различных дополнительных мероприятий (например, впрыскивания воды) стремятся к все более высоким давлениям наддува.
В современном автомобилестроении наддув двигателей выполняется различными способами, для реализации которых применяют основанные на разных принципах действия нагнетатели и турбокомпрессоры. Исторически сложилось так, что термин «нагнетатель» применяется, в основном, к устройствам сжатия воздуха, имеющим механический привод от коленчатого вала двигателя. Наддув двигателя с помощью нагнетателей, имеющих механический привод от коленчатого вала, известен с 30-х годов XX в. В настоящее время наиболее известны конструкции механических нагнетателей Roots, Sprintex (со спиральными лопастями), Zoller, Wankel. Справедливости ради следует сказать, что нагнетатели фирмы Wankel и Zoller (шиберные или пластинчатые) так и не вышли из стадии опытной разработки.
Более сложным технологически в изготовлении является нагнетатель серии G, получивший свое название из-за формы спиралей, напоминающей эту букву. Идея такого нагнетателя была известна еще в начале XX века, но впервые была реализована фирмой Volkswagen в 1985 г. Нагнетателем G40 фирма VW оснащала двигатели автомобилей Polo вплоть до 1994 г. При рабочем объеме двигателя 1,3 л применение наддува позволило получить мощность 83,2 кВт (113 л. с.). С 1988 г. фирма комплектовала некоторые двигатели автомобилей Corrado и Passat нагнетателем повышенной производительности G60, в результате чего при рабочем объеме двигателя 1,8 л он развивал мощность 117,8 кВт (160 л. с.).
Цифра в маркировке нагнетателей серии G означает ширину их спиралей. При частоте вращения ротора 10200 1/мин нагнетатель серии G способен создать избыточное давление до 0,72 бар. При параметрах нагнетателя, обеспечивающих наибольшее значение максимального крутящего момента, заслонка перепускного трубопровода во время работы бензинового двигателя на номинальной мощности должна приоткрываться, чтобы избежать переобеднения смеси.
Общий существенный недостаток, присущий всем нагнетателям с механическим приводом от KB, по мнению В. Н. Степанова, – это необходимость затрат на их привод части мощности, развиваемой двигателем. По этой причине при одинаковом давлении наддува двигатель с нагнетателем несколько проигрывает в экономичности двигателю с турбокомпрессором. Главные преимущества нагнетателей с механическим приводом от KB заключаются в том, что при воздействии на педаль акселератора их производительность практически мгновенно изменяется. Это позволяет обеспечивать быструю ответную реакцию двигателя на изменение нагрузки и его высокую приемистость. Кроме того, двигатель с таким нагнетателем характеризуется более крутой кривой зависимости мощности от частоты вращения KB и отличается достаточно большим крутящим моментом при пониженной частоте вращения.
Именно благодаря названным преимуществам эти нагнетатели достаточно широко применяются при тюнинге двигателей автомобилей, к динамическим качествам которых предъявляются повышенные требования. Последнее наглядно продемонстрировано на международной автомобильной выставке во Франкфурте в сентябре 1999 г., где представили свою продукцию три десятка европейских тюнинговых фирм. Так, фирма Lorinser показала автомобили Mercedes с V-образными 8-цилиндровыми бензиновыми двигателями, оборудованными системой впрыскивания с измерителем массового расхода воздуха и нагнетателем с механическим приводом. Благодаря наддуву мощность базового двигателя Е430 была увеличена на 24 % и составила 255,4 кВт (347 л. с.). Максимальный крутящий момент возрос на 27,5 % и достиг значения 510 Нм. Форсирование аналогичным способом базового двигателя Е 50 AMG позволило увеличить мощность и максимальный крутящий момент примерно на 17 %, в результате чего эти показатели достигли значений соответственно 305,4 кВт (415 л. с.) и 620 Нм.
В нагнетателях, названных выше, сжатие воздуха и вытеснение его во впускной коллектор двигателя происходит благодаря уменьшению объема полости, заключенной между рабочими элементами нагнетателя. То есть имеет место механическое сжатие свежего заряда. В волновом нагнетателе Comprex фирмы Asea-Brown-Boweri объем аксиально расположенных полостей в роторе не изменяется. По конструкции ротор, имеющий механический привод от KB, напоминает барабан револьвера. При вращении ротора торец полости с заполнившим ее свежим воздухом подходит к отверстию, через которое в эту полость начинают поступать отработавшие газы. В результате взаимодействия горячих ОГ с холодным воздухом образуется волна давления. Фронт этой волны сжимает воздух, и при подходе торца полости к отверстию впускного коллектора происходит вытеснение воздуха в коллектор.
Так как ротор продолжает вращаться, то торец полости ротора уходит от отверстия впускного коллектора, и ОГ не успевают проникнуть туда вслед за сжатым воздухом. Выпуск ОГ происходит уже в отверстие выпускного трубопровода, после чего в полости ротора создается разрежение, способствующее наполнению полости свежим воздухом при перемещении торца ротора к отверстию впускного трубопровода. Далее этот процесс при вращении ротора повторяется в каждой его полости.
Волновой нагнетатель уже достаточно хорошо себя зарекомендовал и успешно применяется некоторыми автомобильными фирмами. В частности, японская фирма Mazda использует его на одном из своих серийных двигателей.
Сравнение приемистости механического и волнового нагнетателей показывает, что оба они достаточно быстро реагируют на изменение положения педали акселератора, обеспечивая требуемое давление наддува за считанные доли секунды. Тем не менее, механический нагнетатель делает это несколько быстрее.
Реакция турбокомпрессора (ТК) на изменение положения педали акселератора более замедленная. Для примера можно привести такие цифры: с момента изменения положения педали в режиме холостого хода давление наддува в 1,5 бар механический нагнетатель обеспечивает примерно за 0,25 секунды, волновой нагнетатель – за 0,80 секунды, а ТК – за 2,15 секунды. Такая низкая приемистость объясняется отсутствием механической связи ротора ТК с коленчатым валом двигателя. Замедленная реакция срабатывания ТК на изменение частоты вращения KB наглядно представлена на рисунке 10.
Рис. 10. Изменение параметров рабочего процесса дизельного двигателя 8ЧН13/14 при пуске из холодного состояния при температуре окружающей среды +20 °C: pka – абсолютное давление наддува; nk – частота вращения ротора ТК; а – коэффициент избытка воздуха; n – частота вращения KB; pmax – максимальное давление сгорания; pc – давление конца сжатия
Отсчет времени дан с момента достижения ВМТ поршнем в индицируемом цилиндре. Как видно из рисунка, в течение первых 0,6–0,7 секунды при возрастающей частоте вращения KB давление во впускном коллекторе pka уменьшается, несмотря на повышение значения nk.
Некоторое увеличение при этом коэффициента избытка воздуха а является следствием уменьшения цикловой подачи топлива, обеспечиваемой регулятором частоты вращения КВ. Монотонное увеличение давления наддува pka начинает проявляться лишь по достижении ротором ТК значения nk = 8500 1/мин. На значительную инерционность ротора ТК указывает и то, что после выключения регулятором цикловой подачи топлива при достижении коленчатым валом частоты вращения 1200 1/мин и последующем отсутствии вспышек в цилиндрах двигателя в течение примерно 0,6 секунды частота вращения ротора ТК продолжает возрастать. Но даже при nk ≈ 12500 1/мин давление наддува остается все еще ниже атмосферного давления. Это обстоятельство косвенно указывает на то, что при частичных нагрузках энергии отработавших газов недостаточно, чтобы обеспечить давление наддува, необходимое для создания повышенного крутящего момента.
Причины плохой приемистости ТК обусловлены принципом его действия. В турбокомпрессоре с одного конца ротора жестко закреплено турбинное колесо, а с другого конца – компрессорное колесо. Протекающие через лопатки турбинного колеса горячие отработавшие газы приводят ротор во вращение, благодаря чему компрессорное колесо вращается с такой же скоростью и производит сжатие и подачу в двигатель необходимого ему воздуха. Обеспечив таким образом подачу в цилиндры большего количества воздуха, можно увеличить и количество подаваемого топлива, повышая за счет этого агрегатную мощность двигателя. При этом на привод ТК не требуется отбирать от двигателя часть его мощности, как это имеет место в случае применения нагнетателей с механическим приводом. В данном случае ТК для сжатия свежего заряда использует часть энергии отработавших газов, которая в двигателях без наддува безвозвратно теряется. Благодаря этому у двигателя с турбонаддувом эффективный КПД и экономичность несколько выше, чем у двигателя без наддува или с нагнетателем, имеющим механический привод. Однако по приемистости двигатель с турбонаддувом из-за инерционности ТК уступает как двигателю без наддува, так и двигателю с нагнетателем, имеющим механический привод.
Турбокомпрессоры для автомобильных двигателей имеют относительно небольшие габаритные размеры и незначительную массу. Чем меньше габариты ТК, тем большую частоту вращения может иметь ротор (нередко она превышает значение 100 000 1/мин).
Наиболее известными в мире изготовителями ТК для легковых автомобилей считаются немецкая фирма ККК (Kuhnle, Kopp и Kausch), специализирующиеся по турбонаддуву американская фирма Garrett и японская фирма IHI. Названные фирмы в программе поставок имеют ТК различных типоразмеров практически для любого диапазона мощности.
На практике для правильного выбора ТК, предназначенного для наддува автомобильного двигателя сравнительно небольшой мощности, необходимо знать следующие параметры двигателя: рабочий объем; максимальную частоту вращения KB; максимальную мощность; внешнюю скоростную характеристику по мощности.
При сжатии в нагнетателе или компрессоре воздух нагревается, в результате чего его плотность уменьшается. Это приводит к тому, что в рабочем объеме цилиндра воздуха, а следовательно и кислорода, по массе помещается меньше, чем могло бы поместиться при отсутствии нагревания. Чтобы создать условия для сгорания в цилиндре большего количества топлива, принимают меры для увеличения коэффициента наполнения nv. Для этого сжимаемый в нагнетателе воздух перед подачей его в цилиндры двигателя предварительно охлаждается в холодильнике, который стал неотъемлемой частью большинства двигателей с наддувом.
Холодильники наддувочного воздуха бывают двух типов. В одних холодильниках охлаждение наддувочного воздуха производится путем обдувания их оребренной поверхности набегающим воздушным потоком, в других функцию охладителя выполняет жидкость системы охлаждения двигателя. При использовании в качестве охладителя потока набегающего воздуха для повышения эффективности охлаждения холодильник должен устанавливаться рядом с радиатором системы охлаждения или перед ним. Холодильник второго типа может устанавливаться в любой зоне объема моторного отсека, однако предпочтение следует отдавать такому его расположению, при котором путь наддувочного воздуха от нагнетателя или турбокомпрессора до цилиндров двигателя будет более коротким и без резких изменений направления движения. С точки зрения экономии места в моторном отсеке предпочтение следует отдать холодильнику, в котором охлаждение производится жидкостью системы охлаждения, так как он при одинаковой эффективности охлаждения имеет меньшие габариты. Приблизительные расчеты показывают, что понижение температуры наддувочного воздуха на 10 °C позволяет увеличить его плотность примерно на 3 %. Это, в свою очередь, позволяет увеличить мощность двигателя примерно на такой же процент, так что, к примеру, охлаждение воздуха на 33 °C даст увеличение мощности приблизительно на 10 %.
С другой стороны, охлаждение воздушного заряда приводит к понижению температуры в начале такта сжатия и позволяет реализовать ту же мощность двигателя при уменьшенной степени повышения давления в цилиндре. Следствием этого является уменьшение температуры отработавших газов, что положительно сказывается на уменьшении тепловой нагрузки деталей камеры сгорания, а в бензиновых двигателях, кроме того, понижает склонность смеси к детонационному сгоранию. Эта возможность реализуется преимущественно в двигателях с турбонаддувом для дорожных автомобилей. Так как при уменьшении давления наддува требуется меньшая мощность на привод компрессора, то благодаря этому в большинстве случаев возможно использование турбины меньших размеров. Оба мероприятия (уменьшение степени повышения давления и уменьшение размеров турбины) улучшают типично слабые стороны двигателя с турбонаддувом, а именно: позволяют увеличить крутящий момент при низких частотах вращения KB и сократить время выхода на новый режим работы при резком ускорении. Оба этих фактора для эксплуатации двигателя с наддувом в дорожных условиях, конечно, намного важнее, чем достижение высокой максимальной мощности.
В том же направлении оказывают влияние и прочие мероприятия, целью которых является охлаждение наддувочного воздуха в бензиновых двигателях. Пониженные благодаря охлаждению наддувочного воздуха требования к значению октанового числа бензина позволяют увеличить базовую степень сжатия и увеличить угол опережения зажигания. Все вместе это улучшает характеристику крутящего момента и приемистость двигателя с турбонаддувом.
Покрытие поршней
Современная технология может также обеспечить защиту деталей двигателя, подверженных термическим нагрузкам, особенно поршней, путем использования структурного покрытия или специальных изолирующих материалов. Эти материалы могут быть нанесены на поверхности деталей, что добавляет материалам желаемые характеристики, которыми они изначально не обладают. Эти покрытия можно разделить на два основных класса: молекулярные твердые покрытия и керамика.
Твердое покрытие используется или связывается на молекулярном уровне с помощью процесса, подобного металлизации. Очевидным фактом является то, что эти покрытия создают очень жесткую поверхность, которая, возможно, отражает тепло «механически», т. е. молекулы высокой энергии, налетающие на поверхность, отскакивают от нее, не отдавая большую часть энергии, как это было бы в случае их поглощения.
Керамика хорошо известна благодаря своим изолирующим свойствам. Она поглощает тепло, но только в слоях, близких к поверхности. Эти «субслои» материала действуют как очень эффективные изоляторы, «удерживая» тепло от проникновения в материал. Нанесение керамического состава на верхнюю часть поршня предотвращает поглощение тепла головкой поршня. Тепло, которое не поглощается, удерживается в камере сгорания и при этом увеличивается давление газов в камере сгорания. Это дает дополнительное усилие на поршень, направляя его вниз, что в свою очередь обеспечивает большую отдачу мощности. Численные динамометрические испытания на многих гоночных двигателях, оснащенных поршнями с покрытием, показали, что возможно увеличение мощности на 4–8%.
Другим преимуществом поршней с высокотемпературным покрытием является то, что у них увеличена надежность материала. Головка поршня с покрытием гораздо менее чувствительна к высокому тепловыделению, связанному с детонацией. При детонации часть пока не воспламененной сжатой рабочей смеси поджигается из-за слишком высоких давлений или температур перед тем, как образуется нормальный фронт пламени от смеси. При этом образуются области с высокой температурой в объеме камеры сгорания. Так как жесткость алюминия быстро уменьшается при возрастании температуры, особенно выше 120 °C, верхняя плоскость поршня может разрушиться за несколько секунд, если дать детонации продолжаться. Однако изолирующее покрытие на головке поршня в некоторых условиях предотвращает повреждения при воздействии детонации в течение 20–30 минут.
Жесткость поршня с покрытием постоянно увеличивается благодаря пониженной рабочей температуре. Это в сочетании с тем фактом, что верхнее компрессионное кольцо может располагаться ближе к вершине поршня, обеспечивает лучшее уплотнение в цилиндре, и преимущества поршней с покрытием становятся более явственными.
Термостойкие покрытия могут быть успешно использованы на любом типе двигателей: обычном форсированном или гоночном. Однако, вы должны решить, будет ли использование покрытий экономически выгодно в вашем конкретном случае. Для мощных гоночных двигателей практически все, что обещает прирост мощности, обычно считается «выгодным», но для двигателей, применяемых для повседневного пользования, экономия средств играет немаловажную роль. Опыт подсказывает, что использование термостойких покрытий на форсированных двигателях оправдано на агрегатах высокой стоимости, тогда как конструктор часто руководствуется финансовыми соображениями, чем небольшим увеличением характеристик двигателя.
Регулирование давления наддува
С целью защиты автомобильного двигателя с наддувом от возможной поломки, а также для улучшения его характеристики мощности и динамических качеств, давление наддува необходимо регулировать. Регулирование наддува может осуществляться различными способами, каждый из которых имеет свои преимущества и недостатки. Заметим, что для расширения возможного диапазона изменения частоты вращения KB при неизменном давлении наддува наиболее действенным способом регулирования является перепуск части отработавших газов (ОГ) в обход турбины.
При высоком наддуве, характерном, например, для двигателей Формулы-1, наиболее эффективными способами регулирования являются дополнительная камера сгорания, устанавливаемая в выпускном тракте перед турбиной (система «Гипербар»), и выпуск части наддувочного воздуха в атмосферу.
По эффективности эти способы уступают перепуску ОГ, но превосходят такие способы, как регулирование соплового аппарата турбины, перепуск части наддувочного воздуха на вход турбины, регулирование фазы впуска и охлаждение наддувочного воздуха. При низком наддуве практический интерес представляют такие способы регулирования, как дополнительная камера сгорания, регулирование соплового аппарата турбины, перепуск части наддувочного воздуха и регулирование фазы впуска. При этом по эффективности названные способы становятся сопоставимы с перепуском части ОГ в обход турбины.
Окончательный выбор способа регулирования производится из условия обеспечения надежности, а также приемлемых значений эффективной мощности и экономичности двигателя. В своем пособии В. Н. Степанов приводит встречающиеся на практике способы регулирования.
Для регулирования давления наддува нагнетателей с механическим приводом применяется простая схема, представленная на рисунке 11.
При работе бензинового двигателя на частичных нагрузках с высокой частотой вращения KB дроссельная заслонка 8 прикрывается. Чтобы исключить при этом излишнее обеднение горючей смеси за счет подаваемого нагнетателем избыточного количества воздуха, заслонка перепускного трубопровода 9, наоборот, приоткрывается, и часть воздуха подается снова на вход нагнетателя 3. Очевидно, что на частичных нагрузках КПД нагнетателя падает (некоторое количество воздуха циркулирует по замкнутому кругу), а эффективный расход топлива увеличивается.
Характерным недостатком ТК в условиях эксплуатации поршневого двигателя является то, что он при малой мощности двигателя и низкой частоте вращения KB подает воздуха слишком мало, а при высокой частоте и полной нагрузке – слишком много. Это обусловливает недостаточный крутящий момент двигателя в диапазоне низких частот вращения KB и проявляется в медленном его реагировании на изменение нагрузки при переходных процессах, например, при резком ускорении (двигатель имеет плохую приемистость).
Рис. 11. Схема регулирования давления наддува в двигателе с приводом нагнетателя от KB: 1 – заборник воздуха; 2 – воздушный фильтр; 3 – нагнетатель; 4 – холодильник наддувочного воздуха; 5 – привод нагнетателя; 6 – блок цилиндров двигателя; 7 – впускной коллектор; 8 – дроссельная заслонка; 9 – заслонка перепускного трубопровода; 10, 11 – выпускной коллектор
Для автомобильных бензиновых двигателей, эксплуатируемых в обычных условиях, нерегулируемый турбонаддув не годится. Тем не менее, для условий соревнований и эксплуатации преимущественно при максимальной мощности этот способ может оказаться вполне приемлемым. В качестве примера можно назвать двигатель V8 с рабочим объемом 4,8 л для автомобиля Mercedes C111/IV, предназначенного для установления рекордов скорости. Примечательно, что и при частоте более 6000 1/мин кривая мощности двигателя продолжает круто подниматься.
Схема наддува двигателя с нерегулируемым турбокомпрессором показана на рисунке 12. Такая схема, в частности, реализована на V-образном дизельном двигателе 8ЧН13/14, оснащенном турбокомпрессором ТКР-11. При номинальной частоте вращения KB n = 1700 1/мин и абсолютном давлении наддува pk = 1,55 бар двигатель имеет мощность 158,2 кВт (215 л. с.). Для регулирования давления наддува в качестве управляющих величин наиболее часто используются давление воздуха перед и после ТК, давление отработавших газов перед и после турбины, а также отношения названных величин. Места отбора давлений для использования в качестве управляющих величин и общепринятые обозначения этих величин условно показаны на рисунке 12.
Рис. 12. Схема наддува V-образного двигателя с нерегулируемым ТК: 1 – заборник воздуха; 2 – воздушный фильтр; 3 – турбокомпрессор; 4 – глушитель; 5 – выпускной коллектор левого блока цилиндров; 6 – блоки цилиндров двигателя; 7 – выпускной коллектор правого блока цилиндров; 8 – впускной коллектор левого блока цилиндров; 9 – впускной коллектор правого блока цилиндров; р0 – давление окружающей среды (атмосферное давление); р1 – давление на входе в компрессор; р2 – давление непосредственно после компрессора; р3 – давление отработавших газов перед входом в турбину; р4 – давление отработавших газов на выпуске после турбины
Исполнительное устройство системы регулирования давления наддува может иметь различные конструктивные формы, но выполняется, как правило, в отдельном корпусе, и в зависимости от принятой схемы регулирования может устанавливаться как в выпускном, так и впускном тракте двигателя. Корпус исполнительного устройства, предназначенного для установки в выпускном тракте, имеет оребрение для обеспечения более эффективного охлаждения. Фирма ККК выполняет это устройство, как правило, в виде клапана с определенным ходом, тогда как у фирмы Garrett это встроенная отклоняемая заслонка.
Исполнительное устройство включает в себя перепускной (байпасный) клапан, напоминающий по конструкции клапаны головки цилиндров. Конец стержня клапана прикреплен к мембране, которая поджимается калиброванной пружиной. Мембрана герметично зажата по всему периметру металлической крышкой в форме колпака. Перепускной клапан (или соответственно заслонка) находится в закрытом состоянии благодаря поджатию пружиной. Между мембраной и крышкой имеется полость, в которую подводится управляющее давление. Когда значение управляющего давления становится достаточным для сжатия калиброванной пружины, клапан открывается и перепускает часть потока газов.
С помощью силы калиброванной пружины можно регулировать давление наддува, то есть чем больше сила пружины, тем большее давление наддува может быть создано. Эта регулировочная возможность служит лишь как основная регулировка, предназначенная для ограничения максимального давления наддува, но не для его регулирования в процессе работы двигателя. Поэтому в серийных автомобилях с целью обеспечения безопасности двигателя сила предварительного сжатия пружины надежно отрегулирована, а сама пружина опломбирована. У двигателей гоночных автомобилей с целью изменения максимального давления наддува и, соответственно, мощности силу сжатия пружины можно варьировать с помощью регулировочного болта.
При установке исполнительного устройства в выпускном тракте оно производит перепуск части отработавших газов в обход турбины (регулирование давление наддува перепуском отработавших газов), а при установке его во впускном тракте клапан устройства осуществляет перепуск наддувочного воздуха снова на вход компрессора (регулирование давление наддува перепуском наддувочного воздуха).
Перепуск наддувочного воздуха может осуществляться как на вход впускного тракта, так и на вход турбины. Схема регулирования с перепуском наддувочного воздуха на вход впускного тракта перед воздушным фильтром приведена на рисунке 13. В качестве управляющей величины используется давление р2 – давление наддувочного воздуха непосредственно после компрессора. При достижении определенного, отрегулированного для каждого двигателя, давления наддува р2 это давление, воздействуя на мембрану, создает усилие, достаточное для сжатия калиброванной пружины, препятствующей открытию перепускного клапана. Перепускной клапан открывается и выпускает сжатый воздух или прямо в атмосферу (у двигателей гоночных автомобилей), или в воздушный фильтр, то есть во впускной тракт перед компрессором (у дорожных автомобилей).
Рис. 13. Схема регулирования давления наддува перепуском наддувочного воздуха: 1 – заборник воздуха; 2 – воздушный фильтр; 3 – глушитель; 4 – турбокомпрессор; 5 – холодильник наддувочного воздуха; 6 – цилиндр двигателя; 7 – перепускной клапан; р2 – давление непосредственно после компрессора
Такая схема регулирования давления наддува применялась, например, фирмой BMW на двигателе ATL, который устанавливался сначала на гоночных автомобилях, а позднее – в первом немецком серийном легковом автомобиле с турбонаддувом BMW 2002 Turbo. Этим способом выполнялось регулирование и в двигателях некоторых автомобилей фирм Ford и Opel. Однако недостатки такого регулирования весьма существенны, поэтому данный способ не находит применения в двигателях с турбонаддувом для современных автомобилей. Правда, для диапазона средних частот вращения KB (в зависимости от конструктивных параметров двигателя) также можно создать достаточно высокое давление наддува, однако затем уже сжатый воздух нужно снова перепускать, что сопровождается потерей КПД турбокомпрессора. Другим недостатком этого способа является то, что турбина, как и при нерегулируемом давлении наддува, должна подбираться под общее количество отработавших газов. А это ограничивает не только возможности регулирования, но и требует относительно больших размеров турбины, что влечет за собой ухудшение приемистости двигателя.
Регулировать давление наддува можно перепуском отработавших газов (ОГ). При данном способе регулирование давления наддува основывается на управлении потоком ОГ через турбину. При этом в качестве управляющей величины могут быть использованы давления р2, р3, а также отношения давлений р2/р1, p3/p1, p2/p4 (см. рис. 12). Байпасный клапан устанавливается в выпускной трубопровод между выпускными каналами головки цилиндров двигателя и входом в турбину или же монтируется непосредственно в корпус турбокомпрессора. В зависимости от значения используемой управляющей величины клапан открывается и перепускает часть ОГ в обход турбины непосредственно в выпускную систему. При полной нагрузке двигателя в зависимости от конструктивных параметров клапана в обход турбины направляется 20–40 % общего потока газов. Остальные 60–80 % идут на привод ротора турбины и обеспечивают создание необходимого давления наддува.
Этот способ регулирования в зависимости от выбора для регулирующего клапана управляющей величины позволяет выполнить индивидуальную настройку характера изменения давления наддува. Двигатели с турбонаддувом, имеющие регулирование давления наддува перепуском ОГ, обычно имеют хорошую характеристику крутящего момента и удовлетворительную приемистость. Преимущество этого способа регулирования состоит в том, что, благодаря перепуску части ОГ в обход турбины, появляется возможность использовать турбину и компрессор существенно меньших размеров. Вследствие этого даже при относительно низкой частоте вращения KB достигается достаточно высокое давление наддува, что позволяет улучшить приемистость двигателя.
На рисунке 14 показана схема регулирования давления наддува перепуском отработавших газов с использованием в качестве управляющей величины давления наддува.
В приведенной схеме с одной стороны мембраны действует давление наддува р2, а с другой стороны – давление окружающей среды р0. Таким образом, давлению наддува р2 противодействует только усилие калиброванной пружины. Способ является простым и надежным, так как для управления используется чистый сжатый воздух, а характер изменения давления наддува определяют только два параметра. Чтобы получить монотонно ниспадающую кривую давления наддува при увеличении мощности двигателя, в современных ТК управляющее давление отбирается в самом начале улитки (спирали) компрессора.
Рис. 14. Схема регулирования давления наддува перепуском отработавших газов с использованием в качестве управляющей величины давления р2 (обозначения элементов см. на предыдущем рисунке)
На рисунке 15 показана схема регулирования давления наддува перепуском ОГ с использованием в качестве управляющей величины давления ОГ на входе в турбину. В приведенной схеме с одной стороны мембраны действует давление р3, а с другой стороны – давление окружающей среды р0 и усилие пружины. Так как при высокой нагрузке и высокой частоте вращения KB давление перед турбиной возрастает сверхпропорционально, то в исполнительном механизме возможно применение жесткой пружины. Это обусловливает резкое увеличение давления наддува в диапазоне средней частоты вращения KB, которое затем при увеличивающемся открытии перепускного клапана понижается.
Следствием такого характера изменения давления наддува являются выпуклые характеристики мощности и крутящего момента в нижнем диапазоне частоты вращения КВ. Недостатками этого способа регулирования являются потери КПД турбины при максимальной мощности двигателя и то, что для управления давлением наддува используются горячие, неочищенные отработавшие газы. Последнее может вызывать функциональные неисправности перепускного клапана.
Рис. 15. Схема регулирования давления наддува перепуском отработавших газов с использованием в качестве управляющей величины давления p3; p3 – давление отработавших газов на входе в турбину (остальные обозначения см. на рис. 13)
На рисунке 16 показана схема регулирования давления наддува перепуском ОГ с использованием в качестве управляющей величины отношения давления наддувочного воздуха к давлению на входе в компрессор. В приведенной схеме с одной стороны мембраны действует давление наддува p2, а с другой стороны – давление на входе в компрессор p1 и усилие пружины. Так как с увеличением нагрузки двигателя и частоты вращения KB давление p1 вследствие аэродинамических потерь во впускном трубопроводе понижается, то использование этой величины вместо давления окружающей среды p0 позволяет создать более высокий перепад давлений по разные стороны мембраны исполнительного механизма. Это дает возможность применить более жесткую пружину, что, в свою очередь, позволяет получить характеристику давления наддува аналогичную той, которая имеет место при регулировании по давлению p3. В качестве недостатка следовало бы отметить известную зависимость характеристики давления наддува от степени загрязненности воздушного фильтра.
Рис. 16. Схема регулирования давления наддува перепуском отработавших газов с использованием в качестве управляющей величины отношения давления p2/ p1; p2 – давление наддувочного воздуха непосредственно за компрессором; p1 – давление воздуха на входе в компрессор (остальные обозначения см. на предыдущих рис.)
На рисунке 17 представлена схема регулирования давления наддува перепуском ОГ с использованием в качестве управляющей величины отношения давления отработавших газов на входе в турбину p3 к давлению на входе в компрессор p1.
В приведенной схеме с одной стороны мембраны действует давление p3, а с другой стороны – давление на входе в компрессор p1 и усилие пружины. Характеристика наддува в силу уже названных выше причин аналогична той, что имеет место при регулировании по давлению p3. Но при этом имеется возможность использовать еще более жесткую пружину. Помимо недостатков, отмеченных для способа с регулированием по давлению p3, здесь оказывает влияние и загрязненность воздушного фильтра.
На рисунке 18 представлена схема регулирования давления наддува перепуском ОГ с использованием в качестве управляющей величины отношения давления наддувочного воздуха p2 к давлению на выходе из турбины p4. В приведенной схеме давления p2 и p4 действуют совместно с одной стороны мембраны, с другой стороны мембраны им противодействует усилие пружины.
Рис. 17. Схема регулирования давления наддува перепуском отработавших газов с использованием в качестве управляющей величины отношения давления p3/p1; p3 – давление ОГ непосредственно перед турбиной; p1 – давление воздуха на входе в компрессор (остальные обозначения см. на предыдущих рис.)
Рис. 18. Схема регулирования давления наддува перепуском отработавших газов с использованием в качестве управляющей величины отношения давлений p2/p4: p2 – давление наддувочного воздуха непосредственно после компрессора; р4 – давление ОГ на выходе из турбины; 8 – дросселирующее отверстие (остальные обозначения см. на предыдущих рис.)
Вследствие перепада давлений p2 /p4 сжатый воздух через небольшое дросселирующее отверстие перетекает в выпускной трубопровод. Так как противодавление газов на выпуске с ростом потока газа увеличивается, то при высокой мощности двигателя регулировочный клапан открывается больше, чем на средних частотах вращения коленчатого вала. Это, в свою очередь, вызывает снижение давления наддува при повышенной частоте вращения КВ. В результате обеспечивается выпуклая характеристика мощности двигателя при работе на средних частотах вращения KB и улучшается его приемистость по аналогии с тем, что имеет место при регулировании по отношению давлений p3 /рka
Во всех описанных выше способах регулирования давления наддува со стороны выпуска ОГ в качестве основного, а иногда и единственного параметра управления перепускным клапаном, использовалось соответственно давление наддува или другое давление в системе двигателя. Несмотря на различные вариационные возможности, этому способу управления давлением наддува оказались присущи недостатки, при которых достигаемый в итоге характер изменения давления наддува не отвечал желаемому.
Избежать названных недостатков, как пишет В. Н. Степанов, можно путем применения свободно управляемого байпасного клапана. Свободное управление в этом случае означает, что кроме давления наддува (или других давлений в системе) на перепускной клапан оказывают управляющее воздействие и другие параметры. Такими параметрами являются нагрузка (положение дроссельной заслонки), частота вращения KB, температура наддувочного воздуха, сигналы датчика детонационного сгорания, температура двигателя (охлаждающей жидкости) и др. Свободно управляемые байпасные клапаны, получающие сигналы управления от системы контроля за работой двигателя, например Motronic, отвечают современному уровню развития серийных двигателей с наддувом.
На рисунке 19 показана схема регулирования давления наддува в двигателе автомобиля SAAB 9000 Turbo с использованием свободно управляемого байпасного клапана.
Рис. 19. Схема регулирования давления наддува в двигателе автомобиля SAAB 9000 Turbo: 1 – впускной коллектор; 2 – блок цилиндров двигателя; 3 – выпускной коллектор; 4 – перепускной (байпасный) клапан; 5 – турбокомпрессор; 6 – глушитель; 7 – воздушный фильтр; 8 – заборник воздуха; 9 – электромагнитный клапан; 10 – холодильник наддувочного воздуха; 11 – дроссельная заслонка; 12 – датчик частоты вращения KB; 13 – датчик детонационного сгорания; 14 – датчик нагрузки двигателя; 15 – электронный блок управления
На всех режимах работы двигателя электронный блок управления обеспечивает давление наддува на максимальном уровне, при котором детонационное сгорание не возникает. При появлении детонации элетронный блок управления 15 по сигналу датчика 13 подает управляющий сигнал на электромагнитный клапан 9, задавая режим его работы. В результате на мембрану перепускного клапана 4 может воздействовать не полное давление наддува, а лишь некоторая его часть. Перепуск ОГ клапаном 4 производится до момента полного исчезновения детонационного сгорания. Такая схема регулирования позволяет быстро увеличивать крутящий момент и мощность двигателя на непродолжительное время (у различных двигателей – от 16 до 45 секунд), что необходимо, например, для резкого ускорения при совершении обгонов.
При резком нажатии на педаль акселератора и открытии дроссельной заслонки 11 по команде электронного блока управления перепускной клапан на это время закрывается, и весь поток ОГ следует через турбину. Благодаря этому давление наддува, а следовательно, и мощность двигателя резко увеличиваются (иногда этот режим работы обозначают термином overboost – перегрузка). На некоторых двигателях для защиты их от поломок в результате перегрузки режим overboost не включается, если частота вращения KB уже достигла номинального значения, или если автомобиль движется на первой передаче. Кроме того, безопасность работы двигателя в режиме overboost контролируется датчиками, регистрирующими названные выше параметры и посылающими соответствующие сигналы в электронный блок управления.
При желании достигнуть высокого уровня форсирования двигателя с помощью турбонаддува возникает проблема, обусловленная недостаточной производительностью серийных ТК, если давление наддува должно быть более 3,3 бар. Для решения этой проблемы используют двухступенчатый турбонаддув, суть которого поясняется схемой, представленной на рисунке 20.
ТК первой ступени 4 всасывает воздух через заборник 1 и фильтр 2. После сжатия в компрессоре первой ступени воздух охлаждается в холодильнике 5 и подается на вход компрессора ТК второй ступени 7, где он сжимается до более высокого давления и через холодильник 8 нагнетается в цилиндры двигателя. ОГ двигателя направляются сначала к турбине ТК второй ступени, а затем проходят через турбину ТК первой ступени и далее в выпускную систему двигателя. После прохождения ТК второй ступени ОГ часть своей энергии теряют, и чтобы обеспечить необходимую для двигателя производительность воздуха, ТК первой ступени должен иметь увеличенные размеры по сравнению с ТК второй ступени.
Рис. 20. Схема двухступенчатого турбонаддува с перепуском ОГ впервой ступени: 1 – заборник воздуха; 2 – воздушный фильтр; 3 – глушитель; 4 – турбокомпрессор первой ступени; 5 – холодильник наддувочного воздуха первой ступени; 6 – перепускной (байпасный) клапан; 7 – турбокомпрессор второй ступени; 8 – холодильник наддувочного воздуха второй ступени; 9 – цилиндр двигателя
Для повышения эффективности системы ТК первой ступени снабжается клапаном 6 перепуска ОГ в обход турбины. В качестве управляющей величины здесь используется давление наддувочного воздуха на входе в компрессор второй ступени. Такое решение позволяет использовать в первой ступени наддува ТК уменьшенного размера, а значит, и с уменьшенной инерционностью. Следует отметить также, что эффективность ТК второй ступени при открытии перепускного клапана увеличивается, что связано с уменьшением противодавления на выпуске турбины этой ступени. При дополнении приведенной схемы блоком электронного управления и возложении на перепускной клапан функций свободно управляемого клапана, реагирующего также и на температуру наддувочного воздуха перед компрессором второй ступени, появляется принципиальная возможность отказаться от холодильника наддувочного воздуха, расположенного после компрессора первой ступени.
Шатуны для формированного двигателя
Один из наиболее важных моментов, который надо иметь в виду при подготовке шатунов для форсированного двигателя, – это их прямизна. Изогнутые или даже слегка деформированные шатуны уменьшат мощность двигателя, т. к. они удерживают поршень в отверстии цилиндра под углом, увеличивая трение. Можно даже и не говорить о том, что проверка совмещения является обязательной и первоочередной операцией при сборке форсированного двигателя.
Кроме очень важной «прямизны», всегда имеет смысл проверить размеры отверстия с большого конца шатуна. Если нужно, следует обработать отверстие, чтобы довести его диаметр до требуемых размеров. Если шатун подвергался увеличенным нагрузкам от детонации, то отверстие в его головке может быть деформировано или увеличено (конечно, если это обнаружилось, то очень важно проверить шатуны на наличие трещин). Шатуны с деформированными «большими» концами могут привести к тому, что провернутся вкладыши шатунных подшипников, результатом чего является выход всего двигателя из строя.
Если двигатель будет работать на высоких оборотах (более 6500 об/мин), то лучше подобрать отверстие с большого конца шатуна так, чтобы его размеры укладывались в нижний предел допуска, оговоренного фирмой-производителем. Это максимально увеличит «обжатие» подшипника, и дополнительное усилие уменьшит шанс выхода его из строя. Следует помнить, что подшипник в отверстии удерживает сила трения, а не язычки на вкладышах; следовательно, требуется точный выбор посадки.
Если вы хотите достичь высоких значений эксплуатационных характеристик, которые может создать повышенная степень сжатия, то очень важно пользоваться шатунами, изготовленными из лучших материалов и обработанными на лучшем оборудовании. Низкое октановое число топлива часто вызывает детонацию, а очень высокие нагрузки, вызванные детонацией, могут разрушить вкладыши подшипников.
Болты шатунов являются деталями, на которые часто не обращают внимания, но они очень критичны для надежности шатунных подшипников. Если болты растянулись под нагрузкой, то зажимной эффект будет уменьшен, и шатун ослабит свой захват вкладышей подшипников. Правило выбора простое: покупайте самые лучшие (дорогие) шатунные болты, которые только можете найти. Если проверка после разборки обнаружила повреждение из-за проворачивания вкладышей, не используйте поврежденный шатун повторно.
Отверстие в большом конце шатуна почти наверняка имеет отклонение от окружности более чем на допустимые 0,025 мм, и возможно лишь полностью перешлифовать его с помощью специального устройства. Но это является лишь частным примером, когда шатуну удается вернуть механическую однородность. Перешлифовка или «развертка» шатунной крышки вызывает нежелательные напряжения в шатунных болтах и в углах площадок шатунных болтов. Эти напряжения могут привести к дефектам шатуна. Никогда не пытайтесь сохранить несколько деталей, используя эту процедуру «спасения», особенно в форсированном двигателе.
Если вы обнаружили какой-либо признак неисправности подшипника, то покупайте новый шатун. Избегайте восстановленных шатунов, если только они не восстановлены в мастерской с хорошей репутацией. Если нет возможности купить восстановленный шатун из надежного источника, то покупайте новый. В случае сомнений также лучше приобрести новый шатун, т. к. незначительная экономия может привести к серьезным последствиям (выход двигателя из строя).
Другим важным аспектом конструкции шатуна является общий вес. Большинство шатунов имеет большие балансировочные подушки на обоих концах. Эти подушки можно часто уменьшать, соответствующим образом уменьшая общий вес шатуна. Однако убедитесь, что на подушках останется достаточно много материала, т. е. что шатуны могут быть отбалансированы перед окончательной сборкой. Уменьшая балансировочные подушки и убирая, таким образом, лишний вес или полируя выступающие участки, можно уменьшить вес шатуна примерно на 10 %. Это не увеличит мощность двигателя на постоянных оборотах, но улучшит реакцию на открывание дроссельной заслонки (это называется разгонной мощностью), что улучшит разгон автомобиля.
Перед тем как шатуны пойдут на «обработку», их нужно проверить на наличие поверхностных трещин. Если вы намереваетесь серьезно обработать набор шатунов, то рекомендуется проверить их до и после обработки для выявления возможных трещин вблизи поверхности. Для такой проверки имеется различное оборудование, и оно есть во многих мастерских. Небольшие поверхностные дефекты иногда могут быть удалены простой шлифовкой. Если же проверка выявила наличие серьезных трещин, то такой шатун нужно заменить.
Система выпуска отработанных газов
В современном автомобиле на систему выпуска отработанных газов (ОГ) возлагается несколько важных функций: глушение шума при выпуске ОГ до уровня, не превышающего установленных санитарных норм; уменьшение количества токсичных компонентов в ОГ до значений, не превышающих предельно допустимых концентраций. Наряду с выполнением этих функций система выпуска должна обеспечивать: хорошую очистку и продувку цилиндров двигателя; минимальные потери энергии ОГ на пути от выпускных клапанов до лопаток соплового аппарата турбины; работу турбины при минимальных пульсациях потока ОГ. Кроме того, система выпуска должна иметь относительно простую конструкцию и быть технологичной в изготовлении. Выполнение названных требований позволяет получить приемлемый расход топлива, снизить вероятность поломки лопаток турбины, уменьшить металлоемкость системы выпуска и облегчить ее обслуживание.
Основной проблемой при стремлении оснастить автомобиль эффективной системой глушения шума является трудность размещения глушителя достаточно больших размеров.
Обычно эта проблема решается путем установки на автомобиль нескольких (до трех) последовательно соединенных глушителей с меньшими габаритами вместо одного большого. Важным требованием, предъявляемым при этом к выпускному тракту, является наличие минимального сопротивления движению ОГ и уменьшение за счет этого потерь мощности двигателя.
Для уменьшения количества токсичных компонентов в ОГ в выпускной тракт современных автомобилей устанавливается каталитический нейтрализатор. Особенность разработанных конструкций каталитических нейтрализаторов в том, что эффективную нейтрализацию содержащихся в ОГ токсичных компонентов они осуществляют лишь при значении коэффициента избытка воздуха а = 0,994 ± 0,003.
С целью определения количества содержащегося в ОГ кислорода и коррекции (при необходимости) состава топливовоздушной смеси, обеспечивающего эффективную работу каталитического нейтрализатора, в выпускном тракте устанавливается датчик обратной связи, так называемый лямбда-зонд, который называют также кислородным датчиком. На некоторых автомобилях фирмы Toyota такой датчик устанавливается как на входе газов в каталитический нейтрализатор, так и на выходе из него. Это позволяет блоку управления оценивать эффективность работы каталитического нейтрализатора.
Следует заметить, что при установке каталитического нейтрализатора сопротивление выпускного тракта неизбежно возрастает, что сопровождается некоторым уменьшением эффективной мощности двигателя (на 2–3 кВт). Чтобы общее сопротивление выпускного тракта при установке каталитического нейтрализатора сильно не возрастало, последний размещают обычно на месте предварительного глушителя. Поскольку максимальная экономичность двигателя имеет место при работе на обедненных смесях (1,05-1,15), то вынужденная работа двигателя во всем диапазоне нагрузок на смеси практически стехиометрического состава неизбежно ведет к снижению экономичности (до 5 %).
Выпускной тракт системы стремятся выполнить таким образом, чтобы при осуществлении возложенных на него основных функций он способствовал бы более полной очистке камер сгорания от остаточных газов и более полному наполнению цилиндров двигателя свежим зарядом. В зависимости от способа организации движения потока ОГ на участке от выпускных клапанов до входа в турбину турбокомпрессора выпускные системы разделяют на системы постоянного давления, импульсные, импульсные с преобразователями импульсов и эжекционные однотрубные.
Выпускные системы постоянного давления из-за имеющихся серьезных недостатков на автомобильных двигателях практически не применяются. Наибольшее распространение здесь получили системы импульсные и импульсные с преобразователями импульсов. Рассмотрим их подробнее.
В силу цикличности протекания рабочего процесса в поршневых ДВС в выпускном тракте, как и во впускном, возникает колебательное движение газов, в результате которого образуется волна давления. Благодаря большой разности давлений газа в цилиндре и выпускном тракте, в первый момент с начала открытия выпускного клапана из цилиндра выходит значительное количество газов. В этот период, называемый предварительным выпуском, создается распространяющаяся со скоростью звука волна давления. Эта волна, отражаясь от стенок выпускного трубопровода, при определенных обстоятельствах может воспрепятствовать дальнейшему вытеканию газа из цилиндра, обусловленному большой разностью давлений в начальный период выпуска.
Последующая очистка цилиндра от остаточных газов осуществляется в этом случае лишь за счет выталкивающего действия поршня. Очевидно, что при таких условиях количество газов, остающихся в камере сгорания от предыдущего цикла, будет наибольшим. Это отрицательно скажется на последующем наполнении цилиндра свежим зарядом и соответственно на мощности, экономичности и экологических показателях двигателя.
Однако образующуюся волну давления можно использовать и для создания за выпускным клапаном условий, способствующих улучшению очистки цилиндра от остаточных газов. Для этого выпускную систему необходимо настроить так, чтобы к концу процесса выпуска в период имеющейся фазы перекрытия клапанов за выпускным клапаном при прохождении волны образовалось разрежение. Это приведет к увеличению количества вытекающих из цилиндра остаточных газов и улучшению наполнения его свежим зарядом. Настройка выпускной системы осуществляется путем подбора длины и площади сечения выпускных трубопроводов. На начальном этапе работ названные параметры выпускной системы предварительно могут быть определены расчетным методом, однако затем необходима проверка и уточнение полученных результатов на испытательном стенде. При выполнении этих достаточно трудоемких работ с целью сокращения количества опытов для получения ожидаемого результата следует воспользоваться приемами, известными из теории планирования эксперимента.
Практика конструирования выпускных систем показывает, что чем больше цилиндров объединяет один выпускной трубопровод, тем меньше возникающая в трубопроводе результирующая амплитуда давления, образующаяся в результате наложения отдельных волн. Поэтому, чтобы избежать нежелательного наложения волн, выпускную систему выполняют в виде нескольких расположенных веером (один над другим) трубопроводов, в каждый из которых осуществляется выпуск газа не более чем из трех цилиндров. Для предотвращения нежелательного наложения волн потоки газа из цилиндров объединяются трубопроводами так, чтобы обеспечить чередование выпусков газа в каждый трубопровод с максимально возможными интервалами. При этом необходимо стремиться обеспечить одинаковую длину выпускных трубопроводов (на практике это не всегда удается реализовать из-за имеющихся габаритных ограничений). Выполнение этих условий возможно при веерообразном расположении выпускных трубопроводов, когда они располагаются один над другим. Обеспечение одинаковой длины трубопроводов позволяет настроить систему выпуска на определенный диапазон частоты вращения КВ. В импульсной выпускной системе подвод ОГ к турбине осуществляется отдельными трубопроводами от каждой группы цилиндров.
В импульсной выпускной системе с преобразователем импульсов трубопроводы, объединяющие выпуск из двух или трех цилиндров, переходят в выполняющую преобразование импульсов Y-образную трубу, два тракта которой через определенное расстояние объединяются в один. По сравнению с классической импульсной выпускной системой импульсная система с преобразователем импульсов проигрывает по габаритным показателям, но позволяет повысить КПД турбокомпрессора и увеличить ресурс турбины.
В двигателях с турбонаддувом выход Y-образной трубы соединяется с входом в турбину, а в двигателях без наддува – с трубопроводом, идущим к глушителю. Длина Y-образной трубы оказывает значительное влияние на характеристику мощности двигателя. Подбор длины, при которой двигатель развивает максимальную мощность, можно выполнить только на испытательном стенде. Вызвано это тем, что длина Y-образной трубы зависит к тому же от конструктивных особенностей системы впуска и фаз газораспределения, обусловленных профилем кулачков установленного на двигателе распределительного вала. Следует заметить, что для обеспечения протекания увеличившегося объема отработавших газов поперечное сечение Y-образной трубы в месте объединения двух ее трактов должно быть больше.
В однорядных 4-цилиндровых двигателях интервалы между вспышками в последовательно работающих цилиндрах составляют 180° поворота коленчатого вала (ПКВ). При встречающихся в этих двигателях порядках работы цилиндров 1-3-4-2 и 1-2-4-3 указанному выше требованию при наличии четырех выпускных каналов будет отвечать объединение одним выпускным трубопроводом соответственно цилиндров 1 и 4, а также 2 и 3. При этом будет обеспечена равномерность чередования выпусков газа в один трубопровод с максимально возможным интервалом 360°. Схема расположения выпускных трубопроводов показана на рисунке 21.
У некоторых 4-цилиндровых двигателей оба средних выпускных канала (для цилиндров 2 и 3) объединены уже в головке цилиндров. Иллюстрацией такого расположения выпускных каналов может, в частности, служить двигатель Д-243, устанавливаемый на тракторы «Беларусь». При такой конструкции каналов достигнуть правильного согласования достаточно трудно, но получить хорошие результаты при наличии Y-образной выпускной трубы для цилиндров 1 и 4 и общей трубы для цилиндров 2 и 3 вполне возможно. При этом необходимо обеспечить, чтобы общая для цилиндров 2 и 3 труба до места ее объединения с Y-образной трубой имела бы примерно такой же объем, что и последняя. Такое же расположение выпускных каналов встречается и у некоторых английских двигателей (MGB, Mini и др.).
Рис. 21. Схема расположения выпускных трубопроводов 4-цилиндрового рядного двигателя: 1 – впускной коллектор; 2 – блок цилиндров; 3 – выпускной трубопровод цилиндров 1 и 4; 4 – выпускной трубопровод цилиндров 2 и 3; 5 – Y-образная труба
В однорядных 6-цилиндровых двигателях имеет место порядок работы цилиндров 1-5-3-6-2-4, а на двигателях фирмы Audi и некоторых двигателях фирмы Mercedes цилиндры работают в последовательности 1-4-3-6-2-5. И в первом, и во втором случаях вспышки следуют равномерно с интервалом 120°. Выполнение названных выше условий здесь достигается применением двух расположенных веером выпускных трубопроводов. Один трубопровод объединяет цилиндры 1–3, а другой – соответственно цилиндры 4–6. Таким образом, чередование выпусков газа в один трубопровод здесь происходит равномерно с интервалом 240°. Схема расположения выпускных трубопроводов показана на рисунке 22.
Очевидно, что для V-образных и оппозитных (с углом развала блоков цилиндров 180°) 12-цилиндровых двигателей, имеющих коленчатый вал с равномерной продольно-симметричной схемой расположения кривошипов, объединение потоков газа выпускными трубопроводами на каждом блоке цилиндров может выполняться аналогично.
Рис. 22. Схема расположения выпускных трубопроводов 6-цилиндрового рядного двигателя: 1 – впускной коллектор; 2 – блок цилиндров; 3 – выпускной трубопровод цилиндров 1, 2 и 3; 4 – выпускной трубопровод цилиндров 4, 5 и 6; 5 – Y-образная труба
Несколько труднее обстоит дело с V-образным 8-цилиндровым двигателем, имеющим крестообразную (несимметричную) схему расположения кривошипов коленчатого вала. При такой схеме расположения кривошипов последовательность работы в левом и правом блоках цилиндров неодинаковая, в связи с чем эти двигатели нельзя рассматривать как два однорядных 4-цилиндровых двигателя. Иногда из-за недостатка места в моторном отсеке этим обстоятельством пренебрегают, что снижает эффективность выпускной системы. Для оптимальной настройки выпускной системы в этом случае необходимо направлять трубопровод от цилиндра одного блока к цилиндру другого блока, так чтобы после объединения выпуск каждого из двух цилиндров в общий для них трубопровод происходил через равные и по возможности максимальные интервалы времени. Пусть такой двигатель имеет наиболее часто встречающийся на практике порядок работы цилиндров, показанный в таблице 4. Интервалы между вспышками в цилиндрах по двигателю составляют 90° ПКВ.
Таблица 4
Порядок работы цилиндров двигателя
При теоретическом рассмотрении для выпуска в один трубопровод цилиндры следует попарно объединить следующим образом: 1Л – 2П, 2Л – 4П, 3Л – 1П и 4Л – 3П. Такая схема расположения выпускных трубопроводов показана на рисунке 23.
Намного проще, как у двух однорядных 4-цилиндровых двигателей, выполнить настройку выпускной системы для V-образного 8-цилиндрового двигателя с плоским коленчатым валом (с равномерной продольно-симметричной схемой расположения кривошипов). Настроить выпускную систему в этом случае можно отдельно для каждого блока цилиндров, как это сделано у двигателей гоночных автомобилей Формулы, например, в Ford Cosworth V8.
Рис. 23. Схема расположения выпускных трубопроводов для V-образного 8-цилиндрового двигателя с крестообразной схемой расположения кривошипов KB: 1 – впускные коллекторы; Л – левый блок цилиндров; П – правый блок цилиндров
Особый интерес представляет выпускная система 5-цилиндровых двигателей. Концерн Volkswagen, например, устанавливает их на микроавтобусы Caravelle и Transporter. Входящая в этот концерн фирма Audi оснащает такими двигателями некоторые свои легковые автомобили. В этих двигателях имеет место порядок работы цилиндров 1–2—4—5–3. Таким образом, вспышки следуют с интервалом 144°. В этом случае цилиндры 1 и 4, 2 и 3 можно объединить попарно, обеспечив минимальный интервал между последовательными выпусками в один трубопровод в 288°, а выпуск из цилиндра 5 осуществить в отдельную трубу уменьшенного сечения. На определенном удалении от блока цилиндров все три трубы объединяются в одну, по которой далее ОГ следуют в глушитель.
По сравнению со стандартной системой выпуска настройка выпускных трубопроводов путем подбора их длины позволяет увеличить коэффициент наполнения цилиндров практически во всем диапазоне изменения частоты вращения КВ. При этом увеличение мощности двигателя на номинальном режиме может достигать 6 %.
Теперь остановимся несколько подробнее на эжекционной однотрубной выпускной системе, которая с успехом может применяться на 4-, 6- и 8-цилиндровых двигателях как с наддувом, так и без наддува. Достоинством этой выпускной системы является то, что она удовлетворяет практически всем необходимым требованиям. Система может выполняться по одной из схем, приведенных на рисунке 24.
Поток ОГ по выпускному патрубку 1 поступает в однотрубный выпускной коллектор 2. Следуя по коллектору, поток ОГ вызывает эжекцию в выпускных патрубках. В свою очередь, газовые потоки в выпускных патрубках вызывают эжекцию в выпускном коллекторе. Благодаря наличию эжекции во время перекрытия клапанов в выпускных патрубках двигателя с турбонаддувом происходит понижение давления относительно уровня давления перед турбиной. При правильно подобранных фазах газораспределения это позволяет улучшить очистку цилиндров и их наполнение, что положительно сказывается на мощности и экономичности двигателя.
Оснащение одноблочного дизельного двигателя 6ЧН12/14 с турбокомпрессором ТКР-8,5 эжекционной однотрубной выпускной системой вместо штатной импульсной системы позволило уменьшить удельный эффективный расход топлива на 7–8 г/(кВт. ч) при работе на повышенных нагрузках и примерно на 4 г/(кВт. ч) при работе на малых нагрузках. При оставшихся практически неизменными расходе воздуха через двигатель и температуре ОГ перед турбиной давление наддува возросло на 0,015-0,02 МПа, а средняя температура ОГ в выпускных патрубках уменьшилась на 10–15 °C. Благодаря наличию эжекции давление в выпускных патрубках во время перекрытия клапанов на протяжении 50-100° ПКВ оказывалось на 0,005-0,05 МПа ниже давления во впускном коллекторе.
Рис. 24. Схемы возможного исполнения эжекционной однотрубной выпускной системы: 1 – выпускной патрубок; 2 – выпускной коллектор
Рис. 25. Схема перепуска наддувочного воздуха на вход турбины: 1 – заборник воздуха; 2 – воздушный фильтр; 3 – глушитель; 4 – турбокомпрессор; 5 – холодильник наддувочного воздуха; 6 – цилиндр двигателя; 7 – перепускной клапан
В случае двигателя без наддува благодаря наличию эжекции давление в выпускных патрубках во время перекрытия клапанов становится ниже атмосферного. При этом, как и у двигателя с наддувом, происходит улучшение очистки и наполнения цилиндров.
По сравнению с классической импульсной выпускной системой эжекционная однотрубная система при ее существенно меньших габаритах позволяет уменьшить габариты двигателя в целом, повысить КПД турбокомпрессора, а также увеличить ресурс турбины.
Обычно настройка выпускной системы двигателя выполняется комплексно с настройкой впускного тракта. При правильно подобранных параметрах обеих систем можно добиться очень эффективного наполнения цилиндров свежим зарядом и получить значение nv > 1.
Комплексная настройка систем впуска и выпуска автомобильных дизельных двигателей с наддувом позволяет добиться улучшения их приемистости. Для этого обе системы соединяют трубопроводами, благодаря которым часть наддувочного воздуха может подаваться на вход турбины. Данная схема позволяет плавно изменять расход газовоздушной смеси через турбину в зависимости от режима работы двигателя.
При увеличении разности давлений наддувочного воздуха и отработавших газов выше заданного значения перепускной клапан 7 открывается, в результате чего часть наддувочного воздуха поступает на вход турбины. Такое регулирование обеспечивает требуемую рабочую характеристику двигателя при работе на частичных нагрузках. Для обеспечения выхода двигателя на номинальную мощность в приводе перепускного клапана имеется устройство для его блокировки в закрытом состоянии.
