автордың кітабын онлайн тегін оқу Электроэнергетические системы и сети в вопросах и ответах
В. А. Русаков
Электроэнергетические системы и сети в вопросах и ответах
Учебно-практическое пособие
Шрифты предоставлены компанией «ПараТайп»
© В. А. Русаков, 2023
Учебное пособие разработано на основе практического опыта автора с опорой на действующую нормативно-техническую базу в области электроэнергетики. В пособии приведен ряд вопросов функционирования технологической и коммерческой инфраструктуры электроэнергетической системы, подчеркивающих особенности её внутреннего устройства и организации. Особенностью данного учебного пособия является попытка автора рассмотреть широкий спектр отраслевых вопросов различной сложности: от технических до рыночных.
ISBN 978-5-0060-3448-8
Создано в интеллектуальной издательской системе Ridero
Оглавление
ПРЕДИСЛОВИЕ
Автор выражает глубокую признательность руководству и специалистам ПАО «Россети ФСК ЕЭС» (Исполнительный аппарат г. Москва), ПАО «Россети Московский регион» (Исполнительный аппарат г. Москва), филиалам ПАО «Россети Волга», АО «ОЭК» (г. Москва), ООО «Сетевая компания» (г. Пенза), филиалам АО «СО ЕЭС» за участие в рецензировании и оказании содействия при написании учебного пособия.
Персональная благодарность Щобаку А. А., Ремизовой Т. С. (ФГБУ «Научно-исследовательский финансовый институт»), Кошелеву Д. Б. (ПАО «Россети»), Гвоздеву Д. Б. (ПАО «Россети Московский регион»), Медведеву Д. Б. (ПАО «Россети Московский регион») внесшим значительный вклад в улучшение содержания пособия.
ВВЕДЕНИЕ
Потребность в изложении различных аспектов современной российской энергетики, построенной на принципах рыночного регулирования в доступной студенту-читателю форме, возникла после завершения реформы РАО «ЕЭС России» в 2008 году, проводимой в соответствии с Постановлением Правительства РФ №526 «О реформировании энергетики Российской Федерации» [1].
Данное пособие является авторским изложением различной актуальной специализированной технической информации в формате «вопрос-ответ». Применение формата «вопрос-ответ» отсылает нас к преимущественно майевтической составляющей метода древнегреческого философа Сократа, использовавшего данный метод в дискуссиях, в которых истина и знания не даны в готовом виде, а представляют собой проблему и предполагают поиск [2].
Электроэнергетика, являясь стратегической отраслью государства в условиях рыночной экономики, сталкивается с новыми вызовами, с которыми ранее, ввиду плановой экономической системы СССР, не сталкивалась. Прежде всего, реформирование коснулось формирования оптового рынка электроэнергии и мощности, образование субъектов электроэнергетического хозяйства и нормативно-правовой базы, регулирующей их правоотношения. Однако, несмотря на эти экономические и правовые изменения электроэнергетическая система с технологической стороны всё также, основывается на фундаментальных физических законах, например, законах электродинамики. Ввиду этого методы решения ряда инженерных задач, связанных с передачей электроэнергии уже известны, и не отличаются от методов, использовавшихся ранее в СССР. Однако, в связи с новыми технико-экономическими вызовами, кроме их актуализации требуется внедрение абсолютно новых методологий построения электрических сетей и технологических процессов передачи и распределения электроэнергии (посредством высоковольтных сетей постоянного тока и гибких сетей переменного тока), так, масштабный проект цифровизации электросетевого комплекса, может обеспечить качественно новый уровень наблюдаемости и управляемости электросетевыми активами, превосходящий рядовую автоматизацию.
К вызовам в современной энергетике можно отнести: дебиторскую задолженность за потреблённую энергию, вопросы тарификации потребителей, выбор состава включенного генерирующего оборудования, изменение топологии распределительных сетей городов и населённых пунктов, возрастание технических и коммерческих потерь электроэнергии, физическое и моральное устаревание электросетевого и ген. оборудования, вопросы наблюдаемости сети, текущие темпы электросетевого строительства и реконструкций (создания устойчивых связей между объединенными энергосистемами Единой энергетической системы России), цифровизация действующих электроустановок, рост уровня токов короткого замыкания (далее — КЗ) и коммутационных перенапряжений, возрастание реактивной мощности (прежде всего в узлах связанных с тяговыми нагрузками), увеличение числа нелинейных нагрузок в системе приводящие к гармоникам и резонансам, вопросы электромагнитной совместимости оборудования, рост эксплуатационных издержек сетевых и генерирующих компаний, изменение режимов работы электроэнергетической системы (далее — ЭЭС) связанные с изменениями в характере и составе нагрузок (уменьшение промышленного потребления и рост бытового потребления) и многие др. При этом современные возможности вычислительной техники, ИТ и высокоскоростные каналы связи позволяют создавать цифровые электрические сети с обширными АСКУЭ (ИСУ) и АСДУ (SCADA), открывая новые возможности в вопросах управляемости и наблюдаемости ЭЭС.
Очевидно, для решения вышеперечисленных задач необходима основательная актуальная теоретическая база, причем её получение в большей степени является самостоятельной работой для студентов и молодых специалистов. При написании автор пособия обращал внимание на этот факт, а также на то, что электроэнергетическое образование в ВУЗах инерционно и в большинстве случаев не может обеспечить необходимый теоретический минимум актуальных знаний у будущих молодых специалистов. Во время самостоятельного изучения электроэнергетических дисциплин у студента может возникнуть масса вопросов различной сложности и специфики, касающихся технических и технологических аспектов функционирования системы. Поэтому в пособии затронуты как нетривиальные (сложные) вопросы, так и простые. Ответы на многие нетривиальные вопросы даны сознательно кратко для того, чтобы читатель мог проанализировать ответ и прийти самостоятельно к его получению. При этом в процессе трудовой деятельности для специалистов и инженерно-технических работников энергокомпаний данное пособие может использовано в качестве методического материала при подготовке к сдаче квалификационных экзаменов, а также для самостоятельной проверки остаточных знаний.
Анализ режимов работы электроэнергетической системы без рассмотрения ряда вопросов эксплуатации и технического обслуживания не позволил бы осветить аспекты, которые, зачастую носят ключевой характер при функционировании системы: планирование графиков ремонтов (ослабление схемы сети в ремонтных режимах), нюансы технического и оперативного обслуживания, особенности оборудования и налагаемые им ограничения на режим работы системы (ограничение максимально-допустимых перетоков в контролируемых сечениях) и др. Чтобы максимально охватить круг рассматриваемых вопросов в пособии применен метод декомпозиции задачи изучения электроэнергетической отрасли: разделение групп вопросов по смежной тематике.
Автор надеется, что читатель почерпнёт для себя нужную информацию, которая послужит ценным материалом для размышлений и пригодится в профессиональной деятельности. Также пособие может быть полезным для HR-представителей энергокомпаний при собеседовании с соискателями на инженерно-технические и административные должности и при проведении курсов повышения квалификации персонала для оценки уровня их теоретической подготовки и владения навыками построения умозаключений.
Для широкого круга читателей: студентов любой формы обучения по направлениям 13.03.00 и 13.03.02 «Электроэнергетика и электротехника» и специалистов электроэнергетических компаний в качестве вспомогательного справочного методического материала.
Глава 1 Общие вопросы электроэнергетики
Раздел 1.1 Основы электроэнергетики
Вопрос 1. Дайте определение термина «электроэнергетика».
Ответ. Электроэнергетика — отрасль экономики Российской Федерации, включающая в себя комплекс экономических отношений, возникающих в процессе производства (в том числе производства в режиме комбинированной выработки электрической и тепловой энергии), передачи электрической энергии, оперативно-диспетчерского управления в электроэнергетике, сбыта и потребления электрической энергии с использованием производственных и иных имущественных объектов (в том числе входящих в Единую энергетическую систему России), принадлежащих на праве собственности или на ином предусмотренном федеральными законами основании субъектам электроэнергетики или иным лицам. Электроэнергетика является основой функционирования экономики и жизнеобеспечения [1]. При этом согласно ГОСТ 19431—84: «Электроэнергетика — раздел энергетики, обеспечивающий электрификацию страны на основе рационального расширения производства и использования электрической энергии.»
Вопрос 2. Почему именно электроэнергия получила распространение, как основное средство передачи энергии для совершения полезной работы?
Ответ. Энергетика в широком смысле слова охватывает любые виды энергоресурсов и деятельность, связанную с их преобразованием. В быту потребителям необходимо совершение полезной работы, иными словами преобразование одного вида энергии в другой. Распространение получила энергия переменного электромагнитного поля, поскольку именно она обладает необходимыми свойствами для рационального преобразования в другие виды энергии: передача на большие расстояния с минимальными потерями энергии и относительно высоким КПД, возможность трансформации, относительно низкая стоимость, возможность генерации в необходимых объемах.
Вопрос 3. В чем заключается ключевая особенность технологии производства электроэнергии?
Ответ. Ключевая особенность электроэнергии заключается в том, что процесс её производства и потребления неразрывно связан во времени. При этом её накопление и хранение в промышленных объемах возможно осуществлять только через специальные системы накопления электроэнергии (например, ГАЭС, хим. накопители), которые в настоящее время имеют ряд существенных технологических, технико-экономических ограничений и не получили достаточно широкого применения в ЕЭС России. Таким образом, выработка электроэнергии должна совпадать во времени с её потреблением. Это налагает особую ответственность за обеспечения бесперебойного снабжения потребителей на энергетические компании (прежде всего системного оператора), в отличие от других отраслей промышленности.
Вопрос 4. Почему в электроэнергетике принято создавать большие энергообъединения для обеспечения электроснабжения потребителей?
Ответ. Создание объединенных энергосистем позволяет более полно использовать установленную мощность электростанций, снизить колебания загрузки отдельных электростанций и энергосистем за счет использования несовпадения максимальной нагрузки во времени в отдельных энергосистемах. Так, созданная Единая энергетическая система (ЕЭС), объединяющая энергосистемы различных регионов России, стран Содружества Независимых Государств (СНГ) и Балтии (позволяет передавать электроэнергию из избыточных по энергоисточникам районов страны в дефицитные, рационально использовать установленную мощность за счет смещения максимумов нагрузки в районах с разным поясным временем.
По этой же причине выравнивается суточный график нагрузки, что благоприятно сказывается на надежности и долговечности оборудования, кроме того, снижается расход топлива на выработку электроэнергии. Управление огромным энергетическим комплексом осуществляется из единого диспетчерского центра системного оператора (АО «СО ЕЭС») с помощью различных автоматических систем, дистанционно контролирующих и регулирующих параметры режима во многих контрольных точках [3].
Вопрос 5. Что такое слабая и сильная связь между энергосистемами?
Ответ. Линии электропередачи, передающие потоки равными мощностями группы генераторов или соизмеримыми с установленной мощностью энергосистем, относятся к сильным связям. При пропускной способности, не превышающей 5—10% от установленной мощности меньшей из объединяемых энергосистем, связь между ними характеризуются как слабая. По этим связям практически проводят границу между отдельными энергосистемами.
Вопрос 6. Перечислите основные задачи АО «СО ЕЭС».
Ответ. В процессе своей деятельности Системный оператор решает три основные группы задач:
— управление технологическими режимами работы объектов ЕЭС России в реальном времени
— обеспечение перспективного развития ЕЭС России
— обеспечение единства и эффективной работы технологических механизмов оптового и розничных рынков электрической энергии и мощности [3].
Вопрос 7. Перечислите цели Ассоциации «НП Совет рынка» и АО «АТС».
Ответ. Целями создания Ассоциации НП «Совет рынка» являются
● обеспечение функционирования коммерческой инфраструктуры оптового рынка;
● обеспечение эффективной взаимосвязи оптового и розничных рынков;
● формирование благоприятных условий для привлечения инвестиций в электроэнергетику;
● наличие общей позиции участников оптового и розничных рынков при разработке нормативных документов, регулирующих функционирование электроэнергетики;
● организация на основе саморегулирования эффективной системы оптовой и розничной торговли электрической энергией, мощностью, иными товарами и услугами, допущенными к обращению на оптовом и розничных рынках, в целях обеспечения энергетической безопасности Российской Федерации, единства экономического пространства, свободы экономической деятельности и конкуренции на оптовом и розничных рынках, соблюдения баланса интересов производителей и покупателей электрической энергии и мощности, удовлетворения общественных потребностей в надежном и устойчивом снабжении электрической энергией.
АО «АТС» создано в целях осуществления деятельности по организации торговли на оптовом рынке электрической энергии и мощности, связанной с заключением и организацией исполнения сделок по обращению электрической энергии, мощности и иных объектов торговли, обращение которых допускается на оптовом рынке [1].
Вопрос 8. Сколько синхронных зон входит в состав ЕЭС России?
Ответ. Единая энергетическая система России включает в себя 2 синхронные зоны.
Первая синхронная зона включает в себя все объединенные энергосистемы (ОЭС Центра, Средней-волги, Северо-запада, Сибири, Урала), кроме объединенной энергосистемы Востока. Вторая синхронная зона включает в себя объединенную энергосистему Востока, которая работает изолированно от первой синхронной зоны. Вторая синхронная зона имеет связь нормально отключенного транзита с ОЭС Сибири (1-й синхронной зоной) по воздушной линии (далее — ВЛ) 220 кВ, а также с энергосистемой Китая. Необходимо отметить, что пропускная способность транзитных ЛЭП 220 киловольт (далее — кВ) недостаточна для синхронизации по ним 1-й и 2-й синхронных зон [32.1].
Вопрос 9. В чем заключается основная сложность объединения на параллельную работу энергосистем с разными номинальными частотами (50 и 60 Гц)?
Ответ. Если до объединения системы работали с различными законами регулирования частоты, то такое объединение требует большой работы по реконструкции систем регулирования частоты, основного и вспомогательного оборудования всех электростанциях и крупных капиталовложений. Объединение систем на параллельную работу приводит к одновременному увеличению токов КЗ в связываемых системах. Это требует применения дорогостоящих мероприятий по их ограничению или замене коммутационной аппаратуры. Поэтому, например, в энергосистеме Японии для объединения ОЭС 60 и 50 Гц «Север и Юг» широко применяют асинхронизированные установки на ГАЭС и вставки постоянного тока.
Вопрос 10. Почему в единой энергетической системе (далее — ЕЭС) России выбран переменный ток с номинальной частотой равной 50 Гц?
Ответ. Использование переменного тока частотой 50 Гц обусловлено исторически. Первые однофазные сети переменного тока в США в 1880-е годы имели частоту 133 Гц (данная частота была удобна для обрабатывающего оборудования). Но исследованиями ведущих электротехников конца XIX века (Ч. П. Штейнмец, Н. Тесла и др.) было установлено, что при действительном качестве трансформаторных сталей оптимальная частота равна приблизительно 55 Гц. В Америке выбрали данную частоту округлив до 60 Гц, ориентируясь на улучшение качества электроэнергии. В Германии приняли 50 Гц, чтобы можно было использовать сталь с несколько худшим качеством. Вскоре после этого разработанная система трёхфазного переменного тока М. А. Доливо-Добровольским также взяла за основу стандарт в 50 Гц, который оказался удобен для конструкций электрических машин (асинхронных двигателей и синхронных генераторов) в части числа полюсов и допускаемой частоты вращения роторов.
В начале 1950-х годов были разработаны новые магнитные сплавы (пермаллой и т.п.), позволявшие строить электросети с частотой 400 Гц, по общей экономичности капитальных вложений (меньшие габариты оборудования и др.), превосходящие традиционные — 50 и 60 Гц. Но технически реализовать это для больших существующих систем невозможно: пришлось бы заменить существующие и разработать новые генераторы, трансформаторы и вспомогательное оборудование на электростанциях, асинхронные и синхронные электродвигатели, индукционные приборы учета и многие другие устройства, для работы которых критична частота сети. Вместе с этим серьёзно возросли бы эксплуатационные издержки (потери электроэнергии при передаче и др.).
Раздел 1.2 Основы теоретической электротехники
Вопрос 1. Отражением, какого фундаментального физического закона является первый закон и второй закон Кирхгофа?
Ответ. Первый закон Кирхгофа является отражением фундаментального закона сохранения электрического заряда, второй закон отражением закона сохранения электрической энергии.
Вопрос 2. Что такое уравновешенная трёхфазная цепь? Применяется ли она в распределительных сетях 0,4 кВ?
Ответ. Уравновешенной называют такую трехфазную цепь, мгновенная мощность элементов которой не зависит от времени. Нагрузка, подключенная к фазному напряжению 0,23 кВ распределена не равномерно, и имеет разные коэффициенты одновременности, следовательно, для нормального функционирования сети необходим нулевой проводник, который уравновешивает систему. Уравновешенность является важным качеством трехфазной цепи: момент на валу трехфазного генератора остается в таких системах постоянным, а не пульсирует с двойной угловой частотой.
Вопрос 3. Почему для расчетов систем применяется метод симметричных составляющий, а не классические методы расчета цепей, основанные на законах Кирхгофа?
Ответ. Электрические системы содержат большое количество неидеальных (потери ЭЭ) нелинейных электрических элементов. Для симметричных режимов допускается линеаризовать уравновешенную систему токов и напряжений. Но при возникновении нессиметрии в сети учет магнитосвязанных цепей необходим, из-за этого для расчета образуется большое количество контуров. Для упрощения расчетов вводится понятие идеального трансформатора и магнитосвязанная цепь заменяется эквивалентной линейной. В настоящее время вычислительной мощности ЭВМ достаточно для использования метод расчета в фазных координатах. Метод симметричных составляющий позволяет представить неуравновешенной трёхфазную систему в виде трёх составляющих уравновешенных (прямой, обратной, нулевой последовательности).
Раздел 1.3 Основы устойчивого функционирования электроэнергетической системы, предотвращения и ликвидации нарушений её нормального режима работы
Вопрос 1. Какие режимы существуют в электроэнергетической системе (ЭЭС)? Приведите краткое определение режимов.
Ответ. Состояние ЭЭС на заданный момент или отрезок времени называется режимом. С учетом требований ГОСТ 57114—2016.
Электроэнергетический режим энергосистемы — совокупность технических параметров, характеризующих единый процесс производства, преобразования, передачи и потребления электрической энергии (мощности) в энергосистеме и состояние объектов электроэнергетики и энергопринимающих установок потребителей электрической энергии (включая схемы электрических соединений объектов электроэнергетики) [32.1].
Установившийся режим — это режим работы, при котором режимные параметры изменяются незначительно или остаются неизменными [7].
Квазиустановившийся режим — это часть длительного переходного процесса, устанавливающегося в электроэнергетической системе после аварийных возмущений и характеризующегося единой частотой и конечным ускорением энергосистемы [7].
Вынужденный режим энергосистемы — электроэнергетический режим энергосистемы, характеризующийся сниженными запасами устойчивости в нормальном режиме и возможностью нарушения устойчивости в послеаварийном режиме [7];
Нормальный режим — это установившийся режим (не считая нерегулярных колебаний, медленных или незначительных флуктуаций параметров, в том числе обусловленных работой устройств автоматического регулирования частоты, напряжения), характеризующийся длительно допустимыми значениями параметров, нормативными запасами устойчивости в данной схеме сети, устойчивым переходом к любым послеаварийным режимам, которые могут возникнуть в результате нормативных возмущений [7].
Переходный режим энергосистемы — электроэнергетический режим, возникающий при переходе от одного установившегося режима к другому установившемуся режиму, вызванном аварийными или иными возмущениями при изменении технологического режима работы или эксплуатационного состояния объектов электроэнергетики и энергопринимающих установок [7];
Послеаварийный режим энергосистемы — установившийся электроэнергетический режим энергосистемы, характеризующийся параметрами, сложившимися после завершения, вызванного аварийным возмущением переходного процесса [7];
Аварийный режим — разновидность установившегося режима, отражающая такую стадию переходного процесса, при которой произошло затухание всех возникших в начальный момент КЗ апериодических составляющих токов и напряжений в синхронной машине, действие АРВ прекращено (ликвидируется действием УРЗА). При этом предполагается, что скорость вращения машины остается равной синхронной [7].
Асинхронный режим — аварийный режим энергосистемы, характеризующийся несинхронным вращением части генераторов энергосистемы. Характеризуется устойчивыми глубокими периодическими колебаниями напряжений, токов и мощностей, периодическим изменением взаимного угла ЭДС генераторов электростанций и наличием разности частот между частями синхронной зоны при сохранении электрической связи между ними. Различают АР генератора с возбуждением и с потерей возбуждения [7].
Режим с высокими рисками (РВР) — режим с высокими рисками нарушения электроснабжения: электроэнергетический режим работы ЕЭС России или ее части, связанный с возникновением или угрозой возникновения нарушения электроснабжения и требующий разработки и выполнения дополнительных организационно-технических мероприятий, направленных на повышение надежности работы энергосистемы на территории ОЗ [32.1].
Вопрос 2. Назовите виды послеаварийных режимов.
Ответ. Иногда также различают следующие послеаварийные режимы:
— Послеаварийный режим после нормативного возмущения, характеризующийся запасами устойчивости, не меньшими, чем нормативными. Если эти запасы не соответствуют условиям нормального режима, то диспетчерский персонал должен ввести энергосистему в область допустимых режимов не более, чем за 20 мин [3]. Режим, параметры которого соответствуют требованиям к послеаварийному режиму — переток активной мощности не выше аварийно-допустимого, токовая нагрузка ЛЭП и электросетевых элементов не выше аварийно-допустимой с учётом согласованной длительности перегрузки, напряжения не ниже аварийно-допустимого уровня.
— Установившийся послеаварийный режим со сниженными запасами по устойчивости. Такой режим может возникнуть, если предшествующий режим не соответствовал нормальному режиму или/и возмущение было тяжелее нормативного. При этом диспетчерский персонал также должен повышать запасы устойчивости до регламентируемых [3]. Также речь может идти о недопустимой перегрузке по току и снижении напряжения ниже нормативных величин. Диспетчерский персонал в данном случае будет приводить параметры электроэнергетического режима (P, I, U, f) в область допустимых значений.
Вопрос 3. Дайте определение неполнофазному режиму работы электропередачи.
Ответ. Неполнофазный режим работы электропередачи — временный режим работы воздушной линии с односторонним или двусторонним питанием «две фазы — нейтраль» при отключенной одной фазой со всех сторон и заземлением нейтралей трансформаторов. При этом несимметрия параметров режима допускается по условиям работы генераторов, трансформаторов и УРЗА системы.
Вопрос 4. Дайте определение натурального режима электропредачи.
Ответ. Натуральный режим электропередачи — наиболее выгодный для сети установившийся режим работы, которому соответствует максимальная передаваемая активная мощность электропередачи с учетом технический ограничений по перенапряжениям в различных точках ДЭП и затратам на электросетевое оборудование (не требуются установки регулирующие реактивную мощность), за счет отсутствия загрузки линии реактивным током, так как линия компенсирует собственную реактивную мощность (индуктивность) зарядной мощностью (емкостью). При этом величина передаваемой мощности по ДЭП СВН зависит от величины волнового сопротивления линии равного сопротивлению нагрузки.
Вопрос 5. Понятие натуральная мощность воздушной линии.
Ответ. Это режим работы ВЛ, при котором потери реактивной мощности в индуктивном сопротивлении ВЛ и её зарядная мощность компенсируют друг друга.
Вопрос 6. Как влияет взаимная индуктивность фазных проводов воздушной линии (далее — ВЛ) на пропускную способность электропередачи?
Ответ. В нормальном режиме работы электропередачи взаимная индуктивность уменьшает индуктивность фаз и соответственно падения напряжения на линии за счет уменьшения реактивной мощности, протекающей по линии, за счет этого можно увеличить переток активной мощности по линии. При несимметричных режимах работы она увеличивает сопротивления для токов нулевой последовательности.
Вопрос 7. Дайте определение синхронным качаниям.
Ответ. Синхронные качания — режим энергосистемы, характеризующийся низкочастотными периодическими изменениями токов, напряжений и мощности при сохранении синхронности параллельной работы генераторов, благодаря их инерционным демпфирующим свойствам. Незначительные изменения мощности нагрузок и генерации (в масштабах энергосистемы) приводят к небольшой разнице в частотах ЭДС, вырабатываемых в частях энергосистемы и появлению небольших «качаний» напряжения.
Вопрос 8. Для чего нужен анализ холостого хода электропередачи?
Ответ. Холостой ход электропередачи — режим кратковременный, но его анализ обязателен, поскольку позволяет оценить возможность перегрузки генератора реактивным током, величину предельного напряжения на конце линии при холостом ходу (нагрузкой является сама ЛЭП).
Вопрос 9. Назовите различия режима синхронных качаний от асинхронного хода.
Ответ. Основными признаками асинхронного режима являются:
— устойчивые глубокие периодические колебания напряжений, токов и мощностей. Напряжения на объектах энергетики вблизи электрического центра качаний (ЭЦК) могут снижаться до нулевых значений;
— периодическое изменение взаимного угла ЭДС генераторов хотя бы одной электростанции по отношению к ЭДС генераторов любой другой электростанции энергосистемы на угол, больший 360;
— возникновение разности частот между частями синхронной зоны, вышедшими из синхронизма, при сохранении электрической связи между ними.
В результате снижения напряжения вблизи ЭЦК ниже аварийно допустимых значений возможно нарушение работы механизмов собственных нужд электростанций. Наиболее надёжной отличительной чертой синхронных качаний является то, что средняя частота в энергосистемах или её частях, между которыми происходят взаимные колебания, остаётся неизменной, равной исходной. Кроме того, при синхронных качаниях мощность на линиях связи не меняет своего знака. Поскольку угол между ЭДС систем при синхронных качаниях теоретически может достигать своего критического значения, нельзя отличить асинхронный режим от синхронных качаний только по значению тока.
Вопрос 10. Какой практический критерий существует для определения устойчивости узла нагрузки?
Ответ. Если в узле нагрузки происходит снижение напряжения (возникает дефицит реактивной мощности), то энергосистема компенсирует небаланс за счет увеличения реактивной мощности, выдаваемой в сеть генераторами. Пока отношение приращения реактивной мощности энергосистемы для узла нагрузки к напряжению в данном узле отрицательно- система статически устойчива.
Вопрос 11. Какие мероприятия необходимо предпринять в случае возникновения асинхронного хода при потере возбуждения генератора?
Ответ. При потере возбуждения генератора должны быть выполнены следующие мероприятия (устройствами РЗ и ПА, эксплуатационным персоналом):
— выявить асинхронный режим (релейная защита действует на отключение, если он невозможен или недопустим -на сигнал) и разгрузить турбину;
— одновременно включить АГП и переключить обмотку возбуждения на гасящие резисторы;
— обеспечить работу системы собственных нужд электростанции;
— контролировать реактивную мощность других генераторов;
— обеспечить устойчивость участка энергосистемы и ограничить время асинхронного режима;
— устранить неисправность системы возбуждения либо перейти на резервный возбудитель.
Вопрос 12. В чем особенность режимов работы дальних электропередач?
Ответ. При расчете установившихся режимов для дальних электропередач необходимо учитывать волновую длину линии, в зависимости от этой величины и степени согласованности сопротивления линии с нагрузкой проявляются эффекты, связанные с генерацией (потреблением) реактивной мощности линией, что приводит к росту напряжения (тока) на конце линии.
Вопрос 13. Какими основными параметрами определяется текущий режим энергосистемы?
Ответ. Основными параметрами режима являются согласно ГОСТ 721—77 «Системы электроснабжения, сети, источники, преобразователи и приемники электрической энергии. Номинальные напряжения до 1000 В» и ГОСТ 21128—83».. свыше 1000 В», ГОСТ 1516.3—96 «Электрооборудование переменного тока на напряжения от 1 до 750 кВ..», ГОСТ 32144—2013 «Электрическая энергия. Совместимость технических средств электромагнитная.» и ПТФ ЭЭС являются указанные в Таблице 1.
Таблица 1 — Описание параметров электрического режима
Вопрос 14. Какие особенности электроэнергетических режимов Вы можете перечислить для ОЭС входящих в ЕЭС России?
Ответ. Особеености ОЭС перечислены в Таблице 2.
Таблица 2 — Описание особенностей ОЭС
Вопрос 15. Как определить предел передаваемой мощности по заданному вектору утяжеления по расчетам установившихся режимов? Какой критерий при этом не учитывается?
Ответ. При утяжелении режима производится серия расчётов установившихся режимов при изменении параметров в соответствии с заданной траекторией утяжеления. Критерием нахождения предельного режима является сходимость расчета режима. Дополнительным критерием нахождения предельного режима может служить достижение экстремума по отмеченным контролируемым величинам (мощности по сечениям). Выполняется для определения предельных перетоков мощности по сечениям (наборам линий, без которых сеть разделяется на два несвязных района). При определении допустимых перетоков в настоящее время не учитываются потери активной и реактивной мощности.
Для расчета используется процедура, называемая утяжелением режима, и заключающаяся в следующем: задается множество узлов, в которых будет осуществляться изменение параметров режима (нагрузки, генерации, модуля напряжения для регулируемых узлов, угла напряжения для балансирующих узлов), со значениями их приращений. Это множество называется траекторией утяжеления. Проводится серия расчетов режимов при последовательном изменении утяжеляемых параметров на заданную величину, при аварийном окончании одного из расчетов осуществляется возврат к последнему из сбалансированных режимов, и следующее приращение выполняется на величину в два раза меньшую предыдущей, пока не будет, достигнут предельный режим с заданной точностью.
Вопрос 16. Что понимается под связью и под сечением в энергосистеме? Какие приняты виды сечений?
Ответ. Связь — последовательность элементов, соединяющих две части энергосистемы. Данная последовательность может включать в себя кроме линий электропередачи трансформаторы, системы (секции) шин, коммутационные аппараты, рассматриваемые как сетевые элементы.
Связь межсистемная — участок линии электропередачи, непосредственно соединяющий электростанции или подстанции разных энергосистем. Иногда к межсистемной связи относят и смежные участки линии электропередачи, не имеющие дополнительных шунтирующих связей.
Контролируемое сечение — совокупность линий электропередачи и других элементов сети, определяемых диспетчерским центром субъекта оперативно-диспетчерского управления, перетоки активной мощности по которым контролируются и/или регулируются в целях обеспечения устойчивости энергосистемы и допустимых режимов работы (допустимой токовой нагрузки) линий электропередачи и оборудования.
Полное сечение — совокупность элементов одной или нескольких связей, одновременное отключение которых приводит к разделению энергосистемы на две изолированно работающие части.
Частичное сечение — совокупность элементов одной или нескольких связей, одновременное отключение которых не приводит к разделению энергосистемы на две изолированно работающие части.
Под опасным сечением понимается сечение из наиболее загруженных линии (элементов), делящих систему на две изолированные части в послеаварийном режиме или в послеаварийном режиме после нормативного возмущения, если отключение перегружаемого элемента недопустимо (согласно текущим НДТ данный термин исключен из оборота) [10].
Вопрос 17. Как подразделяются технологические нарушения в работе энергетических объектов в зависимости от характера, тяжести последствий, воздействия на персонал и объемов повреждений?
Ответ. Технологические нарушения подразделяются на аварию, инцидент, технологический отказ, функциональный отказ.
Под аварией понимается разрушение сооружений или технических устройств, применяемых на опасном производственном объекте, неконтролируемый взрыв или выброс опасных веществ. Ситуация считается аварийной, если в результате такой ситуации возник:
— групповой несчастный случай;
— останов на срок более суток генерирующего оборудования;
— выведено из строя основное оборудование на срок более 25 суток;
— ограничена пропускная способность ЛЭП на срок более 25 суток.
Аварии на станциях (останов на срок более 25 суток):
— Пожар или взрыв в энергокотле, который привёл к обрушению здания котельной, либо к недопустимой деформации питательных трубопроводов, барабанов котлов, если эти разрушения приводят к вынужденному простою котла;
— Разрушение цилиндров или прогиб ротора турбины, разрушение лопастей гидротурбины или пожар в маслосистеме турбины;
— Повреждение ротора генератора, внутреннее повреждение, которое привело к полной перемотке ротора или статора, к перешихтовке железа или замены ротора;
— Повреждение силового трансформатора, синхронного компенсатора или шунтирующего реактора, если это привело к останову генерирующего оборудования или ограничению передачи электроэнергии.
Аварии в энергосистемах: в результате внезапного отключения генерирующего оборудования энергосистема стала работать с частотой 49 герц и ниже в течении одного часа и более или суммарной продолжительностью в течение суток 3 часа и более [4].
На гидростанциях к авариям относятся: повреждения гидросооружений, которые привели к снижению уровня воды в водохранилище или повышению его на нижнем уровне за предельно допустимое значение.
Инцидент — отказ или повреждение оборудования, сетей, отклонения от установленных режимов, нарушение федеральных законов и иных правовых актов Российской Федерации, а также нормативных технических документов, устанавливающих правила ведения работ на опасном производственном объекте.
Технологический отказ — вынужденное отключение или ограничение работоспособности оборудования, приведшее к нарушению процесса производства или передачи электрической и тепловой энергии потребителям, если они не содержат признаков аварии/
Технологический отказ — это повреждение, но сроки по времени отклонение показателей меньше. Примеры в сетях: Повреждения в ЛЭП, системы шин ПС, силового трансформатора, СК, реактора в сети 110 кВ и выше или разделение системы на части, которое приводит к обесточиванию объектов народного хозяйства и нарушению договорных обязательств по отношению к потребителю. либо неправильные действия РЗА и персонала, которые привели к обесточиванию потребителей или снижению качества электроэнергии.
Функциональные отказы — это неправильные действия защиты или автоматики, или неправильные действия персонала, если они не привели к обесточиванию потребителей и снижению качества энергии. Например, вынужденное отключение оборудования или ЛЭП, но без нарушения технологии энергопроизводства.
Вопрос 18. Когда может быть выполнен переход на работу в вынужденном режиме?
Ответ. Переход на работу в вынужденном режиме может быть выполнен в следующих случаях:
— Оперативно при аварийном или неотложном изменении схемно-режимной ситуации на время не более 40 минут, до 24 часов, свыше 24 часов;
— При планируемом или фактическом изменении схемы электрической сети (состава генерирующих мощностей), связанном с выводом в ремонт линий электропередачи, электросетевого и/или генерирующего оборудования, на срок, соответствующий поданной диспетчерской заявке;
— В связи с прогнозируемой неблагоприятной режимно-балансовой ситуацией (недостаток генерирующих мощностей, ограничение максимально допустимых перетоков активной мощности в контролируемых сечениях и др.).
Переход на работу в вынужденном режиме не допускается, если МДП в контролируемом сечении определяется необходимостью обеспечения допустимой токовой нагрузки линий электропередачи и (или) электросетевого оборудования в нормальной (ремонтной) схеме или в послеаварийном режиме после нормативного возмущения [5].
Вопрос 19. Какие расчетные условия работы энергосистемы по частоте определены в стандарте Системного оператора «Правила предотвращения развития и ликвидации нарушений нормального режима электрической части энергосистем»?
Ответ. Значительное снижение или повышение частоты недопустимо по режимам работы электрических станций. Для тепловых электростанций длительное снижение частоты ниже 49,00 Гц недопустимо по режиму работы котлов, имеющих питательные электронасосы. Работа на пониженной частоте может приводить к разрушению лопаточного аппарата паровых турбин. Для АЭС с реакторами типа РБКМ-1000 эксплуатация запрещается при частоте ниже 48 Гц, а с реакторами ВВЭР-1000 — ниже 46 Гц.
С учетом этого определены следующие расчетные условия работы энергосистемы по частоте: с частотой ниже 49,0 Гц — не более 40 с, 47,0 Гц — не более 10 с; 46,0 Гц — не допускается. В нормальных режимах ЕЭС частота нормируется в диапазонах:50,000,05 Гц — нормальное значение (для длительных отклонений); 50,000.20 Гц — для отклонений длительностью не более 15 мин [4].
Вопрос 20. Чем отличается понятие перегрузка контролируемого сечения от превышения МДП?
Ответ. Перегрузка контролируемого сечения — работа с перетоком активной мощности в контролируемом сечении, превышающим максимально допустимый переток активной мощности в контролируемом сечении, увеличенный на величину амплитуды нерегулярных колебаний (отклонений) активной мощности, в течение менее 20 минут.
Превышение максимально допустимого перетока активной мощности в контролируемом сечении (превышение МДП) — работа с перетоком активной мощности в контролируемом сечении, превышающим максимально допустимый переток активной мощности в контролируемом сечении, увеличенный на величину амплитуды нерегулярных колебаний (отклонений) активной мощности, в течение 20 минут и более непрерывно или интегрально. Превышение МДП является переходом на работу в вынужденном режиме работы в контролируемом сечении [4].
Вопрос 21. Что предпринимается диспетчерским центром Системного оператора на стадии планирования режимов, при выявлении возможности перегрузки контролируемого сечения, ЛЭП и электросетевого оборудования?
Ответ. На стадии планирования режима после разработки и анализа ожидаемого баланса мощности и при выявленной необходимости предотвращения возможной перегрузки контролируемых сечений, электросетевого оборудования свыше длительно допустимой токовой нагрузки, с необходимой заблаговременностью диспетчерскими центрами:
— даются команды на подготовку ГАЭС к работе в генераторном режиме;
— даются команды на пуск энергоблоков, находящихся в холодном резерве;
— запрещается вывод в ремонт (резерв) ЛЭП, электросетевого оборудования, снижающего МДП в контролируемых сечениях, а также генерирующего оборудования, отключение которого приводит к увеличению загрузки электросетевого оборудования и контролируемых сечений с ожидаемой перегрузкой (независимо от наличия заявок);
— даются команды на ввод в работу (в сроки аварийной готовности) электросетевого оборудования, включение которого приводит к увеличению МДП в контролируемых сечениях с ожидаемой перегрузкой, а также генерирующего оборудования, снижающего загрузку ЛЭП, электросетевого оборудования и контролируемых сечений с ожидаемой перегрузкой;
— вводятся графики аварийного ограничения режима потребления [4].
Вопрос 22. Что необходимо предпринять диспетчеру при выявлении возможности снижения частоты в энергосистеме?
Ответ. После разработки и анализа ожидаемого баланса мощности и при выявленной необходимости для предотвращения возможного снижения частоты в энергосистеме, перегрузки сечений, связей и электротехнического оборудования, с необходимой заблаговременностью до предстоящего прохождения максимума нагрузки диспетчерами ДЦ даются команды на подготовку гидроаккумулирующих электростанций (ГАЭС) к работе в генераторном режиме и на пуск энергоблоков, находящихся в холодном резерве.
При этом запрещается вывод в ремонт генерирующего и электросетевого оборудования, снижающего пропускную способность сечений, и даются команды на ввод в работу и приостановление вывода в ремонт оборудования, ограничивающего выдачу мощности из избыточных районов. В крайнем случае, вводятся графики аварийного ограничения потребления [4].
Вопрос 23. Каковы действия диспетчера, ответственного за регулирование частоты при внезапном снижении частоты ниже 49,8 Гц?
Ответ. При внезапном снижении частоты ниже 49,80 Гц, диспетчер, ответственный за регулирование частоты в синхронной зоне, производит следующие действия: на основании данных ОИК, опроса оперативного и диспетчерского персонала выясняет причины снижения частоты, состояние и режим контролируемых сечений и связей, в зависимости от причин снижения частоты принимает меры к восстановлению частоты до уровня, не выходящего за пределы нормальных значений, путем использования имеющихся резервов мощности, не допуская при этом превышения допустимых перетоков мощности по контролируемым сечениям. Дополнительно: используются разрешенные аварийные перегрузки генерирующего оборудования с контролем загрузки контролируемых сечений, линий электропередачи и электросетевого оборудования; повышается электрическая нагрузка на ТЭЦ за счет снижения расхода пара на промышленные и тепловые отборы путем понижения температуры сетевой воды.
Если проведение мероприятий не обеспечило повышения частоты до 49,80 Гц включительно, то вводятся аварийные ограничения с контролем перетоков мощности по контролируемым сечениям и нагрузок электросетевого оборудования.
При работе энергосистемы с частотой ниже 49,80 Гц в электрических сетях и на электростанциях запрещается проведение плановых переключений в РУ, устройствах релейной защиты и противоаварийной автоматики, устройствах технологической автоматики энергоблоков, кроме необходимых для ликвидации нарушения нормального режима [4].
Вопрос 24. Когда в течении суток рекомендуется производить оперативные переключения?
Ответ. Время начала плановых переключений в каждом конкретном случае определяется диспетчером, в диспетчерском управлении которого находится данное оборудование. Рекомендуется производить переключения в часы наименьших нагрузок. Не допускается производить переключения в часы максимума нагрузок и во время грозы или урагана, а также начинать переключения за полчаса до окончания смены. Однако при производстве переключений диспетчер оценивает режим на предмет наиболее тяжелого нормативного возмущения и если при этом не обнаруживает недопустимых отклонений параметров электроэнергетического режима, то в часы максимальных нагрузок допускается производить переключения [4].
Вопрос 25. Дайте определения сложным и простым переключениям.
Ответ. Сложные переключения — переключения, которые требуют определенной последовательности и координации действий оперативного персонала при операциях с коммутационными аппаратами, заземляющими разъединителями и УРЗА. Для повторяющихся сложных переключений должны быть использованы типовые программы, бланки переключений. Сложные переключения, а также переключения на электроустановках, имеющих неисправные блокировочные устройства, должны выполняться по программам, бланкам переключений.
Простые переключения — переключения, включающие не более 4-х операций с коммутационными аппаратами в главной схеме электрических соединений или цепях УРЗА, и не влияют на надежность работы энергосистемы [ПТЭ ЭСИС п.6.8].
Вопрос 26. Для чего предназначена оперативная блокировка безопасности на подстанции?
Ответ. Важным средством предупреждения неправильных операций, производимых оперативным персоналом, является оснащение всех разъединителей и заземляющих ножей устройствами блокировки.
Оперативная блокировка разъединителей с выключателями должна предотвращать:
1. Включение и отключение разъединителями активной и реактивной мощности, больших уравнительных токов или включение на несинхронное напряжение за исключением случаев включения и отключения намагничивающего тока силовых трансформаторов и зарядного тока линий;
2. Включение заземляющих ножей на шины и участки присоединений, находящиеся под напряжением;
3. Включение разъединителей на участки шин и присоединений, заземленные включенными заземляющими ножами;
4. Подачу напряжения выключателем на заземленный участок шин [42].
Вопрос 27. В каких случаях разъединителем можно производить операции включения и отключения?
Ответ. Разъединителями (отделителями) разрешается выполнять операции включения и отключения:
— Трансформаторов напряжения, нейтралей силовых трансформаторов 110—220 кВ, ДГР 6—35 кВ при условии отсутствия в сети замыкания на землю;
— Намагничивающего тока силовых трансформаторов 6—500 кВ;
— Зарядного тока и тока замыкания на землю ВЛ и КЛ, шин, присоединений;
— В кольцевых сетях 6—10 (20) кВ разрешается отключение разъединителями уравнительных токов до 70 А и замыкание сети в кольцо при разности напряжений на разомкнутых контактах разъединителей более, чем на 5%;
— Допускается отключение и включение трехполюсными разъединителями наружной установки при напряжении 10 кВ и ниже нагрузочного тока до 15 А;
— Допускается дистанционное отключение разъединителями неисправного выключателя 220 кВ и выше, зашунтированного одним выключателем или цепью из нескольких выключателей других присоединений, если отключение самого выключателя может привести к его разрушению и отключению подстанции [42].
Допустимые значения отключаемых и включаемых разъединителями токов должны быть определены нормативными документами. Порядок и условия выполнения операций для различных электроустановок должны быть регламентированы местными инструкциями [ПТЭ ЭСиС п.6.8.11].
Вопрос 28. Что необходимо делать, если при отключении (включении) разъединителя между контактами возникла дуга?
Ответ. Включение разъединителей выполняется быстро и решительно, но без удара в конце хода. Начатая операция включения продолжается до конца даже при появлении дуги между контактами.
Отключение разъединителей выполняется медленно и осторожно. Вначале необходимо сделать небольшое движение рычагом привода, чтобы убедиться в отсутствии качаний и поломок изоляторов. Если при расхождении контактов между ними возникнет дуга, разъединитель возвращается во включенное положение и до выяснения причины возникновения дуги (операции с ним не выполняются) [42].
Вопрос 29. В каких случаях снимается оперативный ток с приводов коммутационных аппаратов?
Ответ. Оперативный ток снимается:
1. При переводе присоединения с одной системы шин на другую с помощью шиносоединительного выключателя, оперативный ток снимается с шиносоединительного выключателя перед проведением операций с шинными разъединителями.
2. Если в процессе переключений требуется жесткая фиксация разъединителей, имеющих дистанционное управление, во включенном положении, оперативный ток снимается с приводов этих разъединителей.
3. В случаях, предусмотренных правилами безопасности: неисправного выключателя, если его включение или включение может привести к разрушению (при зависании контактов, повреждении фарфора, потере масла);
4. При отключении ненагруженного силового трансформатора разъединителем, оперативный ток снимается с отключенных по НН выключателей трансформатора [42].
Вопрос 30. Разрешаются ли операции с коммутационными аппаратами, имеющими дистанционное управление, при наличии замыкания на землю в цепях оперативного тока?
Ответ. Допускаются с разрешения диспетчера, в чьем диспетчерском управлении находится оборудование. Допускаются только при ликвидации нарушения нормального режима [4].
Вопрос 31. Что должно быть указано в местном бланке оперативных переключений?
Ответ. Должен быть указан порядок переключений, исключающий появление высоких уровней высокочастотных коммутационных перенапряжений и исключающий появление феррорезонанса в открытом распределительном устройстве (далее — ОРУ) 110 — 500 кВ. При формировании условий выполнения переключений, необходимо учитывать возможность неполнофазных отключений коммутационных аппаратов [42].
Вопрос 32. Что должен предпринять диспетчер для предотвращения и ликвидации снижений напряжения?
Ответ. При снижении напряжения в контрольных пунктах ниже минимальной границы графика напряжения диспетчер на основании данных ОИК, опроса оперативного и диспетчерского персонала выясняет причины снижения напряжения и принимает меры к восстановлению напряжения путём:
— использования резервов реактивной мощности генераторов и СКРМ;
— отключения шунтирующих реакторов;
— включения находящихся в резерве СКРМ;
— изменения коэффициентов трансформации трансформаторного оборудования, оснащённого устройствами РПН.
При снижении напряжения на объектах электроэнергетики ниже минимально допустимого уровня дополнительно к вышеуказанным мероприятиям, диспетчер принимает следующие меры:
— увеличение загрузки генерирующего оборудования и СКРМ по реактивной мощности до уровня разрешённых аварийных перегрузок;
— снижение перетоков активной мощности по линиям электропередачи;
— разгрузку генерирующего оборудования по активной мощности и дополнительную загрузку по реактивной мощности.
Если проведение вышеперечисленных мероприятий не обеспечило повышения напряжения до минимально допустимого значения, вводятся графики временного отключения потребления [4].
Вопрос 33. Что должен предпринять диспетчер для предотвращения и ликвидации недопустимого повышения напряжения?
Ответ. При повышении напряжения на оборудовании энергообъектов сверх допустимых значений диспетчер на основании данных ОИК, опроса оперативного и диспетчерского персонала выясняет причины повышения напряжения и принимает меры к его снижению путём:
— снижения загрузки по реактивной мощности генерирующего оборудования и СК, работающих в режиме ее выдачи, или увеличения потребления реактивной мощности соответствующим оборудованием, работающим в режиме ее потребления;
— включения шунтирующих реакторов, находящихся в резерве;
— отключения СКРМ, работающих в режиме выдачи реактивной мощности;
— изменения коэффициентов трансформации трансформаторов, оснащенных устройствами РПН;
— перевода генерирующего оборудования и СК, работающих в режиме выдачи реактивной мощности, в режим потребления реактивной мощности;
— разгрузки генерирующего оборудования по активной мощности и дополнительной разгрузки по реактивной;
— перераспределения перетоков активной мощности по линиям электропередачи с контролем перетоков активной мощности;
— вывода в резерв линий электропередачи в районе повышенного напряжения (только выключателями), с контролем напряжения и перетоков мощности по контролируемым сечениям [4].
Вопрос 34. В чем особенность оперативных переключений на подстанциях (далее — ПС), где возможны явления феррорезонанса?
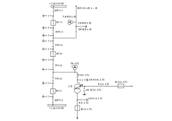
Ответ. При выводе в ремонт шин с трансформаторами напряжения (далее — ТН) серии НКФ на подстанциях (ПС) его разъединители следует отключать перед отключением выключателя последнего присоединения, питающего эти шины. При вводе в работу системы шин разъединители ТН следует включать лишь после включения этой системы шин. Если ТН не имеет разъединителей, то ввод/вывод в работу с.ш. должен производиться шинными разъединителями при включенном выключателе одной из электрических цепей, который первым включается или последним отключается, необходимо заземлять нейтраль трансформатора. Приведу поясняющий порядок переключений при выводе в ремонт автотрансформатора АТ2, исключающий возникновение феррорезонанса на ПС с воздушными выключателями и электромагнитными ТН (см. рисунок 1):
1) поочередно на соответствующем рабочем месте отключить выключатели В-10, В-220, В510 и В512 цепей АТ2, снять опер. ток с их приводов после этого проверить их отключенное положение (по месту установки) и затем отключить разъединители Р10, Р220 цепей АТ2.
2) поочередно отключить разъединители ТР510, ТР512, Р500 цепей АТ2 и проверить отсутствие напряжения на ошиновке между АТ2 500/220/10 кВ и соответствующем разъединителем, после чего включить их ЗН;
3) вывести газовую и технологические защиты АТ2 и ГЗ РПН;
4) включить выключатель В512 и с деблокированием включить разъединители ТР512 и ТР510;
5) включить выключатель В510 тем самым замкнув транзит через сш ОРУ-500 кВ.
ТН отключается совместно с АТ2 всеми выключателями (затем разъединителями), ёмкость делителей и ошиновки компенсируется индуктивностью обмотки АТ2. Включением выключателей В510 или В512 при включённых Р510, Р512 подается напряжение на ТН АТ2. Возникает последовательная цепочка «емкостной делитель-ТН», следовательно, сначала необходимо сначала включить выключатель В512, а затем включением Р512 подаётся напряжение на ТН [54].
Рисунок 1 — Схема ПС 500/220/10 кВ «Учебная» по схеме «3/2» [54]
При отключении выключателей от системы шин с ТН серии НКФ действием устройства резервирования отказа выключателя (далее — УРОВ) следует предусматривать автоматическое повторное включение (далее — АПВ) любой отключенной со всех сторон электрической цепи, для того чтобы расстроить возможный феррорезонансный контур. Для исключения феррорезонансных явлений в ОРУ применяются: антирезонансные ТН для распределительных сетей, для питающих сетей- антирезонансные или емкостные ТН при одно- многоразрывных выключателях или одноразрывные выключатели при электромагнитных ТН. Имеет место запрет на отключение выключателя одного из силовых трансформаторов при срабатывании ДЗШ. Её действием при КЗ на шинах ВН отключаются выключатели трансформатора лишь со стороны СН и НН [п. 5.11.14 ПТЭ ЭСИС].
Вопрос 35. Какие меры на подстанции применяются для предотвращения феррорезонанса в сети 220—500 кВ?
Ответ. Феррорезонанс токов возникает в схеме, образованной двумя параллельными реактивными сопротивлениями: индуктивным сопротивлением высоковольтной обмотки и емкостным сопротивлением ВЛ. Феррорезонансные процессы имеют место и при автоматических отключениях (УРОВ). На подстанциях напряжением 220 кВ и выше при оперативных переключениях могут образоваться различные схемы соединения индуктивности трансформатора напряжения (ТН) серии НКФ и активного сопротивления его обмоток с емкостью шин и конденсаторов, шунтирующих контактные разрывы воздушных выключателей. На шинах могут появиться повышенные напряжения, а по обмотке ВН трансформатора напряжения серии НКФ будут проходить недопустимые токи, что приводит к их повреждению. Для предотвращения феррорезонанса рекомендуется включать ТН типа НКФ в такие точки первичной схемы, где они будут всегда зашунтированы большой емкостью или малым индуктивным сопротивлением, т. е. непосредственно на линии или параллельно силовым трансформаторам. При включении ТН типа НКФ на шины следует при выводе в р
