автордың кітабын онлайн тегін оқу Основы информатики и программирование под Windows
Информация о книге
УДК 004.43/2/45:621.791
ББК 32.973
М75
Рецензенты:
Абакумов А. И. — д-р физ.-мат. наук, проф. кафедры прикладной математики и информатики Дальрыбвтуза;
Казаков Г. Т. — канд. техн. наук, доц., зав. кафедрой общетехнических дисциплин ТОВМИ.
Автор: Молоков К. А.
Учебное пособие представляет собой материал по основам информатики и программированию под Windows с использованием среды разработки MS Visual C++.
Рассмотрены основы применения дисковой операционной системы MS DOS, MS Windows, показана роль и эффективность файловой системы для хранения файлов. Для хорошего усвоения материала последовательно и подробно излагается описание работы с отладчиком Windows, создание командных файлов и их использование. Значительная роль уделяется архитектуре процессора, системам счисления, принципам работы процессора, программированию и подходам к решению различных задач на языке ассемблер и языке высокого уровня С++.
Может быть использовано при выполнении расчетов раздела статистики курса высшей математики, а также при решении практических инженерных задач.
Предназначено для студентов специальности «Оборудование и технология сварочного производства» всех форм обучения. Может быть полезно для аспирантов, магистров и специалистов, занимающихся вопросами реализации расчетов и моделирования.
УДК 004.43/2/45:621.791
ББК 32.973
© Дальневосточный государственный технический университет, 2007
© ДВФУ, 2015
© ООО «Проспект», электронная версия книги, 2015
Введение
Многие студенты не испытывают серьезных трудностей в овладении алгоритмическим языком Basic, который в большинстве случаев изучается в школьном курсе информатики. Для этого достаточно сравнительно немного практики. Интуитивно-понятный синтаксис языка с учетом того, что этот язык можно начинать изучать с чего угодно (при ошибке компьютер сам вас поправит) делает его нетребовательным к глубокому пониманию процесса кодирования.
Совершенно иное положение дел обстоит при изучении дисциплины “Информатика” в высшем учебном заведении, где изучается архитектура компьютера, сетевые технологии, программирование на сравнительно трудно осваиваемом и актуальном языке C++. Здесь приходится в четкой последовательности структурировать изложение материала с возможностью получения студентом практических навыков.
В настоящее время информатика развивается громадными темпами что, несомненно, заставляет перерабатывать, подготавливать и выбирать материал такой, чтобы, с одной стороны, он отражал современные фундаментальные аспекты, с другой – актуальные практические. К фундаментальным аспектам можно отнести: теорию систем счисления; элементарные понятия сетевых технологий; архитектуру процессора и принципы его работы. Актуальные практические знания и умения, приобретенные студентами, должны быть полезны и использованы на следующих ступенях обучения. Именно этим оценивается актуальность практической стороны обучения информатике.
В связи с широким распространением операционной системы Windows и ее совершенствованием все больше скрываются мощные возможности, которые доступны с командной строки. В настоящее время они редко рассматриваются в учебниках, хотя именно при работе с командной строкой приобретается незаменимый опыт работы и мышления при решении разного рода задач. Особенно этот опыт может быть ценен при работе в других командных открытых операционных системах линейки UNIX. Поэтому большая часть главы “Введение в программирование” посвящена: работе с командной строкой Windows; изучению возможностей файловых менеджеров; созданию командных файлов и использования их в качестве инструментария при создании программ. Кроме того, глава включает основные разделы и понятия информатики, элементарные алгоритмы, сетевые технологии, элементы организации ЭВМ и архитектуры процессора, которые постепенно рассматриваются по мере необходимости.
Вторая глава посвящена широко использующемуся языку программирования C++, который развивался из языка С. Первоначально С приобрел широкую известность как язык разработки операционной системы UNIX. Сегодня фактически все новые операционные системы написаны на С или C++. Несмотря на интуитивно непонятный синтаксис языка C++, по сравнению с Pascal, после некоторого знакомства с ним приходит понимание эффективности записи программ на этом языке. Значительным преимуществом языка C++ перед другими является то, что он обеспечивает как обычный стиль процедурного, так и объектно-ориентированного программирования, предоставляет множество стандартных библиотек функций и классов для разработки различного рода программного обеспечения, позволяет придерживаться концепции повторного использования компонентов таких библиотек, как MFC, что значительно сокращает время на разработку приложений под Windows. Фактически разработчик создает так называемый шаблон необходимого приложения и практически занимается только насыщением его требуемыми функциями для решения своих прикладных задач.
Созданию приложений и особенностям их создания на основе библиотек MFC посвящена третья глава. Здесь на примерах дается описание и рекомендации по созданию консольных, диалоговых и однодокументных приложений. Более подробно излагаются возможности визуальной среды разработки MS Visual C++. В большинстве случаев приводится пошаговое описание разрабатываемого приложения, его функций, интерфейса. Значительное внимание уделено созданию элементов управления в диалоговых приложениях и их визуальному оформлению. Приведены примеры проектирования однодокументного приложения для работы с текстом, графикой и показана принципиальная разница создания приложений, ориентированных на различные задачи.
Глава 1. ОСНОВЫ ИНФОРМАТИКИ
Бросая в воду камешки, смотри на круги, ими образуемые; иначе бросание будет пустой забавой.
Козьма Прутков
1.1. Информатика и ее история
Прежде чем приступить к обсуждению материала, связанного непосредственно с программированием и элементами алгоритмизации, ознакомимся немного с историей развития информатики. Выясним, что следует понимать под определением “Информатика как наука”.
В 1982 г. выходит монография академика В.М. Глушкова “Основы безбумажной информатики”. А год спустя годичное общее собрание Академии наук СССР принимает решение о создании отделения информатики. С этого момента идеи информатики получили прописку не только в науке, но также и среди специалистов практиков.
Каково тогда было понимание информатики? В названной монографии академика В.М. Глушкова нет прямого определения информатики как новой науки. Но исходя из содержания этой книги и материалов АН о создании нового отделения можно сделать следующий вывод: информатика – это совокупность средств всей современной информационной теории, техники и технологии, суммарное, комплексное обозначение этой области знаний. По-другому говоря, информатика как наука вбирает сегодня самые разные по своей сущности и природе информационные идеи, средства и процессы, связанные с удовлетворением информационных потребностей общества в настоящем и будущем.
Итак, попробуем дать общее определение информатики, а для этого соберем вместе все существующие:
1. Информатика – это фундаментальная естественная наука, изучающая процессы передачи и обработки информации.
2. Информатика изучает проблемы создания вычислительных машин, математического обеспечения, современных методов расчета данных, методов автоматизации производства и научных исследований.
3. Информатика – это комплексная научная и техническая дисциплина, которая изучает важнейшие аспекты разработки, проектирования, создания машинных систем обработки данных, а также их воздействие на жизнь общества и государства.
Поэтому определим информатику следующим образом: “Информатика – это наука, предметом изучения которой являются процессы сбора, преобразования, хранения, защиты, поиска и передачи всех видов информации и средства их автоматизированной обработки”.
1.2. Измерения информации в электронно-вычислительных машинах и системы счисления
Постоянно растущие объемы информационных запасов, накапливаемых человечеством, вывели на первое место среди устройств обработки информации различные средства вычислительной техники и, в частности, персональные компьютеры (ПК).
Обработка информации в ПК основана на обмене электрическими сигналами между различными его устройствами. Эти сигналы возникают в определенной последовательности. Признак наличия сигнала обозначают, как правило, цифрой 1, а признак отсутствия – цифрой 0. Таким образом, в ПК реализуются два устойчивых состояния. С помощью определенных наборов цифр 0 и 1 можно закодировать любую информацию. Каждый такой набор нулей и единиц называется двоичным кодом или двоичной системой счисления. Количество информации, кодируемое двоичной цифрой (0 или 1), называется битом. С помощью набора битов можно представить любое число и любой знак. Знаки представляются восьмиразрядными комбинациями битов – байтами (т.е. 1 байт = 8 бит). В одном байте может быть закодировано значение одного любого из 256 символов, которые возможно набрать на клавиатуре ПК. Поэтому основной единицей измерения информации является байт. В то же время на практике чаще всего имеют дело с производными единицами измерения информации: килобайт (Кб), мегабайт (Мб), гигабайт (Гб) и т.п. При этом необходимо помнить, что при измерении объемов информации 1 Кб = 1024 байт; 1 Мб = 1024 Кб; 1 Гб = 1024 Мб и т.д.
Таким образом, в ПК любая информация (числовая, текст, графика, звук и т.д.) кодируется двумя видами символов – 0 и 1, составляющими основу двоичной системы счисления. Однако запись чисел в двоичной системе счисления может быть очень громоздкой. Поэтому для записи и хранения закодированной двоичной информации могут использоваться восьмеричная (цифры от 0 до 7) и шестнадцатеричная (цифры от 0 до 9 и буквы A, B, C, D, E, F, соответствующие числам 10, 11, 12, 13, 14, 15) системы счисления. В то же время ввод чисел в ПК и вывод их для чтения человеком осуществляется в привычной нам десятеричной системе счисления (цифры от 0 до 9).
Так что же такое система счисления? Система счисления – это совокупность правил и приемов записи чисел с помощью набора цифровых знаков (алфавита).
Различают два типа систем счисления: позиционные, когда значение каждой цифры числа определяется ее местом (позицией) в записи числа; и непозиционные, когда значение цифры в числе не зависит от ее места в записи числа. Примером непозиционной системы счисления являются римские цифры: IX, IV, XV, LX и т.д., а примером позиционной системы счисления можно назвать арабские цифры, используемые нами повседневно: 12, 67, 329 и т.д.
Позиционные системы счисления характеризуются основанием – количеством знаков или символов, используемых в разрядах для изображения числа в данной системе счисления.
Для позиционной системы счисления с общим основанием s справедливо следующее равенство, позволяющее в то же время переводить произвольное число Xs в десятичную систему счисления:
Xs = {AnAn-1...A1A0, A-1A-2...A-m}s = AnSn + An-1Sn-1 +...A0S0,
A-1S-1 + A-2S-2 +...+A-mS-m,
где Аi – цифры в системе счисления; s, n, m – количество целых и дробных разрядов в числе Xs.
Например:
2971,310 = 2·103 + 9·102 + 7·101 + 1-100 + 3·10-1;
10102 = 1·23 + 0·22 + 1·21 + 0·20 = 1010;
16F16 = 1162 + 6161 + 15·160 = 36710.
Для обратного перевода из десятеричной системы счисления в систему счисления с основанием s необходимо выполнить последовательное деление десятичного числа на основание s и прочитать число в обратном порядке как показано на рис. 1.1.
Рис. 1.1. Перевод чисел между различными системами счисления
Переход от восьмеричной системы счисления к двоичной осуществляется заменой каждой восьмеричной цифры трехзначным двоичным числом (триадой), как показано на рис. 1.2.
Рис. 1.2. Перевод из восьмеричной системы в двоичную
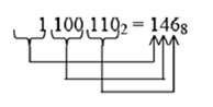
Обратный переход от двоичной системы счисления осуществляется заменой каждой триады, начиная слева, восьмеричной цифрой, как показано на рис. 1.3.
Рис. 1.3. Перевод из двоичной в восьмеричную
Рис. 1.4. Из шестнадцатеричной в двоичную и обратно
Аналогично осуществляется переход от шестнадцатеричной системы счисления к двоичной и обратно, только вместо триад берутся четырехзначные двоичные числа (тетрады), рис. 1.4. При этом слева любого числа можно приписать сколько угодно нулей, не изменив начального значения числа.
При преобразовании чисел из одной системы счисления в другую можно пользоваться табл. 1.1.
Таблица 1.1
Значения в различных системах счисления
| Системы счисления |
Значения |
|||||||
| Десятичная |
0 |
1 |
2 |
3 |
4 |
5 |
6 |
7 |
| Двоичная |
0000 |
0001 |
0010 |
0011 |
0100 |
0101 |
0110 |
0111 |
| Восьмеричная |
0 |
1 |
2 |
3 |
4 |
5 |
6 |
7 |
| Шестнадцатеричная |
0 |
1 |
2 |
3 |
4 |
5 |
6 |
7 |
| Десятичная |
8 |
9 |
10 |
11 |
12 |
13 |
14 |
15 |
| Двоичная |
1000 |
1001 |
1010 |
1011 |
1100 |
1101 |
1110 |
1111 |
| Восьмеричная |
10 |
11 |
12 |
13 |
14 |
15 |
16 |
17 |
| Шестнадцатеричная |
8 |
9 |
A |
B |
C |
D |
E |
F |
1.3. Принципы Джона фон Неймана
В истории развития цивилизации произошло несколько информационных революций – преобразований общественных отношений из-за кардинальных изменений в сфере обработки информации. Следствием подобных преобразований являлось приобретение человеческим обществом нового качества.
Первая революция связана с изобретением письменности, что привело к гигантскому качественному и количественному скачку. Появилась возможность передачи знаний от поколения к поколениям.
Вторая революция (середина XVI в.) вызвана изобретением книгопечатания, которое радикально изменило индустриальное общество, культуру, организацию деятельности.
Третья информационная революция (конец XIX в.) обусловлена изобретением электричества, благодаря которому появились телеграф, телефон, радио, позволяющие оперативно передавать и накапливать информацию в любом объеме.
Наконец, четвертая информационная революция (70-е годы XX в.) связана с изобретением микропроцессорной технологии и появлением ПК. На микропроцессорах и интегральных схемах создаются компьютеры, компьютерные сети, системы передачи данных (информационные коммуникации). Этот период характеризуется следующими отличительными чертами: переход от механических и электрических средств преобразования информации к электронным; миниатюризация всех узлов, устройств, приборов, машин; создание программно-управляемых устройств и процессов. Однако прежде чем эта информационная революция стала возможной, человечество проделало огромный исторический путь.
Потребность в автоматизации обработки данных, в том числе вычислений, возникла очень давно. Многие тысячи лет назад для счета использовались палочки, камешки и т.п. Более 1500 лет назад для обеспечения вычислений стали использовать счеты.
В 1642 г. Блез Паскаль изобрел устройство, механически выполняющее сложение чисел, а в 1673 г. Готфрид Вильгельм Лейбниц сконструировал арифмометр, позволяющий механически выполнять четыре арифметических действия. Начиная с XIX в. арифмометры получили очень широкое применение. На них выполнялись даже очень сложные расчеты, например расчеты баллистических таблиц для артиллерийских стрельб. Существовала даже специальная профессия – счетчик – человек, работающий с арифмометром, быстро и точно соблюдающий определенную последовательность инструкций (программу).
Однако скорость таких вычислений была невелика, так как выбор выполняемых действий и запись результатов производились человеком, имеющим весьма ограниченную скорость работы.
В первой половине XIX в. английский математик Чарльз Беббидж попытался построить универсальное вычислительное устройство – аналитическую машину, которая должна была работать без участия человека. Для этого она должна была уметь исполнять программы, вводимые с помощью перфокарт (уже широко применявшихся в то время в ткацком производстве), иметь специальное запоминающее устройство, в котором сохранялись бы данные и промежуточные результаты. Однако техника того времени не позволила выполнить задуманную работу, но Беббиджем были разработаны все основные идеи, которые в 1943 г. на одном из предприятий фирмы IBM реализовал американец Говард Эйкен. Им на основе электромеханических реле была сконструирована аналитическая машина “Марк-1”. Несколько раньше, в 1941 г., идеи Беббиджа были переоткрыты немецким инженером Конрадом Цузе, построившим аналогичную машину.
К этому времени потребность в автоматизации вычислений стала настолько велика, что над этой проблемой работали одновременно несколько групп исследователей. К работе одной из таких групп в 1945 г. был привлечен математик Джон фон Нейман, которые сформулировал общие принципы функционирования универсальных вычислительных устройств.
Согласно этим принципам компьютер должен иметь следующие устройства (рис. 1.5):
• арифметико-логическое устройство (АЛУ), выполняющее арифметические и логические операции;
• устройство управления (УУ), которое организует процесс выполнения программ;
• запоминающее устройство или оперативную память (ОП) – легко доступную для всех устройств и предназначенную для хранения программ и данных;
• внешние устройства (ВУ) для ввода и вывода информации.
Рис. 1.5. Функциональное устройство ПК (пунктирными стрелками изображены информационные связи, сплошными – управляющие)
В общих чертах работу компьютера можно описать так. Вначале с помощью какого-либо внешнего устройства в ОП компьютера вводится программа. Устройство управления считывает содержимое ячейки памяти, где находится первая команда программы и организует ее выполнение с помощью АЛУ. После выполнения этой команды УУ начинает обрабатывать другую команду, находящуюся либо в следующей ячейке памяти, либо в ячейке памяти, на которую передано управление. Этот процесс продолжается до тех пор, пока не будет выполнена последняя команда программы, после чего компьютер переходит к ожиданию каких-либо сигналов с внешних устройств. В процессе работы промежуточные результаты выполнения команд помещаются в ОП. После выполнения всей программы результаты из ОП выводятся на ВУ.
1.4. Классификация программных продуктов
Программные продукты можно классифицировать по различным признакам. Одним из наиболее часто используемых классификационных признаков является сфера использования программных продуктов: аппаратная часть автономных компьютеров и сетей электронно-вычислительных машин (ЭВМ); функциональные задачи различных предметных областей; технология разработки программ.
Для поддержки информационной технологии в этих областях выделяют соответственно три класса программных продуктов:
• системное программное обеспечение;
• прикладное программное обеспечение;
• инструментарий технологии программирования или системы программирования.
Системное программное обеспечение
Данный класс программных продуктов тесно связан с типом компьютера и является его неотъемлемой частью. Программные продукты в основном ориентированы на квалифицированных пользователей – профессионалов в компьютерной области: системного программиста, администратора сети, прикладного программиста, оператора. Однако знание базовой технологии работы с этим классом программных продуктов требуется и конечным пользователям ПК, которые самостоятельно не только работают со своими программами, но и выполняют обслуживание компьютера, программ и данных. К программным продуктам этого класса предъявляются высокие требования по надежности и технологичности работы, удобству и эффективности использования.
Системное программное обеспечение направлено:
− на создание операционной среды функционирования других программ;
− на обеспечение надежной и эффективной работы самого компьютера и вычислительной сети;
− на проведение диагностики и профилактики аппаратуры компьютера и вычислительных сетей;
− на выполнение вспомогательных технологических процессов (копирование, архивирование, восстановление файлов программ и баз данных и т.д.).
Структурно системное программное обеспечение состоит из базового программного обеспечения – минимального набора программных средств, обеспечивающих работу компьютера, и сервисного программного обеспечения, расширяющего возможности базового программного обеспечения и организующего более удобную среду работы пользователя (рис. 1.6).
Операционная система (ОС) предназначена для управления выполнением пользовательских программ, планирования и управления вычислительными ресурсами ЭВМ. Операционные системы для ПК делятся:
− на одно- и многозадачные (в зависимости от числа параллельно выполняемых прикладных процессов);
− одно- и многопользовательские (в зависимости от числа пользователей, одновременно работающих с ОС);
− непереносимые и переносимые на другие типы компьютеров;
− несетевые и сетевые, обеспечивающие работу в локальной вычислительной сети.
Рис. 1.6. Классификация системного программного обеспечения
Наибольшее распространение сегодня имеют следующие операционные системы для ПК: OS/2 во всех модификациях (IBM), дисковая операционная система (MS DOS) и Windows во всех модификациях (Microsoft), Unix во всех модификациях. MS DOS появилась в 1981 г. Одна из наиболее распространенных версий – MS DOS 6.22. Начиная с 1996 г. MS DOS стала распространяться в виде Windows 95 – 32-разрядной многозадачной и многопоточной операционной системы с графическим интерфейсом и расширенными сетевыми возможностями. Сегодня различные версии операционных систем Windows установлены на подавляющем большинстве ПК.
Операционная система OS/2 разработана фирмой IBM для ПК на основе системной прикладной архитектуры, ранее используемой для больших ЭВМ. Это многозадачная, однопользовательская, высоконадежная операционная система, обеспечивающая как текстовый, так и графический интерфейс пользователя.
Важной особенностью операционной системы OS/2 является высокопроизводительная файловая система (ФС) HPFS (High Perfomance File System), имеющая преимущества для серверов баз данных, поддержка мультипроцессорной обработки – до 16 процессоров типа INTEL и PowerPC. Версия OS/2 Warp работает с мультисредой и имеет встроенный доступ в сеть Internet, систему распознавания речи VoiceType, интегрированную версию Lotus Notes Mail для передачи через Internet почты. В OS/2 могут выполняться прикладные программы Windows 3.1 и Win32s, но не могут выполняться приложения, работающие в среде Windows 95/98 или Windows NT. Спецификация Open 32 позволяет поставщикам программного обеспечения переносить его на новую платформу.
Операционная система Unix является перспективной многопользовательской и многозадачной системой, созданной корпорацией Bell Laboratory. Данная операционная система реализует принцип открытых систем и широкие возможности по комплексированию в составе одной вычислительной системы разнородных технических и программных средств.
Unix обладает наиболее важными качествами, такими, как переносимость прикладных программ с одного компьютера на другой; поддержка распределенной обработки данных в сети ЭВМ; сочетаемость с процессорами RISC. По этой причине Unix получила широкое распространение для суперкомпьютеров, рабочих станций и профессиональных ПК и имеет большое количество версий, разработанных различными фирмами.
Операционные оболочки – специальные программы, предназначенные для облегчения общения пользователя с командами операционной системы. Операционные оболочки имеют текстовый и графический варианты интерфейса конечного пользователя.
Наиболее популярны следующие виды текстовых оболочек операционной системы MS DOS: Norton Commander (фирма Symantec), XTree Gold 4.0, DOS Navigator и др. Эти программы существенно упрощают задание управляющей информации для выполнения команд операционной системы, уменьшают напряженность и сложность работы конечного пользователя.
Во всем мире имеют огромную популярность такие графические оболочки MS DOS, как Windows 3.1, Windows 3.11 for WorkGroup, которые позволяют изменить среду взаимодействия пользователя с компьютером, расширяют набор основных (диспетчер файлов, графический редактор, текстовый редактор, картотека и т.п.) и сервисных функций, обеспечивающих пользователю интегрированную информационную технологию вплоть до создания одноранговых локальных сетей.
Сервисное программное обеспечение является расширением базового программного обеспечения компьютера. Эти программы часто называются утилитами. Их можно классифицировать по функциональному признаку следующим образом:
− программы диагностики работоспособности компьютера;
− антивирусные программы, обеспечивающие защиту компьютера, обнаружение и восстановление зараженных файлов;
− программы обслуживания дисков, обеспечивающие проверку качества поверхности магнитного диска, контроль сохранности файловой системы на логическом и физическом уровнях, сжатие дисков, создание страховых копий дисков, резервирование данных на внешних носителях и др.;
− программы архивирования данных, которые обеспечивают процесс сжатия информации в файлах в целях уменьшения объема памяти для ее хранения;
− программы обслуживания сети и др.
Прикладное программное обеспечение
Пакеты прикладных программ (ППП) служат программным инструментарием решения функциональных задач и являются самым многочисленным классом программных продуктов. В данный класс входят программные продукты, выполняющие обработку информации различных предметных областей.
Установка программных продуктов на компьютер выполняется квалифицированными пользователями, а непосредственную их эксплуатацию осуществляют, как правило, конечные пользователи – потребители информации, во многих случаях деятельность которых весьма далека от компьютерной области. Данный класс программных продуктов может быть весьма специфичным для отдельных предметных областей.
Проблемно-ориентированные ППП – самый представительный класс программных продуктов, внутри которого проводится классификация по разным признакам:
типам предметных областей;
информационным системам;
функциям и комплексам задач, реализуемых программным способом, и др.
Основные направления в области развития проблемно-ориентированных программных средств – разработка ППП:
− автоматизированного бухгалтерского учета;
− финансовой деятельности;
− управления персоналом;
− управления материальными запасами;
− управления производством и т.п.
Для подобного класса программ высоки требования к скорости обработки данных, велики объемы хранимой информации.
ППП автоматизированного проектирования – предназначены для поддержания работы конструкторов и технологов, связанных с разработкой чертежей, схем, диаграмм, графическим моделированием и конструированием, созданием библиотек стандартных элементов чертежей и их многократным использованием, созданием демонстрационных иллюстраций и мультфильмов.
Отличительными особенностями этого класса программных продуктов являются высокие требования к технической части системы обработки данных, наличие библиотек встроенных функций, объектов, интерфейсов с графическими системами и базами данных.
ППП общего назначения содержат широкий перечень программных продуктов, поддерживающих преимущественно информационные технологии конечных пользователей. Кроме конечных пользователей этими программными продуктами за счет встроенных средств технологии программирования могут пользоваться и программисты для создания усложненных программ обработки данных.
К этому классу прикладного программного обеспечения относятся следующие. Настольные системы управления базами данных (СУБД), обеспечивающие организацию и хранение локальных баз данных на автономно работающих компьютерах либо централизованное хранение баз данных на файл-сервере и сетевой доступ к ним.
В настоящее время наиболее широко представлены реляционные СУБД для ПК, осуществляющие:
− работу с базой данных через экранные формы;
− организацию запросов на поиск данных с помощью специальных языков запросов высокого уровня;
− генерацию отчетов различной структуры данных с подведением промежуточных и окончательных итогов;
− вычислительную обработку путем выполнения встроенных функций, программ, написанных с использованием языков программирования и макрокоманд.
В современных СУБД содержатся элементы CASE-технологии процесса проектирования, в частности:
визуализирована схема баз данных;
осуществлена автоматическая поддержка целостности баз данных при различных видах обработки (включение, удаление или модификация данных в базе данных);
предоставляются так называемые мастера, обеспечивающие поддержку процесса проектирования;
созданы для широкого использования прототипы (шаблоны) структур баз данных, форм, отчетов и т.д.
Серверы баз данных – успешно развивающийся вид программного обеспечения, предназначенный для создания и использования при работе в сети интегрированных баз данных в архитектуре клиент-сервер.
Многопользовательские СУБД (типа Paradox, Access, FoxPro и др.) в сетевом варианте обработки данных хранят информацию на файл-сервере – специально выделенном компьютере в централизованном виде, но сама обработка данных ведется на рабочих станциях. Серверы баз данных, напротив, всю обработку (хранение, поиск, извлечение и передачу данных клиенту) данных выполняют самостоятельно, одновременно обеспечивая данными большое число пользователей сети. Общим для различных видов серверов баз данных является использование реляционного языка SQL (Structured Query Language) для реализации запросов к данным.
Большинство серверов баз данных может использовать одновременно несколько платформ (Windows NT, Unix, OS/2 и др.), поддерживает широкий спектр протоколов передачи данных (IPX, ТСРЯР, Х.25 и др.). Некоторые серверы реализуют распределенное хранение информации в сети.
Текстовые процессоры предназначены для работы с текстовыми документами, над которыми позволяют выполнять автоматическое форматирование, вставку рисованных объектов и графики, составление оглавлений и указателей, проверку орфографии, шрифтовое оформление, подготовку шаблонов документов.
Развитием данного направления программных продуктов являются издательские системы. Табличный процессор является удобной средой для проведения работ со множеством числовых данных; включают в свой состав средства деловой графики и работы с базами данных, множество встроенных функций, статистическую обработку данных и др.
Графические процессоры позволяют создавать и редактировать графические образы, обрабатывать готовые фотографии и картинки, создавать плоские и пространственные изображения, работать с анимированной графикой.
Средства презентационной графики – специализированные программы, предназначенные для создания изображений и их показа на экране, подготовки слайд-фильмов, мультфильмов, видеофильмов, их редактирования, определения порядка следования изображений.
Презентация может включать показ диаграмм и графиков, все программы презентационной графики условно делятся на программы для подготовки слайд-шоу, программы для подготовки мультимедиа-презентации.
Презентация требует предварительного составления плана показа. Для каждого слайда выполняется проектирование: определяются содержание слайда, размер, состав элементов, способы их оформления и т.п. Данные для использования в слайдах можно готовить вручную и получать в результате обмена из других программных систем.
Интегрированные пакеты – набор нескольких программных продуктов, функционально дополняющих друг друга, поддерживающих единые информационные технологии, реализованные на общей вычислительной и операционной платформе.
Наиболее распространены интегрированные пакеты, компонентами которых являются: СУБД; текстовый редактор; табличный процессор; органайзер; средства поддержки электронной почты; программы создания презентаций; графический редактор.
Компоненты интегрированных пакетов могут работать изолированно друг от друга, но основные достоинства интегрированных пакетов проявляются при их разумном сочетании друг с другом. Пользователи интегрированных пакетов имеют унифицированный для различных компонентов интерфейс, тем самым обеспечивается относительная легкость процесса их освоения.
Интегрированные пакеты эффективны и при групповой работе в сети многих пользователей. Так, из прикладной программы, в которой находится пользователь, можно отправить документы и файлы данных другому пользователю, при этом поддерживаются стандарты передачи данных в виде объектов по сети или через электронную почту.
Методо-ориентированные ППП – программные продукты, обеспечивающие независимо от предметной области и функций информационных систем математические, статистические и другие методы решения задач.
Наиболее распространены методы математического программирования, решения дифференциальных уравнений, имитационного моделирования, исследования операций.
Методы статистической обработки и анализа данных (описательная статистика, регрессионный анализ, прогнозирование значений технико-экономических показателей и т.п.) имеют всевозрастающее применение. Так, современные табличные процессоры значительно расширили набор встроенных функций, реализующих статистическую обработку, предлагают информационные технологии статистического анализа. Вместе с тем необходимость в использовании специализированных программных средств статистической обработки, обеспечивающих высокую точность и многообразие статистических методов, также растет.
Офисные ППП охватывают программы, обеспечивающие организационное управление деятельностью офиса:
1. Органайзеры (планировщики) – программное обеспечение для планирования рабочего времени, составления протоколов встреч, расписаний, ведения записной и телефонной книжки. В состав программ органайзеров входят: калькулятор, записная книжка, часы, календарь и т.п. На
...